| Périodicité d'entretien | Procédure d'entretien |
|---|---|
| À chaque utilisation ou une fois par jour |
|
Cette machine est une tondeuse à conducteur marchant à cylindre prévue pour les utilisateurs professionnels employés à des applications commerciales. Elle est principalement conçue pour tondre les pelouses régulièrement entretenues. L'utilisation de ce produit à d'autres fins que celle qui est prévue peut être dangereuse pour vous-même et pour les personnes à proximité.
Lisez attentivement cette notice pour apprendre comment utiliser et entretenir correctement votre produit, et éviter ainsi de l'endommager ou de vous blesser. Vous êtes responsable de l'utilisation sûre et correcte du produit.
Consultez le site www.Toro.com pour tout document de formation à la sécurité et à l'utilisation des produits, pour tout renseignement concernant un produit ou un accessoire, pour obtenir l'adresse des concessionnaires ou pour enregistrer votre produit.
Pour obtenir des prestations de service, des pièces Toro d'origine ou des renseignements complémentaires, munissez-vous des numéros de modèle et de série du produit et contactez un distributeur Toro agréé. Les numéros de modèle et de série se trouvent sur une plaque fixée sur le cadre arrière. Inscrivez les numéros dans l'espace réservé à cet effet.
Important: Avec votre appareil mobile, vous pouvez scanner le code QR sur l'autocollant du numéro de série (le cas échéant) afin d'accéder aux informations sur la garantie, les pièces détachées et autres renseignements sur le produit.

Les mises en garde de ce manuel soulignent des dangers potentiels et sont signalées par le symbole de sécurité (Figure 2), qui indique un danger pouvant entraîner des blessures graves ou mortelles si les précautions recommandées ne sont pas respectées.

Ce manuel utilise deux termes pour faire passer des renseignements essentiels. Important, pour attirer l'attention sur des renseignements mécaniques spécifiques et Remarque, pour insister sur des renseignements d'ordre général méritant une attention particulière.
Ce produit est conforme à toutes les directives européennes pertinentes. Pour plus de renseignements, reportez-vous à la Déclaration de conformité spécifique du produit fournie séparément.
Vous commettez une infraction à la section 4442 ou 4443 du Code des ressources publiques de Californie si vous utilisez cette machine dans une zone boisée, broussailleuse ou recouverte d'herbe à moins d'équiper le moteur d'un pare-étincelles, tel que défini à la section 4442, maintenu en bon état de marche, ou à moins de construire, équiper et entretenir le moteur de manière à prévenir les incendies.
Le manuel du propriétaire du moteur ci-joint est fourni à titre informatif concernant la réglementation de l'Agence américaine pour la protection de l'environnement (EPA) et la réglementation antipollution de l'état de Californie relative aux systèmes antipollution, à leur entretien et à leur garantie. Vous pouvez vous en procurer un nouvel exemplaire en vous adressant au constructeur du moteur.
Lorsque vous utilisez cette machine à plus de 1 500 m au-dessus du niveau de la mer, vous devez l'équiper du gicleur haute altitude. Consultez le manuel du propriétaire du moteur Honda.
CALIFORNIE
Proposition 65 - Avertissement
Les gaz d'échappement de ce produit contiennent des substances chimiques considérées par l'état de Californie comme susceptibles de provoquer des cancers, des malformations congénitales et autres troubles de la reproduction.
L'utilisation de ce produit peut entraîner une exposition à des substances chimiques considérées pas l'état de Californie comme capables de provoquer des cancers, des anomalies congénitales ou d'autres troubles de la reproduction.
Cette machine est conçue en conformité avec la norme EN ISO 5395 et la norme ANSI B71.4-2017, et satisfait à ces normes quand vous ajoutez le kit de détection de présence de l'utilisateur et les autocollants nécessaires.
Ce produit peut sectionner les mains ou les pieds et projeter des objets.
Vous devez lire et comprendre le contenu de ce Manuel de l'utilisateur avant de démarrer la machine.
Accordez toute votre attention à l'utilisation de la machine. Ne faites rien d’autre qui puisse vous distraire, au risque de causer des dommages corporels ou matériels.
N'approchez pas les mains ou les pieds des composants mobiles de la machine.
N'utilisez pas la machine s'il manque des capots ou d'autres dispositifs de protection, ou s'ils sont en mauvais état.
N'admettez personne, notamment les enfants, dans le périmètre de travail. N'autorisez jamais les enfants à utiliser la machine.
Avant de quitter la position d'utilisation, coupez le moteur, enlevez la clé (selon l'équipement) et attendez l'arrêt complet de tout mouvement. Laissez refroidir la machine avant de la régler, d'en faire l'entretien, de la nettoyer ou de la remiser.
L'usage ou l'entretien incorrect de cette machine
peut occasionner des accidents. Pour réduire les risques d'accidents
et de blessures, respectez les consignes de sécurité
qui suivent. Tenez toujours compte des mises en garde signalées
par le symbole de sécurité (
) et la mention
Prudence, Attention ou Danger. Le non respect de ces instructions
peut entraîner des blessures graves ou mortelles.
![]() |
Des autocollants de sécurité et des instructions bien visibles par l'opérateur sont placés près de tous les endroits potentiellement dangereux. Remplacez tout autocollant endommagé ou manquant. |











Note: Les côtés gauche et droit de la machine sont déterminés d'après la position d'utilisation normale.
Pièces nécessaires pour cette opération:
| Guidon | 1 |
| Serre-câble | 4 |
Enlevez les boulons (5/16"), les contre-écrous, les goupilles à anneau et les goupilles fendues qui fixent le bas des bras du guidon de chaque côté de la machine (Figure 3).

Retirez les boulons (3/8"), les rondelles et les rondelles-frein des goupilles de montage de chaque côté de la machine (Figure 3).
Insérez les extrémités du guidon dans les trous des bras du guidon et placez les trous en face des goupilles de montage (Figure 3).
Poussez les extrémités du guidon vers l'intérieur et placez-les sur les goupilles de montage (Figure 4).

Fixez les extrémités du guidon aux goupilles de montage à l'aide des boulons, des rondelles plates et des rondelles-freins retirées précédemment (Figure 4).
Utilisez les boulons (5/16"), les contre-écrous, les goupilles fendues et les goupilles à anneau que vous avez retirés précédemment pour fixer les bras du guidon à l'arrière du cadre (Figure 3).
Fixez les câbles et le faisceau de câblage au guidon à l'aide des serre-câbles (Figure 5).

Voir Figure 6 pour cette procédure.

Retirez les goupilles fendues des goupilles à anneau de chaque côté de la machine.
Soutenez le guidon et retirez les goupilles à anneau de chaque côté pour monter ou descendre le guidon à la hauteur voulue.
Posez les goupilles à anneau et les goupilles fendues.
Pièces nécessaires pour cette opération:
| Arbre de roue droite | 1 |
| Arbre de roue gauche | 1 |
Abaissez la béquille avec le pied et tirez sur le guidon pour appuyer la machine sur la béquille.
Appliquez du frein-filet sur le filetage des arbres de roues.
Vissez l'arbre de la roue droite sur la poulie d'entraînement du côté droit de la machine (Figure 7).
Note: L'arbre de la roue droite a un filetage à gauche.

Serrez l'arbre à un couple de 88 à 101 N·m.
Répétez les opérations 2 à 4 pour monter l'arbre de roue gauche sur le côté gauche de la machine.
Pièces nécessaires pour cette opération:
| Roue de transport | 2 |
Abaissez la béquille avec le pied et tirez sur le guidon pour appuyer la machine sur la béquille.
Glissez une roue sur un essieu.
Faites pivoter le clip de verrouillage pour l'éloigner du centre de la roue et lui permettre ainsi de coulisser plus avant sur l'essieu (Figure 8).

Faites tourner la roue d'avant en arrière jusqu'à ce qu'elle soit complètement enfoncée sur l'essieu et que le clip de verrouillage soit engagé dans la rainure de l'arbre de roue.
Répétez la procédure de l'autre côté de la machine.
Gonflez les pneus à une pression de 0,83 à 1,03 bar.
Descendez la machine de la béquille avec précaution.
Avant d'utiliser la machine, procédez aux réglages suivants :
Pièces nécessaires pour cette opération:
| Kit de détection de présence de l'utilisateur (à commander séparément ; contactez votre distributeur Toro agréé) | 1 |
Pour satisfaire à la norme EN ISO 5395 et à la norme ANSI B71.4-2017, installez le kit de détection de présence de l'utilisateur (modèle 112-9282) ; voir les Instructions d'installation du kit.
Contactez votre distributeur Toro agréé pour vous procurer ce kit.
Pièces nécessaires pour cette opération:
| Autocollant de l'année de production | 1 |
| Autocollant de marque de conformité CE | 1 |
Si vous utilisez cette machine dans un pays qui respecte les normes de la CE, apposez les autocollants d'année de production et de marque de conformité CE près de la plaque du numéro de série ; voir Figure 9.

Pièces nécessaires pour cette opération:
| Bac à herbe | 1 |
Saisissez le bac par le bord supérieur et glissez-le sur les tiges de montage (Figure 10).

La machine est rodée après seulement 8 heures de tonte.
Les premières heures de fonctionnement sont déterminantes pour la fiabilité ultérieure de la machine. Il est essentiel de surveiller étroitement les performances de la machine afin de noter et corriger les petites anomalies qui pourraient dégénérer en problèmes importants. Durant les premières heures d'utilisation, examinez fréquemment la machine pour détecter d'éventuels signes de fuites d'huile, fixations desserrées ou autres anomalies.
Lisez le manuel du propriétaire du moteur pour connaître les procédures de vidange d'huile et d'entretien recommandées pendant le rodage.


Le levier de commande de déplacement (Figure 12) est situé à droite à l'avant du panneau de commande. Il comprend 2 positions : POINT MORT et MARCHE AVANT. Poussez le levier en avant pour engager la transmission aux roues.
La commande d'accélérateur (Figure 12) est située sur le côté arrière droit du panneau de commande. La commande est reliée au carburateur et commande le régime moteur. Pour le régime moteur, voir Caractéristiques techniques.
La commande marche/arrêt (Figure 12) se trouve sur le dessus du panneau de commande. Placez la commande en position MARCHE pour démarrer le moteur et en position ARRêT pour couper le moteur.
Le frein de service (Figure 13) est situé sur le côté supérieur avant gauche du panneau de commande. Il permet de ralentir ou d'immobiliser la machine.

Le frein de stationnement (Figure 14) est situé à la base du frein de service. Serrez complètement le frein de service puis enfoncez le bouton du frein de stationnement pour que le frein de service soit en appui sur la goupille du frein de stationnement. Actionnez le frein de service pour relâcher le frein de stationnement. Vous devez desserrer le frein avant d'engager la transmission aux roues.

La commande de présence de l'utilisateur (Figure 12) est située à l'arrière du guidon (selon l'équipement). Poussez la commande contre le guidon. Vous devez engager la commande de présence de l'utilisateur avant d'actionner le levier de déplacement. Le moteur s'arrête si vous relâchez la commande de présence de l'utilisateur.
Le levier de commande du cylindre (Figure 15) est situé dans l'angle avant droit de la machine. Il comporte 2 positions :
ENGAGé – poussez le levier en avant pour engager le cylindre.
DéSENGAGé – poussez le levier en arrière pour désengager le cylindre.

La commande de starter (Figure 16) se trouve à l'avant gauche du moteur. Utilisez le starter pour faciliter le démarrage du moteur à froid ; voir Utilisation de la commande de starter.

Le robinet d'arrivée de carburant est situé sur le côté du moteur, sous la commande starter (Figure 16).
Note: Fermez le robinet d'arrivée de carburant si vous ne prévoyez pas d'utiliser la machine pendant quelques jours, pendant le transport et pour vous rendre d'un lieu de travail à un autre, ou quand la machine est garée à l'intérieur d'un local ; voir Ouverture et fermeture du robinet d'arrivée de carburant.
Tirez sur le lanceur (Figure 16) pour mettre le moteur en marche.
| Spécifications du modèle | Modèle 04055 |
| Largeur | 91 cm |
| Hauteur | 114 cm |
| Longueur avec bac à herbe | 122 cm |
| Poids à sec (avec bac et rouleau Wiehle, sans roues ou cylindre groomer) | 98 kg |
| Largeur de coupe | 53 cm |
| Hauteur de coupe | 1,6 à 31,8 mm |
| Tonte | 4,3 mm |
| Régime moteur | Ralenti : 1 800 à 2 000 tr/min ; Ralenti accéléré : 3 350 à 3 550 tr/min |
Une sélection d'outils et d'accessoires agréés par Toro est disponible pour augmenter et améliorer les capacités de la machine. Pour obtenir la liste de tous les accessoires et outils agréés, contactez votre concessionnaire-réparateur ou votre distributeur agréé, ou rendez-vous sur www.Toro.com.
Pour garantir un rendement optimal et la sécurité continue de la machine, utilisez uniquement des pièces de rechange et accessoires Toro d'origine. Les pièces de rechange et accessoires provenant d'autres constructeurs peuvent être dangereux, et leur utilisation risque d'annuler la garantie de la machine.
Note: Les côtés gauche et droit de la machine sont déterminés d'après la position d'utilisation normale.
Ne confiez jamais l'utilisation ou l'entretien de la machine à des enfants ou à des personnes non qualifiées. Certaines législations imposent un âge minimum pour l'utilisation de ce type d'appareil. Le propriétaire de la machine doit assurer la formation de tous les utilisateurs et mécaniciens.
Familiarisez-vous avec le maniement correct du matériel, les commandes et les symboles de sécurité.
Avant de quitter la position d'utilisation, coupez le moteur, enlevez la clé (selon l'équipement) et attendez l'arrêt complet de tout mouvement. Laissez refroidir la machine avant de la régler, d'en faire l'entretien, de la nettoyer ou de la remiser.
Apprenez à arrêter la machine et à couper le moteur rapidement.
Vérifiez toujours que les commandes de détection de présence de l'utilisateur, les contacteurs de sécurité et les dispositifs de protection sont en place et fonctionnent correctement. N'utilisez pas la machine s'ils ne fonctionnent pas correctement.
Inspectez la zone de travail et débarrassez-la de tout objet pouvant être projeté par la machine.
Faites preuve de la plus grande prudence quand vous manipulez du carburant, en raison de son inflammabilité et du risque d'explosion des vapeurs qu'il dégage.
Éteignez cigarettes, cigares, pipes et autres sources d'étincelles.
Utilisez exclusivement un bidon à carburant homologué.
N'enlevez pas le bouchon du réservoir de carburant et n'ajoutez pas de carburant quand le moteur tourne ou est encore chaud.
N'ajoutez pas de carburant et ne vidangez pas le réservoir dans un local fermé.
Ne rangez pas la machine ni les bidons de carburant à proximité d'une flamme nue, d'une source d'étincelles ou d'une veilleuse, telle celle d'un chauffe-eau ou autre appareil.
Si vous renversez du carburant, ne mettez pas le moteur en marche. Évitez toute source possible d'inflammation jusqu'à dissipation complète des vapeurs de carburant.
Ne remplissez pas les bidons de carburant à l'intérieur d'un véhicule ou sur le plateau d'une remorque dont le revêtement est en plastique. Posez toujours les bidons sur le sol, à l'écart du véhicule, avant de les remplir.
Descendez la machine du véhicule ou de la remorque et posez-la à terre avant de remplir le réservoir de carburant. Si cela n'est pas possible, laissez la machine dans le véhicule ou sur la remorque, mais remplissez le réservoir à l'aide d'un bidon, et non directement à la pompe.
Maintenez le pistolet en contact avec le bord du réservoir ou du bidon jusqu'à la fin du remplissage.
Effectuez les procédures d'entretien quotidiennes ; voir Liste de contrôle pour l'entretien journalier.
Contrôlez le niveau d'huile moteur avant chaque utilisation ou toutes les 8 heures de fonctionnement ; voir Contrôle du niveau d'huile moteur.
Capacité du réservoir de carburant : 2 litres
Carburant recommandé : essence sans plomb avec indice d'octane de 87 ou plus (méthode de calcul [R+M]/2).
Éthanol : De l'essence contenant jusqu'à 10 % d'éthanol (essence-alcool) ou 15 % de MTBE (éther méthyltertiobutylique) par volume peut être utilisée à la rigueur. L'éthanol et le MTBE sont deux produits différents. L'utilisation d'essence contenant 15 % d'éthanol (E15) par volume n'est pas agréée.
N'utilisez jamais d'essence contenant plus de 10 % d'éthanol par volume, comme E15 (qui contient 15 % d'éthanol), E20 (qui contient 20 % d'éthanol) ou E85 (qui contient jusqu'à 85 % d'éthanol).
N'utilisez pas d'essence contenant du méthanol.
Ne stockez pas le carburant dans le réservoir ou dans des bidons de carburant pendant l'hiver, à moins d'utiliser un stabilisateur de carburant.
N'ajoutez pas d'huile à l'essence.
Pour assurer le fonctionnement optimal de la machine, utilisez uniquement du carburant propre et frais (stocké depuis moins d'un mois).
L'utilisation d'essence non agréée peut entraîner des problèmes de performances et/ou des dommages au moteur qui peuvent ne pas être couverts par la garantie.
Dans certaines circonstances, le carburant est extrêmement inflammable et hautement explosif. Un incendie ou une explosion par du carburant peut vous brûler, ainsi que les personnes se tenant à proximité, et causer des dommages matériels.
Faites le plein du réservoir de carburant à l'extérieur, dans un endroit bien dégagé, lorsque le moteur est froid. Essuyez tout carburant répandu.
Ne faites jamais le plein du réservoir de carburant à l'intérieur d'une remorque fermée.
Ne remplissez pas complètement le réservoir de carburant. Versez la quantité de carburant nécessaire pour que le niveau se situe entre 6 et 13 mm en dessous de la base du goulot de remplissage. L'espace au-dessus doit rester vide pour permettre au carburant de se dilater.
Ne fumez jamais en manipulant du carburant et tenez-vous à l'écart des flammes nues ou sources d'étincelles qui pourraient enflammer les vapeurs de carburant.
Conservez le carburant dans un récipient homologué et hors de la portée des enfants. N'achetez et ne stockez jamais plus que la quantité de carburant consommée en un mois.
N'utilisez pas la machine si elle n'est pas équipée du système d'échappement complet et en bon état de marche.
Dans certaines circonstances, de l'électricité statique peut se former lors du remplissage, produire une étincelle et enflammer les vapeurs de carburant. Un incendie ou une explosion par du carburant peut vous brûler, ainsi que les personnes se tenant à proximité, et causer des dommages matériels.
Posez toujours les bidons de carburant sur le sol, à l'écart du véhicule, avant de les remplir.
Ne remplissez pas les bidons de carburant à l'intérieur d'un véhicule ou sur le plateau d'une remorque, car la moquette intérieure ou le revêtement en matière plastique du plateau risque d'isoler le bidon et de freiner l'élimination de l'électricité statique éventuellement produite.
Dans la mesure du possible, descendez la machine du véhicule ou de la remorque et posez-la à terre avant de remplir le réservoir de carburant. Si ce n'est pas possible, laissez la machine dans le véhicule ou sur la remorque, mais remplissez le réservoir à l'aide d'un bidon, et non directement à la pompe.
En cas de remplissage à la pompe, maintenez le pistolet en contact avec le bord du réservoir ou du bidon jusqu'à la fin du remplissage.
Le carburant est toxique et même mortel en cas d'ingestion. L'exposition prolongée aux vapeurs de carburant peut causer des blessures et des maladies graves.
Évitez de respirer les vapeurs de carburant de façon prolongée.
N'approchez pas le visage du pistolet ni de l'ouverture du réservoir de carburant ou du bidon de conditionneur.
Évitez tout contact avec la peau et lavez tout liquide renversé à l'eau et au savon.
Nettoyez la surface autour du bouchon du réservoir de carburant et enlevez le bouchon (Figure 17). Remplissez le réservoir de carburant jusqu'à la base du goulot de remplissage.
Important: Ne remplissez pas excessivement le réservoir de carburant.

Remettez le bouchon du réservoir en place et essuyez le carburant éventuellement répandu.
Reportez-vous aux tableaux suivants pour régler la machine en fonction de l'état du gazon.
| Réf. | Description | Agressivité | Commentaires |
| 112-9281-01 | Standard | Moins | Standard Greensmaster 1000 |
| 112-9279-03 | Agressive | Plus |
| Réf. | Description | Plage de hauteur de coupe | Commentaires |
| 93-4262 | Microcut | 1,5–3 mm | |
| 115-1880 | EdgeMax Microcut | 1,5–3 mm | Standard Greensmaster 1000 |
| 93-4263 | Tournament | 3–6 mm | |
| 115-1881 | EdgeMax Tournament | 3–6 mm | Plus longue durée |
| 93-4264 | Coupe basse | 6 mm et plus | |
| 108-4303 | Microcut étendue | 1,5–3 mm | Moins agressif |
| Réf. | Description | Diamètre/matériau | Commentaires |
| 99-6241 | Wiehle étroit | 50,8 mm, aluminium | Standard, espacement de 0,5 cm |
| 88-6790 | Wiehle large | 50,8 mm, aluminium | Grande pénétration, espacement de 1,15 cm |
| 104-2642 | Rouleau plein | 50,8 mm, acier | Moindre pénétration |
| 71-1550 | Rouleau Wiehle | 51 mm, fonte | Grande pénétration, espacement de 1,15 cm |
| 93-9045 | Rouleau Wiehle | 63,5 mm, aluminium | 61 cm de largeur pour support de bord |
| 52-3590 | Rouleau embouti | 63,5 mm, aluminium |
| Modèle | Standard | Kit de coupe 65–9000 | Kit de traction 115–1886 | Kits coupe et traction | ||||||||
| Cylindre standard | Cylindre en option | Cylindre standard | Cylindre en option | Cylindre standard | Cylindre en option | Cylindre standard | Cylindre en option | |||||
| 04810 | 11 lames4,1 mm | 14 lames3,3 mm | 8 lames5,8 mm | 11 lames6,4 mm | 14 lames4,8 mm | 8 lames8,6 mm | 11 lames3,8 mm | 14 lames3 mm | 8 lames5,1 mm | 11 lames5,6 mm | 14 lames4,3 mm | 8 lames7,6 mm |
| Vitesse de déplacement | 5,39 km/h | 4,80 km/h | ||||||||||
| Périodicité d'entretien | Procédure d'entretien |
|---|---|
| À chaque utilisation ou une fois par jour |
|
Si les contacteurs de sécurité sont déconnectés ou endommagés, la machine peut se mettre en marche inopinément et causer des blessures.
Ne modifiez pas abusivement les contacteurs de sécurité.
Vérifiez chaque jour le fonctionnement des contacteurs de sécurité et remplacez ceux qui sont endommagés avant d'utiliser la machine.
Abaissez la béquille avec le pied et tirez le guidon vers le haut pour décoller les roues du sol.
Placez le levier commande de déplacement en position ENGAGéE et les commandes du moteur en position de démarrage.
Essayez de mettre le moteur en marche.
Le moteur ne doit pas démarrer. Si le moteur démarre, le contacteur de sécurité est défectueux. Remédiez au problème avant d'utiliser la machine. Voir Entretien du contacteur de sécurité de déplacement
Soulevez le guidon avec précaution pour libérer la béquille.
Utilisez les roues de transport pour transporter la machine sur une courte distance.
Montez les roues de transport ; voir Montage des roues de transport
Vérifiez que les leviers de commande de déplacement et du cylindre sont en position DéSENGAGéE.
Démarrez le moteur ; voir Démarrage du moteur
Placez la commande d'accélérateur en position BAS RéGIME, soulevez l'avant de la machine, engagez progressivement la commande de déplacement et augmentez lentement le régime moteur.
Réglez la commande d'accélérateur pour obtenir la vitesse de déplacement voulue et transporter la machine à l'endroit voulu.
Utilisez une remorque pour transporter la machine sur une grande distance. Faites preuve de prudence lorsque en chargeant ou déchargeant la machine d'une remorque.
Conduisez la machine sur la remorque avec précaution.
Coupez le moteur, serrez le frein de stationnement et tournez le robinet d'arrivée de carburant en position FERMéE.
Utilisez des rampes d'une seule pièce pour charger la machine sur une remorque ou un camion.
Arrimez solidement la machine sur la remorque.
Note: Vous pouvez utiliser la remorque Trans Pro de Toro pour transporter la machine. Pour savoir comment charger la remorque, voir le Manuel de l'utilisateur de la remorque.
Important: Ne faites pas tourner le moteur pendant le transport de la machine sur une remorque, car elle pourrait être endommagée.
Ramenez le levier de commande de déplacement en position POINT MORT, la commande d'accélérateur en position BAS RéGIME et coupez le moteur.
Abaissez la béquille avec le pied et tirez sur le support du guidon jusqu'à ce que la béquille bascule en avant.
Déposez les roues de transport en poussant les clips de verrouillage hors des rainures de l'arbre hexagonal.
Descendez la machine de la béquille avec précaution en la poussant en avant lentement ou en la soulevant par le support de guidon inférieur afin de permettre à la béquille de retourner en position de RANGEMENT.
Utilisez la commande de starter pour faciliter le démarrage du moteur à froid. Placez la commande en position STARTER pour démarrer à froid. Lorsque le moteur démarre, placez la commande de starter en position MARCHE.

Régulez le débit de carburant vers le moteur avec le robinet d'arrivée de carburant comme suit :
Le propriétaire/l'utilisateur est responsable des accidents pouvant entraîner des dommages corporels ou matériels et peut les prévenir.
Portez des vêtements appropriés, y compris une protection oculaire, un pantalon, des chaussures solides à semelle antidérapante et des protecteurs d'oreilles. Si vos cheveux sont longs, attachez-les et ne portez pas de vêtements amples ni de bijoux pendants.
N'utilisez pas la machine si vous êtes fatigué, malade ou sous l'emprise de l'alcool, de drogues ou de médicaments.
Accordez toute votre attention à l'utilisation de la machine. Ne faites rien d’autre qui puisse vous distraire, au risque de causer des dommages corporels ou matériels.
Avant de démarrer la machine, assurez-vous que tous les embrayages sont au point mort, que le frein de stationnement est serré et que vous êtes au poste d'utilisation.
N'admettez personne, notamment les enfants, dans le périmètre de travail. Si d'autres personnes doivent obligatoirement être présentes, faites preuve de prudence et vérifiez que le bac de ramassage est installé sur la machine.
N'utilisez la machine que si la visibilité est bonne pour éviter les trous ou autres dangers cachés.
N'utilisez pas la machine si la foudre menace.
Ne tondez pas l'herbe humide. Vous pourriez glisser et vous blesser en tombant.
N'approchez pas les pieds ni les mains des unités de coupe.
Avant de faire marche arrière, vérifiez que la voie est libre juste derrière la machine et sur sa trajectoire.
Soyez prudent à l'approche de tournants sans visibilité, de buissons, d'arbres ou d'autres objets susceptibles de vous masquer la vue.
Arrêtez l'unité de coupe quand vous ne tondez pas.
Débrayez l'unité de coupe et coupez le moteur avant d'ajouter de régler la hauteur de coupe.
Ne faites jamais tourner le moteur dans un local ne permettant pas d'évacuer les gaz d'échappement.
Ne laissez jamais la machine en marche sans surveillance.
Avant de quitter le poste de conduite:
Garez la machine sur un sol plat et horizontal.
Débrayez l'unité de coupe.
Serrez le frein de stationnement.
Coupez le moteur de la machine et enlevez la clé (selon l'équipement).
Attendez l'arrêt complet de tout mouvement.
Coupez le moteur de la machine avant de vider le bac à herbe.
Ne touchez pas le moteur, le silencieux ou le tuyau d'échappement si le moteur tourne ou vient de s'arrêter, car vous risquez de vous brûler.
Coupez le moteur de la machine et débrayez l'unité de coupe dans les cas suivants :
Avant de faire le plein de carburant.
Avant de dégager des obstructions.
Avant de retirer le bac à herbe.
Avant d'inspecter, de nettoyer ou de faire l'entretien de l'unité de coupe.
Après avoir heurté un obstacle ou si des vibrations inhabituelles se produisent. Recherchez et réparez les dommages éventuels des unités de coupe avant de redémarrer et d'utiliser la machine.
Avant de quitter la position d'utilisation
Utilisez uniquement les accessoires et outils agréés par The Toro® Company.
Les pentes augmentent significativement les risques de perte de contrôle et de retournement de la machine pouvant entraîner des accidents graves, voire mortels. Vous êtes responsable de la sécurité d'utilisation de la machine sur les pentes. L'utilisation de la machine sur une pente, quelle qu'elle soit, demande une attention particulière. Avant d’utiliser la machine sur une pente, vous devez :
Lire et comprendre les instructions relatives à l'utilisation sur les pentes qui figurent dans le manuel et sur la machine.
Évaluer chaque jour l'état du terrain pour déterminer si la pente permet d'utiliser la machine sans risque. Faites preuve de bon sens et de discernement lors de cette évaluation. Les conditions changeantes du terrain, telle l'humidité, peuvent rapidement modifier le fonctionnement de la machine sur les pentes.
Travaillez toujours perpendiculairement à la pente, jamais en montant ou en descendant. Évitez d'utiliser la machine sur des pentes trop raides ou humides. Vous pourriez glisser et vous blesser en tombant.
Identifiez les dangers potentiels depuis le bas de la pente. N'utilisez pas la machine près de fortes dénivellations, fossés, berges, étendues d'eau ou autres dangers. La machine pourrait se retourner brusquement si une roue passe par-dessus une dénivellation quelconque et se retrouve dans le vide, ou si un bord s'effondre. Maintenez une distance de sécurité entre la machine et tout danger potentiel. Utilisez un outil manuel sur ce type de terrain.
Évitez de démarrer, de vous arrêter ou de tourner sur les pentes. Ne changez pas soudainement de vitesse ou de direction; tournez lentement et graduellement.
N'utilisez pas la machine si la motricité, la direction ou la stabilité peuvent être compromises. Tenez compte du fait que la motricité de la machine peut être réduite sur l'herbe humide, en travers des pentes ou dans les descentes. La perte d'adhérence des roues motrices peut faire patiner la machine et entraîner la perte du freinage et de la direction. La machine peut glisser même si les roues motrices ne tournent plus.
Enlevez ou balisez les obstacles tels que fossés, trous, ornières, bosses, rochers ou autres dangers cachés. L'herbe haute peut masquer les accidents du terrain. Les irrégularités du terrain peuvent provoquer le retournement de la machine.
Si vous perdez le contrôle de la machine, éloignez-vous dans la direction opposée au déplacement de la machine.
Laissez toujours la machine en prise dans les descentes. Ne descendez pas les pentes en roue libre (ne concerne que les machines à transmission par engrenages).
Note: Pour les illustrations et les descriptions des commandes mentionnées dans cette section, voir Commandes.
Note: Vérifiez que le fil est branché à la bougie.
Vérifiez que les leviers de commande de déplacement et du cylindre sont en position DéSENGAGéE.
Note: Le moteur ne peut pas démarrer si le levier de commande de déplacement est en position ENGAGéE.
Vérifiez que le robinet d'arrivée de carburant est ouvert.
Placez la commande marche/arrêt en position MARCHE.
Amenez la commande d'accélérateur en position HAUT RéGIME.
Placez la commande de starter à mi-course, entre les positions STARTER et MARCHE, pour démarrer le moteur à froid.
Note: Le starter n'est pas toujours nécessaire pour démarrer un moteur chaud.
Tirez sur la poignée du lanceur jusqu'à ce que vous sentiez une résistance, puis tirez vigoureusement pour démarrer le moteur.
Important: Ne tirez pas le lanceur au maximum et ne le lâchez pas brusquement quand il est tiré, car le cordon pourrait se rompre ou le mécanisme être endommagé.
Placez la commande de starter en position MARCHE quand le moteur est chaud.
Amenez les leviers de commande de déplacement et d'entraînement du cylindre en position DéSENGAGéE.
Amenez la commande d'accélérateur en position BAS RéGIME.
Placez la commande marche/arrêt en position ARRêT.
Fermez le robinet d'arrivée de carburant avant de transporter ou de remiser la machine
Important: L'herbe coupée tient lieu de lubrifiant pendant la tonte. L'unité de coupe peut être endommagée si elle fonctionne trop longtemps sans herbe coupée.
Travaillez en faisant des allers et retours en ligne droite dans le sens transversal.
Évitez de tondre en rond ou de faire tourner la machine sur le green car vous risquez d'abîmer la surface.
Faites demi-tour en dehors du green en soulevant le cylindre de coupe (appuyez sur le guidon) et en pivotant sur le tambour de déplacement.
Travaillez à un rythme normal. Vous précipiter ne vous fera gagner que peu de temps et vous obtiendrez une coupe de mauvaise qualité.
Pour vous aider à travailler en ligne droite sur le green et à maintenir la machine à égale distance du bord de la passe précédente, servez-vous des bandes d'alignement sur le dessus du bac à herbe (Figure 20).

Utilisez le kit d'éclairage à LED sur la machine quand la luminosité est faible ; contactez votre concessionnaire Toro agréé.
Important: N'utilisez pas d'autres systèmes d'éclairage pour cette machine car ils ne fonctionneront correctement avec l'alimentation CA du moteur.
Si la machine est utilisée correctement, vous obtiendrez une pelouse d'une qualité irréprochable. Reportez-vous également aux suggestions essentielles de Conseils d'utilisation pour obtenir des performances optimales de votre machine.
Important: L'unité de coupe peut être endommagée si elle fonctionne trop longtemps sans herbe coupée (lubrifiant).
Démarrez le moteur, réglez la commande d'accélérateur en position de bas régime, appuyez sur le guidon pour relever l'unité de coupe, amenez le levier de commande de déplacement en position ENGAGéE et transportez la machine à la lisière du green.
Placez le levier de commande de déplacement en position DéSENGAGéE et le levier de commande du cylindre en position ENGAGéE.
Amenez le levier de commande de déplacement en position ENGAGéE, augmentez le régime moteur jusqu'à ce que la machine se déplace à la vitesse voulue, puis conduisez la machine jusqu'au green, abaissez l'avant de la machine et commencez à travailler.
Lorsque vous avez terminé, quittez le green, placez le levier de commande de déplacement en position DéSENGAGéE, coupez le moteur et poussez le levier de commande du cylindre en position DéSENGAGéE.
Videz le bac à herbe, remettez-le en place et procédez au transport de la machine.
Quittez le green, ramenez les leviers de commande de déplacement et du cylindre en position DéSENGAGéE et arrêtez le moteur.
Videz le bac à herbe, remettez-le en place et transportez la machine jusqu'au lieu de remisage.
Avant de quitter la position d'utilisation, coupez le moteur, enlevez la clé (selon l'équipement) et attendez l'arrêt complet de tout mouvement. Laissez refroidir la machine avant de la régler, d'en faire l'entretien, de la nettoyer ou de la remiser.
Pour éviter les risques d'incendie, enlevez les brins d'herbe et autres débris qui sont agglomérés sur la machine. Nettoyez les coulées éventuelles d'huile ou de carburant.
Laissez refroidir la machine avant de la ranger dans un local fermé.
Ne remisez pas la machine ni les bidons de carburant à proximité d'une flamme nue, d'une source d'étincelles ou d'une veilleuse, telle celle d'un chauffe-eau ou d'autres appareils.
Réduisez le régime moteur avant de couper le moteur et fermez le robinet d'arrivée de carburant (selon l'équipement) quand vous avez fini de tondre.
Après la tonte, transportez la machine hors du lieu de travail ; voir Transport de la machine au moyen des roues de transport ou Transport de la machine sur une remorque.
Un mauvais entretien de la machine peut entraîner une défaillance prématurée des divers systèmes et vous blesser ou blesser les personnes à proximité.
Maintenez la machine bien entretenue et en bon état de marche, conformément aux instructions du présent manuel.
Note: Les côtés gauche et droit de la machine sont déterminés d'après la position d'utilisation normale.
Important: Ne basculez pas la machine de plus de 25°. Si vous basculez la machine de plus de 25 ° de l'huile s'écoulera dans la chambre de combustion et/ou du carburant fuira par le bouchon du réservoir de carburant.
Important: Reportez-vous au manuel du propriétaire du moteur pour toutes procédures d'entretien supplémentaires.
Avant de quitter la position d'utilisation :
Garez la machine sur un sol plat et horizontal.
Placez la commande d'accélérateur en position de ralenti.
Désengagez la ou les unités de coupe.
Vérifiez que la commande de déplacement est au point mort.
Serrez le frein de stationnement.
Coupez le moteur de la machine et enlevez la clé (selon l'équipement).
Attendez l'arrêt complet de tout mouvement.
Laissez refroidir les composants de la machine avant d'effectuer tout entretien.
Si possible, n'effectuez aucun entretien sur la machine en laissant le moteur en marche. Ne vous approchez pas des pièces mobiles.
S'il faut mettre le moteur en marche pour effectuer un réglage, n'approchez pas les mains, les pieds et autres parties du corps ni les vêtements de l'unité de coupe, des accessoires et des pièces mobiles. Ne laissez approcher personne.
Pour éviter les risques d'incendie, enlevez les débris d'herbe coupée et autres agglomérés sur l'unité de de coupe, le dispositif d'entraînement, le silencieux, la grille de refroidissement et le moteur. Nettoyez les coulées éventuelles d'huile ou de carburant.
Maintenez toutes les pièces en bon état de marche. Remplacez toutes les pièces et tous les autocollants usés, endommagés ou manquants. Gardez toutes les fixations bien serrées pour garantir l'utilisation sûre de la machine.
Vérifiez fréquemment les composants du bac à herbe et remplacez-les au besoin.
Pour garantir le fonctionnement sûr et optimal de la machine, utilisez exclusivement des pièces de rechange Toro d'origine. Les pièces de rechange provenant d'autres constructeurs peuvent être dangereuses et leur utilisation risque d'annuler la garantie de la machine.
Si la machine nécessite une réparation importante ou si vous avez besoin de renseignements, contactez un distributeur Toro agréé.
| Périodicité d'entretien | Procédure d'entretien |
|---|---|
| Après les 20 premières heures de fonctionnement |
|
| À chaque utilisation ou une fois par jour |
|
| Toutes les 25 heures |
|
| Toutes les 50 heures |
|
| Toutes les 100 heures |
|
| Toutes les 300 heures |
|
| Toutes les 1000 heures |
|
Important: Copiez cette page pour pouvoir vous en servir régulièrement.
| Entretiens à effectuer | Pour la semaine du : | ||||||
|---|---|---|---|---|---|---|---|
| Lun. | Mar. | Mer. | Jeu. | Ven. | Sam. | Dim. | |
| Vérifiez le fonctionnement du système de sécurité. | |||||||
| Vérifiez le fonctionnement du frein de stationnement. | |||||||
| Contrôlez le niveau de carburant. | |||||||
| Contrôlez le niveau d'huile moteur. | |||||||
| Contrôlez le filtre à air. | |||||||
| Nettoyez les ailettes de refroidissement du moteur. | |||||||
| Vérifiez les bruits anormaux en provenance du moteur. | |||||||
| Vérifiez les bruits de fonctionnement anormaux. | |||||||
| Vérifiez le réglage cylindre/contre-lame. | |||||||
| Vérifiez le réglage de la hauteur de coupe. | |||||||
| Graissez tous les graisseurs. | |||||||
| Retouchez les peintures endommagées. | |||||||
| Contrôle effectué par : | ||
| Point contrôlé | Date | Information |
Pendant l'entretien ou le réglage de la machine, quelqu'un pourrait démarrer le moteur. Le démarrage accidentel du moteur pourrait vous blesser gravement ou des personnes à proximité.
Avant tout entretien, coupez le moteur, serrez le frein de stationnement et débranchez le(s) fil(s) de(s) bougie(s). Écartez aussi le(s) fil(s) pour éviter tout contact accidentel avec la ou les bougies.
Effectuez la procédure suivante avant de faire l'entretien, de nettoyer ou de régler la machine.
Garez la machine sur un sol plat et horizontal.
Coupez le moteur et enlevez la clé de la machine (selon l'équipement).
Serrez le frein de stationnement.
Attendez l'arrêt complet de toutes les pièces mobiles et laisser refroidir le moteur, avant de faire l'entretien, de remiser ou de réparer la machine.
Débranchez le fil de la bougie (Figure 21).

| Périodicité d'entretien | Procédure d'entretien |
|---|---|
| Toutes les 25 heures |
|
Lubrifiez les 12 graisseurs de la machine avec de la graisse au lithium nº 2. Pour un résultat optimal, utilisez une pompe à graisse manuelle.
Emplacements des graisseurs :
2 sur le rouleau avant (Figure 22)
2 sur les roulements de cylindre (Figure 22)
2 sur les axes du tambour (Figure 23)
3 sur le différentiel (Figure 23)
2 sur les roulements de l'arbre intermédiaire du cylindre (Figure 24)
1 sur les pivots de la poulie de tension de courroie (Figure 25).
Essuyez chaque graisseur avec un chiffon propre.
Injectez de la graisse dans chaque graisseur.
Important: N'exercez pas une pression trop forte au risque d'endommager irrémédiablement les joints à graisse.
Essuyez tout excès de graisse.




Ne modifiez pas le réglage du régulateur et ne faites pas tourner le moteur à un régime excessif.
Laissez tourner le moteur jusqu'à ce qu'il s'arrête faute de carburant ou vidangez le reste du carburant avec une pompe manuelle ; ne siphonnez jamais le carburant. Si vous devez vidanger le réservoir de carburant, faites-le toujours à l'extérieur.
Versez environ 0,56 l d'huile moteur de viscosité correcte dans le carter avant de démarrer le moteur. Le moteur utilise une huile détergente de haute qualité de classe de service API (American Petroleum Institute) SJ ou mieux. Choisissez la viscosité d'huile correcte en fonction de la température ambiante. La Figure 26 représente les viscosités préconisées en fonction des températures.

Note: Les huiles multigrades (5W-20, 10W-30 et 10W-40) accroissent la consommation d'huile. Contrôlez le niveau d'huile moteur plus fréquemment si vous utilisez ce type d'huile.
| Périodicité d'entretien | Procédure d'entretien |
|---|---|
| À chaque utilisation ou une fois par jour |
|
Le meilleur moment pour contrôler le niveau d'huile moteur est quand le moteur est froid ou avant de démarrer le moteur en début de journée. Si le moteur a déjà tourné, attendez au moins 10 minutes pour contrôler le niveau afin de donner le temps à l'huile moteur de retourner dans le carter.
Coupez le moteur et attendez l'arrêt complet de toutes les pièces mobiles ; voir Préparation de la machine à l'entretien.
Positionnez la machine de sorte que le moteur soit de niveau et nettoyez la surface autour du tube de remplissage (Figure 27).

Dévissez la jauge et retirez-la.
Retirez la jauge et essuyez soigneusement l'extrémité.
Insérez la jauge au fond du tube de remplissage, sans la visser.
Ressortez la jauge et vérifiez le niveau d'huile moteur (Figure 28).

Si l'huile moteur n'est pas au niveau correct, faites l'appoint pour rectifier le niveau ; voir Vidange de l'huile moteur.
| Périodicité d'entretien | Procédure d'entretien |
|---|---|
| Après les 20 premières heures de fonctionnement |
|
| Toutes les 100 heures |
|
L'huile risque d'être chaude quand le moteur vient de tourner et de causer des blessures graves au contact de la peau.
Évitez tout contact avec l'huile moteur chaude lors de la vidange.
Coupez le moteur et attendez l'arrêt complet de toutes les pièces mobiles ; voir Préparation de la machine à l'entretien.
Placez un bac sous le bouchon de vidange pour récupérer l'huile.
Enlevez le bouchon de vidange, la rondelle et sortez la jauge (Figure 27).
Positionnez le moteur de manière à pouvoir vidanger l'huile moteur.
Lorsque la vidange de l'huile est terminée, remettez le moteur de niveau et remettez en place le bouchon de vidange assorti dune rondelle neuve.
Note: Débarrassez-vous de l'huile usagée dans un centre de recyclage agréé.
Versez de l'huile avec précaution dans l'orifice de remplissage jusqu'à ce que le niveau correct soit atteint.
Vérifiez que l'huile est au niveau correct sur la jauge ; voir Contrôle du niveau d'huile moteur.
Vissez la jauge dans l'orifice de remplissage.
Essuyez l'huile éventuellement répandue.
Rebranchez le fil de la bougie.
| Périodicité d'entretien | Procédure d'entretien |
|---|---|
| À chaque utilisation ou une fois par jour |
|
| Toutes les 50 heures |
|
| Toutes les 300 heures |
|
Important: Ne faites pas tourner le moteur sans le filtre à air au complet, sous peine d'endommager gravement le moteur.
Coupez le moteur et attendez l'arrêt complet de toutes les pièces mobiles ; voir Préparation de la machine à l'entretien.
Retirez l'écrou à oreilles qui fixe le couvercle du filtre à air (Figure 29).
Déposez le couvercle du filtre à air.
Note: Veillez à ne pas faire tomber dans la base la poussière ou les débris présents dans le couvercle du filtre à air.
Retirez les éléments en mousse et en papier de la base.
Retirez l'élément en mousse de l'élément en papier.
Examinez les éléments en mousse et en papier ; remplacez-les s'ils sont endommagés ou très encrassés.

Nettoyez l'élément en papier en le tapotant pour faire tomber la saleté.
Note: N'essayez pas de nettoyer l'élément en papier à la brosse, car cela a pour effet d'incruster la saleté dans les fibres. Remplacez l'élément si vous n'arrivez pas à le nettoyer en le tapotant.
Lavez l'élément en mousse dans de l'eau chaude savonneuse ou dans un solvant ininflammable.
Note: Ne nettoyez pas l'élément en mousse avec de l'essence car cela présente un risque d'incendie ou d'explosion.
Rincez et séchez l'élément en mousse soigneusement.
Nettoyez la base et le couvercle avec un chiffon humide.
Note: Veillez à ne pas faire pénétrer de saleté et de débris dans le conduit d'air relié au carburateur.
Reposez les éléments du filtre à air en les positionnant correctement. Remettez l'écrou à oreilles inférieur.
Reposez le couvercle et fixez-le en place avec l'écrou à oreilles supérieur.
| Périodicité d'entretien | Procédure d'entretien |
|---|---|
| Toutes les 100 heures |
|
| Toutes les 300 heures |
|
Utilisez une bougie NGK BPR6ES ou équivalente.
Coupez le moteur et attendez l'arrêt complet de toutes les pièces mobiles ; voir Préparation de la machine à l'entretien.
Nettoyez la surface autour de la bougie.
Retirez la bougie de la culasse.
Important: Remplacez la bougie si elle est fissurée, calaminée ou encrassée. Ne nettoyez pas les électrodes des bougies avec un jet de sable, un grattoir ou une brosse métallique, car les particules détachées pourraient tomber dans le cylindre et endommager le moteur.
Réglez l'écartement des électrodes entre 0,7 et 0,8 mm.

Posez et serrez la bougie à la main avec précaution (pour éviter de fausser le filetage).
Serrez la bougie de 1/2 tour supplémentaire si elle est neuve, sinon serrez-la de 1/8 à 1/4 de tour supplémentaire.
Important: Si la bougie n'est pas serrée suffisamment, elle peut devenir très chaude et endommager le moteur, tandis que si elle est trop serrée, le filetage peut être endommagé dans la culasse.
Rebranchez le fil de la bougie.
Pour régler ou remplacer le contacteur de sécurité de déplacement, procédez comme suit.
Coupez le moteur, désengagez le levier de commande de déplacement et appuyez-le contre la butée de point mort (Figure 31).

Desserrez les fixations du contacteur de sécurité (Figure 31).
Placez une cale de 0,8 mm d'épaisseur entre le levier de commande de déplacement et le contacteur de sécurité (Figure 31).
Resserrez les fixations du contacteur de sécurité puis vérifiez à nouveau l'écartement.
Note: Le levier de commande de déplacement ne doit pas toucher le contacteur.
Engagez le levier de commande de déplacement et vérifiez que le contacteur n'a plus de continuité.
Note: Remplacez le contacteur au besoin.
Si le frein de service/stationnement glisse lorsqu'il est actionné, réglez-le.
Serrez le frein de service puis enfoncez le bouton du frein de stationnement pour que le frein de service soit en appui sur la goupille du frein de stationnement (Figure 32).

À l'aide d'un dynamomètre, appuyez vers l'arrière sur le levier du frein de service (Figure 33). Le frein de stationnement doit se desserrer lorsqu'une force de 13,5 à 18 kg est atteinte. Si le frein de stationnement se desserre avant d'atteindre une force de 13,5 à 18 kg, réglez le câble de frein.

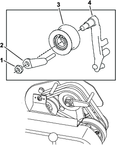
Desserrez la fixation du couvercle de la courroie trapézoïdale et ouvrez le couvercle (Figure 34).

Procédez comme suit pour régler la tension du câble de frein :
Pour diminuer la tension du câble, desserrez l'écrou de blocage avant et serrez l'écrou de blocage arrière (Figure 35). Répétez les opérations 1 et 2, et ajustez la tension au besoin.
Pour augmenter la tension du câble, serrez l'écrou de blocage avant et desserrez l'écrou de blocage arrière (Figure 35). Répétez les opérations 1 et 2, et ajustez la tension au besoin.
Note: Vous pouvez régler le câble en agissant au niveau des supports des écrous de blocage près du panneau de commande, ou bien au niveau du support au bas du moteur.

Refermez le couvercle et resserrez la fixation.
Vérifiez que les courroies sont bien tendues pour garantir le bon fonctionnement de la machine et éviter toute usure inutile. Vérifiez les courroies fréquemment.
Retirez les fixations du couvercle de la courroie et déposez le couvercle pour exposer la courroie (Figure 36).

Contrôlez la tension en exerçant une force de 18 à 22 N sur le brin à mi-distance entre les poulies (Figure 37). La courroie doit présenter une flèche de 6 mm.

Procédez comme suit pour régler la tension de la courroie :
Desserrez l'écrou de fixation de la poulie de tension et faites pivoter la poulie dans le sens horaire contre l'arrière de la courroie jusqu'à ce que vous obteniez la tension voulue (Figure 37).
Important: Ne tendez pas la courroie excessivement.
Serrez l'écrou pour bloquer le réglage.
Remettez le couvercle de la courroie en place.
Maintenez un léger espace entre le joint du couvercle et la plaque latérale et installez les boulons de fixation jusqu'à ce que les filetages s'engagent dans l'insert.
Note: L'écartement permet de vérifier visuellement l'alignement des boulons avec les inserts filetés.
Lorsque tous les boulons sont en place, serrez-les jusqu'à ce que les entretoises à l'intérieur du couvercle touchent la plaque latérale.
Note: Ne serrez pas les boulons excessivement.
Retirez les fixations du couvercle de la courroie et déposez le couvercle pour exposer la courroie (Figure 38).

Contrôlez la tension en exerçant une force de 18 à 22 N sur le brin à mi-distance entre les poulies (Figure 39).
Note: La courroie doit présenter une flèche de 6 mm.

Effectuez la procédure suivante pour régler la tension de la courroie :
Desserrez l'écrou de fixation de la poulie de tension et faites pivoter la poulie dans le sens horaire contre l'arrière de la courroie jusqu'à ce que vous obteniez la tension voulue (Figure 39).
Important: Ne tendez pas la courroie excessivement.
Serrez l'écrou pour bloquer le réglage.
Remettez le couvercle de la courroie en place.
Maintenez un léger espace entre le joint du couvercle et la plaque latérale et installez les boulons de fixation jusqu'à ce que les filetages s'engagent dans l'insert.
Note: L'écartement permet de vérifier visuellement l'alignement des boulons avec les inserts filetés.
Lorsque tous les boulons sont en place, serrez-les jusqu'à ce que les entretoises à l'intérieur du couvercle touchent la plaque latérale.
Note: Ne serrez pas les boulons excessivement.
Retirez les vis de fixation des sections avant et arrière du couvercle sur le boîtier du différentiel et enlevez les sections pour exposer la courroie.
Contrôlez la tension en exerçant une force de 22 à 26 N sur le brin à mi-distance entre les poulies (Figure 40).
Note: La courroie doit présenter une flèche de 6 mm.

Effectuez la procédure suivante pour régler la tension de la courroie :
Desserrez l'écrou de fixation de la poulie de tension et faites pivoter la poulie dans le sens horaire contre l'arrière de la courroie jusqu'à ce que vous obteniez la tension voulue (Figure 40).
Important: Ne tendez pas la courroie excessivement.
Serrez l'écrou pour bloquer le réglage.
Remettez le couvercle de la courroie en place.
Maintenez un léger espace entre le joint du couvercle et la plaque latérale et installez les boulons de fixation jusqu'à ce que les filetages s'engagent dans l'insert. L'écartement permet de vérifier visuellement l'alignement des boulons avec les inserts filetés.
Lorsque tous les boulons sont en place, serrez-les jusqu'à ce que les entretoises à l'intérieur du couvercle touchent la plaque latérale. Ne serrez pas les boulons excessivement.
Pour régler la tension des courroies trapézoïdales primaires, vérifiez tout d'abord le réglage de la transmission aux roues ; voir Réglage de la transmission aux roues.
Si les courroies continuent de patiner après le réglage de la commande de déplacement, passez à l'opération suivante.
Desserrez la fixation du couvercle de la courroie trapézoïdale et ouvrez le couvercle (Figure 41).

Pour augmenter la tension de la courroie, desserrez les boulons de montage du moteur et reculez le moteur dans les encoches.
Important: Ne tendez pas la courroie excessivement.
Resserrez les boulons de montage.
Note: Le centre des poulies menante et menée doivent être distants d'environ 13 cm après le montage de courroies trapézoïdales neuves.
Après avoir tendu les courroies trapézoïdales, vérifiez l'alignement de la poulie de l'arbre de sortie du moteur et de la poulie de l'arbre intermédiaire à l'aide d'une règle.
Si les poulies ne sont pas alignées correctement, desserrez les vis qui fixent la base de montage du moteur au cadre de la machine et faites glisser le moteur d'un côté à l'autre jusqu'à ce que les poulies soient alignées à 0,7 mm près.
Serrez les vis de fixation et vérifiez l'alignement.
Pour pousser ou tirer la machine plus facilement sans mettre le moteur en marche, réglez le guide-courroie (Figure 42, encadré) comme suit :
Engagez l'embrayage.
Desserrez le contre-écrou qui fixe la poulie de tension et le guide-courroie au bras de la poulie de tension.
Tournez le guide-courroie dans le sens horaire jusqu'à ce que vous obteniez un écartement de 1,5 mm entre le doigt de guidage et l'arrière des courroies d'entraînement.
Serrez le contre-écrou qui fixe la poulie de tension et le guide-courroie au bras de la poulie de tension.

Refermez le couvercle et resserrez la fixation.
Retirez les boulons qui fixent les couvercles des courroies de transmission aux roues et d'entraînement du cylindre à la plaque latérale droite, puis enlevez les couvercles.
Desserrez l'écrou de fixation sur les poulies de tension et faites pivoter chaque poulie dans le sens antihoraire pour les éloigner de l'arrière des courroies et soulager la tension.
Enlevez les courroies.
Retirez les boulons qui fixent des sections avant et arrière du couvercle du différentiel au boîtier du différentiel, et enlevez les sections pour exposer la courroie (Figure 43).

Desserrez l'écrou de fixation sur la poulie de tension du différentiel et faites pivoter la poulie dans le sens antihoraire pour l'éloigner de l'arrière de la courroie et soulager la tension.
Retirez les 2 boulons et les 2 contre-écrous qui fixent le carter d'embrayage avant à la plaque latérale (Figure 43).
Tournez le logement à 180° pour orienter la base vers le haut.
Retirez les 2 boulons et les 2 contre-écrous qui fixent le logement de roulement arrière droit à la plaque latérale (Figure 43).
Tournez le logement à 180° pour orienter la base vers le haut.
Enlevez la courroie usagée.
Glissez la courroie neuve par dessus les couvercles de carter ouverts, les parties du couvercle du différentiel et sur les poulies du différentiel.
Vérifiez que la poulie de tension est en appui contre l'arrière de la courroie.
Redressez les deux carters et fixez-les à la plaque latérale avec les boulons et écrous retirés précédemment.
Réglez la tension de la courroie du différentiel ; voir Réglage de la courroie du différentiel.
Réglez la tension des courroies de transmission aux roues et d'entraînement du cylindre ; voir Réglage de la courroie de transmission aux roues et Réglage de la courroie d'entraînement du cylindre.
Posez les couvercles du différentiel, de la transmission aux roues et de l'entraînement du cylindre.
Suivez cette procédure pour éliminer le jeu de la commande de déplacement.
Amenez le levier de commande de déplacement en position DéSENGAGéE.
Desserrez la fixation du couvercle de la courroie trapézoïdale et ouvrez le couvercle (Figure 41).
Pour éliminer le jeu de la commande de déplacement, desserrez l'écrou de blocage de câble avant et serrez l'écrou de blocage de câble arrière (Figure 44) jusqu'à ce qu'il n'y ait plus de jeu.

Serrez l'écrou de blocage avant du câble.
Refermez le couvercle et resserrez la fixation.
Vérifier le fonctionnement de la transmission aux roues.
Examinez toujours le cylindre de l'unité de coupe avec prudence. Portez des gants et procédez toujours avec précaution pendant l'entretien du cylindre.
Une lame ou contre-lame usée ou endommagée peut se briser et projeter le morceau cassé dans votre direction ou celle d'autres personnes, et infliger des blessures graves ou mortelles.
Vérifiez périodiquement que les lames et les contre-lames ne sont pas excessivement usées ou endommagées.
Examinez les lames avec prudence. Portez des gants et procédez toujours avec précaution pendant leur entretien. Limitez-vous à remplacer ou aiguiser les lames et contre-lames ; n'essayez jamais de les redresser ou de les souder.
Placez la machine sur une surface plane et horizontale, de préférence sur une plaque de travail en acier de précision.
Placez une bande d'acier plate de 0,6 x 2,5 cm, d'environ 73,6 cm de long sous les lames du cylindre, en appui contre le bord avant de la contre-lame pour empêcher la barre d'appui de reposer sur la surface de travail.
Soulevez le rouleau avant de sorte que le tambour arrière et le cylindre restent la surface de travail.
Appuyez fermement sur la machine au-dessus du cylindre pour que toutes les lames touchent la bande d'acier.
Tout en continuant d'appuyer sur la machine, glissez une jauge d'épaisseur sous une extrémité du tambour, puis sous l'autre.
Note: Si l'écartement entre le tambour et la surface de travail est supérieur à 0,25 mm d'un côté ou de l'autre, réglez le tambour (passez à l'opération 6). Si l'écartement est inférieur à 0,25 mm, aucun réglage n'est nécessaire.
Enlevez le couvercle de courroie arrière du côté droit de la machine (Figure 45).

Tournez la poulie menée jusqu'à ce que les trous se trouvent en face des 4 vis à embase du roulement du rouleau (Figure 46).

Desserrez les 4 vis du roulement du rouleau et la vis de fixation de la poulie de tension.
Élevez ou abaissez le côté droit du rouleau jusqu'à ce que l'écartement soit inférieur à 0,25 mm.
Serrez les vis du roulement du rouleau.
Réglez la tension de la courroie et serrez la vis de fixation de la poulie de tension (Figure 46).
Effectuez le réglage lame/contre-lame après avoir meulé, rodé ou démonté l'unité de coupe. Ce réglage ne doit pas être quotidien.
Garez la machine sur une surface de travail plane et horizontale.
Basculez la machine en arrière sur le guidon pour exposer la contre-lame et le cylindre.
Important: Ne basculez pas la machine de plus de 25°. Si vous basculez la machine de plus de 25 ° de l'huile s'écoulera dans la chambre de combustion et/ou du carburant fuira par le bouchon du réservoir de carburant.
Tournez le cylindre pour que la lame croise le bord de la contre-lame entre la tête de la première et la deuxième vis de la contre-lame sur le côté droit de l'unité de coupe (Figure 47).

Tournez le cylindre pour que la lame croise le bord de la contre-lame entre la tête de la première et la deuxième vis de la contre-lame sur le côté droit de l'unité de coupe.
Insérez la cale de 0,05 mm entre la lame marquée et le bord de la contre-lame au point où la lame croise le bord de la contre-lame.
Tournez la vis de réglage droite de la barre d'appui jusqu'à ce que vous sentiez une légère pression (un léger frottement) sur la cale lorsque vous la faites glisser d'un côté à l'autre (Figure 47).
Enlevez la cale.
Pour le côté gauche de l'unité de coupe, tournez lentement le cylindre pour que la lame la plus proche croise le bord de la contre-lame entre la première et la deuxième tête de vis.
Répétez les opérations 4 à 7 pour le côté gauche de l'unité de coupe et la vis de réglage de la barre d'appui gauche.
Répétez les opérations 5 à 7 jusqu'à ce que vous obteniez un léger frottement sur les côtés droit et gauche de l'unité de coupe en utilisant les mêmes points de contact.
Pour obtenir un léger contact entre le cylindre et la contre-lame, tournez chaque vis de réglage de la barre d'appui de 3 crans dans le sens horaire.
Note: Chaque cran de rotation de la vis de réglage de la barre d'appui déplace la contre-lame de 0,018 mm. La rotation dans le sens horaire rapproche le bord de la contre-lame du cylindre et la rotation dans le sens antihoraire éloigne le bord de la contre-lame du cylindre.
Contrôlez la performance de coupe en insérant une longue bande de papier de performance de coupe entre le cylindre et la contre-lame, perpendiculairement à la contre-lame (Figure 48). Faites tourner lentement le cylindre en avant ; il devrait couper le papier.

Note: Si vous constatez un contact ou un frottement excessif du cylindre, rodez, rectifiez l'avant de la contre-lame ou meulez les lames pour obtenir les bords tranchants nécessaires à une tonte de précision.
Le rouleau arrière doit être de niveau et le contact contre-lame/cylindre correct. Basculez la machine en arrière sur le guidon pour exposer les rouleaux avant et arrière et la contre-lame.
Important: Ne basculez pas la machine de plus de 25°. Si vous basculez la machine de plus de 25 ° de l'huile s'écoulera dans la chambre de combustion et/ou du carburant fuira par le bouchon du réservoir de carburant.
Desserrez les contre-écrous qui fixent les bras de hauteur de coupe aux supports de hauteur de coupe (Figure 49).

Desserrez l'écrou du gabarit (Figure 50) et tournez la vis de réglage de manière à obtenir la hauteur de coupe voulue. L'écartement entre la base de la tête de la vis et la face du gabarit correspond à la hauteur de coupe.

Accrochez la tête de la vis sur le bord tranchant de la contre-lame et appuyez l'arrière du gabarit contre le rouleau arrière (Figure 51).

Tournez la vis de réglage jusqu'à ce que le rouleau touche l'avant du gabarit.
Réglez les deux extrémités du rouleau jusqu'à ce que celui-ci soit parfaitement parallèle à la contre-lame.
Important: Lorsque le réglage est correct, les rouleaux avant et arrière touchent le gabarit et la vis est parfaitement en appui contre la contre-lame. La hauteur de coupe est ainsi identique aux deux extrémités de la contre-lame.
Serrez les écrous pour bloquer le réglage.
Important: Pour ne pas scalper la pelouse si la surface est irrégulière, vérifiez que les supports du rouleau sont placés en arrière (le rouleau plus proche du cylindre).
Note: Le rouleau avant possède 3 positions de réglage (Figure 52) selon l'application et les besoins de l'utilisateur.
Utilisez la position avant si la tondeuse est équipée d'un peigne.
Utilisez la position centrale si le peigne n'est pas monté.
Utilisez la dernière position si la surface de travail est particulièrement irrégulière.

Réglez le déflecteur de sorte que l'herbe soit éjectée correctement dans le bac à herbe.
Mesurez la distance entre le haut de la tige de support avant et le rebord avant du déflecteur, à chaque extrémité de l'unité de coupe (Figure 53).

Le déflecteur et la tige de support doivent être espacés de 10 cm dans des conditions de travail normales. Desserrez les boulons et les écrous qui fixent chaque extrémité du déflecteur à la plaque latérale, et réglez le déflecteur à la hauteur correcte.
Serrez les fixations.
Note: Vous pouvez abaisser le déflecteur si l'herbe est très sèche (l'herbe coupée passe au-dessus du bac de ramassage) ou l'élever si l'herbe est très humide (l'herbe coupée s'accumule à l'arrière du bac de ramassage).
Réglez la barre supérieure de manière que l'herbe coupée soit éjectée proprement de la zone du cylindre.
Desserrez les vis qui fixent la barre supérieure (Figure 54) à l'unité de coupe.

Insérez une jauge d'épaisseur de 1,5 mm entre le haut du cylindre et la barre, et serrez les vis.
Vérifiez que la barre et le cylindre sont équidistants sur toute la longueur du cylindre.
Note: La barre peut être réglée pour tenir compte des différents types de pelouse et de leur état. Rapprochez la barre du cylindre lorsque l'herbe est très humide. Au contraire, si l'herbe est sèche, éloignez la barre du cylindre. La barre doit être parallèle au cylindre pour obtenir des résultats optimaux. Réglez la barre chaque fois que vous modifiez la hauteur du déflecteur ou que vous affûtez le cylindre à la meule.
Pour déterminer si la barre d'appui est du type standard ou agressif, examinez les languettes de montage gauches. Si elles sont arrondies, il s'agit d'une barre standard. Si les languettes de montage sont crantées, il s'agit d'une barre agressive (Figure 55).

Tournez la vis de réglage de la barre d'appui dans le sens antihoraire pour éloigner la contre-lame du cylindre (Figure 56).

Faites sortir l'écrou de tension du ressort jusqu'à ce que la rondelle ne soit plus tendue contre la barre d'appui (Figure 56).
De chaque côté de la machine, desserrez l'écrou de blocage qui maintient le boulon de la barre d'appui (Figure 57).

Retirez les boulons de la barre d'appui de façon à pouvoir abaisser la barre et la déposer de la machine. Mettez de côté les 2 rondelles en nylon et les 2 rondelles en acier estampé de chaque côté de la barre d'appui (Figure 57).
Montez la barre d'appui en positionnant les languettes de montage entre la rondelle et la vis de réglage de la barre.
Fixez la barre d'appui sur chaque plaque latérale au moyen des boulons (munis d'écrous de blocage) et des 8 rondelles.
Note: Placez une rondelle en nylon de chaque côté du bossage de la plaque latérale. Placez une rondelle en acier à l'extérieur de chaque rondelle en nylon.
Serrez les boulons à un couple de 27 à 36 N·m.
Serrez les écrous à embase jusqu'à ce que les rondelles de butée extérieures commencent juste à tourner.
Serrez l'écrou de tension du ressort jusqu'à ce que les spires soient jointives, puis desserrez-le d'un demi-tour.
Réglez la barre d'appui ; voir Réglage contre-lame/cylindre.
Enlevez le bouchon du couvercle d'entraînement droit (Figure 58).

Insérez une rallonge de clé de 1/2 pouce, reliée à la rodeuse, dans le trou carré au centre de la poulie du cylindre.
Procédez au rodage selon les instructions du Manuel d'affûtage des tondeuses à cylindres et rotatives Toro, Form nº 80-300 PT.
Le cylindre et autres pièces mobiles peuvent causer des blessures.
Ne vous approchez pas du cylindre pendant le rodage.
N'utilisez pas de pinceau à manche court pour effectuer le rodage. Vous pouvez vous procurer un manche (réf. 29-9100) complet ou en pièces individuelles chez le concessionnaire Toro agréé le plus proche.
Note: Pour améliorer encore la qualité du tranchant, passez une lime sur la face avant de la contre-lame après le rodage. Cela permet d'éliminer les bavures ou les aspérités qui ont pu se former le long du tranchant.
Remettez le bouchon dans le couvercle lorsque vous avez terminé.
Avant de quitter la position d'utilisation, coupez le moteur, enlevez la clé (selon l'équipement) et attendez l'arrêt complet de tout mouvement. Laissez refroidir la machine avant de la régler, d'en faire l'entretien, de la nettoyer ou de la remiser.
Ne rangez pas la machine ni les bidons de carburant à proximité d'une flamme nue, d'une source d'étincelles ou d'une veilleuse, telle celle d'un chauffe-eau ou autre appareil.
Débarrassez l'extérieur de la machine, et surtout le moteur, des déchets d'herbe coupée, des saletés et de la crasse en général. Éliminez les saletés et les débris d'herbe sèche éventuellement déposés sur les ailettes de la culasse et le carter de ventilateur.
Important: Vous pouvez laver la machine avec de l'eau et un détergent doux. N'utilisez pas de nettoyeur haute pression. N'utilisez pas une trop grande quantité d'eau, surtout près de la plaque du levier de sélection et du moteur.
Si vous prévoyez de remiser la machine pendant une durée prolongée (plus de 1 mois), ajoutez un stabilisateur/conditionneur dans le réservoir de carburant.
Faites tourner le moteur pendant 5 minutes pour faire circuler le carburant traité dans tout le circuit d'alimentation.
Coupez le moteur, laissez-le refroidir et vidangez le réservoir de carburant, ou laissez tourner le moteur jusqu'à ce qu'il s'arrête faute de carburant.
Remettez le moteur en marche et laissez-le tourner jusqu'à ce qu'il s'arrête. Remettez le moteur en marche, avec le starter en service, jusqu'à ce que le moteur ne démarre plus.
Débranchez le fil de la bougie.
Débarrassez-vous correctement du carburant. Recyclez-la en conformité avec la réglementation locale.
Note: Ne conservez pas le carburant additionné de stabilisateur/conditionneur plus longtemps que recommandé par le fabricant du stabilisateur de carburant.
Contrôlez et resserrez tous les boulons, écrous et vis. Réparez ou remplacez toute pièce usée ou endommagée.
Peignez toutes les surfaces métalliques éraflées ou mises à nu. Une peinture pour retouches est disponible chez les concessionnaires Toro agréés.
Rangez la machine dans un endroit propre et sec, comme un garage ou une remise. Couvrez la machine pour la protéger et la garder propre.