| Cadenza di manutenzione | Procedura di manutenzione |
|---|---|
| Prima di ogni utilizzo o quotidianamente |
|
Questo è un tosaerba a cilindri con operatore a piedi pensato per essere utilizzato da professionisti e operatori del verde in applicazioni commerciali. È progettato principalmente per il taglio dell'erba in tappeti erbosi ben mantenuti. L'utilizzo di questo prodotto per scopi non conformi alle funzioni per cui è stato concepito può essere pericoloso per l'utente e gli astanti.
Leggete attentamente queste informazioni al fine di utilizzare e mantenere correttamente il prodotto e di evitare infortuni e danni. Voi siete responsabili del corretto utilizzo del prodotto, all'insegna della sicurezza.
Visitate il sito www.Toro.com per ottenere materiali di formazione sulla sicurezza e il funzionamento dei prodotti, informazioni sugli accessori, assistenza nella ricerca di un rivenditore o per registrare il vostro prodotto.
Ogni volta che vi occorrono assistenza, ricambi Toro originali o informazioni aggiuntive, contattate un Distributore autorizzato e tenete pronto il numero di modello e il numero di serie del vostro prodotto. I numeri di serie e del modello sono riportati sulla targhetta affissa all'apparato di taglio. Scrivete i numeri nell'apposito spazio.
Important: Con il vostro dispositivo mobile, potete scansionare il codice QR (se presente) sull'adesivo del numero di serie per accedere a informazioni su garanzia, ricambi e altre informazioni sui prodotti.

Il sistema di avvertimento adottato dal presente manuale identifica i pericoli potenziali e riporta messaggi di sicurezza, identificati dal simbolo di avvertimento (Figura 2), che segnalano un pericolo in grado di provocare infortuni gravi o la morte se non si osservano le precauzioni raccomandate.

Per evidenziare le informazioni vengono utilizzate due parole. Importante indica informazioni meccaniche di particolare importanza, e Nota evidenzia informazioni generali di particolare rilevanza.
Questo prodotto è conforme a tutte le direttive europee pertinenti; vedere i dettagli nella Dichiarazione di Conformità (DICO) specifica del prodotto, fornita a parte.
Costituisce una trasgressione al Codice delle Risorse Pubbliche della California, Sezione 4442 o 4443, utilizzare o azionare questo motore su terreno forestale, sottobosco o prateria a meno che il motore non sia dotato di un parascintille, come definito nella Sezione 4442, mantenuto in buone condizioni operative, o a meno che il motore non sia costruito, attrezzato e manutenuto per la prevenzione di incendi.
Il manuale d'uso del motore in dotazione è fornito per informazioni relative all'Environmental Protection Agency (EPA) statunitense e al Regolamento di controllo delle emissioni della California dei sistemi di emissioni, manutenzione e garanzia. I pezzi di ricambio possono essere ordinati tramite il produttore del motore.
L'impiego della macchina a un'altezza superiore a 1500 metri sul livello del mare richiede un getto per altitudini elevate. Consultate il manuale del proprietario del motore Honda.
CALIFORNIA
Avvertenza norma "Proposition 65"
Il gas di scarico di questo prodotto contiene sostanze chimiche note allo Stato della California come cancerogene e responsabili di difetti congeniti ed altri problemi riproduttivi.
L'utilizzo del presente prodotto potrebbe esporre a sostanze chimiche che nello Stato della California sono considerate cancerogene e causa di anomalie congenite o di altre problematiche della riproduzione.
Questa macchina è stata progettata in conformità con EN ISO 5395 e ANSI B71.4-2017 e soddisfa tali standard quando vengono aggiunti il kit presenza operatore e i necessari adesivi.
Questo prodotto è in grado di amputare mani e piedi e di scagliare oggetti.
Leggete e comprendete i contenuti del presente Manuale dell'operatore prima di avviare la macchina.
Prestate piena attenzione quando utilizzate la macchina. Non effettuate alcuna attività che causi distrazioni; in caso contrario, potreste causare infortuni o danni alla proprietà.
Non mettete le mani o i piedi vicino alle parti mobili della macchina.
Non utilizzate la macchina senza che tutti gli schermi e gli altri dispositivi di protezione siano montati e funzionanti.
Tenete lontani gli astanti e i bambini dall'area operativa. Non permettete che bambini e ragazzi utilizzino la macchina.
Spegnete il motore, rimuovete la chiave (se in dotazione) e attendete l'arresto completo prima di abbandonare la postazione dell'operatore. Lasciate raffreddare la macchina prima di eseguire interventi di riparazione, manutenzione o pulizia o di rimessarla.
L'errato utilizzo o l'errata manutenzione di questa
macchina può causare infortuni. Per ridurre il rischio di incidenti,
rispettate le seguenti norme di sicurezza e fate sempre attenzione
al simbolo di allarme (
), che indica: Attenzione, Avvertenza
o Pericolo– “norme di sicurezza”. La mancanza di
rispetto delle presenti istruzioni può provocare infortuni
o la morte.
![]() |
Adesivi e istruzioni di sicurezza sono chiaramente visibili all'operatore e ubicate vicino a qualsiasi area di potenziale pericolo. Sostituite eventuali adesivi se danneggiati o mancanti. |











Note: Stabilite i lati sinistro e destro della macchina dalla normale posizione operativa.
Parti necessarie per questa operazione:
| Stegola | 1 |
| Fascetta per cavi | 4 |
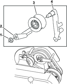
Rimuovete i bulloni (5/16"), i dadi di bloccaggio, i perni ad anello e le coppiglie che fissano la base dei bracci della stegola su ciascun lato della macchina (Figura 3).

Togliete i bulloni (⅜”), le rondelle e le rondelle di bloccaggio dai perni di montaggio che si trovano su ciascun lato della macchina (Figura 3).
Inserite le estremità della stegola nei fori dei bracci della stegola, ed allineate i fori con i perni di montaggio (Figura 3).
Premete verso l'interno le estremità della stegola e montatele sui perni di montaggio (Figura 4).

Fissate la stegola ai perni di montaggio con i bulloni (⅜"), le rondelle e le rondelle di bloccaggio rimosse in precedenza (Figura 4).
Utilizzate i bulloni (5/16"), i dadi di bloccaggio, le coppiglie e i perni ad anello rimossi in precedenza per fissare la base dei bracci della stegola sul retro del telaio (Figura 3).
Fissate i cavi e il cablaggio alla stegola con le apposite fascette (Figura 5).

Fate riferimento alla Figura 6 per questa procedura.

Togliete le coppiglie a forcina dai perni ad anello situati su ciascun lato della macchina.
Sostenendo la stegola, togliete i perni ad anello da ciascun lato, quindi alzate o abbassate la stegola nella posizione operativa desiderata.
Montate i perni ad anello e le coppiglie a forcina.
Parti necessarie per questa operazione:
| Albero della ruota destra | 1 |
| Albero della ruota sinistra | 1 |
Con il piede, abbassate il cavalletto, quindi alzate la stegola per sostenere la macchina sul cavalletto.
Applicate un adesivo bloccafiletti ai filetti degli alberi delle ruote.
Inserite l'albero della ruota destra nella puleggia motrice sul lato destro della macchina (Figura 7).
Note: L'albero della ruota destra è dotato di filettature a sinistra.

Serrate l'albero a una coppia compresa tra 88–101 N∙m.
Ripetete i passaggi da 2 a 4 per montare l’albero sinistro della ruota sul lato sinistro della macchina.
Parti necessarie per questa operazione:
| Ruota di trasferimento | 2 |
Con il piede, abbassate il cavalletto, quindi alzate la stegola per sostenere la macchina sul cavalletto.
Inserite una ruota su un assale.
Ruotate la clip di bloccaggio della ruota allontanandola dal centro della ruota e lasciandola scorrere più in là sull'assale (Figura 8).

Fate girare la ruota avanti e indietro finché non scorre completamente sull’assale ed la clip di bloccaggio non si inserisce nella scanalatura prevista sull’albero dell’assale.
Ripetete la procedura sull'altro lato della macchina.
Gonfiate gli pneumatici da 0,83 a 1,03 bar.
Abbassate con cautela la macchina sul cavalletto.
Prima di azionare la macchina, completate le seguenti regolazioni:
Parti necessarie per questa operazione:
| Kit presenza operatore (da ordinare a parte; contattate il vostro distributore Toro autorizzato). | 1 |
In ottemperanza con le norme EN ISO 5395 e ANSI B71.4-2017, montate il kit presenza operatore (modello n. 112-9282); fate riferimento alle Istruzioni di installazione del kit.
Contattate il vostro distributore Toro autorizzato per l'acquisto.
Parti necessarie per questa operazione:
| Adesivo dell’anno di produzione | 1 |
| Adesivo del marchio CE | 1 |
Se utilizzate la macchina in un paese che aderisce agli standard CE, applicate l’adesivo dell’anno di produzione e quello del marchio CE accanto alla piastra con il numero di serie; fate riferimento alla Figura 9.

Parti necessarie per questa operazione:
| Cesto di raccolta | 1 |
Afferrate il bordo superiore del cesto e fatelo scorrere sulle relative aste di montaggio (Figura 10).

Il rodaggio è limitato a sole 8 ore di tosatura.
Le prime ore di funzionamento sono di importanza vitale per l’affidabilità futura della macchina. Monitorando le prestazioni della macchina con attenzione, potrete rilevare piccoli problemi che, corretti, eviteranno di trasformarsi in problemi seri. Nelle prime ore di funzionamento, controllate frequentemente la macchina per individuare eventuali fuoriuscite di olio, dispositivi di bloccaggio lenti o altri tipi di malfunzionamento.
Consultate il manuale d’uso del motore riguardo al cambio olio nel periodo di rodaggio e alle procedure di manutenzione.


La leva di comando della trazione (Figura 12) è situata sul lato anteriore destro della plancia. Ha 2 posizioni: FOLLE e MARCIA AVANTI. Spingete in avanti la leva per innestare la trazione.
Il comando dell'acceleratore (Figura 12) è situato sul lato destro della plancia. La leva è collegata alla tiranteria tra l'acceleratore e il carburatore, e la controlla. Fate riferimento a Specifiche per il regime del motore.
L'interruttore principale (Figura 12) si trova sopra il quadro di comando. Spostate l'interruttore in posizione di ACCENSIONE per avviare il motore, e in posizione di SPEGNIMENTO per spegnerlo.
Il freno di servizio (Figura 13) è situato sul lato superiore anteriore sinistro della plancia. Il freno viene utilizzato per arrestare o rallentare la macchina.

Il freno di stazionamento (Figura 14) si trova alla base del freno di servizio. Inserite completamente il freno di servizio e premete la manopola del freno di stazionamento in modo che il freno di servizio poggi sul perno del freno di stazionamento. Innestate il freno di servizio per rilasciare il freno di stazionamento. Dovete rilasciare il freno prima di innestare la trazione.

Il comando Presenza Operatore (Figura 12), se in dotazione, si trova dietro la stegola. Premete il comando Presenza Operatore contro la stegola. Prima di spostare la leva di azionamento della trazione, innestate il comando Presenza Operatore. Se rilasciate il comando Presenza Operatore, il motore di spegne.
La leva di azionamento del cilindro (Figura 15) si trova sull’angolo anteriore destro della macchina. La leva ha 2 posizioni:
INNESTO – Spostate la leva in avanti per innestare il cilindro.
DISINNESTO – Spostate la leva indietro per disinnestare il cilindro.

Lo starter (Figura 16) si trova sulla parte anteriore sinistra del motore. Utilizzate la leva per favorire l’avviamento del motore a freddo; fate riferimento a Utilizzo della leva dello starter.

La valvola di intercettazione del carburante è posizionata sul lato del motore sotto al comando dello starter (Figura 16).
Note: Chiudete la valvola di intercettazione del carburante quando la macchina non viene utilizzata per qualche giorno, durante il trasferimento da e verso il sito di lavoro o quando la macchina è parcheggiata all'interno di un edificio; fate riferimento a Apertura e chiusura della valvola di intercettazione del carburante.
Tirate la maniglia di avviamento a strappo (Figura 16) per avviare il motore.
| Specifiche modello | Modello 04055 |
| Larghezza | 91 cm |
| Altezza | 114 cm |
| Lunghezza con cesto | 122 cm |
| Peso a secco (con cesto e rullo Wiehle; senza ruote o rullo groomer) | 98 kg |
| Larghezza di taglio | 53 cm |
| Altezza di taglio | 1,6–31,8 mm |
| Clip | 4,3 mm |
| Velocità motore | Minima inferiore: 1800 ±2000 giri/min, Massima superiore: 3350 ±3550 giri/min |
È disponibile una gamma di attrezzi ed accessori approvati da Toro per l'impiego con la macchina, per ottimizzare ed ampliare le sue applicazioni. Richiedete un elenco di tutti gli attrezzi ed accessori approvati a un Centro Assistenza Toro o a un Distributore Toro autorizzati oppure visitate il sito www.Toro.com.
Per ottenere prestazioni ottimali e mantenere la certificazione di sicurezza della macchina, utilizzate solo ricambi e accessori originali Toro. I ricambi e gli accessori realizzati da altri produttori possono essere pericolosi e tale utilizzo può rendere nulla la garanzia del prodotto.
Note: Stabilite i lati sinistro e destro della macchina dalla normale posizione operativa.
Non lasciate mai che bambini o persone non addestrate utilizzino o effettuino interventi di manutenzione sulla macchina. Le normative locali possono imporre limiti all'età dell'operatore. Il proprietario è responsabile dell’addestramento di tutti gli operatori e i meccanici.
Familiarizzate con il funzionamento sicuro dell'apparecchiatura, con i comandi dell'operatore e con gli adesivi di sicurezza.
Spegnete il motore, rimuovete la chiave (se in dotazione) e attendete l'arresto completo prima di abbandonare la postazione dell'operatore. Lasciate raffreddare la macchina prima di eseguire interventi di riparazione, manutenzione o pulizia o di rimessarla.
Imparate come arrestare la macchina e spegnerla rapidamente.
Verificate che comandi di presenza dell'operatore, interruttori di sicurezza e dispositivi di protezione siano fissati e correttamente funzionanti. Se non funzionano correttamente, non azionate la macchina.
Ispezionate l'area in cui userete la macchina ed eliminate tutti gli oggetti che la macchina potrebbe scagliare.
Prestate estrema cautela nel maneggiare il carburante. È infiammabile e i suoi vapori sono esplosivi.
Spegnete sigarette, sigari, pipa e altre fonti di accensione.
Utilizzate soltanto taniche per carburanti approvate.
Non togliete il tappo del carburante né aggiungete carburante al serbatoio mentre il motore è in funzione o caldo.
Non rabboccate o spurgate il carburante in uno spazio chiuso.
Non rimessate la macchina o la tanica del carburante in luoghi in cui siano presenti fiamme aperte, scintille o spie, come uno scaldabagno o altri apparecchi.
Se dovesse fuoriuscire carburante, non tentate di avviare il motore, evitate di creare fonti di accensione fino a quando i vapori di carburante non saranno evaporati.
Non riempite le taniche all'interno di un veicolo o su un autocarro o il pianale di un rimorchio con rivestimento in plastica. Posizionate sempre le taniche a terra, lontano dal veicolo, prima di procedere al rifornimento.
Scaricate l'attrezzatura dall'autocarro o dal rimorchio ed effettuate il rifornimento da terra. Qualora ciò non sia possibile, fate rifornimento dell'apparecchiatura con una tanica portatile, anziché con un normale ugello erogatore del carburante.
Mantenete l'ugello a contatto con il bordo del serbatoio del carburante o l'apertura del contenitore in ogni momento, fino al completamento del rifornimento.
Eseguite le procedure di manutenzione giornaliera; fate riferimento a Lista di controllo della manutenzione quotidiana.
Controllate il livello dell'olio motore prima dell'utilizzo od ogni 8 ore di servizio; fate riferimento a Controllo del livello dell'olio motore.
Capacità del serbatoio del carburante: 2,0 litri
Carburante consigliato: benzina senza piombo con un valore di ottani di 87 o superiore (metodo di valutazione (R+M)/2)
Etanolo: è accettabile la benzina con etanolo fino al 10% (nafta) o 15% di MTBE (metil-ter-butil etere) per volume. Etanolo e MTBE non sono identici. L'utilizzo di benzina con etanolo al 15% (E15) per volume non è approvato.
Non utilizzate benzina con etanolo superiore al 10% per volume, come E15 (contiene etanolo al 15%), E20 (contiene etanolo al 20%) o E85 (contiene etanolo fino all'85%).
Non utilizzate benzina contenente metanolo.
Nella stagione invernale, non conservate il carburante nel serbatoio o nei contenitori senza utilizzare un apposito stabilizzatore.
Non aggiungete olio alla benzina.
Per i migliori risultati, utilizzate solo carburante pulito e fresco (non più vecchio di 30 giorni).
L'utilizzo di benzina non approvata può provocare problemi di prestazioni e/o danni al motore non coperti da garanzia.
In talune condizioni il carburante è estremamente infiammabile e altamente esplosivo. Un incendio o un'esplosione di carburante possono ustionare voi ed altre persone e causare danni.
Fate il pieno di carburante all'aria aperta, a motore freddo. Tergete il carburante versato.
Non riempire mai il serbatoio del carburante all'interno di un rimorchio.
Non riempite completamente il serbatoio. Versate carburante nel serbatoio fino a 6–13 mm sotto la base del collo del bocchettone di riempimento. Questo spazio servirà ad assorbire l'espansione del carburante.
Non fumate mai quando maneggiate carburante e state lontani da fiamme libere e da dove i fumi di carburante possano essere accesi da una scintilla.
Conservate il carburante in taniche omologate e tenete lontano dalla portata dei bambini. Acquistate carburante in modo da utilizzarlo entro 30 giorni.
Non utilizzate la macchina se l'impianto di scarico completo non è montato, o se quest'ultimo non è in perfette condizioni d'impiego.
In talune condizioni, durante il rifornimento, vengono rilasciate scariche elettrostatiche che causano scintille in grado di fare incendiare i vapori di carburante. Un incendio o un'esplosione di carburante possono ustionare voi ed altre persone e causare danni.
Prima del rabbocco, posizionate sempre le taniche del carburante sul pavimento, lontano dal veicolo.
Non riempite taniche di carburante all'interno di un veicolo o su un autocarro o sul pianale di un rimorchio, dal momento che la tappezzeria interna o i rivestimenti in plastica dei pianali potrebbero isolare la tanica e rallentare la perdita di eventuale carica statica.
Se possibile, scaricate l'attrezzatura dall'autocarro o dal rimorchio ed effettuate il rifornimento da terra. Qualora ciò non sia possibile, fate rifornimento dell'apparecchiatura con una tanica portatile, anziché con un normale ugello erogatore del carburante.
Se è necessario utilizzare un ugello di erogazione del carburante, mantenete l'ugello a contatto con il bordo del serbatoio del carburante o l'apertura del contenitore in ogni momento, fino al completamento del rifornimento.
Se ingerito, il carburante è nocivo o fatale. L'esposizione a lungo termine ai vapori di benzina può causare gravi danni e malattie.
Evitate di respirare a lungo i vapori.
Tenete il viso lontano dall'ugello e dal serbatoio del carburante o dall'apertura del flacone di additivo.
Evitate il contatto con la pelle; pulite le fuoriuscite con sapone e acqua.
Pulite l'area intorno al tappo del serbatoio del carburante e togliete il tappo (Figura 17). Riempite il serbatoio della benzina fino al fondo dell'apertura del collo del bocchettone.
Important: Non riempite troppo il serbatoio di carburante.

Montate il tappo del serbatoio del carburante e pulite eventuali fuoriuscite di carburante.
Utilizzate le seguenti tabelle per regolare la macchina in base alle condizioni del tappeto erboso.
| N. cat. | Descrizione | Aggressività | Osservazioni |
| 112-9281-01 | Standard | Inferiore | Greensmaster 1000 Standard |
| 112-9279-03 | Aggressivo | Superiore |
| N. cat. | Descrizione | Range di altezze di taglio | Osservazioni |
| 93-4262 | Microcut | 1,57–3,1 mm | |
| 115-1880 | EdgeMax Microcut | 1,57–3,1 mm | Greensmaster 1000 Standard |
| 93-4263 | Tournament | 3,1–6,0 mm | |
| 115-1881 | EdgeMax Tournament | 3,1–6,0 mm | Usura più prolungata |
| 93-4264 | Taglio corto | 6,0 mm ed oltre | |
| 108-4303 | Extended Microcut | 1,57–3,1 mm | Meno aggressiva |
| N. cat. | Descrizione | Diametro/Materiale | Osservazioni |
| 99-6241 | Wiehle stretto | Alluminio 50,8 mm | Distanziamento 0,5 cm standard |
| 88-6790 | Wiehle largo | Alluminio 50,8 mm | Maggiore penetrazione, distanziamento 1,15 cm |
| 104-2642 | Rullo pieno | Acciaio 50,8 mm | Minima penetrazione |
| 71-1550 | Rullo Wiehle | Ghisa 51 mm | Maggiore penetrazione, distanziamento 1,15 cm |
| 93-9045 | Rullo Wiehle | Alluminio 63,5 mm | Ampiezza 61 cm per supporto bordo |
| 52-3590 | Rullo rastremato a martello e stampo | Alluminio 63,5 mm |
| Modello | Standard | Kit di taglio 65-9000 | Kit di trazione 115-1886 | Kit di taglio e trazione | ||||||||
| Cilindro standard | Cilindro opzionale | Cilindro standard | Cilindro opzionale | Cilindro standard | Cilindro opzionale | Cilindro standard | Cilindro opzionale | |||||
| 04810 | 11 lame4,1 mm | 14 lame3,3 mm | 8 lame5,8 mm | 11 lame6,4 mm | 14 lame4,8 mm | 8 lame8,6 mm | 11 lame3,8 mm | 14 lame3,0 mm | 8 lame5,1 mm | 11 lame5,6 mm | 14 lame4,3 mm | 8 lame7,6 mm |
| Velocità di trasferimento | 5,39 km/h | 4,80 km/h | ||||||||||
| Cadenza di manutenzione | Procedura di manutenzione |
|---|---|
| Prima di ogni utilizzo o quotidianamente |
|
Se i microinterruttori di interblocco di sicurezza sono scollegati o danneggiati, la macchina può avviarsi improvvisamente e provocare infortuni.
Non manomettete i microinterruttori di sicurezza.
Ogni giorno, controllate il funzionamento dei microinterruttori di sicurezza, e prima di azionare la macchina sostituite gli interruttori guasti.
Abbassate il cavalletto col piede, alzate la stegola e tiratela indietro per sollevare le ruote dal suolo.
Posizionate la leva di trazione in posizione di INNESTO e i comandi del motore in posizione di avviamento.
Cercate di avviare il motore.
Il motore non si deve avviare. Se dovesse avviarsi, occorre fare revisionare il microinterruttore di sicurezza. Rettificate il problema prima di utilizzare la macchina. Fate riferimento a Manutenzione del microinterruttore di sicurezza della trazione
Sollevate con cautela la stegola per rilasciare il cavalletto.
Utilizzate le ruote di trasferimento per trasportare la macchina su distanze brevi.
Montate le ruote di trasferimento; fate riferimento a Montaggio delle ruote di trasferimento
Verificate che i comandi della trazione e di azionamento del cilindro siano in posizione di FOLLE.
Avviate il motore; fate riferimento a Avviamento del motore
Regolate il comando dell'acceleratore sulla MINIMA, sollevate la parte anteriore della macchina, innestate gradualmente la trasmissione e aumentate lentamente il regime del motore.
Regolate l'acceleratore per utilizzare il tosaerba alla velocità di spostamento desiderata e trasportate la macchina nel luogo previsto.
Usate un rimorchio per spostare la macchina su lunghe distanze. Agite con cautela durante le operazioni di carico e scarico della macchina da un rimorchio.
Guidate la macchina sul rimorchio prestando attenzione.
Spegnete il motore, innestate il freno di stazionamento e portate la valvola del carburante in posizione di SPEGNIMENTO.
Utilizzate una rampa a piena larghezza per il carico della macchina su un rimorchio o un autocarro.
Assicurate saldamente la macchina al rimorchio.
Note: Per il trasporto della macchina potete utilizzare il rimorchio Toro Trans Pro. Per istruzioni sulle operazioni di carico sul rimorchio, fate riferimento al Manuale dell’operatore del vostro rimorchio.
Important: Non mettete in funzione il motore durante il trasporto su un rimorchio, perché potreste danneggiare la macchina.
Riportate la leva di comando della trazione in posizione di FOLLE, l'acceleratore in posizione di MINIMA e spegnete il motore.
Abbassate il cavalletto con il piede, quindi alzate il sostegno della stegola finché il cavalletto non ruota in avanti, sopra il centro.
Smontate le ruote di trasferimento estraendo le clip di bloccaggio delle ruote dalle scanalature dell’albero esagonale.
Togliete con cautela la macchina dal cavalletto, spingendo lentamente in avanti o sollevando il supporto inferiore della stegola, consentendo al cavalletto di tornare alla posizione di RIPOSO.
Utilizzate la leva dello starter per favorire l’avviamento del motore a freddo. Prima di avviare il motore a freddo, spostate la leva in posizione STARTER. Quando il motore si è avviato, spostate la leva dello starter in posizione di FUNZIONAMENTO.

Controllate il flusso del carburante verso il motore con la valvola di intercettazione del carburante attenendovi alle indicazioni seguenti:
Per aprire la valvola del carburante, ruotate la leva di chiusura del carburante verso la maniglia di avviamento a strappo (Figura 19).
Per chiudere la valvola del carburante, ruotate la manopola di chiusura del carburante in direzione opposta rispetto alla maniglia di avviamento a strappo (Figura 19).

Il proprietario/operatore può impedire ed è responsabile di incidenti che possano causare infortuni personali o danni alla proprietà.
Indossate abbigliamento consono, comprendente occhiali di protezione, pantaloni lunghi, scarpe robuste e antiscivolo e protezioni per l'udito. Legate i capelli lunghi e non indossate indumenti larghi o gioielli pendenti.
Non utilizzate la macchina in caso di malattia, stanchezza o sotto l'effetto di alcol o droga.
Prestate piena attenzione quando utilizzate la macchina. Non effettuate alcuna attività che causi distrazioni; in caso contrario, potreste causare infortuni o danni alla proprietà.
Prima di avviare il motore, assicuratevi che tutte le trasmissioni siano in folle, che il freno di stazionamento sia inserito e di trovarvi nella postazione dell'operatore.
Tenete lontani gli astanti e i bambini dall'area operativa. Se è necessaria la presenza di colleghi, prestate attenzione e controllate che il cesto di raccolta sia montato sulla macchina.
Utilizzate la macchina solo in condizioni di visibilità buone per evitare buche o pericoli nascosti.
Non utilizzate la macchina se c'è rischio di fulmini.
Evitate di tosare sull'erba bagnata. A causa della scarsa tenuta, la macchina potrebbe slittare e cadere.
Tenete mani e piedi a distanza dall'apparato di taglio.
Guardate dietro e in basso prima di fare retromarcia per assicurarvi di avere la strada libera.
Prestate attenzione quando vi avvicinate ad angoli ciechi, cespugli, alberi o altri oggetti che potrebbero ostacolare la vostra visuale.
Fermate l'apparato di taglio tutte le volte che non state effettuando la tosatura.
Disinnestate la trasmissione dell'apparato di taglio e spegnete il motore prima di regolare l'altezza di taglio.
Non azionate il motore in una zona in cui i gas di scarico non possano disperdersi.
Non lasciate mai incustodita una macchina in moto.
Prima di abbandonare la postazione dell'operatore, attenetevi alle seguenti istruzioni:
Parcheggiate la macchina su terreno pianeggiante.
Disinnestate gli apparati di taglio.
Inserite il freno di stazionamento.
Spegnete la macchina e togliete la chiave (se in dotazione)
Attendete l'arresto di ogni movimento.
Spegnete la macchina prima di svuotare il cesto.
Non toccate motore, marmitta o tubo di scarico con il motore acceso o subito dopo lo spegnimento, in quanto tali componenti potrebbero essere sufficientemente caldi da causare ustioni.
Spegnete il motore e disinserite la trasmissione dell’apparato di taglio nelle seguenti circostanze:
Prima di fare rifornimento di carburante
Prima di sbloccare ostruzioni
Prima di togliere il cesto di raccolta
Prima degli interventi di controllo, pulizia o manutenzione dell’unità di taglio
Dopo avere urtato un corpo estraneo, o in caso di vibrazioni anomale. Ispezionate l’apparato di taglio per rilevare eventuali danni ed effettuare le riparazioni necessarie prima di avviare e utilizzare la macchina
Prima di abbandonare la posizione operativa
Utilizzate solo accessori e attrezzi approvati da The Toro® Company.
Le pendenze sono un importante fattore che influisce sugli incidenti causati da perdita di controllo e ribaltamento, che possono comportare gravi infortuni o la morte. Siete responsabili del funzionamento sicuro in pendenza. L'utilizzo della macchina su qualsiasi pendenza richiede un livello superiore di attenzione. Prima di utilizzare la macchina su una pendenza, attenetevi alle seguenti istruzioni:
Rileggete e memorizzate le istruzioni relative alle pendenze presenti nel manuale e sulla macchina.
Valutate le condizioni del giorno nel sito per determinare se esistono le premesse per utilizzare la macchina in pendenza senza compromettere la sicurezza. Basatevi su buon senso e giudizio quando effettuate questa valutazione. Le variazioni delle condizioni del terreno, come l'umidità, possono determinare un rapido cambiamento del funzionamento in pendenza della macchina.
Utilizzate la macchina in senso trasversale sulle pendenze, mai salendo e scendendo. Evitate l'utilizzo su pendenze eccessivamente inclinate o bagnate. A causa della scarsa tenuta, la macchina potrebbe slittare e cadere.
Individuate i pericoli alla base della pendenza. Non utilizzate la macchina in prossimità di scarpate, fossati, terrapieni, zone d'acqua o altri pericoli. La macchina potrebbe ribaltarsi improvvisamente nel caso in cui una ruota ne superi il bordo o se il bordo dovesse crollare. Mantenete la distanza di sicurezza tra la macchina e il pericolo. In queste zone, utilizzate un dispositivo portatile.
Evitate di avviare, arrestare o sterzare con la macchina in pendenza. Evitate di cambiare bruscamente la velocità o la direzione; sterzate in modo lento e graduale.
Non azionate la macchina in condizioni in cui trazione, sterzaggio o stabilità possono essere compromessi. Siate consapevoli del fatto che l'utilizzo della macchina su erba bagnata, trasversalmente su pendenze o in discesa può causare una perdita di trazione della macchina. La perdita di trazione delle ruote motrici può comportare uno slittamento e una perdita di capacità frenante e sterzante. La macchina potrebbe slittare anche se le ruote sono ferme.
Rimuovete o segnalate gli ostacoli, come fossati, buche, solchi, dossi, rocce o altri pericoli nascosti. L'erba alta può nascondere degli ostacoli. Il terreno accidentato può ribaltare la macchina.
Se doveste perdere il controllo della macchina, allontanatevi dalla direzione della macchina.
Tenete sempre la marcia innestata quando scendete dai pendii. Non procedete in discesa per inerzia (applicabile solo alle unità a trasmissione).
Note: Le illustrazioni e la descrizione dei comandi citati in questa sezione sono riportati nella Comandi.
Note: Verificate che il cappellotto sia montato sulla candela.
Verificate che le leve della trazione e di azionamento del cilindro siano in posizione di DISINNESTO..
Note: Il motore non si avvia se la leva della trazione è in posizione di INNESTO.
Assicuratevi che la valvola di intercettazione del carburante sia aperta.
Spostate l'interruttore principale in posizione di ACCENSIONE.
Mettete il comando dell'acceleratore in posizione MASSIMA.
Prima di avviare il motore a freddo, spostate lo starter in posizione intermedia tra STARTER e ACCENSIONE.
Note: A motore caldo spesso non occorre usare lo starter.
Tirate la maniglia di avviamento a strappo fino ad ottenere l'innesto, quindi date uno strappo per avviare il motore.
Important: Non tirate completamente il cavo di avviamento e non lasciate la maniglia di avviamento quando il cavo è stato estratto perché potreste spezzarlo o danneggiare il gruppo di riavvolgimento.
Mentre il motore si riscalda, spostate la leva dello starter in posizione di ACCENSIONE.
Spostate i comandi della trazione e di azionamento del cilindro in posizione di DISINNESTO.
Spostate il comando dell'acceleratore in posizione di MINIMA.
Spostate l'interruttore principale in posizione di SPEGNIMENTO.
Prima di rimessare o trasportare la macchina, chiudete la valvola di intercettazione del carburante.
Important: L'erba tagliata funge da lubrificante durante la tosatura. L'apparato di taglio può subire danni in caso di utilizzo eccessivo in assenza di erba tagliata.
Tosate i green spostandovi avanti e indietro in linea retta su tutto il green.
Evitate di tosare con moto circolare e non girate la macchina sul green per non causare rigature indesiderate.
Togliete la macchina dal green sollevando il cilindro di taglio (abbassate la stegola) e girando facendo leva sul cilindro di trazione.
Tosate camminando a velocità normale; Velocità elevate consentono un risparmio di tempo molto ridotto e riducono la qualità del lavoro di tosatura.
Per realizzare una linea retta attraverso il green e mantenere la macchina equidistante dal bordo del taglio precedente, usate le strisce di allineamento previste sul cesto (Figura 20).

Utilizzate il kit delle luci LED quando azionate la macchina in condizioni di scarsa illuminazione; contattate il distributore autorizzato di zona Toro.
Important: Non usate altri sistemi di illuminazione su questa macchina poiché non funzionerebbero correttamente con l'uscita c.a. del motore.
Utilizzando la macchina correttamente otterrete un tappeto erboso dal taglio più regolare possibile. Fate riferimento anche a Suggerimenti per le indicazioni fondamentali per ottimizzare le prestazioni della macchina.
Important: L'apparato di taglio può essere danneggiato in caso di utilizzo eccessivo in mancanza di sfalcio (lubrificante).
Avviate il motore, impostate l'acceleratore a bassa velocità, abbassate la stegola per sollevare l'apparato di taglio, spostate la leva della trazione in posizione di INNESTO e trasportate la macchina sul bordo del green.
Portate la leva della trazione in posizione di DISINNESTO e spostate la leva di comando del cilindro in posizione di INNESTO.
Portate la leva della trazione in posizione di INNESTO e aumentate la velocità dell'acceleratore finché la macchina non si sposta alla velocità opportuna. Portate la macchina sul green, abbassate la parte anteriore della macchina e iniziate a tosare.
Dopo la tosatura, lasciate il green, spostate la leva di controllo trazione in posizione di DISINNESTO, spegnete il motore e spingete la leva di azionamento del cilindro in posizione di DISINNESTO.
Svuotate l'erba tagliata dal cesto di raccolta, rimontate il cesto e procedete con l'operazione di trasporto.
Portate il tosaerba fuori del green, spostate le leve di comando della trazione e del cilindro in posizione di DISINNESTO e spegnete il motore.
Svuotate il cesto dello sfalcio, montatelo sul tosaerba e iniziate il trasferimento della macchina per il rimessaggio.
Spegnete il motore, rimuovete la chiave (se in dotazione) e attendete l'arresto completo prima di abbandonare la postazione dell'operatore. Lasciate raffreddare la macchina prima di eseguire interventi di riparazione, manutenzione o pulizia o di rimessarla.
Per prevenire un incendio, eliminate erba e detriti dalla macchina. Tergete l'olio e il carburante versati.
Lasciate raffreddare la macchina prima di rimessarla in un luogo chiuso.
Non rimessate la macchina o la tanica del carburante in luoghi in cui siano presenti fiamme aperte, scintille o spie, come uno scaldabagno o altri apparecchi.
Diminuite l’impostazione dell’acceleratore prima di spegnere il motore e chiudete la valvola di intercettazione del carburante (se in dotazione), al termine della tosatura.
Al termine del lavoro di tosatura, per il trasporto della macchina dal cantiere fate riferimento a Trasporto della macchina con le ruote di trasferimento oppure a Trasporto della macchina con un rimorchio.
Una manutenzione non corretta della macchina può determinare un guasto prematuro dei sistemi della macchina, causando possibili infortuni a voi o agli astanti.
Sottoponete sempre la macchina alla corretta manutenzione e mantenetela in buone condizioni operative, come indicato in queste istruzioni.
Note: Stabilite i lati sinistro e destro della macchina dalla normale posizione operativa.
Important: Non inclinate la macchina a un’angolazione superiore ai 25°. Inclinare la macchina a un’angolazione superiore ai 25° provoca lo sversamento dell’olio nella camera di combustione e/o la fuoriuscita del carburante dal tappo del serbatoio.
Important: Fate riferimento al Manuale d'uso del motore per eventuali ulteriori procedure di manutenzione aggiuntive.
Prima di abbandonare la postazione dell'operatore, attenetevi alle seguenti istruzioni:
Parcheggiate la macchina su terreno pianeggiante.
Portate l'acceleratore in posizione di minimo basso.
Disinnestate l'apparato/gli apparati di taglio.
Assicuratevi che la trazione sia in folle.
Inserite il freno di stazionamento.
Spegnete la macchina e togliete la chiave (se in dotazione)
Attendete l'arresto di ogni movimento.
Lasciate che i componenti della macchina si raffreddino prima di effettuare la manutenzione.
Se possibile, non effettuate la manutenzione mentre la macchina è in funzione. Tenetevi a distanza dalle parti in movimento.
Se il motore deve essere mantenuto in funzione per eseguire un intervento di regolazione, tenete mani, piedi, indumenti e le altre parti del corpo distanti dall'apparato di taglio, dagli accessori e dalle parti in movimento. Tenete lontano gli astanti.
Pulite erba e detriti dall'apparato di taglio, dalle trasmissioni, dalle marmitte, dalle griglie di raffreddamento e dal motore, per evitare il rischio di incendi. Tergete l'olio e il carburante versati.
Mantenete tutte le parti in buone condizioni operative. Sostituite tutti i componenti e gli adesivi usurati, danneggiati o mancanti. Mantenete serrate tutta la bulloneria per assicurarvi che la macchina sia in grado di funzionare in sicurezza.
Verificate frequentemente i componenti del sistema di raccolta e sostituiteli quando necessario.
A garanzia di prestazioni ottimali e sicure utilizzate solo ricambi originali Toro. Ricambi fabbricati da altri costruttori possono essere pericolosi e tale utilizzo potrebbe rendere nulla la garanzia del prodotto.
Qualora fossero necessari interventi di assistenza o di riparazione di notevole entità, rivolgetevi a un Distributore Toro autorizzato.
| Cadenza di manutenzione | Procedura di manutenzione |
|---|---|
| Dopo le prime 20 ore |
|
| Prima di ogni utilizzo o quotidianamente |
|
| Ogni 25 ore |
|
| Ogni 50 ore |
|
| Ogni 100 ore |
|
| Ogni 300 ore |
|
| Ogni 1000 ore |
|
Important: Fotocopiate questa pagina e utilizzatela quando opportuno.
| Punto di verifica per la manutenzione | Per la settimana di: | ||||||
|---|---|---|---|---|---|---|---|
| Lun | Mar | Mer | Gio | Ven | Sab | Dom | |
| Verificate il funzionamento del sistema di sicurezza a interblocchi. | |||||||
| Verificate il funzionamento dei freni di stazionamento. | |||||||
| Controllate il livello del carburante. | |||||||
| Controllate il livello dell'olio motore. | |||||||
| Controllate il filtro dell'aria. | |||||||
| Pulite le alette di raffreddamento del motore. | |||||||
| Controllate eventuali rumori anomali del motore. | |||||||
| Controllate eventuali rumori anomali di funzionamento. | |||||||
| Verificate la regolazione tra cilindro e controlama. | |||||||
| Controllate la regolazione dell'altezza di taglio. | |||||||
| Lubrificate tutti i raccordi. | |||||||
| Ritoccate la vernice danneggiata. | |||||||
| Ispezione eseguita da: | ||
| Art. | Data | Informazioni |
Mentre effettuate la manutenzione o regolazione della macchina, qualcuno potrebbe avviare il motore. L'avviamento accidentale del motore può ferire seriamente voi o altri astanti.
Spegnete il motore, inserite il freno di stazionamento e scollegate il cappellotto (o cappellotti) dalla candela (o candele) prima di eseguire operazioni di manutenzione. Inoltre, mettete da parte il cappellotto (o cappellotti), in modo che non venga accidentalmente a contatto con la candela (o candele).
Effettuate quanto segue prima di qualsiasi intervento di assistenza, pulizia o regolazione della macchina.
Parcheggiate la macchina su terreno pianeggiante.
Spegnete il motore e togliete la chiave dalla macchina (se presente).
Inserite il freno di stazionamento.
Attendete che tutte le parti in movimento si fermino e lasciate raffreddare il motore prima di effettuare interventi di assistenza, rimessaggio o riparazione.
Scollegate il cappellotto dalla candela (Figura 21).

| Cadenza di manutenzione | Procedura di manutenzione |
|---|---|
| Ogni 25 ore |
|
Lubrificate i 12 raccordi di ingrassaggio del tosaerba con grasso n. 2 al litio. Per i migliori risultati, utilizzate una pistola di ingrassaggio manuale.
Posizione dei raccordi per ingrassaggio:
2 sul rullo anteriore (Figura 22).
2 sui cuscinetti del cilindro (Figura 22).
2 sugli assali del tamburo (Figura 23).
3 sul differenziale (Figura 23).
2 sui cuscinetti del contralbero del cilindro (Figura 24).
1 sui perni di rinvio della cinghia (Figura 25).
Tergete ogni raccordo di ingrassaggio con un panno pulito.
Pompate grasso in tutti i raccordi.
Important: Non premete eccessivamente per evitare eventuali danni permanenti alle guarnizioni di tenuta.
Asportate il grasso superfluo.




Non cambiate la velocità del regolatore e non mandate fuori giri il motore.
Fate girare il motore finché non è vuoto, o togliete la benzina con una pompa a mano; non travasatela mai per mezzo di un sifone. All'occorrenza, se dovete vuotare la benzina dal serbatoio, fatelo all'aperto.
Riempite la coppa dell'olio con circa 0,56 litri di olio della corretta viscosità prima di iniziare. Il motore funziona con olio di alta qualità con classificazione SJ o superiore dell'American Petroleum Institute (API). Selezionate la giusta viscosità dell'olio (peso) in base alla temperatura ambiente. Figura 26 illustra la temperatura-viscosità raccomandata.

Note: Gli oli multi grade (5W-20, 10W-30 e 10W-40) aumentano il consumo di olio. Controllate il livello dell'olio motore più frequentemente se fate uso di oli di questo tipo.
| Cadenza di manutenzione | Procedura di manutenzione |
|---|---|
| Prima di ogni utilizzo o quotidianamente |
|
Il momento ideale per controllare il livello dell'olio è quando il motore è freddo o prima di avviare il motore per la giornata. Se il motore è già stato in funzione, lasciate che l'olio ritorni nel pozzetto per almeno 10 minuti prima di controllare il livello dell'olio motore.
Spegnete il motore e attendete che tutte le parti in movimento si siano fermate; fate riferimento a Preparazione della macchina per la manutenzione.
Posizionate la macchina in modo che il motore sia in piano e pulite la zona attorno al tubo di riempimento dell’olio (Figura 27).

Rimuovete l'asta di livello ruotandola in senso antiorario.
Estraete l'asta di livello e pulitene l'estremità.
Inserite completamente l'asta di livello nel tubo di riempimento dell’olio ma senza avvitare.
Estraete l'asta e controllate il livello dell'olio (Figura 28).

Se il livello dell’olio non è corretto, aggiungete o spurgate olio per regolarlo; fate riferimento a Cambio dell'olio motore.
| Cadenza di manutenzione | Procedura di manutenzione |
|---|---|
| Dopo le prime 20 ore |
|
| Ogni 100 ore |
|
L'olio può scottare quando il motore è caldo, ed il contatto con l'olio caldo può causare gravi ustioni.
Evitate di toccare l'olio motore caldo durante lo spurgo.
Spegnete il motore e attendete che tutte le parti in movimento si siano fermate; fate riferimento a Preparazione della macchina per la manutenzione.
Posizionate una bacinella sotto il tappo di spurgo per raccogliere l’olio.
Togliete il tappo di spurgo, la rondella e l’asta di livello (Figura 27).
Posizionate il motore in modo tale che l’olio spurghi dal motore.
Una volta spurgato completamente l’olio, spostate il motore a una posizione piana e installate il tappo di spurgo e una nuova rondella.
Note: Consegnate l'olio usato ad un centro di raccolta certificato.
Versate lentamente l'olio nel foro di riempimento fino a raggiungere il livello corretto.
Accertatevi che l’olio sia al livello corretto sull’asta di livello; fate riferimento a Controllo del livello dell'olio motore
Avvitate l’asta di livello nel foro di riempimento dell’olio.
Tergete l'olio versato.
Collegate il cappellotto alla candela.
| Cadenza di manutenzione | Procedura di manutenzione |
|---|---|
| Prima di ogni utilizzo o quotidianamente |
|
| Ogni 50 ore |
|
| Ogni 300 ore |
|
Important: Non azionate il motore senza il filtro dell'aria completo, per evitare di danneggiare seriamente il motore.
Spegnete il motore e attendete che tutte le parti in movimento si siano fermate; fate riferimento a Preparazione della macchina per la manutenzione.
Rimuovete il dado ad alette che assicura la protezione del filtro dell’aria (Figura 29).
Rimuovete la protezione del filtro dell’aria.
Note: Accertatevi che dalla protezione del filtro di depurazione dell’aria non cadano sporcizia o detriti nella base.
Rimuovete gli elementi di carta e in schiuma sintetica dalla base.
Rimuovete l'elemento in schiuma sintetica dall'elemento di carta.
Ispezionate l'elemento di schiuma e gli elementi di carta; sostituiteli se sono danneggiati o troppo sporchi.

Pulite l'elemento di carta picchiettandolo delicatamente per rimuovere la sporcizia.
Note: Non cercate di eliminare lo sporco dall'elemento di carta con una spazzola; lo spazzolamento spinge lo sporco all'interno delle fibre. Sostituite l’elemento se picchiettando su di esso lo sporco non viene rimosso.
Pulite l'elemento in schiuma sintetica con acqua calda e sapone, oppure con un solvente non infiammabile.
Note: Non utilizzate benzina per pulire l'elemento di schiuma sintetica, dal momento che potrebbe creare un rischio di incendio o esplosione.
Sciacquate e asciugate accuratamente l'elemento in schiuma sintetica.
Pulite la sporcizia dalla base e dal coperchio con un panno umido.
Note: Accertatevi che nel condotto dell’aria che porta al carburatore non entrino sporcizia o detriti.
Montate gli elementi del filtro dell'aria e assicuratevi che siano adeguatamente posizionati. Montate il dado ad alette inferiore.
Montate la protezione e il dado ad alette superiore per fissarla.
| Cadenza di manutenzione | Procedura di manutenzione |
|---|---|
| Ogni 100 ore |
|
| Ogni 300 ore |
|
Usate una candela NGK BPR6ES o equivalente.
Spegnete il motore e attendete che tutte le parti in movimento si siano fermate; fate riferimento a Preparazione della macchina per la manutenzione.
Pulite attorno alla candela.
Togliete la candela dalla testata.
Important: Le candele incrinate, incrostate o sporche devono essere sostituite. Non sabbiate, raschiate o pulite gli elettrodi perché l'ingresso della graniglia nel cilindro può danneggiare il motore.
Impostate una distanza sulla candela compresa tra 0,7 mm e 0,8 mm

Montate a mano la candela con cautela (per evitare l'incrocio della filettatura) e serratela a fondo.
Serrate la candela di un altro 1/2 giro se è nuova; altrimenti serratela di un altro 1/8–1/4 di giro.
Important: La candela allentata può surriscaldarsi e danneggiare il motore; l'eccessivo serraggio può danneggiare le filettature nella testa del cilindro.
Collegate il cappellotto alla candela.
Qualora fosse necessario regolare o sostituire il microinterruttore della trazione, procedete come segue.
Verificate che il motore sia spento e la leva della trazione disinnestata e appoggiata sul fermo in folle (Figura 31).

Allentate il i dispositivi di fissaggio del microinterruttore di sicurezza (Figura 31).
Inserite uno spessore di 0,8 mm fra la leva della trazione ed il microinterruttore di sicurezza (Figura 31).
Serrate i dispositivi di fissaggio del microinterruttore e verificate nuovamente la distanza.
Note: La leva della trazione non deve toccare il microinterruttore.
Innestate la leva della trazione e verificate che il microinterruttore perda la continuità.
Note: All'occorrenza sostituite il microinterruttore.
Regolate il freno di servizio/di stazionamento se scivola durante il funzionamento.
Inserite il freno di servizio, premete la manopola del freno di stazionamento consentendo al freno di servizio di poggiare sul perno del freno di stazionamento (Figura 32).

Con una bilancia a molla, premete indietro sulla leva del freno di servizio (Figura 33). Rilasciate il freno di stazionamento quando si raggiunge una forza tra 13,5 e 18 kg. Regolate il cavo del freno se il freno di stazionamento viene rilasciato prima di raggiungere una forza compresa tra 13,5–18 kg.

Allentate il fermo del copricinghia della cinghia trapezoidale e girate il copricinghia per aprirlo (Figura 34).

Per regolare la tensione del cavo del freno, procedete come segue:
Per ridurre la tensione del cavo, allentate il controdado del cavo anteriore e serrate il controdado posteriore (Figura 35). Ripetete i passaggi 1 e 2 e regolate la tensione se necessario.
Per aumentare la tensione del cavo, serrate il controdado del cavo anteriore e allentate il controdado posteriore (Figura 35). Ripetete i passaggi 1 e 2 e regolate la tensione se necessario.
Note: Potete regolare il cavo all'altezza delle staffe del controdado tramite il quadro di comando oppure all'altezza della staffa alla base del motore.

Chiudete il carter e fissate il fermo.
Verificate che la tensione delle cinghie sia corretta per garantire il funzionamento ottimale della macchina e impedire che si consumino inutilmente. Controllate spesso le cinghie.
Togliete i dispositivi di fissaggio del copricinghia e il copricinghia per accedere alla cinghia (Figura 36).

Controllate la tensione premendo la cinghia al centro tra le pulegge (Figura 37) con una forza di 18–22 N. La cinghia deve flettersi di 6 mm.

Completate i passaggi indicati di seguito per regolare la tensione della cinghia:
Allentate il dado di fissaggio della puleggia tendicinghia e ruotate la puleggia in senso orario verso il retro della cinghia, fino a ottenere la tensione desiderata (Figura 37).
Important: Non tendete eccessivamente la cinghia.
Serrate il dado per mantenere la regolazione.
Mettete il copricinghia in posizione di montaggio.
Mantenete una piccola luce tra la tenuta del copricinghia e la piastra laterale, ed inserite ciascun bullone di montaggio finché il filetto non s'avvita nell'inserto.
Note: La luce consente di verificare a vista l'allineamento dei bulloni con gli inserti filettati.
Dopo avere montato tutti i bulloni, serrateli finché gli isolatori all'interno del copricinghia non sono a contatto con la piastra laterale.
Note: Non serrate eccessivamente i bulloni.
Togliete i dispositivi di fissaggio del copricinghia e il copricinghia per accedere alla cinghia (Figura 38).

Controllate la tensione premendo la cinghia al centro tra le pulegge (Figura 39) con una forza di 18–22 N.
Note: La cinghia deve flettersi di 6 mm.

Completate quanto segue per regolare la tensione della cinghia:
Allentate il dado di fissaggio della puleggia tendicinghia e ruotate la puleggia in senso orario verso il retro della cinghia, fino a ottenere la tensione desiderata (Figura 39).
Important: Non tendete eccessivamente la cinghia.
Serrate il dado per mantenere la regolazione.
Mettete il copricinghia in posizione di montaggio.
Mantenete una piccola luce tra la tenuta del copricinghia e la piastra laterale, ed inserite ciascun bullone di montaggio finché il filetto non s'avvita nell'inserto.
Note: La luce consente di verificare a vista l'allineamento dei bulloni con gli inserti filettati.
Dopo avere montato tutti i bulloni, serrateli finché gli isolatori all'interno del copricinghia non sono a contatto con la piastra laterale.
Note: Non serrate eccessivamente i bulloni.
Rimuovete i bulloni che fissano la sezione anteriore e posteriore della copertura del differenziale all'alloggiamento del differenziale stesso e fate scorrere le sezioni della copertura in modo da scoprire la cinghia.
Controllate la tensione premendo la cinghia al centro tra le pulegge (Figura 40) con una forza di 22–26 N.
Note: La cinghia deve flettersi di 6 mm.

Completate quanto segue per regolare la tensione della cinghia:
Allentate il dado di fissaggio della puleggia tendicinghia e ruotate la puleggia in senso orario verso il retro della cinghia, fino a ottenere la tensione desiderata (Figura 40).
Important: Non tendete eccessivamente la cinghia.
Serrate il dado per mantenere la regolazione.
Mettete il copricinghia in posizione di montaggio.
Mantenete una piccola luce tra la tenuta del copricinghia e la piastra laterale, ed inserite ciascun bullone di montaggio finché il filetto non s'avvita nell'inserto. La luce consente di verificare a vista l'allineamento dei bulloni con gli inserti filettati.
Dopo avere montato tutti i bulloni, serrateli finché gli isolatori all'interno del copricinghia non sono a contatto con la piastra laterale. Non serrate eccessivamente i bulloni.
Per regolare la tensione delle cinghie trapezoidali primarie, verificate innanzitutto la regolazione del comando della trazione; fate riferimento a Regolazione del comando della trazione.
Se la cinghia slitta ancora dopo la regolazione del comando della trazione, procedete al passaggio seguente.
Allentate il fermo del copricinghia della cinghia trapezoidale e girate il copricinghia per aprirlo (Figura 41).

Per aumentare la tensione della cinghia, allentate i bulloni di montaggio del motore e spostate indietro il motore nelle fessure.
Important: Non tendete eccessivamente la cinghia.
Serrate i bulloni di fissaggio.
Note: In seguito al montaggio di nuove cinghie trapezoidali, la distanza tra il centro della puleggia motrice e il centro della puleggia condotta dev'essere di 12,7 cm circa.
Dopo il tensionamento delle cinghie trapezoidali primarie, verificate con un regolo l'allineamento della puleggia dell'albero primario del motore e della puleggia del contralbero.
In caso di errato allineamento delle pulegge, allentate le viti che fissano la base di appoggio del motore all'intelaiatura della macchina e fate scorrere il motore da un lato all'altro finché le pulegge non sono allineate con uno scarto massimo di 0,7 mm.
Serrate le viti di montaggio e verificate l'allineamento.
Per spingete o tirate la macchina più agevolmente senza avviare il motore, regolate il guidacinghia (Figura 42, inserto) come segue.
Innestate la frizione.
Allentate il dado di bloccaggio della puleggia tendicinghia e del guidacinghia al braccio di rinvio.
Girate in senso orario il guidacinghia fino ad ottenere una luce di 1,5 mm circa tra l'asta guida ed il retro delle cinghie di trasmissione.
Serrate il dado di bloccaggio della puleggia tendicinghia e del guidacinghia al braccio di rinvio.

Chiudete il carter e fissate il fermo.
Rimuovete i bulloni che fissano i copricinghia di azionamento del cilindro e di trazione alla piastra laterale destra e smontate i copricinghia.
Allentate il dado di fissaggio su ogni puleggia tendicinghia e ruotate ogni puleggia tendicinghia in senso antiorario dal retro della cinghia per allentarne la tensione.
Togliete le cinghie.
Rimuovete i bulloni che fissano la sezione anteriore e posteriore della copertura del differenziale all'alloggiamento del differenziale stesso e fate scorrere le sezioni della copertura in modo da scoprire la cinghia (Figura 43).

Allentate il dado di fissaggio della puleggia tendicinghia del differenziale, e girate la puleggia tendicinghia in senso antiorario, allontanandola dal retro della cinghia per rilasciarne la tensione.
Togliete i 2 bulloni e i 2 dadi di bloccaggio che fissano la sede della frizione anteriore alla piastra laterale (Figura 43).
Girate la sede di 180° in modo che la base della sede sia rivolta in alto.
Togliete i 2 bulloni e i 2 dadi di bloccaggio che fissano la sede del cuscinetto posteriore destro alla piastra laterale (Figura 43).
Girate la sede di 180° in modo che la base della sede sia rivolta in alto.
Togliete la cinghia usata.
Montate la nuova cinghia sui carter delle sedi girate, sulle sezioni del carter del differenziale e sulle pulegge del differenziale.
Verificate che la puleggia tendicinghia poggi contro la parte posteriore della cinghia.
Ruotate entrambe le sedi in posizione verticale e fissatele alla piastra laterale con i bulloni e i dadi tolti in precedenza.
Regolate la tensione differenziale della cinghia; vedere Regolazione della cinghia del differenziale.
Regolate la tensione sulle cinghie di azionamento del cilindro e di trazione; fate riferimento a Regolazione della cinghia di azionamento trazione e Regolazione della cinghia dell'azionamento del cilindro..
Installate le coperture di differenziale, azionamento del cilindro e di trazione.
Seguite questi passaggi per eliminare l’allentamento dal comando della trazione:
Spostate il comando della trazione in posizione di DISINNESTO.
Allentate il fermo del copricinghia della cinghia trapezoidale e girate il copricinghia per aprirlo (Figura 41).
Per eliminare l’allentamento dal comando della trazione, allentate il controdado del cavo anteriore e serrate il controdado del cavo posteriore (Figura 44) fino a eliminare ogni allentamento.

Serrate il controdado del cavo anteriore.
Chiudete il carter e fissate il fermo.
Controllate il funzionamento del comando della trazione
Prestate attenzione quando controllate il cilindro dell’apparato di taglio. Indossate guanti e prestate attenzione durante la manutenzione del cilindro.
Lame o controlame usurate o danneggiate possono spezzarsi e scagliare frammenti verso di voi o gli astanti, causando gravi ferite o anche la morte.
Controllate le lame e le controlame a intervalli regolari, per accertarvi che non presentino danni o segni di usura eccessivi.
Prestate la massima attenzione quando controllate le lame. Indossate i guanti e prestate attenzione durante il controllo. Le lame e le controlame devono essere solo sostituite o affilate; non raddrizzatele né saldatele.
Posizionate la macchina su una superficie piana e orizzontale, preferibilmente su un banco di precisione in acciaio.
Posizionate una striscia di acciaio piatta di 0,6 x 2,5 cm, lunga circa 73,6 cm, sotto le lame del cilindro e contro il bordo anteriore della controlama per evitare che la barra di appoggio sia posata sul piano di lavoro.
Sollevate il rullo anteriore, in modo che sul banco poggino soltanto il cilindro posteriore ed il cilindro di taglio.
Premete con forza sulla macchina, sopra il cilindro di taglio, in maniera che tutte le lame tocchino la striscia d'acciaio.
Mentre premete sul cilindro di taglio, inserite uno spessimetro sotto una estremità del cilindro posteriore, poi controllate l'altra estremità.
Note: Se tra il cilindro posteriore ed il banco vi è una luce superiore a 0,25 mm, da una estremità o dall'altra, regolate il cilindro posteriore (proseguite al punto 6). Se la luce è superiore a 0,25 mm, non sono necessarie regolazioni.
Togliete il copricinghia posteriore dal lato destro della macchina (Figura 45).

Ruotate la puleggia condotta finché i fori non sono allineati con le 4 viti a testa flangiata del cuscinetto a rulli (Figura 46).

Allentate le 4 viti del cuscinetto a rulli e la vite di fissaggio della puleggia tendicinghia.
Alzate o abbassate il lato destro del gruppo cuscinetto a rulli finché la luce non risulta inferiore a 0,25 mm.
Serrate le viti del cuscinetto a rulli.
Regolate la tensione della cinghia e serrate la vite di montaggio della puleggia tendicinghia (Figura 46).
Regolate la controlama rispetto al cilindro al termine della molatura, lappatura o smontaggio dell’unità di taglio. Questa procedura non è intesa come regolazione quotidiana.
Parcheggiate la macchina su una superficie piana e orizzontale.
Inclinate indietro la macchina sulla stegola per accedere alla controlama e al cilindro.
Important: Non inclinate la macchina a un’angolazione superiore ai 25°. Inclinare la macchina a un’angolazione superiore ai 25° provoca lo sversamento dell’olio nella camera di combustione e/o la fuoriuscita del carburante dal tappo del serbatoio.
Ruotate il cilindro in modo che una lama intersechi il tagliente della controlama tra la prima e la seconda testa della vite della controlama sul lato destro dell'apparato di taglio (Figura 47).

Ruotate il cilindro in modo che una lama intersechi il tagliente della controlama tra la prima e la seconda testa della vite della controlama sul lato destro dell'apparato di taglio.
Inserite uno spessore da 0,05 mm tra la lama contrassegnata e il tagliente della controlama nel punto in cui la lama contrassegnata interseca il tagliente della controlama.
Ruotate la vite di regolazione della barra di appoggio destra fino a percepire una lieve pressione (cioè trascinamento) sullo spessore nello scorrimento da una parte all'altra (Figura 47).
Rimuovete lo spessore.
Dal lato sinistro dell'apparato di taglio, ruotate lentamente il cilindro in modo che la lama più vicina intersechi il tagliente della controlama tra la prima e la seconda testa della vite.
Ripetete le fasi da 4 a 7 per il lato sinistro dell'unità di taglio e la vite di regolazione della barra di appoggio sinistra.
Ripetete i passaggi da 5 a 7 fino a quando non ottenete una leggera resistenza su entrambi i lati destro e sinistro dell'apparato di taglio, utilizzando gli stessi punti di contatto.
Per creare un leggero contatto tra cilindro e controlama, ruotate ogni vite di regolazione della barra di appoggio in senso orario con 3 scatti.
Note: Ogni scatto sulla vite di regolazione della barra di appoggio sposta la barra di appoggio di 0,018 mm. La rotazione in senso orario sposta il tagliente della controlama più vicino al cilindro mentre la rotazione in senso antiorario sposta il tagliente della controlama lontano dal cilindro.
Testate le performance di taglio inserendo una lunga striscia di carta per le performance di taglio tra il cilindro e la controlama, perpendicolarmente alla controlama (Figura 48). Lentamente ruotate il cilindro in avanti; dovrebbe tagliare la carta.

Note: Se riscontrate una resistenza eccessiva del cilindro o di contatto, è necessario lappare, rimettere a nuovo la parte anteriore della controlama o levigare l'apparato di taglio per ottenere l'affilatura che consente di eseguire un taglio preciso.
Verificate che il rullo posteriore sia orizzontale, e che il contatto tra controlama e cilindro sia esatto. Inclinate indietro la macchina sulla stegola per accedere ai rulli anteriore e posteriore ed alla controlama.
Important: Non inclinate la macchina a un’angolazione superiore ai 25°. Inclinare la macchina a un’angolazione superiore ai 25° provoca lo sversamento dell’olio nella camera di combustione e/o la fuoriuscita del carburante dal tappo del serbatoio.
Allentate i dadi di bloccaggio che fissano i bracci dell'altezza di taglio alle relative staffe (Figura 49).

Allentate il dado sulla barra di misura (Figura 50) e posizionate la vite di regolazione all'altezza di taglio opportuna. La distanza tra l'estremità inferiore della testa della vite e la parte frontale della barra corrisponde all'altezza di taglio.

Agganciate la testa della vite sul tagliente della controlama, e appoggiate la parte posteriore della barra sul rullo posteriore (Figura 51).

Girate la vite di regolazione finché il rullo non tocca la parte anteriore della barra di misura.
Regolate entrambi i lati del rullo finché quest'ultimo non sarà completamente parallelo alla controlama.
Important: Quando la regolazione è corretta, i rulli anteriore e posteriore toccano la barra di misura e la vite tocca la controlama senza gioco. Ciò garantisce che l'altezza di taglio sia identica da ambo i lati della controlama.
Serrate i dadi per bloccare la regolazione.
Important: Evitate di strappare il tappeto erboso ondulato verificando che i supporti del rullo siano indietro (il rullo è più vicino al cilindro).
Note: Il rullo anteriore è posizionabile in tre posizioni diverse (Figura 52), a seconda dell'applicazione e delle esigenze dell'utente.
Usate la posizione anteriore quando è montato un rullo grooming.
Usate la posizione centrale senza il rullo grooming.
Usate la terza posizione quando il tappeto erboso è molto ondulato.

Regolate il deflettore per scaricare correttamente lo sfalcio nel cestello di raccolta.
Misurate la distanza tra la parte superiore dell'asta di supporto anteriore e il bordo anteriore del deflettore su ogni estremità dell'apparato di taglio (Figura 53).

In condizioni di taglio normali, l'altezza del deflettore dall'asta di supporto deve essere di 10 cm. Allentate i dadi e i bulloni che fissano le estremità del deflettore alla piastra laterale e regolate il deflettore all'altezza corretta.
Serrare i dispositivi di fissaggio.
Note: Potete abbassare il deflettore quando il terreno erboso è secco (lo sfalcio vola sopra il cestello) o alzarlo quando l'erba è molto bagnata e pesante (lo sfalcio si accumula sul retro del cestello).
Regolate la barra di scarico per scaricare più facilmente lo sfalcio dall'area del cilindro.
Allentate le viti che fissano la barra superiore (Figura 54) all'apparato di taglio.

Inserite uno spessimetro da 1,5 mm tra la parte superiore del cilindro e la barra, quindi serrate le viti.
Verificate che la barra e il cilindro siano equidistanti sull'intero cilindro.
Note: La barra è regolabile per compensare le varie condizioni del tappeto erboso. Avvicinatela al cilindro quando il tappeto erboso è molto bagnato, ed allontanatela dal cilindro quando il tappeto erboso è asciutto. Otterrete prestazioni ottimali quando la barra è parallela al cilindro. Regolate la barra ogniqualvolta regolate l'altezza del deflettore o quando affilate il cilindro su una mola.
Per determinare se la barra di appoggio è standard o aggressiva, controllate gli aggetti di montaggio della barra di appoggio sinistri. Se gli aggetti di montaggio sono arrotondati, si tratta di una barra di appoggio standard. Se gli aggetti di montaggio presentano un intaglio, si tratta di una barra di appoggio aggressiva (Figura 55).

Ruotate la vite di regolazione della barra di appoggio in senso antiorario per allontanare la controlama dal cilindro (Figura 56).

Allentate il dado di tensione della molla, finché la rondella non sarà più in tensione contro la barra di appoggio (Figura 56).
Allentate, da ciascun lato della macchina, il controdado che fissa il bullone della barra di appoggio (Figura 57).

Togliete i bulloni della barra di appoggio perché quest'ultima possa essere tirata in giù e tolta dalla macchina. Conservate le due rondelle di nylon e le due rondelle in acciaio stampato da ciascun lato della barra di appoggio (Figura 57).
Montate la barra di appoggio posizionando i supporti di montaggio tra la rondella e il regolatore della barra di appoggio.
Fissate la barra di appoggio ad ogni piastra laterale con i bulloni della barra (controdadi sui bulloni) e 8 rondelle.
Note: Collocate una rondella di nylon su ciascun lato del risalto della piastra laterale. Montate una rondella d'acciaio all'esterno di ogni rondella di nylon.
Serrate i bulloni a una coppia compresa tra 27 e 36 N∙m.
Serrate i controdadi in modo che le rondelle di spinta esterne possano ruotare liberamente.
Serrate il dado di tensione della mola in modo che quest'ultima sia a riposo, quindi allentate di 1/2 giro.
Regolate la barra di appoggio; vedere Regolazione della controlama rispetto al cilindro.
Rimuovete il tappo nella copertura dell'azionamento del cilindro destro (Figura 58).

Inserite una barra di prolunga di 1,27 cm, collegata alla macchina di lappatura, nel foro quadrato al centro della puleggia del cilindro.
Effettuate la lappatura in conformità al procedimento riportato nel Manuale Toro per l'affilatura del cilindro e tosaerba rotanti, Libretto 80-300 PT.
Il contatto con il cilindro o altre parti in movimento può causare infortuni.
Non avvicinatevi al cilindro mentre è in corso la lappatura.
Per la lappatura, non usate un pennello dal manico corto. Il gruppo manico n. cat. 29-9100 completo, o le singole parti, sono reperibili dal Distributore Toro autorizzato di zona.
Note: Al termine della lappatura passate una lima sulla superficie anteriore della controlama, e otterrete un tagliente migliore. La limatura rimuove possibili sbavature e irregolarità del tagliente.
Completata la procedura, installate il tappo nella copertura.
Spegnete il motore, rimuovete la chiave (se in dotazione) e attendete l'arresto completo prima di abbandonare la postazione dell'operatore. Lasciate raffreddare la macchina prima di eseguire interventi di riparazione, manutenzione o pulizia o di rimessarla.
Non rimessate la macchina o la tanica del carburante in luoghi in cui siano presenti fiamme aperte, scintille o spie, come uno scaldabagno o altri apparecchi.
Eliminate residui d'erba, morchia e fanghiglia dalle parti esterne della macchina, in particolare dal motore. Pulite accuratamente da pula e morchia le alette esterne della testata del motore e l'alloggiamento della ventola.
Important: La macchina può essere lavata con detersivo neutro ed acqua. Non lavate la macchina a pressione. Non usate una quantità d'acqua eccessiva, particolarmente in prossimità della piastra della leva del cambio e del motore.
Per il rimessaggio a lungo termine (più di 30 giorni) aggiungete al carburante nel serbatoio un additivo stabilizzatore/additivo.
Fate girare il motore per distribuire il carburante condizionato nel sistema di alimentazione per 5 minuti.
Spegnete il motore, lasciatelo raffreddare e scaricate il serbatoio del carburante oppure azionate il motore fino allo spegnimento.
Avviate il motore e tenete in funzione fino allo spegnimento. Avviate nuovamente il motore, con lo starter chiuso, fino a quando il motore non si avvia.
Scollegate il cappellotto dalla candela.
Smaltite il carburante nel rispetto dell'ambiente. Riciclatelo nel rispetto delle leggi locali.
Note: Non conservate carburante contenente stabilizzatore/additivo per un lasso di tempo superiore a quello consigliato dal produttore dello stabilizzatore.
Controllate e serrate tutti i bulloni, i dadi e le viti. Riparate o sostituite eventuali componenti usurati o danneggiati.
Ritoccate tutti i graffi e le superfici metalliche sverniciate. La vernice è disponibile presso il vostro distributore Toro autorizzato.
Riponete la macchina in una rimessa o in un deposito pulito ed asciutto. Coprite la macchina con un telo per proteggerla e mantenerla pulita.