| Vedlikeholdsintervall | Vedlikeholdsprosedyre |
|---|---|
| For hver bruk eller daglig |
|
Maskinen er en gressklipper av skyvemodell med spolekniver som er beregnet for bruk av profesjonelle, innleide operatører i kommersielle applikasjoner. Den er hovedsakelig beregnet på å klippe gress på godt vedlikeholdte plener. Hvis du bruker dette produktet til andre formål enn det er beregnet på, kan du utsette deg selv eller andre for fare.
Les denne håndboken nøye, slik at du lærer å bruke og vedlikeholde produktet på riktig måte og unngår person- eller produktskade. Du har ansvar for å bruke produktet på en riktig og sikker måte.
Gå til www.Toro.com for materialer for produktsikkerhet og opplæring i bruk, og informasjon om tilbehør, hjelp til å finne en forhandler eller for å registrere produktet ditt.
Hvis maskinen må repareres eller du trenger originale Toro-deler eller mer informasjon, kan du kontakte en autorisert Toro-forhandler. Ha modell- og serienummer for hånden når du tar kontakt. Modell- og serienumre finner du på en plate bak på rammen. Skriv inn numrene i de tomme feltene.
Important: Skann QR-koden på serienummermerket med en mobil enhet for å få tilgang til garantien, deler og annen produktinformasjon.

Denne brukerhåndboken identifiserer mulige farer, og markerer sikkerhetsbeskjeder gjennom sikkerhetsvarslingssymbolet (Figur 2) som varsler om en fare som kan føre til alvorlige skader eller dødsfall hvis du ikke følger de anbefalte forholdsreglene.

I tillegg brukes to ord for å utheve informasjon. Viktig gjør oppmerksom på spesiell mekanisk informasjon og Obs henviser til generell informasjon som det er verdt å huske på.
Dette produktet er i samsvar med alle relevante europeiske direktiver. Se eget samsvarserklæringsskjema for produktet for detaljert informasjon.
Det er i strid med Californias Public Resource Code, avsnitt 4442 eller 4443, å bruke denne motoren i skogs-, busk- eller gressområder med mindre motoren er utstyrt med en fungerende gnistfanger, som definert i avsnitt 4442, eller en motor som er beregnet, utstyrt og vedlikeholdt for å unngå brann.
Den vedlagte brukerhåndboken for motoren inneholder informasjon om amerikanske miljømyndigheters (EPA) og Californias utslippskontrollreguleringer for utslippssystemer, vedlikehold og garanti. Du kan bestille nye brukerhåndbøker fra motorprodusenten.
Bruk av denne maskinen i områder høyere enn 1500 m over havet krever en dyse for høyder. Se Honda-motorens brukerhåndbok.
CALIFORNIA
Proposition 65-advarsel
Staten California kjenner til at motoreksosen fra dette produktet inneholder kjemikalier som kan forårsake kreft, fosterskader eller skade forplantningsevnen på andre måter.
Bruk av dette produktet kan forårsake eksponering for kjemikalier som staten California vet forårsaker kreft, fødselsdefekter eller annen forplantningsskade.
Denne maskinen er laget i henhold til EN ISO-standard 5395 og ANSI-standard B71.4-2017, og overholder disse standardene når dødmannsutstyret og påkrevde merkeskilt legges til.
Dette produktet kan amputere hender og føtter og slynge gjenstander opp i luften.
Les og forstå innholdet i denne brukerhåndboken før du starter maskinen.
Vær alltid fokusert på oppgaven når du bruker maskinen. Ikke delta i aktiviteter som forårsaker distraksjoner, da dette kan føre til personskade eller materiell skade.
Hold hender og føtter borte fra roterende deler på maskinen.
Bruk aldri maskinen uten at alle verneplater og andre sikkerhetsanordninger sitter på plass og fungerer som tiltenkt.
Hold tilskuere og barn borte fra arbeidsområdet. Maskinen er ikke tillatt for barn.
Før du forlater førerplassen, må du slå av motoren, ta ut nøkkelen (hvis utstyrt) og vente til alle bevegelige deler står stille. La maskinen kjøles ned før justering, service, rengjøring eller oppbevaring.
Feilaktig bruk og vedlikehold av maskinen kan føre til
personskade. For å redusere muligheten for skader må du
følge disse sikkerhetsinstruksjonene og alltid være oppmerksom
på sikkerhetsalarmsymbolet (
), som betyr Forsiktig, Advarsel eller
Fare – personsikkerhetsinstruks. Hvis ikke disse instruksjonene
tas hensyn til, kan det føre til alvorlige personskader eller
dødsfall.
![]() |
Sikkerhetsmerker og -instruksjoner er lett synlige for føreren og er plassert i nærheten av alle områder som representerer en potensiell fare. Bytt ut alle merker som er ødelagte eller mangler. |











Note: Angi hva som er høyre og venstre side på maskinen ved å stå i normal arbeidsstilling.
Deler som er nødvendige for dette trinnet:
| Håndtak | 1 |
| Kabelfeste | 4 |
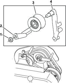
Fjern boltene (5/16 tomme), låsemutterne, ringsplintene og hårnålssplintene som fester enden av styrearmene på hver side av maskinen (Figur 3).

Fjern boltene (⅜ tomme), skivene og låseskivene fra monteringspinnene på hver side av maskinen (Figur 3).
Putt håndtaksendene inn gjennom hullene i styrearmene, og rett opp hullene med monteringspinner (Figur 3).
Klem håndtaksendene innover, og monter dem på monteringspinnene (Figur 4).

Fest håndtaket til monteringspinnene med boltene (⅜ tomme), skivene og låseskivene som du fjernet tidligere (Figur 4).
Fest styrearmene (5/16 tomme) med låsemutterne, hårnålssplintene og ringsplintene som du fjernet tidligere, til bakdelen av rammen (Figur 3).
Fest kablene og ledningssatsen til håndtaket med kabelfestene (Figur 5).

Se Figur 6 for denne prosedyren.

Fjern hårnålssplintene fra ringsplintene på hver side av maskinen.
Mens du støtter opp håndtaket, fjerner du ringsplintene fra hver side og hever eller senker håndtaket til ønsket driftsstilling.
Monter ringsplintene og hårnålssplintene.
Deler som er nødvendige for dette trinnet:
| Høyre hjulaksel | 1 |
| Venstre hjulaksel | 1 |
Dytt ned støtten med foten og dra opp håndtaket for å bruke støtten til å holde maskinen stødig.
Bruk gjengeforseglingsmiddel på gjengens hjulaksler.
Skru den høyre hjulakselen på lederullen på høyre side av maskinen (Figur 7).
Note: Akselen på høyre side er venstregjenget.

Trekk til akselen med et moment på 88–101 N·m.
Gjenta trinn 2 til 4 for å montere venstre hjulaksel til venstre side av maskinen.
Deler som er nødvendige for dette trinnet:
| Transporthjul | 2 |
Dytt ned støtten med foten og dra opp håndtaket for å bruke støtten til å holde maskinen stødig.
Sett et hjul på akselen.
Vri hjulets låseklemme bort fra midten på hjulet, slik at det kan komme lenger inn på akselen (Figur 8).

Vri hjulet frem og tilbake til det sitter helt inne på akselen og låseklemmen er festet i gjengen på bakakselen.
Gjenta prosedyren på motsatt side av kjøretøyet.
Fyll dekkene til 0,83 til 1,03 bar.
Senk maskinen forsiktig av støtten.
Før maskinen brukes, gjennomfør følgende justeringer:
Deler som er nødvendige for dette trinnet:
| Dødmannsutstyr (bestilles separat, kontakt en autorisert Toro-forhandler) | 1 |
For overensstemmelse med EN ISO 5395 og ANSI B71.4-2017, monter dødmannsutstyret (modellnr. 112-9282). Se settets monteringsinstruksjoner.
Kontakt en autorisert Toro-forhandler for å anskaffe deg dette settet.
Deler som er nødvendige for dette trinnet:
| Produksjonsårmerke | 1 |
| CE-merke | 1 |
Hvis du bruker denne maskinen i et land som samsvarer til CE-standardene, sett på produksjonsårmerket og CE-merket i nærheten av serieplaten. Se Figur 9.

Deler som er nødvendige for dette trinnet:
| Gresskurv | 1 |
Grip kurven i topplokket og skyv den inn på monteringsstengene (Figur 10).

Det er kun nødvendig med åtte timer klipping for å kjøre inn gressklipperen.
De første driftstimene er avgjørende for hvor driftssikker maskinen blir i fremtiden. Du må følge nøye med på maskinytelsen slik at små feil oppdages og rettes opp før de blir store. Undersøk maskinen i løpet av de første driftstimene for å kontrollere om det finnes oljelekkasje, løse fester eller andre feil.
Se motorens brukerhåndbok for anbefalte innkjøringsperiode, oljeskift og vedlikeholdsprosedyrer.


Trekkdrivspaken (Figur 12) er plassert foran på høyre side av kontrollpanelet. Den har to stillinger: FRI og FREMOVER. Hvis du skyver spaken fremover, kobles trekkdrivet til.
Gasskontrollen (Figur 12) er plassert bak på høyre side av kontrollpanelet. Spaken er forbundet til og betjener gasskoblingen til forgasseren. Se Spesifikasjoner for motorhastigheten.
På/av-bryteren (Figur 12) sitter oppå kontrollpanelet. Flytt bryteren til På-stillingen for å starte motoren og til AV-stillingen for å slå av motoren.
Bremsen (Figur 13) er plassert på venstre side av kontrollpanelet. Du kan bruke bremsen til å saktne eller stoppe maskinen.

Parkeringsbremsen (Figur 14) er plassert på basen av bremsen. Koble bremsen helt inn og trykk på parkeringsbremsknappen slik at bremsen kan hvile på parkeringsbremsepinnen. Koble bremsen inn for å koble ut parkeringsbremsen. Du må slippe opp bremsen før du kan koble til trekkdrivet.

Hvis dødmannskontrollen (Figur 12) finnes, er den plassert på baksiden av håndtaket. Hold dødmannskontrollen mot håndtaket. Du må koble til dødmannskontrollen før du kobler inn trekkspaken. Hvis du frigjør dødmannskontrollen, slår motoren seg av.
Spolemotorspaken (Figur 15) er plassert på maskinens høyre hjørne foran. Spaken har to stillinger:
AKTIVER – flytt spaken fremover for å koble inn spolen.
FRAKOBLE – flytt spaken bakover for å koble ut spolen.

Chokespaken (Figur 16) er plassert foran på venstre side av motoren. Bruk spaken for å hjelpe med kaldstart av motoren. Se Bruke chokespak.

Drivstoffavstengingsventilen er plassert på siden av motoren under chokekontrollen (Figur 16).
Note: Lukk drivstoffavstengingsventilen når maskinen ikke skal brukes på noen dager, under transport til og fra arbeidsstedet, eller når maskinen parkeres inne i en bygning. Se Åpne og lukke drivstoffavstengingsventilen.
Dra i tilbakespolingsstarteren (Figur 16) for å starte motoren.
| Modellspesifikasjoner | Modell 04055 |
| Bredde | 91 cm |
| Høyde | 114 cm |
| Lengde med kurv | 122 cm |
| Tørrvekt (med kurv og Wiehle-valse, uten hjul eller sylindertrimmer) | 98 kg |
| Klippebredde | 53 cm |
| Klippehøyde | 1,6 mm til 31,8 mm |
| Klips | 4,3 mm |
| Motorhastighet | Lavt tomgangsturtall – 1800 til 2000 o/min. Høyt tomgangsturtall – 3350 til 3550 o/min. |
Et utvalg av Toro-godkjent tilbehør som kan brukes sammen med maskinen for å forbedre og utvide dens funksjoner er tilgjengelig. Ta kontakt med din autoriserte serviceforhandler eller autoriserte Toro-forhandler, eller gå til www.Toro.com for å få en liste over godkjent tilbehør og utstyr.
For å oppnå optimal ytelse og holde maskinen i sikkerhetsgodkjent stand må du bare bruke originale Toro-reservedeler og -tilbehør. Reservedeler og tilbehør som er laget av andre produsenter, kan være farlige, og bruken av disse kan føre til at garantien blir ugyldig.
Note: Angi hva som er høyre og venstre side på maskinen ved å stå i normal arbeidsstilling.
Ikke la barn eller personer som ikke er opplært, kjøre eller utføre vedlikehold på maskinen. Lokalt regelverk kan sette aldersgrense for bruk av maskinen. Eieren er ansvarlig for opplæring av alle operatører og mekanikere.
Gjør deg kjent med sikker bruk av utstyret, driftskontrollene og sikkerhetssymbolene.
Før du forlater førerplassen, må du slå av motoren, ta ut nøkkelen (hvis utstyrt) og vente til alle bevegelige deler står stille. La maskinen kjøles ned før justering, service, rengjøring eller oppbevaring.
Lær deg å stanse og slå av maskinen raskt.
Kontroller at brukerens kontroller, sikkerhetsbryterne og sikkerhetsanordningene er montert og virker riktig. Ikke bruk maskinen dersom disse ikke fungerer som de skal.
Undersøk området der du skal bruke maskinen, og fjern alle gjenstander som kan slynges ut av maskinen.
Vær svært forsiktig når du håndterer drivstoff. Det er brannfarlig, og dampen er eksplosiv.
Slukk alle sigaretter, sigarer, piper og andre tennkilder.
Bruk kun en godkjent drivstoffkanne.
Ikke ta lokket av drivstofftanken eller fyll på drivstofftanken mens motoren går eller er varm.
Ikke fyll eller tøm drivstofftanken i et innelukket rom.
Oppbevar aldri maskinen eller bensinkannen i nærheten av åpen ild, gnister eller kontrollampe, som på en varmtvannstank eller andre apparater.
Hvis du søler drivstoff, må du ikke prøve å starte motoren. Unngå alt som kan antennes, til all drivstoffdamp er forsvunnet.
Fyll aldri opp kanner inne i et kjøretøy, på en lastebil eller på en tilhenger med en plastledning. Sett alltid beholdere på bakken, borte fra kjøretøyet, når det fylles på.
Utstyr må tas ut av lastebilen eller tilhengeren, og fylles med drivstoff på bakken. Hvis dette ikke lar seg gjøre, fyll drivstoff på slikt utstyr med en kanne, istedenfor å fylle drivstoff direkte fra bensinpumpen.
Påfyllingstuten må være i kontakt med kanten på drivstofftanken eller kannens åpning hele tiden, helt til du er ferdig med å fylle.
Utfør det daglige vedlikeholdet. Se Kontrolliste for daglig vedlikehold.
Kontroller motoroljenivået før hver bruk eller etter hver 8. driftstime. Se Kontrollere motoroljenivået.
Drivstofftankens kapasitet: 2,0 liter
Anbefalt drivstoff: Blyfri bensin med oktankvalitet på 87 eller høyere (vurderingsmetode (R+M)/2)
Etanol: Bensin med opptil 10 % etanol (alkoholbensin) eller 15 % MTBE (metyltertiærbutyleter) i volum er akseptabelt. Etanol og MTBE er ikke det samme. Bensin med 15 % etanol (E15) i volum er ikke godkjent for bruk.
Ikke bruk bensin som inneholder mer enn 10 % etanol i volum, som f.eks. E15 (inneholder 15 % etanol), E20 (inneholder 20 % etanol) eller E85 (inneholder opptil 85 % etanol).
Ikke bruk bensin som inneholder metanol.
Ikke oppbevar drivstoff i drivstofftanken eller i drivstoffbeholdere over vinteren, med mindre du bruker drivstoffstabilisator.
Ikke bland olje i bensinen.
For best resultat bør du kun bruke rent, ferskt (mindre enn 30 dager gammelt) drivstoff.
Bruk av bensin som ikke er godkjent, kan forårsake problemer og/eller motorskade som kanskje ikke dekkes av garanti.
Under visse forhold er drivstoff svært brannfarlig og svært eksplosivt. Brann eller eksplosjon forårsaket av drivstoff kan påføre deg og andre brannskader samt ødelegge eiendom.
Fyll opp drivstofftanken utendørs på et åpent område når motoren er nedkjølt. Tørk opp eventuelt drivstoffsøl.
Fyll aldri på drivstofftanken inni en lukket tilhenger.
Tanken må ikke fylles helt opp. Fyll drivstoff på tanken helt til nivået er 6 til 13 mm under bunnen av påfyllingshalsen. Tomrommet i tanken gir drivstoffet plass til å utvide seg.
Røyk aldri når du håndterer drivstoff, og hold deg borte fra åpen ild eller steder der drivstoffgass kan antennes av gnister.
Drivstoff må oppbevares på en godkjent kanne, utenfor barns rekkevidde. Kjøp aldri mer drivstoff enn til 30 dagers forbruk.
Ikke bruk uten at hele eksossystemet er på plass og i korrekt arbeidstilstand.
Under enkelte forhold ved fylling av drivstoff kan statisk elektrisitet utløses og føre til at gnister antenner drivstoffdamp. Brann eller eksplosjon forårsaket av drivstoff kan påføre deg og andre brannskader samt ødelegge eiendom.
Plasser alltid drivstoffbeholderne på bakken i god avstand fra sprederen før du fyller drivstoff.
Ikke fyll opp en drivstoffbeholder inne i et kjøretøy eller på en lastebil eller tilhenger, fordi tepper eller presenninger kan isolere beholderen og hemme utladning av eventuell statisk elektrisitet.
Når det er mest praktisk, tas utstyr ut av lastebilen eller tilhengeren og fylles på bakken. Hvis dette ikke lar seg gjøre, fyll drivstoff på slikt utstyr med en kanne, istedenfor å fylle drivstoff direkte fra bensinpumpen.
Hvis du må fylle drivstoff direkte fra dysen på en drivstoffpumpe, skal dysen hele tiden være i kontakt med kanten på drivstofftanken eller kannens åpning, helt til påfyllingen er fullført.
Drivstoff kan føre til skader eller dødsfall hvis det svelges. Hvis du utsettes for damp fra drivstoff over lengre tid, kan dette føre til alvorlig skade og sykdom.
Unngå innånding av damp fra drivstoff over lengre tid.
Hold ansiktet unna dysen og drivstofftanken og åpningen til flasken med kondisjonsmiddelet.
Unngå kontakt med huden, skyll bort eventuelt søl med såpe og vann.
Rengjør rundt lokket til drivstofftanken, og ta av lokket (Figur 17). Fyll drivstoff på tanken til nivået når opp til bunnen av påfyllingshalsen.
Important: Ikke fyll på for mye.

Sett lokket godt på, og tørk opp eventuelt drivstoffsøl.
Benytt følgende tabell til å justere maskinen i henhold til gressforholdene.
| Delenummer | Beskrivelse | Aggresjon | Kommentarer |
| 112-9281-01 | Standard | Mindre | Standard Greensmaster 1000 |
| 112-9279-03 | Aggressivt | Mer |
| Delenummer | Beskrivelse | Klippehøydespekter | Kommentarer |
| 93-4262 | Finklipping | 1,57–3,1 mm | |
| 115-1880 | EdgeMax Microcut | 1,57–3,1 mm | Standard Greensmaster 1000 |
| 93-4263 | Tournament | 3,1–6,0 mm | |
| 115-1881 | EdgeMax Tournament | 3,1–6,0 mm | Større slitestyrke |
| 93-4264 | Lav klippehøyde | 6,0 mm og oppover | |
| 108-4303 | Utvidet finklipp | 1,57–3,1 mm | Mindre aggressivt |
| Delenummer | Beskrivelse | Diameter/materiale | Kommentarer |
| 99-6241 | Smal Wiehle | 50,8 mm aluminium | Standard, 0,20 tommers mellomrom |
| 88-6790 | Bred Wiehle | 50,8 mm aluminium | Større dybde, 0,43 tommers mellomrom |
| 104-2642 | Full valse | 50,8 mm stål | Minst dybde |
| 71-1550 | Wiehle-valse | 50,8 mm støpejern | Større dybde, 0,43 tommers mellomrom |
| 93-9045 | Wiehle-valse | 63,5 mm aluminium | 61 cm bred for kantstøtte |
| 52-3590 | Bøyd valse | 63,5 mm aluminium |
| Modell | Standard | Klippesett 65–9000 | Trekksett 115–1886 | Klippe- og trekksett | ||||||||
| Standardspole | Valgfri spole | Standardspole | Valgfri spole | Standardspole | Valgfri spole | Standardspole | Valgfri spole | |||||
| 04810 | 11 kniver4,1 mm | 14 kniver3,3 mm | 8 kniver5,8 mm | 11 kniver6,4 mm | 14 kniver4,8 mm | 8 kniver8,6 mm | 11 kniver3,8 mm | 14 kniver3,0 mm | 8 kniver5,1 mm | 11 kniver5,6 mm | 14 kniver4,3 mm | 8 kniver7,6 mm |
| Kjørehastighet | 5,39 km/t | 4,80 km/t | ||||||||||
| Vedlikeholdsintervall | Vedlikeholdsprosedyre |
|---|---|
| For hver bruk eller daglig |
|
Hvis sikkerhetssperrebryterne blir frakoblet eller skadet, kan det hende at maskinen virker på en uventet måte som forårsaker personskader.
Ikke rør sperrebryterne.
Kontroller sperrebryterne daglig, og bytt ut ødelagte brytere før du bruker maskinen.
Dytt støtten ned med foten, og dra håndtaket opp og bak for å heve hjulene opp fra bakken.
Sett trekkspaken i TILKOBLET-stillingen og motorkontrollene i startstilling.
Prøv å starte motoren.
Motoren skal ikke starte. Hvis motoren starter, trenger sperrebryteren service. Korriger problemet før du bruker maskinen. Se Overhale sperrebryteren for trekkdrivet
Løft forsiktig opp håndtaket for å utløse støtten.
Bruk transporthjulene for å transportere maskinen over korte distanser.
Monter transporthjulene. Se Montere transporthjulene
Sjekk at trekkdriv- og spolemotorkontrollene er i NøYTRAL stilling.
Start motoren. Se Starte motoren
Sett gasskontrollen på SAKTE, vipp den fremre delen av maskinen oppover, koble trekkdrivet gradvis til, og øk deretter motorhastigheten sakte.
Juster gassen slik at gressklipperen kjører i ønsket kjørehastighet, og transporter den til ønsket bestemmelsessted.
Bruk en tilhenger for å transportere maskinen over store avstander. Vær forsiktig under lasting og lossing av maskinen på tilhengeren.
Kjør maskinen forsiktig opp på tilhengeren.
Slå av motoren, aktiver parkeringsbremsen og vri drivstoffventilen til AV-posisjon.
Bruk en bred rampe når du laster maskinen på en tilhenger eller lastebil.
Fest maskinen godt til tilhengeren.
Note: Du kan bruke en Toros Trans Pro-tilhenger for å transportere maskinen. Se lastebilens brukerhåndbok for instruksjoner om å laste tilhengeren.
Important: Kjør ikke motoren mens den transporteres på en tilhenger, da skade kan oppstå på maskinen.
Sett trekkontrollspaken tilbake i NøYTRAL stilling, gassen i SAKTE-stillingen og slå av motoren.
Spark ned støtten med foten og dra opp håndtaket håndtaksstøtten inntil støtten dreies fremover, over midten.
Fjern transporthjulene ved å skyve hjullåseklemmene ut av sporene på sekskantakselen.
Senk maskinen forsiktig ned fra støtten ved å skyve forsiktig forover eller ved å løfte nedre maskinhåndtak slik at støtten kan gå tilbake til LAGRINGSSTILLING.
Choken brukes til å hjelpe en kald motor å starte. Flytt spaken til CHOKE-stillingen når du starter en kald motor. Når motoren har startet, flytter du spaken til KJøR-stillingen.

Kontroller drivstoffstrømmen til motoren med drivstoffavstengingsventilen på følgende måte:
Eieren/brukeren kan forhindre og står ansvarlig for ulykker som kan forårsake personskader eller materielle skader.
Ha på deg passende klær, inkludert vernebriller, vernebukser, sklisikkert og kraftig fottøy og hørselsvern. Sett opp langt hår, og ikke bruk løstsittende klær eller fritthengende smykker.
Ikke bruk maskinen når du er syk, trett eller påvirket av alkohol eller andre rusmidler.
Vær alltid fokusert på oppgaven når du bruker maskinen. Ikke delta i aktiviteter som forårsaker distraksjoner, da dette kan føre til personskade eller materiell skade.
Påse at alle drivverk står i nøytral stilling, at parkeringsbremsen er aktivert og at du er i førerstilling før du starter maskinen.
Hold tilskuere og barn borte fra arbeidsområdet. Hvis kolleger må være tilstede, utvis forsiktighet og sikre at gresskurven er montert på maskinen.
Bruk maskinen bare når det er god sikt, for å unngå hull eller skjulte farer.
Ikke bruk maskinen hvis det er fare for lynnedslag.
Unngå å klippe vått gress. Dårlig fotfeste kan føre til at du glir og faller.
Hold hendene og føttene borte fra klippeenheten.
Se bak- og nedover før du rygger, slik at du ikke kjører på noen.
Vær forsiktig når du nærmer deg hjørner, busker, trær eller annet som begrenser synsfeltet.
Stopp klippeenheten når du ikke klipper.
Deaktiver drivverket til klippeenheten og slå av motoren før du justerer klippehøyden.
La aldri motoren gå i et lukket rom hvor eksosen ikke slipper ut.
La aldri maskinen stå uten tilsyn når den er i gang.
Før du forlater førerplassen, gjør følgende:
Parker maskinen på en jevn flate.
Deaktiver klippeenheten.
Sett på parkeringsbremsen.
Slå av maskinen og ta ut nøkkelen (hvis utstyrt).
Vent til alle bevegelige deler har stoppet.
Slå av maskinen før du tømmer kurven.
Ikke ta på motoren, lyddemperen eller eksosrøret mens motoren er i gang eller like etter at den er slått av. Disse områdene er svært varme, og du kan brenne deg på dem.
Slå av maskinen, og deaktiver drivverket til klippeenhetene i følgende situasjoner:
før du fyller drivstoff
før du fjerner eventuelle tilstoppinger
før du tar av gresskurven
før du sjekker, rengjør og vedlikeholder klippeenheten
etter at du har truffet en gjenstand eller hvis det oppstår unormal vibrasjon. Undersøk om klippeenheten ble skadet, og reparer den før du starter opp og bruker maskinen
Gjør følgende før du forlater førersetet
Bruk bare tilbehør og utstyr som er godkjent av The Toro® Company.
Skråninger er en ledende årsak til tap av kontroll og velting. Dette kan føre til alvorlige skader eller dødsfall. Du er ansvarlig for trygg drift i skråninger. Bruk av maskinen i skråninger krever ekstra forsiktighet. Før du bruker maskinen i en skråning, må du gjøre følgende:
Lese og forstå instruksjonene for bruk i skråninger i denne brukerhåndboken og på maskinen.
Vurdere forholdene på stedet på dagen for å avgjøre om det er trygt å bruke maskinen i skråningen. Bruk alltid sunn fornuft og god dømmekraft når du utfører denne kontrollen. Endringer i terrenget, som for eksempel fuktighet, kan påvirke bruken av maskinen i skråninger.
Kjør på tvers av skråninger, aldri oppover og nedover. Unngå bruk i svært bratte eller våte skråninger. Dårlig fotfeste kan føre til at du glir og faller.
Identifiser farer ved bunnen av skråningen. Maskinen må ikke brukes ved kanter grøfter, voller, vann eller andre farer. Maskinen kan velte hvis et hjul går over kanten eller hvis kanten gir etter. Hold trygg avstand mellom maskinen og enhver fare. Bruk et håndholdt verktøy i disse områdene.
Ikke start, stopp eller sving maskinen i skråninger. Ikke foreta brå endringer i hastighet eller retning. Sving forsiktig og gradvis.
En maskin der trekkraften, styringen eller stabiliteten er i tvil, skal ikke brukes under noen omstendigheter. Vær oppmerksom på at maskinen kan den begynne å gli dersom den brukes på vått gress, på tvers av skråninger eller i nedoverbakker. Hvis drivhjulene mister taket, kan det føre til at maskinen sklir og at bremse- og styringsevnen reduseres. Maskinen kan gli selv om drivhjulene er stanset.
Fjern eller marker hindringer som grøfter, hull, hjulspor, ujevnheter, steiner eller andre skjulte farer. Gjenstander kan ligge skjult i høyt gress. Maskinen kan velte i ujevnt terreng.
Hvis du mister kontroll over maskinen, stig vekk fra maskinens kjøreretning.
Hold alltid maskinen i gir når du kjører ned skråninger. Ikke rull ned skråninger (gjelder kun for drivenheter med gir).
Note: For illustrasjoner og beskrivelser av kontrollene det vises til i dette avsnittet, se Kontroller.
Note: Kontroller at kabelen er festet på tennpluggen.
Kontroller at trekkdrivspaken og spolemotorspaken står i FRAKOBLET stilling.
Note: Motoren starter ikke hvis trekkspaken er i TILKOBLET-stillingen.
Pass på at drivstoffavstengingsventilen er åpen.
Sett av-/på-bryteren til På-stillingen.
Sett gasspaken i HURTIG-stilling.
Flytt chokespaken til halvveis mellom stillingeneCHOKE og KJøR når du starter en kald motor.
Note: Det kan hende at du ikke behøver choke når du starter en varm motor.
Dra håndtaket på tilbakespolingsstarteren ut til starteren tilkobles, og dra deretter kraftig for å starte motoren.
Important: Du må ikke dra tilbakespolingsstarttauet helt ut eller slippe starterhåndtaket når tauet er dratt ut, ettersom tauet kan ryke eller tilbakespolingsstarteren kan bli ødelagt.
Flytt chokespaken til KJøR-stilling når motoren varmes opp.
Flytt trekkdriv- og spolemotorkontrollene til FRAKOBLET stilling.
Flytt gasskontrollen til SAKTE-stillingen.
Sett på/av-bryteren til AV-stillingen.
Lukk drivstoffavstengingsventilen før du skal lagre eller transportere maskinen
Important: Gress blir som et smøremiddel når du klipper. Hvis du bruker klippeenheten ofte uten at det finnes gress, kan den bli ødelagt.
Når du klipper greener, skal det gjøres i rette linjer frem og tilbake, på tvers av greenen.
Unngå å klippe i sirkler eller å snu maskinen på greeneområder for å forhindre slitasje.
Kjør maskinen ut av greenen ved å heve klippespolen (skyv håndtaket ned) og vri på drivtrommelen.
Klipp gresset i vanlig gåtempo. Hvis du går raskt, vil du ikke spare mye tid, og klipperesultatet vil bli dårligere.
Innrettingsstripene på kurven hjelper deg å holde en rett linje på tvers av plenen og å holde maskinen på lik avstand fra kanten på forrige klipping (Figur 20).

Bruk LED-lyssett når du bruker maskinen under dårlige lysforhold, kontakt din autoriserte Toro-leverandør.
Important: Ikke bruk andre lyssystemer på denne maskinen, da de ikke vil fungere ordentlig med motorens vekselstrømutmating.
Hvis du bruker maskinen på riktig måte, oppnår du jevnest gressklipping. Se også Brukstips for forslag til hvordan du kan få mest ut av maskinen din.
Important: Hvis du bruker klippeenheten ofte uten at det er gress (eller uten at den er oljet), kan den bli ødelagt.
Start motoren, sett gassen på redusert hastighet og skyv ned håndtaket for å heve klippeenheten. Flytt trekkspaken til TILKOBLET-stillingen, og kjør maskinen bort til enden av greenen.
Flytt trekkspaken til FRAKOBLET-stillingen og spolemotorspaken til TILKOBLET-stillingen.
Flytt trekkspaken til TILKOBLET-stillingen, øk gasshastigheten til maskinen kjører i ønsket bakkehastighet, kjør maskinen inn på greenen, senk den fremre delen av maskinen og begynn å klippe.
Når du er ferdig med å klippe, kjører du av plenen, flytter trekkontrollspaken til FRAKOBLET-stillingen, slår av motoren og skyver spolemotorspaken til FRAKOBLET-stillingen.
Tøm gresset ut av gresskurven, monter den på igjen og begynn å transportere klipperen.
Kjør av greenen, sett kontrollspaken til spolemotoren og trekkontrollen til FRAKOBLET-stilling, og stopp motoren.
Tøm gresset ut av gresskurven, sett den på plass på gressklipperen igjen, og transporter maskinen til oppbevaring.
Før du forlater førerplassen, må du slå av motoren, ta ut nøkkelen (hvis utstyrt) og vente til alle bevegelige deler står stille. La maskinen kjøles ned før justering, service, rengjøring eller oppbevaring.
Fjern gress og rusk fra maskinen for å unngå at det begynner å brenne. Tørk opp eventuelt olje- eller drivstoffsøl.
La maskinen bli kald før den settes på et lukket sted.
Oppbevar aldri maskinen eller bensinkannen hvor det er åpen ild, gnist eller kontrollampe som på en varmtvannstank eller andre apparater.
Reduser gassen før du slår av motoren og lukk drivstoffstengeventilen (hvis utstyrt med) når du er ferdig med å klippe gresset.
Etter klipping, transporter maskinen bort fra arbeidsstedet. Se Transportere maskinen med transporthjul eller Transportere maskinen med en tilhenger.
Hvis du ikke vedlikeholder maskinen, kan det føre til tidlig funksjonssvikt i maskinsystemer, noe som kan medføre skader på deg eller forbipasserende.
Hold maskinen godt vedlikeholdt og i god stand, som angitt i disse instruksjonene.
Note: Angi hva som er høyre og venstre side på maskinen ved å stå i normal arbeidsstilling.
Important: Ikke vipp maskinen i en vinkel på mer enn 25°. Når du vipper maskinen i en vinkel på mer enn 25°, fører det til oljelekkasje i forbrenningskammeret og/eller drivstofflekkasje ut av tanklokket.
Important: Hvis du vil ha mer informasjon om vedlikeholdsprosedyrer, ser du i brukerhåndboken for motoren.
Før du forlater førerplassen, gjør følgende:
Parker maskinen på en jevn flate.
Flytt gassen til stillingen for lavt tomgangsturtall.
Deaktiver klippeenheten(e).
Sjekk at trekkenheten er i fri.
Sett på parkeringsbremsen.
Slå av maskinen og ta ut nøkkelen (hvis utstyrt).
Vent til alle bevegelige deler har stoppet.
La maskinen kjøle seg ned før du utfører vedlikehold.
Ikke utfør vedlikehold når maskinen er i gang hvis du kan unngå det. Hold deg borte fra bevegelige deler.
Hvis motoren må være i gang for å utføre en vedlikeholdsjustering, må du passe på at klær, hender, føtter og andre kroppsdeler ikke er i nærheten av klippeenheten, tilbehør eller andre bevegelige deler. Hold andre på avstand.
Fjern gress og rusk fra klippeenheten, drivverket, lyddemperen, kjøleskjermen og motoren for å unngå at det begynner å brenne. Tørk opp eventuelt olje- eller drivstoffsøl.
Hold alle delene i god stand, og sørg for at alle fester er trukket til. Skift ut slitte, skadde eller manglende deler og merker. Sørg for at all maskinvare er godt tilstrammet, for å være sikker på at maskinen er trygg å bruke.
Kontroller gressoppsamlingskomponentene regelmessig, og skift dem ut når det er nødvendig.
For å oppnå optimal ytelse og holde maskinen i sikkerhetsgodkjent stand skal det kun brukes ekte Toro-reservedeler og -tilbehør. Reservedeler som er laget av andre produsenter, kan være farlige, og de kan derfor føre til at garantien blir ugyldig.
Ta kontakt med en autorisert Toro-forhandler hvis det er nødvendig med store reparasjoner eller du trenger hjelp.
| Vedlikeholdsintervall | Vedlikeholdsprosedyre |
|---|---|
| Etter de 20 første timene |
|
| For hver bruk eller daglig |
|
| Hver 25. driftstime |
|
| Hver 50. driftstime |
|
| Hver 100. driftstime |
|
| Hver 300. driftstime |
|
| Hver 1000. driftstime |
|
Important: Ta kopi av denne siden for rutinemessig bruk.
| Vedlikeholdskontrollpunkt | For uke: | ||||||
|---|---|---|---|---|---|---|---|
| Ma. | Ti. | On. | To. | Fr. | Lø. | Sø. | |
| Kontroller at sikkerhetssperrene virker ordentlig. | |||||||
| Kontroller at parkeringsbremsen virker. | |||||||
| Kontroller drivstoffnivået. | |||||||
| Kontroller motoroljenivået. | |||||||
| Kontroller luftfilteret. | |||||||
| Rengjør motorens kjøleribber. | |||||||
| Kontroller uvanlige motorlyder. | |||||||
| Kontroller uvanlige driftslyder. | |||||||
| Kontroller justeringen mellom spole og motstål. | |||||||
| Kontroller klippehøydejusteringen. | |||||||
| Smøre alle fester. | |||||||
| Lakker over ødelagt maling. | |||||||
| Kontroll utført av: | ||
| Punkt | Dato | Informasjon |
Når du utfører vedlikehold eller justeringer på maskinen, kan noen starte motoren. Utilsiktet start av motoren kan påføre deg eller andre i nærheten alvorlige skader.
Slå av motoren, sett på parkeringsbremsen og dra ledningen(e) av tennpluggen(e) før du utfører vedlikehold. Skyv også ledningen(e) til side slik at de(n) ikke tilfeldigvis kan komme i kontakt med tennpluggen(e).
Gjør følgende før du utfører service, rengjøring, eller justeringer på maskinen.
Parker maskinen på en jevn flate.
Slå av motoren, og ta nøkkelen ut av maskinen (hvis den er utstyrt med dette).
Sett på parkeringsbremsen.
Før du utfører service, setter maskinen til oppbevaring eller foretar reparasjoner, må du vente til alle bevegelige deler har stanset og la motoren kjøle seg ned.
Koble fra tennpluggledningen (Figur 21).

| Vedlikeholdsintervall | Vedlikeholdsprosedyre |
|---|---|
| Hver 25. driftstime |
|
Smøre de tolv smøreniplene på gressklipperen med litiumbasert smørefett nr. 2. En manuell fettsprøyte anbefales for best mulig resultat.
Plasseringen av smøreniplene er som følger:
to på den fremre valsen (Figur 22)
to på spolelagrene (Figur 22)
to på trommelakslene (Figur 23)
tre på differensialen (Figur 23)
to på spolemellomakselslagrene (Figur 24)
1 på mellomremsskivene (Figur 25).
Tørk av alle smøreniplene med en ren fille.
Pump smørefett inn i hver nippel.
Important: Press ikke for hardt, da kan fettpakningene bli ødelagte.
Tørk av eventuelt overflødig fett.




Du må ikke endre hastighetsregulatoren eller ruse motoren.
Kjør motoren tom eller fjern bensinen med en håndpumpe, sug den aldri opp med hevert. Hvis du må tømme drivstofftanken, gjør du det utendørs.
Fyll veivhuset med omtrent 0,56 liter olje med riktig viskositet før start. Motoren bruker en olje av høy kvalitet som har klassifikasjonen SJ eller høyere fra American Petroleum Institute (API). Velg riktig oljeviskositet (vekt) i forhold til omgivelsestemperatur. Figur 26 illustrerer anbefalinger for temperatur og viskositet.

Note: Hvis du bruker multigradsoljer (5W-20, 10W-30 og 10W-40), øker oljeforbruket. Sjekk motoroljenivået oftere når du bruker slike oljer.
| Vedlikeholdsintervall | Vedlikeholdsprosedyre |
|---|---|
| For hver bruk eller daglig |
|
Den ideelle tiden for å sjekke motoroljenivået, er når motoren er kald eller før du har startet motoren for dagen. Hvis du allerede har kjørt motoren, lar du oljen flyte tilbake ned i bunnpannen i minst 10 minutter før du sjekker motoroljenivået.
Slå av motoren, og vent til alle bevegelige deler har stanset. Se Klargjøre maskinen for vedlikehold.
Plasser maskinen slik at motoren står jevnt, og rengjør området rundt oljepåfyllingsrøret (Figur 27).

Fjern peilestaven ved å dreie den mot klokken.
Ta ut peilestaven, og tørk av enden.
Sett peilestaven inn i oljepåfyllingsrøret, men ikke skru den inn.
Ta ut peilestaven og kontroller motoroljenivået (Figur 28).

Hvis motoroljenivået er feil, fyll på eller tapp av olje til man har et riktig nivå. Se Skifte motorolje.
| Vedlikeholdsintervall | Vedlikeholdsprosedyre |
|---|---|
| Etter de 20 første timene |
|
| Hver 100. driftstime |
|
Oljen kan bli svært varm når motoren har vært i gang, og kontakt med varm olje kan forårsake alvorlige personskader.
Unngå kontakt med varm motorolje når du tapper den ut.
Slå av motoren, og vent til alle bevegelige deler har stanset. Se Klargjøre maskinen for vedlikehold.
Plasser et tappefat under tappepluggen for å fange opp oljen.
Fjern tappepluggen, skiven og peilestaven (Figur 27).
Plasser motoren slik at oljen tømmes fra motoren.
Når oljen er tappet, flytt motoren til en jevn stilling og sett på tappepluggen og en ny skive.
Note: Den brukte oljen skal kasseres på et godkjent gjenvinningssenter.
Fyll sakte på olje i påfyllingshullet til mengden er ved det riktige nivået.
Påse at oljen er ved det riktige nivået på peilestaven. Se Kontrollere motoroljenivået.
Skru peilestaven inn i oljepåfyllingshullet.
Tørk opp eventuelt drivstoffsøl.
Koble ledningen til tennpluggen.
| Vedlikeholdsintervall | Vedlikeholdsprosedyre |
|---|---|
| For hver bruk eller daglig |
|
| Hver 50. driftstime |
|
| Hver 300. driftstime |
|
Important: Hvis du starter motoren uten luftfilterenheten, kan den bli ødelagt.
Slå av motoren, og vent til alle bevegelige deler har stanset. Se Klargjøre maskinen for vedlikehold.
Fjern vingemutteren som holder luftrenserdekslet (Figur 29).
Fjern luftrenserdekslet.
Note: Påse at det ikke kommer smuss eller rusk fra luftrenserdekslet inn i basen.
Fjern skum- og papirelementene fra basen.
Fjern skumelementet fra papirelementet.
Undersøk skum- og papirelementene, og skift dem hvis de er skadet eller svært skitne.

Rengjør papirelementet ved å forsiktig slå i det slik at støvet faller av.
Note: Ikke børst smusset av papirelementet, da det tvinger smusset inn i fibrene. Skift ut elementet hvis det ikke hjelper å slå i det for å fjerne smusset.
Vask skumelementet med varmt såpevann eller et ikke lettantennelig løsemiddel.
Note: Ikke bruk bensin til å rengjøre skumelementet siden dette kan forårsake for brann eller eksplosjon.
Skyll og tørk skumelementet grundig.
Tørk smuss av basen og dekselet med en fuktig klut.
Note: Påse at smuss og rester ikke kommer inn i luftkanalen som er koblet til forgasseren.
Monter luftrenserelementene og påse at de er riktig plassert. Monter den nedre vingemutteren.
Monter dekselet og monter den øvre vingemutteren for å feste den.
| Vedlikeholdsintervall | Vedlikeholdsprosedyre |
|---|---|
| Hver 100. driftstime |
|
| Hver 300. driftstime |
|
Bruk en NGK BPR6ES-tennplugg eller lignende.
Slå av motoren, og vent til alle bevegelige deler har stanset. Se Klargjøre maskinen for vedlikehold.
Rengjør rundt tennpluggen.
Fjern tennpluggen fra sylinderhodet.
Important: En tennplugg som er sprukket eller skitten, må skiftes ut. Du må ikke sandblåse, skrape eller rengjøre elektroder, da det kan oppstå motorfeil som et resultat av partikler i sylinderen.
Juster åpningen på pluggen til 0,7–0,8 mm

Monter tennpluggen forsiktig for hånd (for å unngå tverrgjenging) til den sitter godt.
Stram til tennpluggen med ytterligere ½ omdreining hvis den er ny, om ikke stram til med en ekstra ⅛ til ¼ omdreining.
Important: En løs tennplugg kan bli svært varm og kan skade motoren. Hvis en tennplugg overstrammes, kan den skade gjengene i sylinderhodet.
Koble ledningen til tennpluggen.
Bruk følgende prosedyre hvis sperrebryteren for trekkdrivet trenger justering eller utskiftning.
Påse at motoren er av og trekkspaken er frakoblet og hviler mot nøytral-sperren (Figur 31).

Løsne monteringsfestene til sperrebryterne (Figur 31).
Plasser et 0,8 mm tykt mellomlegg mellom trekkspaken og sperrebryteren (Figur 31).
Stram monteringsfestene på sperrebryteren, og kontroller avstanden på nytt.
Note: Trekkspaken må ikke komme i kontakt med bryteren.
Koble til trekkspaken og kontroller at bryteren ikke mister kontinuitet.
Note: Skift ut bryteren om nødvendig.
Hvis bremsen/parkeringsbremsen glipper under drift, juster den.
Koble bremsen helt inn, trykk på parkeringsbremseknappen og la bremsen hvile på parkeringsbremsepinnen (Figur 32).

Bruk en fjærvekt og trykk bakover på servicebremsespaken (Figur 33). Parkeringsbremsen skal slippe når det påføres 13,5 til 18 kg kraft. Hvis parkeringsbremsen slipper før 13,5 til 18 kg kraft er påført, må bremsekabelen justeres.

Løsne på holderen som fester V-remdekslet, og vri til dekslet åpner seg (Figur 34).

Bremsekabelens spenning justeres på følgende måte.
Du reduserer kabelspenningen ved å løsne den fremre kabellåsemutteren og stramme den bakre låsemutteren (Figur 35). Gjenta trinn 1 og 2, og juster spenningen om nødvendig.
Du øker kabelspenningen ved å stramme den fremre kabellåsemutteren og løsne den bakre låsemutteren (Figur 35). Gjenta trinn 1 og 2, og juster spenningen om nødvendig.
Note: Du kan justere kabelen ved låsemutterbrakettene ved kontrollpanelet eller ved braketten nederst på motoren.

Lukk dekslet og fest holderen.
Kontroller at remmene er stramme nok, for å sikre at maskinen fungerer som den skal og unngå unødvendig slitasje. Kontroller remmene ofte.
Fjern monteringsskruen på remdekslet og deretter remdekslet for å få tilgang til remmen (Figur 36).

Kontroller hvor stram remmen er ved å presse på mellomspennet (Figur 37) med en kraft på 18–22 N. Remmen skal gi etter 6 mm.

Fullfør følgende trinn for å justere remspenningen:
Løsne monteringsmutteren på lederullen, og vri lederullen med klokken mot baksiden av remmen helt til du oppnår ønsket spenning (Figur 37).
Important: Pass på at remmen ikke blir for stram.
Fest mutteren for å låse justeringen.
Monter remdekslet ved å legge det på riktig plass.
Mens du opprettholder et lite mellomrom mellom dekselforseglingen og sideplaten, monterer du alle monteringsboltene helt til gjengene kommer på plass i pakningen.
Note: Mellomrommet gjør at du kan se hvordan boltene justeres til pakningene med gjenger.
Etter at du har montert alle boltene, må du stramme dem til utstikkerne på innsiden av dekslet kommer i kontakt med sideplaten.
Note: Skruene må ikke trekkes til for hardt.
Fjern monteringsskruen på remdekslet og deretter remdekslet for å få tilgang til remmen (Figur 38).

Kontroller hvor stram remmen er ved å presse på mellomspennet (Figur 39) med en kraft på 18–22 N.
Note: Remmen skal gi etter 6 mm.

Fullfør det følgende for å justere remspenningen:
Løsne monteringsmutteren på lederullen, og vri lederullen med klokken mot baksiden av remmen helt til du oppnår ønsket remspenning (Figur 39).
Important: Pass på at remmen ikke blir for stram.
Fest mutteren for å låse justeringen.
Monter remdekslet ved å legge det på riktig plass.
Mens du opprettholder et lite mellomrom mellom dekselforseglingen og sideplaten, monterer du alle monteringsboltene helt til gjengene kommer på plass i pakningen.
Note: Mellomrommet gjør at du kan se hvordan boltene justeres til pakningene med gjenger.
Etter at du har montert alle boltene, må du stramme dem til utstikkerne på innsiden av dekslet kommer i kontakt med sideplaten.
Note: Skruene må ikke trekkes til for hardt.
Fjern boltene som fester den fremre og bakre delen av differensialdekselet til differensialhuset, og skyv dekseldelene bort for å få tilgang til remmen.
Kontroller hvor stram remmen er ved å presse på mellomspennet (Figur 40) med en kraft på 22–26 N.
Note: Remmen skal gi etter 6 mm.

Fullfør det følgende for å justere remspenningen:
Løsne monteringsmutteren på lederullen, og vri lederullen med klokken mot baksiden av remmen helt til du oppnår ønsket remspenning (Figur 40).
Important: Pass på at remmen ikke blir for stram.
Fest mutteren for å låse justeringen.
Monter remdekslet ved å legge det på riktig plass.
Mens du opprettholder et lite mellomrom mellom dekselforseglingen og sideplaten, monterer du alle monteringsboltene helt til gjengene kommer på plass i pakningen. Mellomrommet gjør at du kan se hvordan boltene justeres til pakningene med gjenger.
Etter at du har montert alle boltene, må du stramme dem til utstikkerne på innsiden av dekslet kommer i kontakt med sideplaten. Skruene må ikke trekkes til for hardt.
Når du skal justere remspenningen på primære kileremmene, må du først kontrollere trekkontrolljusteringen – se Justere trekkontrollen.
Hvis remmene fortsatt glipper etter du har justert trekkontrollen, fortsetter du med neste trinn.
Løsne på holderen som fester V-remdekslet, og vri til dekslet åpner seg (Figur 41).

Hvis du ønsker å øke remspenningen, må du løsne motorens monteringsbolter og flytte motoren bakover i slissene.
Important: Pass på at remmen ikke blir for stram.
Stram monteringsboltene.
Note: Avstanden mellom midten av drimremskiven og midten av den drevne remskiven skal være ca. 12.7 cm etter at de nye kileremmene er montert.
Etter at du har spent de primære V-remmene, må du kontrollere justeringen av lageret for motorens drivaksel og mellomakselremskiven mot en rett kant.
Hvis remskivene ikke er riktig justerte, må du løsne på skruene som fester motorens sokkel til maskinrammen, og deretter skyve motoren fra side til side helt til remskivene står riktig innenfor 0,7 mm.
Stram monteringsskruene og kontroller justeringen.
Hvis du ønsker å gjøre det lettere å dra eller skyve maskinen uten å starte motoren, må du justere remføreren (Figur 42, innstikk) på følgende måte:
Koble inn clutchen.
Løsne låsemutteren som fester lederullen og remføreren til lederullarmen.
Vri remføreren med klokken til du oppnår et mellomrom på ca. 1,5 mm mellom pekefingeren og baksiden på drivremmen.
Stram låsemutteren som fester lederullen og remføreren til lederullarmen.

Lukk dekslet og fest holderen.
Fjern boltene som fester trekkdriv- og spolemotorremdekslet til den høyre sideplaten, og fjern remdekslene.
Løsne monteringsmutteren på hver lederull, og vri hver av dem mot klokken bort fra baksiden av hver rem for å minske remspenningen.
Fjern remmene.
Fjern boltene som fester den fremre og bakre delen av differensialdekselet til differensialhuset, og skyv dekseldelene bort for å få tilgang til remmen (Figur 43).

Løsne monteringsmutteren på lederullen på differentiallederullen, og vri lederullen mot klokken bort fra baksiden av remmen for å minske remspenningen.
Fjern de to boltene og låsemutterne som fester det fremre clutchhuset til sideplaten (Figur 43).
Vri huset 180°, slik at bunnen på huset peker oppover.
Fjern de to boltene og låsemutterene som fester det høyre bakre lagerhuset til sideplaten (Figur 43).
Vri huset 180°, slik at bunnen på huset peker oppover.
Fjern den gamle remmen.
Skyv den nye remmen over det snudde husdekslet, differentialdekseldelene og videre på differentialremskivene
Sjekk at lederullen står mot baksiden av remmen.
Snu begge husene tilbake til oppreist stilling og fest dem til sideplatene med boltene og mutterene du fjernet tidligere.
Juster differensialremspenningen. Se Justere differentialremmen.
Juster remspenningen på trekkdrivet og spolemotorremmene. Se Justere trekkdrivremmen og Justere spolemotorremmen.
Monter differensial-, trekkdriv- og spolemotordekslene.
Følg disse trinnene for å fjerne slakk fra trekkontrollen:
Flytt trekkontrollen til FRAKOBLET-stillingen.
Løsne på holderen som fester V-remdekslet, og vri til dekslet åpner seg (Figur 41).
For å fjerne slakk fra trekkontrollen, løsne den fremre låsemutteren og stram den bakre låsemutteren på kabelen (Figur 44) til all slakk fjernes.

Stram fremre låsemutter på kabelen.
Lukk dekslet og fest holderen.
Kontroller at trekkontrollen virker som den skal.
Vær forsiktig når du kontrollerer klippeenhets spole. Bruk hansker og vær forsiktig når du utfører service på spolen.
En slitt eller skadet kniv eller motstål kan brekke, og deler kan slynges ut mot deg eller andre og føre til alvorlige personskader eller en dødsulykke.
Inspiser knivene og motstålet regelmessig med tanke på stor slitasje eller skade.
Vær forsiktig når du kontrollerer knivene. Bruk hansker, og vær forsiktig når du utfører service på dem. Kniver og motstål skal kun skiftes ut eller slipes. Du må aldri rette dem ut eller sveise dem.
Parker maskinen på en jevn overflate, helst på en stålplate.
Sett en flat stålremse på 0,6 x 2,5 cm, ca. 73,6 cm lang, under spoleknivene og opp mot den fremre kanten på motstålet for å forhindre at motstangen hviler mot arbeidsoverflaten.
Løft den fremre valsen slik at kun den bakre trommelen og spolen er i kontakt med overflaten.
Press maskinen hardt ned over spolen slik at alle knivene kommer i kontakt med stålremsen.
Mens du presser ned spolen, stikker du et følerblad inn under den ene enden av trommelen. Sjekk deretter den andre enden av trommelen.
Note: Hvis det er et mellomrom mellom trommelen og arbeidsoverflaten på mer enn 0,25 mm i én av endene, må du justere trommelen (fortsett til trinn 6). Hvis mellomrommet er mindre enn 0,25 mm, er justering ikke nødvendig.
Fjern det bakre remdekslet fra maskinens høyre side (Figur 45).

Vri den drevne remskiven helt til hullene står i kant med de fire vingeskruene på valselageret (Figur 46).

Løsne på de fire valselagerskruene og skruen som holder lederullen på plass.
Hev eller senk den høyre siden av valsen til mellomrommet er mindre enn 0,25 mm.
Stram til valselagerskruene.
Juster remmen og stram monteringsskruen på lederullen (Figur 46).
Juster motstålet til spolen etter oppmaling, sliping eller demontering av klippeenheten. Denne prosedyren er ikke beregnet som en daglig justering.
Parker maskinen på en jevn arbeidsoverflate.
Vipp maskinen bakover så den ligger og støtter seg på håndtaket for å få tilgang til motstålet og spolen.
Important: Ikke vipp maskinen i en vinkel på mer enn 25°. Når du vipper maskinen i en vinkel på mer enn 25°, fører det til oljelekkasje i forbrenningskammeret og/eller drivstofflekkasje ut av tanklokket.
Drei spolen slik at et knivblad krysser kanten på motstålet mellom det første og andre skruehodet på høyre side av klippeenheten (Figur 47).

Drei spolen slik at et knivblad krysser kanten på motstålet mellom det første og andre skruehodet på høyre side av klippeenheten.
Sett inn mellomlegget på 0,05 mm mellom den merkede knivbladet og kanten på motstålet på punktet der den merkede kniven krysser kanten på motstålet.
Juster den høyre justeringsskruen på motstangen til du kjenner et lett press på mellomlegget (dvs. motstand) ved å gli den fra side til side (Figur 47).
Fjern mellomlegget.
På venstre side av klippeenheten dreier du spolen sakte slik at det nærmeste knivbladet krysser kanten på motstålet mellom det første og andre skruehodet.
Gjenta trinn 4 til 7 for venstre side av klippeenheten og den venstre justeringsskruen på motstangen.
Gjenta trinn 5 til 7 til du får et lett drag på både høyre og venstre side av klippeenheten som bruker samme kontaktpunkter.
Du oppnår lett kontakt mellom spolen og motstålet ved å skru hver av justeringsskruene på motstangen tre klikk med klokken.
Note: Hvert klikk på justeringsskruen på motstangen flytter motstålet 0,018 mm. Rotasjon med klokken flytter kanten på motstålet nærmere spolen, og rotasjon mot klokken flytter kanten på motstålet lenger fra spolen.
Test klippeegenskapene ved å legge inn en lang remse med testpapir loddrett til motstålet mellom spolen og motstålet (Figur 48). Drei spolen sakte fremover, slik at det klipper papiret.

Note: Hvis det er for stor kontakt/spolemotstand, vil det være nødvendig å slipe fremsiden av motstålet eller klippeenheten for å få de skarpe kantene som kreves for å klippe presist.
Kontroller at bakre valse er jevn og at kontakten mellom motstålet og spolen er riktig. Vipp maskinen bakover så den hviler på håndtakene for å få tilgang til de fremre og bakre valsene samt motstålet.
Important: Ikke vipp maskinen i en vinkel på mer enn 25°. Når du vipper maskinen i en vinkel på mer enn 25°, fører det til oljelekkasje i forbrenningskammeret og/eller drivstofflekkasje ut av tanklokket.
Løsne på låsemutterne som holder klippehøydearmen festet til klippehøydebraketten (Figur 49).

Løsne mutteren på høydemåleren (Figur 50), og fest justeringsskruen i ønsket klippehøyde. Klippehøyden er avstanden mellom bunnen av skruehodet og forsiden av stangen.

Hekt skruehodet på motstålets knivegg, og la den bakre delen av stangen hvile mot den bakre delen av valsen (Figur 51).

Vri på justeringsskruen helt til valsen kommer i kontakt med fronten av målestangen.
Juster begge ender av valsen slik at hele valsen er parallell med motstålet.
Important: Når klippehøyden er riktig justert, kommer de bakre og fremre valsene i kontakt med målestangen og skruen ligger tett inntil motstålet. Dette resulterer i at klippehøyden er lik i begge ender av motstålet.
Stram mutterene for å låse justeringen.
Important: Hvis du vil unngå skalpering av kupert terreng, må du sørge for at rullestøttene er bakoverstilt (rullen bort mot spolen).
Note: Den fremre valsen kan stå i tre forskjellige stillinger (Figur 52), alt etter brukerens behov.
Bruk den første stillingen når du har påmontert trimsats.
Bruk den andre stillingen når du ikke har påmontert trimsats.
Bruk den tredje stillingen når det er svært kupert terreng.

Juster skyddet slik at det avklippede gresset havner i kurven.
Mål avstanden fra toppen av den fremre støttestangen til den fremre kanten på skyddet, i hver ende av klippeenheten (Figur 53).

Under normale klippeforhold skal avstanden mellom skyddet og støttestangen være 10 cm. Løsne boltene og mutterne som holder begge endene av vernet festet til sideplaten, og juster vernet til riktig høyde.
Stram festene.
Note: Du kan senke vernet under tørrere gressforhold (hvis gresset fyker over kurven), eller heve det under forhold med tungt gress (hvis gresset hoper seg opp bak i kurven).
Juster klippestangen slik at spoleområdet er helt fritt for gressrester.
Løsne skruene som fester den øverste stangen (Figur 54) til klippeenheten.

Sett inn et følerblad på 1,5 mm mellom toppen av spolen og stangen, og trekk til skruene.
Sørg for at stangen og spolen har lik avstand til hverandre på tvers av hele spolen.
Note: Stangen er justerbar for å kompensere for endringer i gressforholdene. Du må justere stangen nærmere spolen når gresset er veldig vått. Når gressforholdene er tørre, justerer du derimot stangen lenger bort fra spolen. Stangen må være parallell med spolen for å sikre optimal ytelse. Juster stangen når du justerer skyddhøyden eller når du sliper spolen på et slipeapparat.
For å finne ut om motstangen er standard eller aggressiv aggressive, kontroller monteringsfestene på venstre motstang. Hvis monteringsfestene er avrundet, er det en standard motstang. Hvis monteringsfestene har et hakk i seg, er det en aggressiv motstang (Figur 55).

Skru motstangens justeringsskrue mot klokken for å få motstålet bort fra spolen (Figur 56).

Skru ut fjærspenningsmutteren til skiven ikke lenger er strammet mot motstangen (Figur 56).
Løsne låsemutteren som fester motstangsbolten på begge sider av maskinen (Figur 57).

Fjern begge motstangsboltene slik at motstangen kan dras nedover og fjernes fra maskinen. La de to skivene av nylon og stanset stål på hver side av motstangen stå (Figur 57).
Når du skal montere motstangen, må du plassere monteringsfestene mellom skiven og motstangsjustereren.
Fest motstangen på hver side av sideplaten ved hjelp av motstangsboltene (låsemutterene på boltene) og åtte skiver.
Note: Plasser en nylonskive på hver side av sideplatens nav. Plasser en stålskive på utsiden av hver nylonskive.
Trekk til boltene med et moment på 27–36 N·m.
Stram låsemutrene helt til trykkskivene på utsiden så vidt roterer fritt.
Stram fjærspenningsmutteren til fjæren er presset helt sammen. Skru deretter en halv omdreining ut.
Juster motstangen. Se Justere motstålet til spolen.
Fjern pluggen på det høyre spolemotordekslet (Figur 58).

Sett inn en drivforlengelse på 13 mm, som festes til slipemaskinen, inn i det firkantede hullet i midten av spoleremskivene.
Utfør slipingen i henhold til fremgangsmåten i Toros håndbok for sliping av spole- og rotasjonsgressklippere, skjema 80-300 PT.
Kontakt med spolen eller deler som er i bevegelse, kan føre til personskader.
Hold avstand til spolen når du sliper.
Ikke bruk en pensel med kort håndtak når du sliper. Delenr. 29-9100 Håndtak, komplett eller separate deler, er tilgjengelige fra din lokale Toro-forhandler.
Note: Hvis du vil ha en skarpere knivegg, bruker du en fil på tvers av motstålets forside når du er ferdig å slipe. Dette fjerner alle rue eller skarpe kanter på klippeenheten.
Sett pluggen inn i dekslet når du er ferdig med denne prosedyren.
Før du forlater førerplassen, må du slå av motoren, ta ut nøkkelen (hvis utstyrt) og vente til alle bevegelige deler står stille. La maskinen kjøles ned før justering, service, rengjøring eller oppbevaring.
Oppbevar aldri maskinen eller bensinkannen i nærheten av åpen ild, gnister eller kontrollampe, som på en varmtvannstank eller andre apparater.
Rengjør hele maskinen utvendig, spesielt motoren, og fjern alle gressrester, smuss osv. Fjern utvendige gressrester og smuss på motorens sylindertoppribber og viftehus.
Important: Du kan vaske maskinen med skånsomt vaskemiddel og vann. Maskinen må ikke trykkvaskes. Unngå overdreven bruk av vann, spesielt nær girstangplaten og motoren.
Bland et stabiliserings-/kondisjoneringsmiddel med petroleumsbase i drivstoffet på tanken hvis maskinen skal lagres over en lengre periode (mer enn 30 dager).
Kjør motoren i fem minutter for å fordele det behandlede drivstoffet i drivstoffsystemet.
Du må enten slå av motoren, la den bli kald og tømme drivstofftanken eller kjøre motoren til den stopper.
Start motoren og kjør den til den stopper. Start motoren på nytt med choken stengt, til motoren ikke vil starte.
Koble tennpluggledningen fra tennpluggen.
Drivstoff må kasseres i henhold til lokale forskrifter. Gjenvinn i samsvar med lokale forskrifter.
Note: Ikke oppbevar drivstoff som inneholder stabiliserings-/kondisjoneringsmiddel, lenger enn anbefalt av produsenten av middelet.
Kontroller og stram alle bolter, muttere og skruer. Alle slitte eller skadde deler må repareres eller skiftes ut.
Reparer alle riper eller avskallinger i lakken. Du kan kjøpe lakk hos en autorisert Toro-distributør.
Maskinen må oppbevares rent og tørt i en garasje, eller på et lager. Legg en presenning over maskinen for å beskytte den og holde den ren.