| Intervalo de mantenimiento y servicio | Procedimiento de mantenimiento |
|---|---|
| Cada vez que se utilice o diariamente |
|
Esta máquina es un cortacésped dirigido de cuchillas de molinete, diseñado para ser usado por operadores profesionales contratados en aplicaciones comerciales. Se ha diseñado principalmente para cortar hierba en césped bien mantenido. El uso de este producto para otros propósitos que los previstos podría ser peligroso para usted y para otras personas.
Lea este manual detenidamente para aprender a utilizar y mantener correctamente su producto, y para evitar lesiones y daños al producto. Usted es el responsable de operar el producto de forma correcta y segura.
Visite www.Toro.com para buscar materiales de formación y seguridad o información sobre accesorios, para localizar un distribuidor o para registrar su producto.
Cuando necesite asistencia técnica, piezas genuinas Toro o información adicional, póngase en contacto con un distribuidor autorizado Toro y tenga a mano los números de modelo y serie de su producto. Encontrará los números de modelo y de serie en una placa situada en el bastidor trasero. Escriba los números en el espacio provisto.
Important: Con su dispositivo móvil, puede escanear el código QR (si está disponible) en la pegatina del número de serie para acceder a información sobre la garantía, las piezas y otra información sobre el producto.

Este manual identifica peligros potenciales y contiene mensajes de seguridad identificados por el símbolo de alerta de seguridad (Figura 2), que señala un peligro que puede causar lesiones graves o la muerte si usted no sigue las precauciones recomendadas.

Este manual utiliza 2 palabras para resaltar información. Importante llama la atención sobre información mecánica especial, y Nota resalta información general que merece una atención especial.
Este producto cumple todas las directivas europeas aplicables; si desea más detalles, consulte la Declaración de Conformidad (Declaration of Conformity – DOC) de cada producto.
El uso o la operación del motor en cualquier terreno forestal, de monte o cubierto de hierba a menos que el motor esté equipado con parachispas (conforme a la definición de la sección 4442) mantenido en buenas condiciones de funcionamiento, o que el motor haya sido fabricado, equipado y mantenido para la prevención de incendios, constituye una infracción de la legislación de California (California Public Resource Code Section 4442 o 4443).
El manual del propietario del motor adjunto ofrece información sobre las normas de la U.S. Environmental Protection Agency (EPA) y de la California Emission Control Regulation sobre sistemas de emisiones, mantenimiento y garantía. Pueden solicitarse recambios al fabricante del motor.
El uso de esta máquina a una altitud de 1500 m sobre el nivel del mar requiere un chiclé de gran altitud. Consulte el manual del propietario del motor Honda.
CALIFORNIA
Advertencia de la Propuesta 65
Los gases de escape de este producto contienen productos químicos que el Estado de California sabe que causan cáncer, defectos congénitos u otros peligros para la reproducción.
El uso de este producto puede provocar la exposición a sustancias químicas que el Estado de California considera causantes de cáncer, defectos congénitos u otros trastornos del sistema reproductor.
Esta máquina se ha diseñado con arreglo a lo estipulado en las normas EN ISO 5395 y ANSI B71.4-2017 y cumple dichas normas al añadir el kit de presencia del operador y las pegatinas necesarias.
Este producto es capaz de amputar manos y pies y de lanzar objetos al aire.
Lea y comprenda el contenido de este Manual del operador antes de arrancar la máquina.
Preste toda su atención al utilizar la máquina. No realice ninguna actividad que cause distracciones; de lo contrario, podrían producirse lesiones o daños materiales.
No ponga las manos o los pies cerca de los componentes móviles de la máquina.
No utilice la máquina si no están colocados y si no funcionan correctamente todos los protectores y dispositivos de seguridad.
Mantenga a otras personas, especialmente a los niños, alejadas del área de operación. Nunca permita a los niños utilizar la máquina.
Apague el motor, retire la llave (en su caso) y espere a que se detenga todo movimiento antes de abandonar el puesto del operador. Deje que se enfríe la máquina antes de hacer trabajos de ajuste, mantenimiento, limpieza o almacenamiento.
El uso o mantenimiento incorrecto de esta máquina puede
causar lesiones. Para reducir el peligro de lesiones, siga estas instrucciones
de seguridad y preste atención siempre al símbolo de
alerta de seguridad
, que significa: Cuidado, Advertencia
o Peligro–instrucción relativa a la seguridad personal.
El incumplimiento de estas instrucciones puede dar lugar a lesiones
personales o la muerte.
![]() |
Las pegatinas e instrucciones de seguridad están a la vista del operador y están ubicadas cerca de cualquier zona de peligro potencial. Sustituya cualquier pegatina que esté dañada o que falte. |











Note: Los lados derecho e izquierdo de la máquina se determinan desde la posición normal del operador.
Piezas necesarias en este paso:
| Manillar | 1 |
| Brida | 4 |
Retire los pernos (5/16"), las contratuercas, los pasadores de anilla y las chavetas que sujetan la parte inferior de los brazos del manillar a cada lado de la máquina (Figura 3).

Retire los pernos (⅜"), las arandelas y las arandelas de freno de los pasadores de montaje a cada lado de la máquina (Figura 3).
Introduzca los extremos del manillar por los taladros de los brazos del manillar y alinee los taladros con los pasadores de montaje (Figura 3).
Apriete los extremos del manillar hacia dentro e instálelos sobre los pasadores de montaje (Figura 4).

Sujete el manillar a los pasadores de montaje con los pernos (⅜"), las arandelas y las arandelas de freno que retiró anteriormente (Figura 4).
Utilice los pernos (5/16"), las contratuercas, las chavetas y los pasadores de anilla que retiró anteriormente para fijar los brazos del manillar a la parte trasera del bastidor (Figura 3).
Sujete los cables y el arnés de cables al manillar con bridas (Figura 5).

Consulte la Figura 6 para conocer el procedimiento.

Retire las chavetas de los pasadores de anilla en cada lado del cortacésped.
Sujetando el manillar, retire los pasadores de anilla de cada lado y suba o baje el manillar a la posición de operación deseada.
Instale los pasadores de anilla y las chavetas.
Piezas necesarias en este paso:
| Eje de la rueda derecha | 1 |
| Eje de la rueda izquierda | 1 |
Baje el caballete con el pie y tire del manillar hacia arriba para apoyar la máquina sobre el caballete.
Aplique adhesivo sellador de roscas a las roscas de los ejes de las ruedas.
Enrosque el eje de la rueda derecha en la polea de transmisión del lado derecho de la máquina (Figura 7).
Note: El eje de la rueda derecha tiene rosca a izquierdas.

Apriete el eje a 88–101 N·m.
Repita los pasos 2 a 4 para instalar el eje de la rueda izquierda a la izquierda de la máquina.
Piezas necesarias en este paso:
| Rueda de transporte | 2 |
Baje el caballete con el pie y tire del manillar hacia arriba para apoyar la máquina sobre el caballete.
Deslice una rueda sobre un eje.
Gire el clip de retención de la rueda alejándolo del centro de la rueda, dejando que esta entre más en el eje (Figura 8).

Mueva la rueda hacia ambos lados hasta que entre completamente en el eje y la pletina de retención quede enganchada en la ranura del eje.
Repita el procedimiento en el otro lado de la máquina.
Infle todos los neumáticos a 0,83 a 1,03 bar.
Baje la máquina cuidadosamente del caballete.
Antes de usar la máquina, realice los ajustes siguientes:
Piezas necesarias en este paso:
| Kit de presencia del operador (se pide por separado; póngase en contacto con su distribuidor Toro autorizado) | 1 |
Para cumplir las normas EN ISO 5395 y ANSI B71.4-2017, instale el kit de presencia del operador (modelo n.º 112-9282); consulte las Instrucciones de instalación del kit.
Póngase en contacto con su distribuidor Toro autorizado para adquirir este kit.
Piezas necesarias en este paso:
| Pegatina del año de producción | 1 |
| Pegatina de la marca CE | 1 |
Si utiliza esta máquina en un país que se rija por las normas CE, coloque la pegatina del año de producción y la pegatina de la marca CE junto a la placa del número de serie; consulte la Figura 9.

Piezas necesarias en este paso:
| Recogedor | 1 |
Agarre el recogedor por el borde superior y deslícelo sobre las varillas de montaje (Figura 10).

Solo se necesitan 8 horas de siega para completar el periodo de rodaje.
Las primeras horas de funcionamiento son fundamentales para la fiabilidad futura de la máquina. Debe vigilar de cerca su rendimiento y sus funciones para poder observar y corregir pequeñas dificultades que podrían convertirse en problemas importantes. Durante las primeras horas de funcionamiento, inspeccione la máquina con frecuencia y busque señales de fugas de aceite, cierres sueltos o cualquier otra señal de funcionamiento incorrecto.
Consulte el Manual del propietario del motor si desea obtener información sobre los procedimientos de cambio de aceite y mantenimiento recomendados.


La palanca de transmisión de tracción (Figura 12) está situada en el lado derecho delantero del panel de control. Tiene dos posiciones: PUNTO MUERTO y HACIA ADELANTE. Al empujar la palanca hacia adelante, se engrana la tracción.
El control del acelerador (Figura 12) se encuentra en la parte derecha trasera del panel de control. La palanca está conectada a, y acciona, el acoplamiento del acelerador del carburador. Consulte la velocidad del motor en Especificaciones.
El interruptor de encendido (Figura 12) está situado encima del panel de control. Ponga el interruptor en la posición de CONECTADO para arrancar el motor y en la posición de DESCONECTADO para parar el motor.
El freno de servicio (Figura 13) se encuentra en la parte superior izquierda delantera del panel de control. Puede utilizar los frenos para ralentizar o detener la máquina.

El freno de estacionamiento (Figura 14) está situado en la base del freno de servicio. Presione a fondo el freno de servicio y empuje el pomo del freno de estacionamiento para que el freno de servicio descanse sobre el pasador del freno de estacionamiento. Presione el freno de servicio para quitar el freno de estacionamiento. Debe quitar el freno antes de engranar la transmisión de tracción.

Si está instalado, el control de presencia del operador (Figura 12) está situado en la parte trasera del manillar. Empuje el control de presencia del operador contra el manillar. Debe activar el control de presencia del operador antes de engranar la palanca de transmisión de la tracción. Si suelta el control de presencia del operador, el motor se apaga.
La palanca de transmisión del molinete (Figura 15) está situada en la esquina delantera derecha de la máquina. La palanca tiene 2 posiciones:
ENGRANADO – mueva la palanca hacia delante para engranar el molinete.
DESENGRANADO – mueva la palanca hacia atrás para desengranar el molinete.

La palanca del estárter (Figura 16) está situada en el lado izquierdo delantero del motor. Utilice la palanca para ayudar a arrancar un motor en frío; consulte Uso de la palanca del estárter.

La válvula de cierre de combustible se encuentra en el lateral del motor, debajo del control del estárter (Figura 16).
Note: Cierre la válvula de cierre del combustible cuando la máquina no se utilice durante unos días, durante el transporte hacia y desde el lugar de trabajo, o bien cuando la máquina esté apagada dentro de un edificio; consulte Apertura y cierre de la válvula de cierre del combustible.
Tire del arrancador (Figura 16) para arrancar el motor.
| Especificaciones del modelo | Modelo 04055 |
| Anchura | 91 cm |
| Altura | 114 cm |
| Longitud con recogedor | 122 cm |
| Peso seco (con recogedor y rodillo seccionado, sin ruedas ni molinete groomer) | 98 kg |
| Anchura de corte | 53 cm |
| Altura de corte | 1,6 mm a 31,8 mm |
| Velocidad de corte | 4,3 mm |
| Velocidad del motor | Ralentí bajo: 1800 hasta 2000 rpm, Ralentí alto: 3350 hasta 3550 rpm |
Está disponible una selección de aperos y accesorios homologados por Toro que se pueden utilizar con la máquina a fin de potenciar y aumentar sus prestaciones. Póngase en contacto con su Servicio Técnico Autorizado o con su distribuidor autorizado Toro, o visite www.Toro.com para obtener una lista de todos los aperos y accesorios homologados.
Para asegurar un rendimiento óptimo y mantener la certificación de seguridad de la máquina, utilice solamente piezas y accesorios genuinos Toro. Las piezas de repuesto y accesorios de otros fabricantes podrían ser peligrosos, y su uso podría invalidar la garantía del producto.
Note: Los lados derecho e izquierdo de la máquina se determinan desde la posición normal del operador.
No deje nunca que la máquina la utilicen o mantengan niños o personas que no hayan recibido la formación adecuada al respecto. La normativa local puede imponer límites sobre la edad del operador. El propietario es responsable de proporcionar formación a todos los operarios y mecánicos.
Familiarícese con la operación segura del equipo, los controles del operador y las señales de seguridad.
Apague el motor, retire la llave (en su caso) y espere a que se detenga todo movimiento antes de abandonar el puesto del operador. Deje que se enfríe la máquina antes de hacer trabajos de ajuste, mantenimiento, limpieza o almacenamiento.
Sepa cómo detener la máquina y apagar la máquina rápidamente.
Compruebe que los controles de presencia del operador, los interruptores de seguridad y los dispositivos de protección de seguridad están colocados y que funcionan correctamente. No utilice la máquina si no funcionan correctamente.
Inspeccione la zona en la que va a utilizar la máquina y retire cualquier objeto que pudiera ser arrojado por la máquina.
Extreme las precauciones al manejar combustible. Es inflamable y sus vapores son explosivos..
Apague cualquier cigarrillo, cigarro, pipa u otra fuente de ignición.
Utilice solamente un recipiente de combustible homologado.
No retire el tapón de combustible ni añada combustible al depósito si el motor está caliente o en marcha.
No añada ni drene combustible en un lugar cerrado.
No guarde la máquina o un recipiente de combustible en un lugar donde pudiera haber una llama desnuda, chispas o una llama piloto, por ejemplo en un calentador de agua u otro electrodoméstico.
Si se derrama combustible, no intente arrancar el motor; evite crear fuentes de ignición hasta que los vapores del combustible se hayan disipado.
No llene los recipientes dentro de un vehículo o sobre la plataforma de un camión o remolque con forro de plástico. Coloque los recipientes siempre en el suelo, lejos del vehículo, antes de llenarlos.
Retire el equipo del camión o del remolque y repóstelo en el suelo. Si esto no es posible, reposte el equipo usando un recipiente portátil, en vez de usar un surtidor o boquilla dosificadora de combustible.
Mantenga la boquilla en contacto con el borde del depósito de combustible o del recipiente operando en todo momento hasta que termine de repostar.
Lleve a cabo los procedimientos de mantenimiento diarios; consulte Lista de comprobación – mantenimiento diario.
Compruebe el nivel de aceite del motor antes de cada uso o cada 8 horas de operación; consulte Comprobación del nivel de aceite del motor.
Capacidad del depósito de combustible: 2,0 litros
Combustible recomendado: gasolina sin plomo con un octanaje de 87 o más (método (R + M)/2)
Etanol: Es aceptable el uso de gasolina con hasta el 10% de etanol (gasohol) o el 15% de MTBE (éter metil tert-butílico) por volumen. El etanol y el MTBE no son lo mismo. No está autorizado el uso de gasolina con el 15% de etanol (E15) por volumen.
No utilice nunca gasolina que contenga más del 10% de etanol por volumen, como por ejemplo la E15 (contiene el 15% de etanol), la E20 (contiene el 20% de etanol) o la E85 (contiene hasta el 85% de etanol).
No utilice gasolina que contenga metanol.
No guarde combustible en el depósito de combustible o en recipientes de combustible durante el invierno a menos que haya añadido un estabilizador.
No añada aceite a la gasolina.
Para obtener los mejores resultados, utilice solamente combustible limpio y fresco (comprado hace menos de 30 días ).
El uso de gasolina no autorizada puede causar problemas de rendimiento o daños en el motor que pueden no estar cubiertos bajo la garantía.
En ciertas condiciones, el combustible es extremadamente inflamable y altamente explosivo. Un incendio o una explosión provocados por el combustible puede causarle quemaduras a usted y a otras personas así como daños materiales.
Llene el depósito de combustible en el exterior, en una zona abierta y con el motor frío. Limpie cualquier combustible derramado.
No llene nunca el depósito de combustible dentro de un remolque cerrado.
No llene completamente el depósito de combustible. Añada combustible al depósito de combustible hasta que el nivel esté entre 6 y 13 mm por debajo de la parte inferior del cuello de llenado. Este espacio vacío en el depósito permitirá la dilatación del combustible.
No fume nunca mientras maneja el combustible y aléjese de llamas desnudas o lugares donde los vapores del combustible puedan incendiarse con una chispa.
Almacene el combustible en un recipiente homologado y manténgalo fuera del alcance de los niños. No compre nunca combustible para más de 30 días de consumo normal.
No utilice la máquina a menos que esté instalado un sistema completo de escape en buenas condiciones de funcionamiento.
En determinadas condiciones durante el repostaje, puede tener lugar una descarga de electricidad estática, produciendo una chispa que puede prender los vapores del combustible. Un incendio o una explosión provocados por el combustible puede causarle quemaduras a usted y a otras personas así como daños materiales.
Coloque siempre los recipientes de combustible en el suelo, lejos del vehículo que está repostando.
No llene los recipientes de combustible dentro de un vehículo, camión o remolque, ya que las alfombras o los revestimientos de plástico del interior de los remolques podrían aislar el recipiente y retrasar la pérdida de la carga estática.
Cuando sea factible, retire el equipo del camión o del remolque y repóstelo en el suelo. Si esto no es posible, reposte el equipo usando un recipiente portátil, en vez de usar un surtidor o una boquilla dosificadora de combustible.
Si es imprescindible usar la boquilla de un surtidor, mantenga la boquilla en contacto con el borde del depósito de combustible o la abertura del recipiente en todo momento hasta que termine de repostar.
El combustible es dañino o mortal si es ingerido. La exposición a largo plazo a los vapores puede causar lesiones y enfermedades graves.
Evite la respiración prolongada de los vapores.
Mantenga la cara alejada de la boquilla y de la abertura del depósito de combustible o de la botella del acondicionador.
Evite el contacto con la piel; lave el producto derramado con agua y jabón.
Limpie la zona alrededor del tapón del depósito de combustible y retire el tapón del depósito (Figura 17). Llene el depósito de combustible hasta la parte inferior de la abertura del cuello de llenado.
Important: No llene el depósito con demasiado combustible.

Coloque el tapón del depósito de combustible y limpie el combustible que se haya derramado.
Utilice las tablas siguientes para adaptar la máquina a las condiciones del césped.
| Número de pieza | Descripción | Agresividad | Comentarios |
| 112-9281-01 | De serie | Menos | De serie Greensmaster 1000 |
| 112-9279-03 | Agresiva | Más |
| Número de pieza | Descripción | Intervalo de alturas de corte | Comentarios |
| 93-4262 | Microcorte | 1,57–3,1 mm | |
| 115-1880 | EdgeMax Microcut | 1,57–3,1 mm | Greensmaster 1000 de serie |
| 93-4263 | Competición | 3,1–6,0 mm | |
| 115-1881 | Competición Edgemax | 3,1–6,0 mm | Mayor duración |
| 93-4264 | Corte bajo | 6 mm y más | |
| 108-4303 | Microcorte extendido | 1,57–3,1 mm | Menos agresiva |
| Número de pieza | Descripción | Diámetro/Material | Comentarios |
| 99-6241 | Seccionado estrecho | 50,8 mm Aluminio | De serie, espaciado de 0,5 cm |
| 88-6790 | Seccionado ancho | 50,8 mm Aluminio | Mayor penetración; espaciado de 1,1 cm |
| 104-2642 | Rodillo macizo | 50,8 mm Acero | La menor penetración |
| 71-1550 | Rodillo seccionado | 50,8 mm Hierro de fundición | Mayor penetración; espaciado de 1,1 cm |
| 93-9045 | Rodillo seccionado | 63,5 mm Aluminio | 61cm de ancho, mayor apoyo en los extremos |
| 52-3590 | Rodillo conformado | 63,5 mm Aluminio |
| Modelo | De serie | Kit de frecuencia de corte 65–9000 | Kit de tracción 115–1886 | Kits de frecuencia de corte y tracción | ||||||||
| Molinete estándar | Molinete opcional | Molinete estándar | Molinete opcional | Molinete estándar | Molinete opcional | Molinete estándar | Molinete opcional | |||||
| 04810 | 11 cuchillas4,1 mm | 14 cuchillas3,3 mm | 8 cuchillas5,8 mm | 11 cuchillas6,4 mm | 14 cuchillas4,8 mm | 8 cuchillas8,6 mm | 11 cuchillas3,8 mm | 14 cuchillas3,0 mm | 8 cuchillas5,1 mm | 11 cuchillas5,6 mm | 14 cuchillas4,3 mm | 8 cuchillas7,6 mm |
| Velocidad sobre el terreno | 5,39 km/h | 4,80 km/h | ||||||||||
| Intervalo de mantenimiento y servicio | Procedimiento de mantenimiento |
|---|---|
| Cada vez que se utilice o diariamente |
|
Si los interruptores de seguridad son desconectados o están dañados, la máquina podría ponerse en marcha inesperadamente, causando lesiones personales.
No manipule los interruptores de seguridad.
Compruebe la operación de los interruptores de seguridad cada día, y sustituya cualquier interruptor dañado antes de operar la máquina.
Baje el caballete con el pie y tire del manillar hacia arriba y hacia atrás para levantar las ruedas del suelo.
Ponga la palanca de tracción en la posición de ENGRANADO y los controles del motor en posición de arranque.
Intente arrancar el motor.
El motor no debe arrancar. Si el motor arranca, es necesario ajustar el interruptor de seguridad. Corrija el problema antes de usar la máquina. Consulte Mantenimiento del interruptor de seguridad de la tracción
Levante con cuidado el manillar para liberar el soporte de pie.
Utilice las ruedas de transporte para trasladar la máquina una distancia corta.
Instale las ruedas de transporte; consulte Instalación de las ruedas de transporte
Asegúrese de que los controles de tracción y de transmisión del molinete se encuentran en la posición de PUNTO MUERTO.
Arranque el motor; consulte Arranque del motor
Ponga el control del acelerador en LENTO, levante la parte delantera de la máquina, engrane poco a poco la tracción y aumente lentamente la velocidad del motor.
Ajuste el acelerador para conseguir la velocidad deseada sobre el terreno y lleve la máquina al lugar deseado.
Utilice un remolque para trasladar la máquina una distancia considerable. Extreme la precaución al cargar y descargar la máquina en el remolque.
Conduzca con cuidado la máquina sobre el remolque.
Apague el motor, accione el freno de estacionamiento y gire la válvula de combustible a la posición de DESCONECTADO.
Utilice una rampa de ancho completo para cargar la máquina en un remolque o un camión.
Sujete con firmeza la máquina al remolque.
Note: Puede utilizar el remolque Toro Trans Pro para transportar la máquina. Para obtener instrucciones sobre la carga del remolque, consulte el Manual del operador del remolque.
Important: No ponga en marcha el motor de la máquina mientras la transporta en un remolque, porque podría sufrir daños.
Ponga la palanca de control de tracción en la posición de PUNTO MUERTO, el acelerador en LENTO y pare el motor.
Baje el caballete con el pie, y tire hacia arriba del manillar hasta que el caballete haya girado hacia delante, pasando el centro del arco.
Retire las ruedas de transporte empujando los clips de retención de las ruedas para sacarlos de las ranuras del eje hexagonal.
Baje con cuidado la máquina del caballete, empujándola lentamente hacia delante o elevando el soporte de manillar inferior, para que el caballete vuelva a su posición de ALMACENAMIENTO.
Utilice la palanca del estárter como ayuda para poner en marcha un motor frío. Ponga la palanca en la posición de ESTáRTER para arrancar el motor en frío. Después de que el motor arranque, mueva el control del estárter a la posición de MARCHA.

Controle el flujo del combustible al motor con la válvula de cierre del combustible del siguiente modo:
El propietario/operador puede prevenir, y es responsable de, cualquier accidente que pueda causar lesiones personales o daños materiales.
Lleve ropa adecuada, incluida protección ocular, pantalón largo, calzado resistente y antideslizante y protección auditiva. Si tiene el pelo largo, recójaselo, y no lleve prendas o joyas sueltas.
No utilice la máquina si está enfermo, cansado, o bajo la influencia de alcohol o drogas.
Preste toda su atención al utilizar la máquina. No realice ninguna actividad que cause distracciones; de lo contrario, podrían producirse lesiones o daños materiales.
Antes de arrancar la máquina, asegúrese de que todas las transmisiones están en punto muerto, que el freno de estacionamiento está puesto y que usted se encuentra en la posición de operación.
Mantenga a otras personas, especialmente a los niños, alejadas del área de operación. Si es necesario que estén presentes otros trabajadores, tenga cuidado y asegúrese de que el recogedor está instalado en la máquina.
Utilice la máquina únicamente con buena visibilidad para evitar agujeros y peligros ocultos.
No use la máquina si hay riesgo de rayos.
Evite segar el césped mojado. Si no pisa firme, puede resbalar y caerse.
Mantenga las manos y los pies alejados de la unidad de corte.
Mire hacia atrás y hacia abajo antes de poner marcha atrás para asegurarse de que el camino está despejado.
Tenga cuidado al acercarse a esquinas ciegas, arbustos, árboles u otros objetos que puedan dificultar la visión.
Pare la unidad de corte si no está segando.
Desengrane la transmisión de la unidad de corte y apague el motor antes de ajustar la altura de corte.
No haga funcionar nunca un motor en un lugar cerrado donde no puedan liberarse los gases de escape.
No deje nunca desatendida la máquina si está en marcha.
Antes de abandonar el puesto del operador, haga lo siguiente::
Aparque la máquina en una superficie nivelada.
Desengrane la unidad de corte.
Ponga el freno de estacionamiento.
Apague la máquina y retire la llave (en su caso).
Espere a que se detenga todo movimiento.
Apague la máquina antes de vaciar el recogedor.
No toque el motor, el silenciador o el tubo de escape mientras el motor está funcionando o poco después de que se pare, porque estas zonas podrían estar lo suficientemente calientes como para causar quemaduras.
Apague la máquina y desengrane la transmisión de la unidad de corte en las situaciones siguientes:
Antes del repostaje
Antes de limpiar atascos
Antes de retirar el recogedor
Antes de comprobar, limpiar o realizar tareas de mantenimiento en la unidad de corte
Después de golpear un objeto extraño o si se produce una vibración anormal. Inspeccione la unidad de corte y repare cualquier daño antes de arrancar y utilizar la máquina
Antes de abandonar la posición del operador
Utilice solamente accesorios y aperos homologados por The Toro® Company.
Las pendientes son una de las principales causas de accidentes por pérdida de control y vuelcos y pueden provocar lesiones graves o la muerte. Usted es responsable de la seguridad cuando trabaja en pendientes. La conducción de la máquina en pendientes requiere extremar la precaución. Antes de usar la máquina en una pendiente, haga lo siguiente:
Revisar y comprender las instrucciones sobre el uso en pendientes incluidas en este manual y en la máquina.
Evaluar las condiciones del lugar y del día para determinar si la pendiente es segura para conducir la máquina. Aplicar siempre el sentido común y un buen criterio a la hora de realizar esta valoración. Los cambios en el terreno, como la humedad, pueden afectar rápidamente al funcionamiento de la máquina en pendientes.
En pendientes, trabaje de lado a lado, no de arriba a bajo o viceversa. Evite utilizar la máquina sobre pendientes excesivamente pronunciadas o mojadas. Si no pisa firme, puede resbalar y caerse.
Identifique los peligros situados en la base de la pendiente. No utilice la máquina cerca de desniveles, fosas, taludes, agua, u otros peligros. La máquina podría volcar repentinamente si una rueda pasa por un borde o si el borde se desploma. Mantenga una distancia de seguridad entre la máquina y cualquier peligro. Utilice una herramienta manual para trabajar en estas zonas.
Evite arrancar, parar o girar la máquina en pendientes. Evite realizar cambios bruscos de velocidad o de dirección y realice giros de forma lenta y gradual.
No utilice la máquina en condiciones en las que no esté asegurada la tracción, la dirección o la estabilidad. Tenga en cuenta que el uso de la máquina en hierba húmeda, a través de pendientes o en pendientes descendentes puede hacer que la máquina pierda tracción. La pérdida de tracción de las ruedas motrices puede hacer que la máquina patine, así como sufrir pérdida de frenado o de dirección. La máquina puede deslizarse aunque las ruedas motrices se detengan.
Retire o señale cualquier obstáculo, como zanjas, baches, surcos, montículos, rocas u otros peligros ocultos. La hierba alta puede ocultar obstáculos. Un terreno irregular podría hacer volcar la máquina.
Si pierde el control de la máquina, desvíese de la dirección de avance de la máquina.
Mantenga siempre una marcha engranada al bajar por una pendiente. No baje pendientes en punto muerto (aplicable únicamente a unidades con transmisión de engranajes).
Note: Si desea ver ilustraciones y descripciones de los controles mencionados en esta sección, consulte Controles.
Note: Asegúrese de que el cable de la bujía está conectado a la bujía.
Asegúrese de que las palancas de transmisión de la tracción y del molinete están en la posición de DESENGRANADO.
Note: El motor no arrancará si la palanca de tracción está en posición de ENGRANADO.
Compruebe que la válvula de cierre de combustible está abierta.
Ponga el interruptor de encendido/apagado en la posición de ENCENDIDO.
Mueva el control del acelerador a la posición de RáPIDO.
Ponga la palanca del estárter en una posición intermedia entre ESTáRTER y MARCHA al arrancar un motor en frío.
Note: Es posible que no sea necesario usar el estárter si el motor está caliente.
Tire del mando del arrancador de retroceso hasta notar resistencia, luego tire vigorosamente para arrancar el motor.
Important: No tire de la cuerda hasta su límite y no suelte el tirador cuando la cuerda está extendida, porque podría romperse la cuerda o dañarse el mecanismo de retroceso.
A medida que el motor se calienta, mueva la palanca del estárter a la posición de MARCHA.
Mueva los controles de tracción y de transmisión del molinete a la posición de DESENGRANADO.
Mueva el control del acelerador a la posición de LENTO.
Ponga el interruptor de encendido en posición de APAGADO.
Cierre la válvula de cierre de combustible antes de almacenar o transportar la máquina
Important: Los recortes de hierba actúan como lubricante durante la siega. Una operación excesiva de la unidad de corte sin recortes de hierba puede dañar la unidad de corte.
Siegue los greens en línea recta, hacia adelante y hacía atrás, cruzando todo el green.
Evite segar en círculos o girar el cortacésped en los greens para no dañar el césped.
Gire la máquina fuera del green, elevando el molinete (empujando el manillar hacia abajo) y girando sobre el tambor de tracción.
Siegue a un paso normal. Una velocidad mayor ahorra poco tiempo y el resultado será un corte de calidad inferior.
Para ayudarse a segar en línea recta a través del green, y para mantener la misma distancia del borde de la pasada anterior, utilice las rayas de alineación del recogedor (Figura 20).

Utilice el kit de luces LED al utilizar la máquina en condiciones de luz escasa; póngase en contacto con su distribuidor Toro autorizado.
Important: No utilice otros sistemas de alumbrado con esta máquina porque no funcionarán correctamente con la potencia de salida de CA del motor.
El uso correcto de la máquina proporciona un corte óptimo del césped. La sección Consejos de uso ofrece sugerencias básicas que le permitirán obtener el máximo rendimiento de su máquina.
Important: Una operación excesiva de la unidad de corte en ausencia de recortes de hierba (lubricante) puede dañar la unidad de corte.
Arranque el motor, ponga el acelerador en Lento, empuje el manillar hacia abajo para elevar la unidad de corte, ponga la palanca de tracción en la posición de ENGRANADO y lleve la máquina al borde del green.
Mueva la palanca de tracción a la posición de DESENGRANADO y mueva la palanca de transmisión al molinete a la posición de ENGRANADO.
Mueva la palanca de tracción a la posición de ENGRANADO, aumente la velocidad con el acelerador hasta que la máquina se desplace a la velocidad deseada, lleve la máquina al green, baje la parte delantera de la máquina y empiece a segar.
Cuando termine de segar, salga del green, ponga las palancas de control de tracción a la posición de DESENGRANADO, pare el motor y mueva la palanca de transmisión al molinete a la posición de DESENGRANADO.
Vacíe los recortes del recogedor, instale el recogedor y empiece la operación de transporte.
Salga del green, ponga las palancas de transmisión de la tracción y del molinete en DESENGRANADO y pare el motor.
Vacíe los recortes del recogedor, instale el recogedor en el cortacésped y lleve la máquina al lugar de almacenamiento.
Apague el motor, retire la llave (en su caso) y espere a que se detenga todo movimiento antes de abandonar el puesto del operador. Deje que se enfríe la máquina antes de hacer trabajos de ajuste, mantenimiento, limpieza o almacenamiento.
Limpie los recortes de hierba y los residuos de la máquina para ayudar a prevenir incendios. Limpie cualquier aceite o combustible derramado.
Espere a que se enfríe la máquina antes de guardarla en un recinto cerrado.
No guarde la máquina o un recipiente de combustible en un lugar donde pudiera haber una llama desnuda, chispas o una llama piloto, por ejemplo en un calentador de agua u otros electrodomésticos.
Reduzca la aceleración antes de parar el motor y cierre la válvula de cierre de combustible (en su caso) después de segar.
Tras la siega, aleje la máquina del lugar de trabajo; consulte Transporte de la máquina mediante ruedas de transporte o Transporte de la máquina mediante un remolque.
Si no se mantiene debidamente la máquina, los sistemas de la máquina podrían fallar de forma prematura, con lo que podría sufrir lesiones usted o causarlas a otras personas.
Mantenga la máquina en condiciones de funcionamiento óptimas, tal y como se indica en estas instrucciones.
Note: Los lados derecho e izquierdo de la máquina se determinan desde la posición normal del operador.
Important: No incline la máquina más de 25°. Al inclinar la máquina más de 25° el aceite se introduce en la cámara de combustión y/o el combustible sale por el tapón del depósito de combustible.
Important: El manual del operador del motor contiene procedimientos adicionales de mantenimiento que debe consultar.
Antes de abandonar el puesto del operador, haga lo siguiente:
Aparque la máquina en una superficie nivelada.
Mueva el acelerador a la posición de ralentí bajo.
Desengrane la(s) unidad(es) de corte.
Asegúrese de que la tracción está en punto muerto.
Ponga el freno de estacionamiento.
Apague la máquina y retire la llave (en su caso).
Espere a que se detenga todo movimiento.
Deje que los componentes de la máquina se enfríen antes de realizar el mantenimiento.
Si es posible, no realice tareas de mantenimiento con la máquina en marcha. Manténgase alejado de las piezas en movimiento.
Si el motor debe estar en marcha para realizar un ajuste, mantenga las manos, los pies, la ropa y otras partes del cuerpo alejados de la unidad de corte, los accesorios y otras piezas en movimiento. Mantenga a otras personas alejadas de la máquina.
Limpie los recortes de césped y los residuos de la unidad de corte, la transmisión, el silenciador, la rejilla de refrigeración y el motor para prevenir incendios. Limpie cualquier aceite o combustible derramado.
Mantenga todas las piezas en buenas condiciones de funcionamiento. Sustituya todas las piezas y pegatinas desgastadas, deterioradas o que falten. Mantenga apretadas todas las fijaciones para asegurarse de que la máquina está en condiciones seguras de funcionamiento.
Compruebe con frecuencia los componentes del recogedor y sustitúyalos cuando sea necesario.
Para asegurar un rendimiento óptimo y seguro de la máquina, utilice solamente piezas genuinas Toro. Las piezas de repuesto de otros fabricantes podrían ser peligrosas y su uso podría invalidar la garantía del producto.
Si alguna vez es necesario efectuar reparaciones importantes, o si usted necesita ayuda, póngase en contacto con un distribuidor autorizado Toro.
| Intervalo de mantenimiento y servicio | Procedimiento de mantenimiento |
|---|---|
| Después de las primeras 20 horas |
|
| Cada vez que se utilice o diariamente |
|
| Cada 25 horas |
|
| Cada 50 horas |
|
| Cada 100 horas |
|
| Cada 300 horas |
|
| Cada 1000 horas |
|
Important: Duplique esta página para su uso rutinario.
| Elemento a comprobar | Para la semana de: | ||||||
|---|---|---|---|---|---|---|---|
| Lun | Mar | Miér | Jue | Vie | Sáb | Dom | |
| Compruebe el funcionamiento de los interruptores de seguridad. | |||||||
| Compruebe el funcionamiento del freno de estacionamiento. | |||||||
| Compruebe el nivel de combustible. | |||||||
| Compruebe el nivel de aceite del motor. | |||||||
| Compruebe el filtro de aire. | |||||||
| Limpie las aletas de refrigeración del motor. | |||||||
| Compruebe que no hay ruidos extraños en el motor. | |||||||
| Compruebe que no hay ruidos extraños de operación. | |||||||
| Compruebe el ajuste molinete-contracuchilla. | |||||||
| Compruebe el ajuste de altura de corte. | |||||||
| Lubrique todos los puntos de engrase. | |||||||
| Retoque la pintura dañada. | |||||||
| Inspección realizada por: | ||
| Elemento | Fecha | Información |
Mientras realiza operaciones de mantenimiento o ajuste de la máquina, alguien podía arrancar el motor. Un arranque accidental del motor podría causar graves lesiones a usted o a otra persona.
Apague el motor, ponga el freno de estacionamiento y desconecte los cables de las bujías antes de realizar cualquier operación de mantenimiento. Además, aparte los cables para evitar su contacto accidental con las bujías.
Realice lo siguiente antes de realizar tareas de mantenimiento, limpieza o ajustes en la máquina.
Aparque la máquina en una superficie nivelada.
Apague el motor y retire la llave de la máquina (si dispone de ella).
Ponga el freno de estacionamiento.
Espere a que se detengan todas las piezas en movimiento y deje que la máquina se enfríe antes de ajustarla, almacenarla o repararla.
Desconecte el cable de la bujía (Figura 21).

| Intervalo de mantenimiento y servicio | Procedimiento de mantenimiento |
|---|---|
| Cada 25 horas |
|
Lubrique los 12 puntos de engrase del cortacésped con grasa de litio n.º 2. Para obtener los mejores resultados, utilice una pistola de engrasar manual.
Los puntos de engrase son:
2 en el rodillo delantero (Figura 22)
2 en los cojinetes del molinete (Figura 22)
2 en los ejes del tambor (Figura 23)
3 en el diferencial (Figura 23)
2 en los cojinetes del contraeje del molinete (Figura 24)
1 en los puntos de pivote de la polea tensora de la correa (Figura 25).
Limpie con un trapo limpio cada punto de engrase.
Bombee grasa en cada engrasador.
Important: No aplique demasiada presión o se dañarán los retenes de forma permanente.
Limpie cualquier exceso de grasa.




No cambie la velocidad del regulador ni haga funcionar el motor a una velocidad excesiva.
Deje funcionar el motor hasta que no quede combustible, o retire la gasolina con una bomba de mano; nunca utilice un sifón. Si es necesario drenar el depósito de combustible, hágalo al aire libre.
Llene el cárter con aproximadamente 0,56 litros de aceite de la viscosidad correcta antes de arrancar el motor. El motor utiliza cualquier aceite de alta calidad que tenga la clasificación de servicio SJ o superior del American Petroleum Institute (API). Seleccionar la viscosidad adecuada del aceite según la temperatura ambiente. Figura 26 ilustra las recomendaciones de temperatura/viscosidad.

Note: El uso de un aceites multigrado (5W-20, 10W-30 y 10W-40) aumenta el consumo de aceite. Compruebe el nivel de aceite del motor con más frecuencia si utiliza estos aceites.
| Intervalo de mantenimiento y servicio | Procedimiento de mantenimiento |
|---|---|
| Cada vez que se utilice o diariamente |
|
El mejor momento para comprobar el nivel de aceite del motor es cuando el motor está frío o antes de arrancarlo al principio de la jornada. Si el motor ya se ha arrancado, deje que el aceite se drene al cárter durante al menos 10 minutos antes de comprobar el nivel de aceite del motor.
Pare el motor y espere a que se detengan todas las piezas en movimiento; consulte Preparación de la máquina para el mantenimiento.
Coloque la máquina con el motor nivelado y limpie la zona alrededor del tubo de llenado de aceite (Figura 27).

Retire la varilla girándola en el sentido antihorario.
Retire la varilla y limpie el extremo.
Inserte la varilla totalmente en el tubo de llenado de aceite, pero no la enrosque.
Retire la varilla y compruebe el nivel de aceite del motor (Figura 28).

Si el nivel del aceite del motor es incorrecto, añada o vacíe aceite para corregir el nivel; consulte Cambio del aceite del motor.
| Intervalo de mantenimiento y servicio | Procedimiento de mantenimiento |
|---|---|
| Después de las primeras 20 horas |
|
| Cada 100 horas |
|
El aceite puede estar caliente cuando el motor ha estado funcionando, y el contacto con aceite caliente puede causar lesiones personales graves.
Evite tocar el aceite caliente al drenarlo.
Pare el motor y espere a que se detengan todas las piezas en movimiento; consulte Preparación de la máquina para el mantenimiento.
Coloque un recipiente debajo del tapón de vaciado para recoger el aceite.
Retire el tapón de vaciado, la arandela y la varilla (Figura 27).
Coloque el motor de manera que el aceite se drene del motor.
Cuando el aceite se haya drenado por completo, ponga el motor en una posición nivelada e instale el tapón de vaciado y una arandela nueva.
Note: Elimine el aceite usado en un centro de reciclaje homologado.
Vierta aceite lentamente por el orificio de llenado de aceite hasta que llegue al nivel correcto.
Asegúrese de que el aceite se encuentra en el nivel correcto en la varilla; consulte Comprobación del nivel de aceite del motor.
Enrosque la varilla en el orificio de llenado de aceite.
Limpie cualquier aceite derramado.
Conecte el cable de la bujía.
| Intervalo de mantenimiento y servicio | Procedimiento de mantenimiento |
|---|---|
| Cada vez que se utilice o diariamente |
|
| Cada 50 horas |
|
| Cada 300 horas |
|
Important: No haga funcionar el motor sin el conjunto de filtro de aire, porque se producirán graves daños al motor.
Pare el motor y espere a que se detengan todas las piezas en movimiento; consulte Preparación de la máquina para el mantenimiento.
Retire la tuerca de orejeta que fija la cubierta del limpiador de aire (Figura 29).
Retire la cubierta del limpiador de aire.
Note: Asegúrese de que no caen en la base suciedad ni residuos de la cubierta del limpiador de aire.
Separe cuidadosamente de la base los elementos de gomaespuma y de papel.
Separe el elemento de gomaespuma del elemento de papel.
Inspeccione los elementos de gomaespuma y de papel y cámbielos si están dañados o excesivamente sucios.

Limpie el elemento de papel golpeándolo suavemente para retirar la suciedad.
Note: No intente eliminar la suciedad del elemento de papel con un cepillo, puesto que esto introduce suciedad en las fibras. Sustituya el elemento si no se elimina la suciedad golpeándolo suavemente.
Lave el elemento de gomaespuma con agua templada jabonosa o en un disolvente no inflamable.
Note: No utilice gasolina para limpiar el elemento de gomaespuma porque podría provocar un incendio o una explosión.
Enjuague el elemento de gomaespuma y séquelo bien.
Pase un paño húmedo para eliminar la suciedad de la base y la tapa.
Note: Asegúrese de que no se introduce suciedad ni residuos en el conducto de aire que va hasta el carburador.
Instale los elementos del limpiador de aire y asegúrese de que están orientados correctamente. Instale la tuerca de orejeta inferior.
Instale la cubierta e instale la tuerca de orejeta superior para fijarla.
| Intervalo de mantenimiento y servicio | Procedimiento de mantenimiento |
|---|---|
| Cada 100 horas |
|
| Cada 300 horas |
|
Utilice una bujía NGK BPR6ES o equivalente.
Pare el motor y espere a que se detengan todas las piezas en movimiento; consulte Preparación de la máquina para el mantenimiento.
Limpie alrededor de la bujía.
Retire la bujía de la culata.
Important: Si la bujía está agrietada o sucia, cámbiela. No debe limpiar los electrodos con chorro de arena, rascarlos ni limpiarlos de otra manera, porque podrían entrar restos en el cilindro, dañando el motor.
Ajuste el espacio entre los electrodos a entre 0,7 y 0,8 mm

Instale la bujía con cuidado a mano (para evitar dañar la rosca) hasta que esté apretada.
Apriete la bujía 1/2 vuelta más si es nueva; si no, apriétela de 1/8 a 1/4 vuelta más.
Important: Una bujía que no está correctamente apretada puede calentarse mucho y dañar el motor; si se aprieta demasiado una bujía, pueden dañarse las roscas de la culata.
Conecte el cable de la bujía.
Utilice el procedimiento siguiente si es necesario ajustar o sustituir el interruptor de seguridad de la tracción.
Asegúrese de que el motor está parado y de que la palanca de tracción está desengranada y apoyada en el tope de punto muerto (Figura 31).

Afloje las fijaciones de montaje del interruptor de seguridad (Figura 31).
Coloque un suplemento de 0.8 mm de grosor entre la palanca de tracción y el interruptor de seguridad (Figura 31).
Apriete las fijaciones de montaje del interruptor de seguridad, y compruebe la distancia de nuevo.
Note: La palanca de tracción no debe estar en contacto con el interruptor.
Engrane la palanca de tracción y compruebe que el interruptor pierde continuidad.
Note: Cambie el interruptor, si es necesario.
Si el freno de servicio/estacionamiento patina durante la operación, ajústelo.
Accione el freno de servicio, empuje el pomo del freno de estacionamiento y deje que el freno de servicio descanse sobre el pasador del freno de estacionamiento (Figura 32).

Usando una balanza de muelle, presione hacia atrás la palanca del freno de servicio (Figura 33). El freno de estacionamiento debe quitarse al alcanzar una fuerza de 13,5 a 18 kg. Si el freno de estacionamiento se desactiva antes de alcanzar la presión de 13,5 a 18 kg, ajuste el cable del freno.

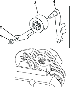
Afloje el retenedor que sujeta la cubierta de las correas en V y gire la cubierta para abrirla (Figura 34).

Para ajustar la tensión del cable de freno, siga este procedimiento.
Para reducir la tensión del cable, afloje la contratuerca delantera del cable y apriete la contratuerca trasera (Figura 35). Repita los pasos 1 y 2 y ajuste la tensión si es necesario.
Para aumentar la tensión del cable, apriete la contratuerca delantera del cable y afloje la contratuerca trasera (Figura 35). Repita los pasos 1 y 2 y ajuste la tensión si es necesario.
Note: Puede ajustar el cable en los soportes de las contratuercas situados junto al panel de control o en el soporte situado en la base del motor.

Cierre la cubierta y fije los cierres.
Compruebe que las correas están correctamente tensadas para asegurar el funcionamiento correcto de la máquina y para evitar un desgaste innecesario. Compruebe las correas con frecuencia.
Retire las fijaciones de la cubierta de la correa y la cubierta para tener acceso a la correa (Figura 36).

Compruebe la tensión presionando la correa en el punto intermedio entre las poleas (Figura 37) con una fuerza de entre 18 y 22 N. La correa debe desviarse 6 mm.

Realice los siguientes pasos para ajustar la tensión de la correa:
Afloje la tuerca de montaje de la polea tensora y pivote la polea tensora en el sentido de las agujas del reloj contra la parte trasera de la correa, hasta obtener la tensión deseada (Figura 37).
Important: No tense demasiado la correa.
Apriete la tuerca para afianzar el ajuste.
Instale la cubierta de la correa en su posición.
Manteniendo un pequeño hueco entre la junta de la cubierta y la chapa lateral, instale cada perno de montaje hasta que la rosca entre en el inserto.
Note: El hueco permite alinear cada perno visualmente con el inserto correspondiente.
Después de colocar todos los pernos, apriételos hasta que los espaciadores que están dentro de la cubierta entren en contacto con la chapa lateral.
Note: No apriete los pernos demasiado.
Retire las fijaciones de la cubierta de la correa y la cubierta para tener acceso a la correa (Figura 38).

Compruebe la tensión presionando la correa en el punto intermedio entre las poleas (Figura 39) con una fuerza de 18 a 22 N.
Note: La correa debe desviarse 6 mm.

Para ajustar la tensión de la correa:
Afloje la tuerca de montaje de la polea tensora y pivote la polea tensora en sentido horario contra la parte trasera de la correa, hasta obtener la tensión deseada (Figura 39).
Important: No tense demasiado la correa.
Apriete la tuerca para afianzar el ajuste.
Instale la cubierta de la correa en su posición.
Manteniendo un pequeño hueco entre la junta de la cubierta y la chapa lateral, instale cada perno de montaje hasta que la rosca entre en el inserto.
Note: El hueco permite alinear cada perno visualmente con el inserto correspondiente.
Después de colocar todos los pernos, apriételos hasta que los espaciadores que están dentro de la cubierta entren en contacto con la chapa lateral.
Note: No apriete los pernos demasiado.
Retire los pernos que sujetan las secciones delantera y trasera de la cubierta del diferencial al alojamiento del diferencial, y separe las secciones para dejar expuesta la correa.
Compruebe la tensión presionando la correa en el punto intermedio entre las poleas (Figura 40) con una fuerza de 22 a 26 N.
Note: La correa debe desviarse 6 mm.

Para ajustar la tensión de la correa:
Afloje la tuerca de montaje de la polea tensora y pivote la polea tensora en sentido horario contra la parte trasera de la correa, hasta obtener la tensión deseada (Figura 40).
Important: No tense demasiado la correa.
Apriete la tuerca para afianzar el ajuste.
Instale la cubierta de la correa en su posición.
Manteniendo un pequeño hueco entre la junta de la cubierta y la chapa lateral, instale cada perno de montaje hasta que la rosca entre en el inserto. El hueco permite alinear cada perno visualmente con el inserto correspondiente.
Después de colocar todos los pernos, apriételos hasta que los espaciadores que están dentro de la cubierta entren en contacto con la chapa lateral. No apriete los pernos demasiado.
Para ajustar la tensión de las correas en V primarias, compruebe en primer lugar el ajuste del control de tracción; consulte Ajuste del control de tracción.
Si las correas siguen patinando después de ajustar el control de tracción, continúe con el paso siguiente.
Afloje el retenedor que sujeta la cubierta de las correas en V y gire la cubierta para abrirla (Figura 41).

Para aumentar la tensión de la correa, afloje los pernos de montaje del motor y mueva el motor hacia atrás en las ranuras.
Important: No tense demasiado la correa.
Apriete los pernos de montaje del
Note: La distancia entre el centro de la polea motriz y el centro de la polea arrastrada debe ser de 12,7 cm aproximadamente después de instalar correas en V nuevas.
Después de tensar las correas en V primarias, compruebe la alineación de la polea del eje de salida del motor y la polea del contraeje con un borde recto.
Si las poleas no están alineadas, afloje los tornillos que sujetan la base de montaje del motor al bastidor de la máquina y deslice el motor de un lado al otro hasta que las poleas queden alineadas con una tolerancia de 0,7 mm.
Apriete los tornillos de montaje y compruebe la alineación.
Para empujar o remolcar la máquina más fácilmente sin arrancar el motor, ajuste la guía de la correa (Figura 42, detalle) de la siguiente manera:
Engrane el embrague.
Afloje la contratuerca que sujeta la polea tensora y la guía de la correa al brazo tensor.
Gire la guía de la correa en sentido horario hasta que obtenga un espacio de aproximadamente 1,5 cm entre el dedo de la guía y la parte trasera de las correas de transmisión.
Apriete la contratuerca que sujeta la polea tensora y la guía de la correa al brazo tensor.

Cierre la cubierta y fije los cierres.
Retire los pernos que sujetan las cubiertas de las correas de transmisión de tracción y transmisión del molinete a la chapa lateral derecha y retire las cubiertas.
Afloje la tuerca de montaje de cada polea tensora, y pivote cada polea en sentido antihorario, alejándola de la parte trasera de cada correa para aliviar la tensión.
Retire las correas.
Retire los pernos que sujetan las secciones delantera y trasera de la cubierta del diferencial al alojamiento del diferencial, y separe las secciones para dejar expuesta la correa (Figura 43).

Afloje la tuerca de montaje de la polea tensora, en la polea tensora del diferencial, y pivote la polea tensora en sentido antihorario, alejándola de la parte trasera de la correa para aliviar la tensión de la correa.
Retire los 2 pernos y las 2 contratuercas que sujetan el alojamiento delantero del embrague a la chapa lateral (Figura 43).
Gire el alojamiento 180° de manera que la parte inferior del alojamiento esté hacia arriba.
Retire los 2 pernos y las 2 contratuercas que sujetan el alojamiento del cojinete trasero derecho a la chapa lateral (Figura 43).
Gire el alojamiento 180° de manera que la parte inferior del alojamiento esté hacia arriba.
Retire la correa usada.
Deslice la correa nueva por encima las cubiertas giradas de los alojamientos y las secciones de la cubierta del diferencial, sobre las poleas del diferencial.
Asegúrese de que la polea tensora está colocada contra la parte trasera de la correa.
Gire ambos alojamientos a la posición vertical y fíjelos a la chapa lateral con los pernos y las tuercas que retiró anteriormente.
Ajuste la tensión de la correa del diferencial; consulte Ajuste de la correa del diferencial.
Ajuste la tensión de las correas de transmisión de tracción y del molinete; consulte Ajuste de la correa de transmisión de tracción y Ajuste de la correa de transmisión del molinete.
Instale las cubiertas del diferencial, de la transmisión de tracción y de la transmisión del molinete.
Siga estos pasos para eliminar la holgura del control de tracción:
Mueva el control de tracción a la posición de DESENGRANADO.
Afloje el retenedor que sujeta la cubierta de las correas en V y gire la cubierta para abrirla (Figura 41).
Para eliminar la holgura del control de tracción, afloje la contratuerca delantera del cable y apriete la contratuerca trasera (Figura 44) hasta que haya eliminado toda la holgura.

Apriete la contratuerca del cable delantero.
Cierre la cubierta y fije los cierres.
Compruebe el funcionamiento del control de la tracción.
Tenga cuidado al revisar el molinete de la unidad de corte. Lleve guantes y extreme las precauciones al realizar tareas de mantenimiento en el molinete.
Una cuchilla o una contracuchilla desgastada o dañada puede romperse, y un trozo de la cuchilla podría ser arrojado hacia usted u otra persona, lo que puede provocar lesiones personales graves o la muerte.
Inspeccione periódicamente las cuchillas y las contracuchillas, para asegurarse de que no presentan desgaste ni daños excesivos.
Tenga cuidado al comprobar las cuchillas. Lleve guantes y extreme las precauciones durante su mantenimiento. Las cuchillas y las contracuchillas solo se pueden cambiar o afilar; no las enderece ni las suelde nunca.
Aparque la máquina en una superficie plana nivelada, preferentemente una chapa de acero mecanizada a precisión.
Coloque una pletina plana de acero de 0.6 x 2.5 cm (¼ x 1"), de aproximadamente 73.6 cm (29") de largo, debajo de las cuchillas del molinete y contra el borde delantero de la contracuchilla para evitar que la barra de asiento descanse sobre la superficie de trabajo.
Levante el rodillo delantero de manera que solamente el tambor trasero y el molinete descansan sobre la superficie.
Presione firmemente sobre la máquina por encima del molinete para que todas las cuchillas del molinete toquen la pletina de acero.
Mientras presiona sobre el molinete, deslice una galga debajo de un extremo del tambor, luego compruebe el otro extremo del tambor.
Note: Si el espacio entre el tambor y la superficie de trabajo es de más de 0,25 cm en cualquiera de los extremos, ajuste el tambor. Si el espacio es de menos de 0,25 mm no es necesario ajustarlo.
Retire la cubierta de la correa trasera del lado derecho de la máquina (Figura 45).

Gire la polea arrastrada hasta que los taladros queden alineados con los 4 tornillos con arandela prensada del cojinete de rodillos (Figura 46).

Afloje los 4 tornillos del cojinete de rodillos y el tornillo que sujeta la polea tensora.
Eleve o baje el lado derecho del conjunto del rodillo hasta que el espacio sea inferior a 0,25 mm.
Apriete los tornillos del cojinete de rodillos.
Ajuste la tensión de la correa y apriete el tornillo de montaje de la polea tensora (Figura 46).
Ajuste la contracuchilla contra el molinete tras el amolado, el autoafilado o el desmontaje de la unidad de corte. Este procedimiento no está indicado para realizarse a diario.
Aparque la máquina en una superficie de trabajo plana y nivelada.
Incline la máquina hacia atrás sobre el manillar para tener acceso a la contracuchilla y el molinete.
Important: No incline la máquina más de 25°. Al inclinar la máquina más de 25° el aceite se introduce en la cámara de combustión y/o el combustible sale por el tapón del depósito de combustible.
Gire el molinete hasta que una cuchilla cruce el filo de la contracuchilla entre la cabeza del primer tornillo de la contracuchilla y la cabeza del segundo tornillo, en el lado derecho de la unidad de corte (Figura 47).

Gire el molinete hasta que una cuchilla cruce el filo de la contracuchilla entre la cabeza del primer tornillo de la contracuchilla y la cabeza del segundo tornillo, en el lado derecho de la unidad de corte.
Inserte el suplemento de 0,05 mm entre la cuchilla marcada y el filo de la contracuchilla, en el punto en que la cuchilla cruza la el filo de contracuchilla.
Gire el tornillo de ajuste derecho de la barra de asiento hasta que note una ligera presión (resistencia) en el suplemento al moverlo de un lado a otro (Figura 47).
Retire el suplemento.
En el lado izquierdo de la unidad de corte, gire el molinete lentamente hasta que la cuchilla más próxima cruce el filo de la contracuchilla entre las cabezas del primer y segundo tornillo.
Repita los pasos 4 a 7 con el lado izquierdo de la unidad de corte y el tornillo de ajuste izquierdo de la barra de asiento.
Repita los pasos 5 a 7 hasta que obtenga una ligera resistencia en los lados derecho e izquierdo de la unidad de corte en los mismos puntos de contacto.
Para obtener un contacto ligero entre el molinete y la contracuchilla, gire cada tornillo de ajuste de la barra de asiento 3 ‘clics’ en sentido horario.
Note: Cada clic del tornillo de ajuste de la barra de asiento desplaza la contracuchilla 0,018 mm. La rotación en sentido horario acerca la contracuchilla al molinete, y la rotación en sentido antihorario aleja la contracuchilla del molinete.
Pruebe el rendimiento de corte insertando una tira larga de papel de prueba del rendimiento de corte entre el molinete y la contracuchilla, perpendicular a la contracuchilla (Figura 48). Gire el molinete lentamente hacia adelante; debe cortar el papel.

Note: Si nota un contacto excesivo o demasiada resistencia del molinete, será necesario autoafilar, rectificar la cara de la contracuchilla o amolar la unidad de corte para conseguir los filos necesarios para un corte de precisión.
Compruebe que el rodillo trasero está nivelado y que el contacto entre contracuchilla y molinete es el correcto. Incline la máquina hacia atrás sobre el manillar para tener acceso a los rodillos delantero y trasero y a la contracuchilla.
Important: No incline la máquina más de 25°. Al inclinar la máquina más de 25 ° el aceite se introduce en la cámara de combustión y/o el combustible sale por el tapón del depósito de combustible.
Afloje las contratuercas que sujetan los brazos de ajuste de la altura de corte a los soportes de ajuste (Figura 49).

Afloje la tuerca de la barra de ajuste (Figura 50) y ajuste el tornillo para la altura de corte deseada. La distancia entre la parte inferior de la cabeza del tornillo y la cara de la barra es la altura de corte.

Enganche la cabeza del tornillo sobre el filo de la contracuchilla y apoye el extremo trasero de la barra sobre el rodillo trasero (Figura 51).

Gire el tornillo de ajuste hasta que el rodillo entre en contacto con la barra de ajuste.
Ajuste ambos extremos del rodillo hasta que el rodillo esté paralelo a la contracuchilla en toda su longitud.
Important: Con el ajuste correcto, los rodillos delantero y trasero tocarán la barra de ajuste y el tornillo estará apretado contra la contracuchilla. Esto asegura una altura de corte idéntica en ambos extremos de la contracuchilla.
Apriete la tuerca para afianzar el ajuste.
Important: Para evitar daños en césped ondulado, asegúrese de que los soportes del rodillo estén posicionados hacia atrás (rodillo más cerca del molinete).
Note: El rodillo delantero puede colocarse en una de tres posiciones diferentes (Figura 52), dependiendo de la aplicación y de las necesidades del usuario.
Utilice la posición delantera cuando tenga instalado un groomer.
Utilice la posición intermedia sin groomer.
Utilice la terca posición si el césped está especialmente ondulado.

Ajuste el deflector para asegurar que los recortes de hierba se lancen correctamente al recogedor.
Mida la distancia desde la parte superior de la varilla de soporte delantera hasta el borde delantero del deflector en cada extremo de la unidad de corte (Figura 53).

La distancia entre el deflector y la varilla de soporte en condiciones de corte normales debe ser de 10 cm (4"). Afloje los pernos y las tuercas que sujetan cada extremo del deflector a la chapa lateral, y ajuste el deflector a la altura correcta.
Apriete las fijaciones.
Note: Puede bajar el deflector en condiciones de hierba seca (los recortes vuelan por encima de los recogehierbas) o elevarlo en condiciones de hierba mojada y pesada (los recortes se acumulan en el borde trasero del recogehierbas).
Ajuste la barra de recortes para que los recortes salgan limpiamente de la zona del molinete.
Afloje los tornillos que fijan la barra superior (Figura 54) a la unidad de corte.

Inserte una galga de 1,5 cm entre la parte superior del molinete y la barra, y apriete los tornillos.
Asegúrese de que la barra y el molinete están separados por la misma distancia en toda la longitud del molinete.
Note: La barra es ajustable para compensar cambios en la condición del césped. Acerque la barra más al molinete cuando el césped está extremadamente húmedo. Por el contrario, aleje la barra del molinete cuando el césped está seco. La barra debe estar paralela al molinete para un rendimiento óptimo. Ajuste la barra cuando ajuste la altura del deflector o cuando afile el molinete en una máquina de afilado de molinetes.
Para determinar si la barra de asiento es de serie o agresiva, inspeccione las pestañas de montaje izquierdas de la barra. Si las pestañas de montaje son redondeadas, se trata de una barra de asiento de serie. Si las pestañas de montaje tienen una muesca, se trata de una barra de asiento agresiva (Figura 55).

Gire el tornillo de ajuste de la barra de asiento en el sentido contrario a las agujas del reloj para alejar la contracuchilla del molinete (Figura 56).

Afloje la tuerca de tensado del muelle hasta que el muelle deje de presionar la arandela contra la barra de asiento (Figura 56).
En cada lado de la máquina, afloje la contratuerca que fija el perno de la barra de asiento (Figura 57).

Retire cada perno, para poder tirar de la barra hacia abajo y retirarla de la máquina. Guarde las 2 arandelas de nylon y las 2 arandelas de acero troqueladas de cada extremo de la barra de asiento (Figura 57).
Instale la barra de asiento, posicionando las pestañas de montaje entre la arandela y el mecanismo de ajuste de la barra de asiento.
Fije la barra de asiento a cada chapa lateral con los pernos de la barra (con contratuercas en los pernos) y las 8 arandelas.
Note: Coloque una arandela de nylon en cada lado del saliente de la chapa lateral. Coloque una arandela de acero por fuera de cada arandela de nylon.
Apriete los pernos a entre 27 y 36 N∙m.
Apriete las contratuercas hasta que las arandelas de empuje exteriores apenas giren libremente.
Apriete la tuerca de tensado del muelle hasta que el muelle esté comprimido, luego aflójela ½ vuelta.
Ajuste la barra de asiento; consulte Ajuste de la contracuchilla contra el molinete.
Retire el tapón de la cubierta derecha de la transmisión del molinete (Figura 58).

Introduzca un tubo de extensión de ½", conectada a la máquina de autoafilado, en el taladro cuadrado que está en el centro de la polea del molinete.
Afile según el procedimiento descrito en el Manual de afilado de cortacéspedes de molinete y rotativos Toro, Impreso 80-300 PT.
El contacto con el molinete u otras piezas en movimiento puede causar lesiones personales.
Manténgase alejado del molinete durante el afilado.
No utilice una brocha de mango corto para el afilado. Su distribuidor Toro autorizado dispone del conjunto completo de mango, Pieza N.º 29-9100, y de las piezas individuales.
Note: Para obtener un filo de corte mejor, pase una lima por la cara delantera de la contracuchilla cuando se termine la operación de afilado. Esto elimina cualquier rebaba o aspereza que pueda haber aparecido en el filo de corte.
Instale el tapón en la cubierta cuando termine con este procedimiento.
Apague el motor, retire la llave (en su caso) y espere a que se detenga todo movimiento antes de abandonar el puesto del operador. Deje que se enfríe la máquina antes de hacer trabajos de ajuste, mantenimiento, limpieza o almacenamiento.
No guarde la máquina o un recipiente de combustible en un lugar donde pudiera haber una llama desnuda, chispas o una llama piloto, por ejemplo en un calentador de agua u otro electrodoméstico.
Retire los recortes de hierba, la suciedad y la mugre de las piezas externas de toda la máquina, especialmente el motor. Limpie la suciedad y la broza de la parte exterior del alojamiento de las aletas de la culata de cilindros del motor y del soplador.
Important: La máquina puede lavarse con un detergente suave y agua. No lave la máquina a presión. Evite el uso excesivo de agua, especialmente cerca de la chapa de la palanca de cambios y del motor.
Para un almacenamiento largo (más de 30 días), añada estabilizador/acondicionador al combustible que queda en el depósito.
Haga funcionar el motor para distribuir el combustible con acondicionador por todo el sistema de combustible durante 5 minutos.
Pare el motor, deje que se enfríe y drene el depósito de combustible, o alternativamente haga funcionar el motor hasta que se pare.
Arranque el motor y hágalo funcionar hasta que se pare. Vuelva a arrancar el motor, con el estárter cerrado, hasta que el motor no arranque.
Desconecte el cable de la bujía.
Elimine el combustible correctamente. Recíclelo de acuerdo con la normativa local.
Note: No almacene combustible que contenga estabilizador/acondicionador durante más tiempo del recomendado por el fabricante del estabilizador de combustible.
Revise y apriete todos los pernos, tuercas y tornillos. Repare o sustituya cualquier pieza desgastada o dañada.
Pinte las superficies que estén arañadas o donde esté visible el metal. Puede adquirir pintura en su Distribuidor Autorizado Toro.
Guarde la máquina en un garaje o almacén seco y limpio. Cubra la máquina para protegerla y para conservarla limpia.