| Huoltoväli | Huoltotoimenpide |
|---|---|
| Aina ennen käyttöä tai päivittäin |
|
Tämä kone on työnnettävä kelateräruohonleikkuri, joka on tarkoitettu ammattimaiseen kaupalliseen käyttöön. Se on tarkoitettu pääasiassa viheralueiden ruohonleikkuuseen. Tuotteen käyttäminen muuhun kuin sen aiottuun käyttötarkoitukseen voi olla vaarallista käyttäjälle ja sivullisille.
Lue nämä tiedot huolellisesti, jotta opit käyttämään ja huoltamaan laitetta asianmukaisesti sekä välttämään tapaturmia ja tuotevaurioita. Olet itse vastuussa tuotteen asianmukaisesta ja turvallisesta käytöstä.
Vieraile osoitteessa www.Toro.com, jos tarvitset tuoteturvallisuuteen ja käyttökoulutukseen liittyviä materiaaleja tai tietoja lisävarusteista tai lähimmästä jälleenmyyjästä tai jos haluat rekisteröidä tuotteesi.
Aina kun tarvitset huoltoa, alkuperäisiä Toro-varaosia tai lisätietoja, ota yhteys valtuutettuun Toro-jälleenmyyjään. Ota tällöin tuotteesi malli- ja sarjanumerot valmiiksi esiin. Malli- ja sarjanumerot löytyvät rungon takaosassa sijaitsevasta levystä. Kirjoita numerot annettuun tilaan.
Important: Skannaamalla sarjanumerokilvessä olevan QR-koodin (jos varusteena) mobiililaitteella saat tuotetietoja sekä takuu- ja varaosatietoja.

Tässä käyttöoppaassa esiintyvä varoitusmerkintä (Kuva 2) ilmaisee vaaratilannetta, josta saattaa olla seurauksena vakava tapaturma tai jopa kuolema, jos suositellut varotoimenpiteet laiminlyödään.

Tässä käyttöoppaassa käytetään kahta termiä tietojen korostamiseksi. Tärkeää kiinnittää huomiota mekaanisiin erikoistietoihin ja Huomautus korostaa erityishuomion ansaitsevia yleistietoja.
Tämä tuote on asiaankuuluvien eurooppalaisten direktiivien mukainen. Lisätietoja on erillisessä tuotekohtaisessa vaatimustenmukaisuusvakuutuksessa.
Kalifornian laki (California Public Resource Code, pykälät 4442 ja 4443) kieltää tämän moottorin käytön metsä-, pensaikko- tai ruohopeitteisillä mailla, jos moottoria ei ole varustettu pykälässä 4442 mainitulla hyvässä käyttökunnossa pidetyllä kipinänsammuttimella tai jos moottoria ei ole suojattu, varustettu ja huollettu palovaaran ehkäisemiseksi.
Mukana toimitettavassa moottorin käyttöoppaassa on Yhdysvaltojen ympäristönsuojeluelimeen EPA:han (Environmental Protection Agency) ja Kalifornian päästöjärjestelmien päästöjen valvontasääntöihin sekä kunnossapitoon ja takuuseen liittyviä tietoja. Käyttöoppaita voi tilata moottorin valmistajalta.
Jos tätä konetta käytetään yli 1 500 metriä merenpinnan yläpuolella, on hankittava korkean ilmanalan suutin. Lisätietoja on Honda-moottorin käyttöoppaassa.
KALIFORNIA
Lakiesityksen 65 mukainen varoitus
Tämän tuotteen moottorin tuottamat pakokaasut sisältävät kemikaaleja, jotka Kalifornian osavaltion tietojen mukaan aiheuttavat syöpää, synnynnäisiä epämuodostumia tai muuta lisääntymiseen liittyvää haittaa.
Tämän tuotteen käyttäminen voi altistaa kemikaaleille, jotka Kalifornian osavaltion tietojen mukaan aiheuttavat syöpää, synnynnäisiä epämuodostumia tai muuta lisääntymiseen liittyvää haittaa.
Tämä kone on suunniteltu EN ISO 5395- ja ANSI B71.4-2017 ‑standardien mukaisesti, ja se täyttää nämä vaatimukset, kun siihen on asennettu käyttäjän pitokytkin ja tarvittavat tarrat.
Tämä tuote voi katkaista jalan tai käden sekä singota esineitä.
Lue ja sisäistä tämän käyttöoppaan sisältö ennen koneen käynnistämistä.
Koneen käyttö vaatii käyttäjän täyden huomion. Jos käyttäjän huomio keskittyy muualle, saattaa seurata henkilö- tai omaisuusvahinko.
Älä laita käsiä tai jalkoja koneen liikkuvien osien lähelle.
Älä käytä konetta ilman paikallaan olevia ja asianmukaisesti toimivia suojuksia ja muita suojalaitteita.
Älä päästä sivullisia ja lapsia käyttöalueelle. Älä koskaan anna konetta lasten käyttöön.
Sammuta moottori, irrota virta-avain (jos varusteena) ja odota, että kaikki liikkuvat osat pysähtyvät, ennen kuin poistut käyttäjän paikalta. Anna koneen jäähtyä ennen säätöä, huoltoa, puhdistusta tai varastointia.
Laitteen asiaton käyttö tai huolto voi aiheuttaa tapaturman.
Vähennä loukkaantumisriskiä noudattamalla näitä
turvallisuusohjeita ja huomioimalla aina varoitusmerkki
, joka tarkoittaa
varoitusta, vaaraa tai hengenvaaraa – henkilöturvallisuusohjeet.
Ohjeiden laiminlyönti saattaa johtaa henkilövahinkoon tai
kuolemaan.
![]() |
Turva- ja ohjetarrat on sijoitettu hyvin näkyville paikoille mahdollisten vaara-alueiden lähettyville. Korvaa vioittuneet tai kadonneet tarrat uusilla. |











Note: Koneen vasen ja oikea puoli määritellään normaalista käyttöasennosta käsin.
Vaiheeseen tarvittavat osat:
| Kahva | 1 |
| Nippuside | 4 |
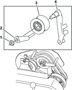
Irrota pultit (5/16 tuumaa), lukkomutterit, rengastapit ja sokat, joilla kahvan varsien alaosa on kiinnitetty koneen molemmille puolille (Kuva 3).

Irrota pultit (⅜ tuumaa), aluslaatat ja varmistuslaatat koneen molemmilla puolilla olevista kiinnitystapeista (Kuva 3).
Aseta kahvan päät varsissa olevien reikien läpi ja kohdista reiät kiinnitystappeihin (Kuva 3).
Purista kahvan päitä sisään ja asenna ne kiinnitystappeihin (Kuva 4).

Kiinnitä kahva kiinnitystappeihin aikaisemmin irrotetuilla pulteilla (⅜ tuumaa), aluslaatoilla ja varmistuslaatoilla (Kuva 4).
Kiinnitä kahvan varret rungon takaosaan aiemmin irrotetuilla pulteilla (5/16 tuumaa), lukkomuttereilla, sokilla ja rengastapeilla (Kuva 3).
Kiinnitä vaijerit ja johdinsarja kahvaan nippusiteillä (Kuva 5).

Katso Kuva 6 tätä toimenpidettä varten.

Irrota sokat ja rengastapit koneen kummaltakin puolelta.
Tue kahvaa samalla kun irrotat rengastapit kummaltakin puolelta ja nosta tai laske kahva haluamaasi käyttöasentoon.
Asenna rengastapit ja sokat.
Vaiheeseen tarvittavat osat:
| Oikea pyörän akseli | 1 |
| Vasen pyörän akseli | 1 |
Tue kone tukitelinettä vasten painamalla tukiteline alas jalalla ja vetämällä kahvasta.
Levitä kierrelukitusainetta pyörien akseleiden kierteisiin.
Kierrä oikeanpuoleinen pyörän akseli koneen oikealla puolella sijaitsevaan käyttöpyörään (Kuva 7).
Note: Oikeanpuoleisessa pyörän akselissa on vasenkätiset kierteet.

Kiristä akseli momenttiin 88–101 N·m.
Asenna vasemmanpuoleinen pyörän akseli koneen vasemmalle puolelle toistamalla vaiheet 2–4.
Vaiheeseen tarvittavat osat:
| Kuljetuspyörä | 2 |
Tue kone tukitelinettä vasten painamalla tukiteline alas jalalla ja vetämällä kahvasta.
Liu’uta pyörä akseliin.
Käännä pyörän lukituspidike poispäin pyörän keskiöstä, jotta se pääsee liukumaan kauemmas akselille (Kuva 8).

Pyöritä pyörää edestakaisin, kunnes se liukuu kokonaan akselille ja lukituspidike kiinnittyy tukevasti akselin uraan.
Tee samat toimenpiteet laitteen vastakkaisella puolella.
Täytä renkaat paineeseen 0,83–1,03 bar.
Laske laite varovasti tukitelineeltä.
Tee seuraavat säädöt ennen laitteen käyttöä:
Vaiheeseen tarvittavat osat:
| Käyttäjän pitokytkin (tilattava erikseen; ota yhteys valtuutettuun Toro-jälleenmyyjään) | 1 |
EN ISO 5395- ja ANSI B71.4-2017 ‑standardien vaatimukset täytetään asentamalla käyttäjän pitokytkin (mallinro 112-9282). Lisätietoja on sarjan asennusohjeissa.
Hanki sarja ottamalla yhteys valtuutettuun Toro-jälleenmyyjään.
Vaiheeseen tarvittavat osat:
| Valmistusvuoden tarra | 1 |
| CE-merkinnän tarra | 1 |
Jos tätä konetta käytetään maassa, jossa noudatetaan CE-standardeja, kiinnitä valmistusvuoden tarra ja CE-merkinnän tarra sarjanumerokilven lähelle. Katso Kuva 9.

Vaiheeseen tarvittavat osat:
| Ruohonkeräin | 1 |
Tartu keräimeen yläkannesta ja liu’uta se keräimen asennustankoihin (Kuva 10).

Sisäänajoon tarvitaan vain kahdeksan leikkuutuntia.
Ensimmäiset käyttötunnit ovat erittäin tärkeitä koneen myöhemmän luotettavuuden kannalta. Seuraa koneen toimintaa tarkkaavaisesti, jotta mahdolliset pienet viat voidaan korjata, ennen kuin ne pahenevat. Tarkasta kone usein ensimmäisten käyttötuntien aikana öljyvuodon merkkien, löysien kiinnittimien tai muiden vikojen varalta.
Moottorin käyttöoppaassa on tiedot suositelluista sisäänajojakson öljynvaihto- ja huoltotoimista.


Vetopyörän vipu (Kuva 12) sijaitsee ohjauspaneelin etuosassa oikealla. Sillä on kaksi asentoa: VAPAA ja ETEENPäIN. Paina vipua eteenpäin, jolloin vetopyörä kytkeytyy.
Kaasuvipu (Kuva 12) on ohjauspaneelin takaosassa oikealla. Vipu on kytketty kaasutinta käyttävään kaasuvivustoon. Lisätietoja moottorin nopeudesta on kohdassa Tekniset tiedot.
Virtakytkin (Kuva 12) on ohjauspaneelin yläosassa. Käynnistä moottori asettamalla kytkin KäYNNISSä-asentoon ja sammuta moottori asettamalla kytkin PYSäYTYS-asentoon.
Käyttöjarru (Kuva 13) on ohjauspaneelin etuosassa ylhäällä vasemmalla. Jarrulla voidaan hidastaa laitteen nopeutta tai pysäyttää laite.

Seisontajarru (Kuva 14) sijaitsee käyttöjarrun jalustassa. Kytke käyttöjarru kokonaan ja työnnä seisontajarrun nuppia, jotta käyttöjarru asettuu seisontajarrun tapin päälle. Vapauta seisontajarru kytkemällä käyttöjarru. Jarrun on oltava vapautettuna ennen kuin vetopyörä kytketään.

Jos käyttäjän pitokytkin (Kuva 12) on asennettu, se sijaitsee kahvan takaosassa. Paina käyttäjän pitokytkintä kahvaa vasten. Käyttäjän pitokytkin on kytkettävä ennen vetopyörän vivun siirtämistä. Jos käyttäjän pitokytkin vapautetaan, moottori pysähtyy.
Kelan kytkentävipu (Kuva 15) sijaitsee koneen etuosassa oikeassa nurkassa. Vivulla on kaksi asentoa:
KYTKE kela siirtämällä vipu eteenpäin.
VAPAUTA kela siirtämällä vipu taaksepäin.

Rikastinvipu (Kuva 16) on moottorin etuosassa vasemmalla. Käytä vipua apuna kylmän moottorin käynnistyksessä. Lisätietoja on kohdassa Rikastinvivun käyttö.

Polttoaineen sulkuventtiili sijaitsee moottorin vieressä rikastimen vivun alla (Kuva 16).
Note: Sulje polttoaineen sulkuventtiili, jos konetta ei käytetä muutamaan päivään, kun sitä kuljetetaan työskentelyalueelle tai sieltä pois tai kun se on pysäköity sisätiloihin. Katso kohta Polttoaineen sulkuventtiilin avaaminen ja sulkeminen.
Käynnistä moottori vetämällä narukäynnistimen (Kuva 16) kahvasta.
| Mallin tekniset tiedot | Malli 04055 |
| Leveys | 91 cm |
| Korkeus | 114 cm |
| Pituus keräin asennettuna | 122 cm |
| Kuivapaino (ruohonkeräin ja Wiehle-rulla asennettuna, ilman pyöriä tai tasauskelaa) | 98 kg |
| Leikkuuleveys | 53 cm |
| Leikkuukorkeus | 1,6–31,8 mm |
| Leikkuu | 4,3 mm |
| Moottorin nopeus | Alhainen joutokäyntinopeus: 1 800 – 2 000 kierr./min, korkea joutokäyntinopeus: 3 350 – 3 550 kierr./min |
Koneeseen on saatavana valikoima Toron hyväksymiä lisälaitteita ja -varusteita, joiden avulla voidaan parantaa ja laajentaa sen ominaisuuksia. Ota yhteys valtuutettuun huoltoliikkeeseen tai valtuutettuun Toro-jälleenmyyjään tai siirry osoitteeseen www.Toro.com, jossa on luettelo hyväksytyistä lisälaitteista ja -varusteista.
Käytä vain aitoja Toro-varaosia ja -lisävarusteita, jotta kone toimisi parhaalla mahdollisella tavalla ja sen turvasertifiointi pysyisi voimassa. Muiden valmistajien varaosat ja lisävarusteet voivat osoittautua vaarallisiksi, ja niiden käyttö voi johtaa tuotteen takuun raukeamiseen.
Note: Koneen vasen ja oikea puoli määritellään normaalista käyttöasennosta käsin.
Älä anna lasten tai kouluttamattomien henkilöiden käyttää tai huoltaa laitetta. Paikalliset säännökset saattavat asettaa rajoituksia käyttäjän iälle. Omistaja vastaa käyttäjien ja mekaanikkojen koulutuksesta.
Tutustu laitteen turvallisen käytön ohjeisiin, ohjauslaitteisiin ja turvamerkintöihin.
Sammuta moottori, irrota virta-avain (jos varusteena) ja odota, että kaikki liikkuvat osat pysähtyvät, ennen kuin poistut käyttäjän paikalta. Anna koneen jäähtyä ennen säätöä, huoltoa, puhdistusta tai varastointia.
Selvitä, miten kone voidaan pysäyttää ja moottori sammuttaa nopeasti.
Tarkista, että käyttäjän pitokytkimet, turvakytkimet ja suojalaitteet ovat paikoillaan ja toimivat oikein. Älä käytä konetta, mikäli ne eivät toimi kunnolla.
Tarkasta laitteen käyttöalue ja poista siltä kaikki esineet, joita kone voi singota.
Käsittele polttoainetta erittäin varovasti. Se on tulenarkaa, ja höyryt räjähtävät herkästi.
Sammuta savukkeet, sikarit, piiput ja muut sytytyslähteet.
Käytä vain hyväksyttyä polttoaineastiaa.
Älä irrota polttoainesäiliön korkkia tai lisää polttoainetta säiliöön moottorin ollessa käynnissä tai kuuma.
Älä lisää tai tyhjennä polttoainetta suljetussa tilassa.
Älä säilytä konetta tai polttoainesäiliötä tilassa, jossa on avotuli, kipinöitä tai varmistusliekki (esimerkiksi vedenlämmitin tai muu vastaava laite).
Jos polttoainetta roiskuu, älä yritä käynnistää moottoria. Vältä luomasta kipinälähteitä, ennen kuin polttoainehöyryt ovat hälvenneet.
Älä täytä astioita ajoneuvon sisällä tai ajoneuvon tai perävaunun lavalla, jossa on muovipäällyste. Aseta astiat maahan ja pois ajoneuvon läheltä ennen polttoaineen lisäämistä.
Poista laite kuorma-autosta tai perävaunusta ja tankkaa laite, kun sen pyörillä on kosketus maahan. Jos se ei ole mahdollista, tankkaa tällainen laite mieluummin kannettavasta astiasta kuin polttoaineen jakelupistoolilla.
Pidä pistoolia polttoainesäiliön reunaa tai astian aukkoa vasten koko tankkaamisen ajan.
Tee päivittäiset huoltotoimenpiteet. Katso kohta Päivittäisen huollon tarkastuslista.
Tarkista moottoriöljyn määrä ennen jokaista käyttökertaa tai kahdeksan käyttötunnin välein. Katso kohta Moottorin öljymäärän tarkistus.
Polttoainesäiliön tilavuus: 2,0 litraa
Suositeltu polttoaine: Lyijytön bensiini, jonka tieoktaaniluku (pumppuoktaaniluku) on vähintään 87 (RON + MON / 2).
Etanoli: Enintään 10 % etanolia (bensiinin ja etanolin seosta) tai 15 % MTBE:tä (metyyli-tertiääri-butyylieetteriä) sisältävää polttoainetta voidaan käyttää. Etanoli ja MTBE eivät ole sama asia. Bensiiniä, jonka tilavuudesta on enemmän kuin 15 % (E15) etanolia, ei ole hyväksytty käyttöön.
Älä käytä bensiiniä, jonka tilavuudesta enemmän kuin 10 % on etanolia (kuten 15 % etanolia sisältävä E15, 20 % etanolia sisältävä E20 tai enintään 85 % etanolia sisältävä E85).
Metanolia sisältävää bensiiniä ei saa käyttää.
Polttoainetta ei saa säilyttää talven yli polttoainesäiliössä tai -astioissa, ellei polttoaineeseen ole lisätty stabilointiainetta.
Bensiiniin ei saa lisätä öljyä.
Moottori toimii parhaiten, kun käytetään vain puhdasta ja uutta, korkeintaan 30 päivää vanhaa polttoainetta.
Muun kuin hyväksytyn bensiinin käyttö voi aiheuttaa toimintaongelmia ja/tai moottorivaurioita, joita takuu ei välttämättä kata.
Tietyissä oloissa polttoaine on hyvin tulenarkaa ja räjähdysherkkää. Polttoaineen aiheuttama tulipalo tai räjähdys voi aiheuttaa palovammoja ja omaisuusvahinkoja.
Täytä polttoainesäiliö ulkona avoimessa tilassa, kun moottori on jäähtynyt. Pyyhi läikkynyt polttoaine pois.
Älä täytä polttoainesäiliötä suljetussa perävaunussa.
Polttoainesäiliötä ei saa täyttää aivan täyteen. Lisää polttoainetta säiliöön, kunnes pinta on 6–13 mm täyttökaulan alareunan alapuolella. Säiliöön jäävä tyhjä tila sallii polttoaineen laajenemisen.
Älä tupakoi polttoainetta käsitellessäsi ja pysy kaukana avotulesta tai paikoista, joissa kipinä voi sytyttää polttoainehöyryt.
Polttoainetta on säilytettävä hyväksytyssä polttoaineastiassa, joka on pidettävä poissa lasten ulottuvilta. Älä osta polttoainetta enempää kuin 30 päivän tarpeeseen.
Käytä vain, kun pakokaasujärjestelmä on kokonaisuudessaan paikallaan ja toimii oikein.
Polttoainesäiliön täytön aikana saattaa tietyissä olosuhteissa purkautua staattista sähköä, joka voi sytyttää polttoainehöyryt. Polttoaineen aiheuttama tulipalo tai räjähdys voi aiheuttaa palovammoja ja omaisuusvahinkoja.
Aseta polttoaineastiat aina maahan ja pois ajoneuvon läheltä ennen polttoaineen lisäämistä.
Polttoaineastioita ei saa täyttää ajoneuvon sisällä tai kuorma-auton tai perävaunun lavalla, sillä sisämatot tai muoviset lavan päällysteet saattavat eristää astian ja hidastaa staattisen sähkön purkautumista.
Poista laite kuorma-autosta tai perävaunusta ja tankkaa laite, kun sen pyörillä on kosketus maahan, mikäli tämä on käytännössä mahdollista. Jos se ei ole mahdollista, tankkaa tällainen laite mieluummin kannettavasta astiasta kuin polttoaineen jakelupistoolilla.
Jos jakelupistoolia on käytettävä, pidä pistoolia polttoainesäiliön reunaa tai astian aukkoa vasten koko tankkaamisen ajan.
Polttoaine on haitallista tai tappavaa nieltynä. Pitkäaikainen altistuminen höyryille voi aiheuttaa vakavan tapaturman ja sairauksia.
Vältä höyryjen hengittämistä.
Pidä kasvot etäällä jakelupistoolista ja polttoainesäiliöstä tai lisäainepullon aukosta.
Vältä ihokosketusta. Pese roiskeet pois saippualla ja vedellä.
Puhdista polttoainesäiliön korkin ympäristö ja irrota korkki (Kuva 17). Täytä polttoainesäiliö täyttökaulan aukon alaosaan asti.
Important: Älä täytä säiliötä liian täyteen polttoainetta.

Asenna polttoainesäiliön korkki paikalleen ja pyyhi mahdollisesti roiskunut polttoaine.
Varustele kone nurmen mukaan seuraavien taulukoiden avulla.
| Osan numero | Kuvaus | Aggressiivisuus | Kommentteja |
| 112-9281-01 | Vakio | Vähemmän | Standard Greensmaster 1000 |
| 112-9279-03 | Aggressiivinen | Enemmän |
| Osan numero | Kuvaus | Leikkuukorkeusalue | Kommentteja |
| 93-4262 | Mikroleikkuu | 1,57–3,1 mm | |
| 115-1880 | EdgeMax Microcut | 1,57–3,1 mm | Standard Greensmaster 1000 |
| 93-4263 | Tournament | 3,1–6,0 mm | |
| 115-1881 | EdgeMax Tournament | 3,1–6,0 mm | Kulutusta kestävä |
| 93-4264 | Matala leikkuukorkeus | 6,0 mm:stä alkaen | |
| 108-4303 | Jatkettu mikroleikkuu | 1,57–3,1 mm | Kevyempi |
| Osan numero | Kuvaus | Halkaisija/materiaali | Kommentteja |
| 99-6241 | Kapea Wiehle | 50,8 mm, alumiini | Vakio, 0,20" välit |
| 88-6790 | Leveä Wiehle | 50,8 mm, alumiini | Enemmän syvyyttä, 0,43" välit |
| 104-2642 | Täysi rulla | 50,8 mm, teräs | Vähiten syvyyttä |
| 71-1550 | Wiehle-rulla | 50,8 mm, valurauta | Enemmän syvyyttä, 0,43" välit |
| 93-9045 | Wiehle-rulla | 63,5 mm, alumiini | 61 cm leveä sivutukea varten |
| 52-3590 | Keinurulla | 63,5 mm, alumiini |
| Malli | Vakio | Leikkuusarja 65-9000 | Ajosarja 115-1886 | Leikkuu- ja ajosarjat | ||||||||
| Vakiokela | Valinnainen kela | Vakiokela | Valinnainen kela | Vakiokela | Valinnainen kela | Vakiokela | Valinnainen kela | |||||
| 04810 | 11-lehtinen4,1 mm | 14-lehtinen3,3 mm | 8-lehtinen5,8 mm | 11-lehtinen6,4 mm | 14-lehtinen4,8 mm | 8-lehtinen8,6 mm | 11-lehtinen3,8 mm | 14-lehtinen3,0 mm | 8-lehtinen5,1 mm | 11-lehtinen5,6 mm | 14-lehtinen4,3 mm | 8-lehtinen7,6 mm |
| Ajonopeus | 5,39 km/h | 4,80 km/h | ||||||||||
| Huoltoväli | Huoltotoimenpide |
|---|---|
| Aina ennen käyttöä tai päivittäin |
|
Jos turvakytkimet ovat irronneet tai vaurioituneet, laite saattaa toimia odottamattomalla tavalla ja aiheuttaa henkilövahinkoja.
Älä kajoa turvakytkimiin.
Tarkista turvakytkimien toimivuus päivittäin ja vaihda mahdolliset vaurioituneet kytkimet ennen koneen käyttämistä.
Paina tukiteline alas jalalla ja nosta renkaat irti maasta vetämällä kahvaa ylös- ja taaksepäin.
Aseta vetovipu KYTKETTY-asentoon ja moottorin ohjaimet käynnistysasentoon.
Yritä käynnistää moottori.
Moottori ei saa käynnistyä. Jos moottori käynnistyy, turvakytkimet on huollettava. Korjaa ongelma ennen koneen käyttöä. Katso kohta Vedon turvakytkimen huolto
Vapauta tukiteline nostamalla kahvaa varovasti.
Kuljetuspyörien avulla konetta voidaan kuljettaa lyhyitä matkoja.
Asenna kuljetuspyörät. Katso kohta Kuljetuspyörien asennus.
Varmista, että vetovipu ja kelan käyttövipu ovat VAPAA-asennossa.
Käynnistä moottori. Katso Moottorin käynnistys
Aseta kaasuvipu HIDAS-asentoon. Kallista koneen etuosaa hitaasti ylöspäin, jotta vetopyörä kytkeytyy, ja lisää hitaasti moottorin pyörimisnopeutta.
Käytä leikkuria halutulla ajonopeudella säätämällä kaasua ja kuljeta kone haluamaasi määränpäähän.
Käytä koneen kuljetukseen perävaunua, jos sitä kuljetetaan pitkiä matkoja. Ole varovainen lastatessasi konetta perävaunuun tai poistaessasi konetta perävaunusta.
Aja kone varovasti perävaunuun.
Sammuta moottori, kytke seisontajarru ja käännä polttoaineventtiili POIS-asentoon.
Käytä täysleveää ramppia lastatessasi konetta perävaunuun tai lavalle.
Kiinnitä kone tukevasti perävaunuun.
Note: Konetta voidaan kuljettaa Toro Trans Pro -perävaunulla. Perävaunun käyttöoppaassa on ohjeet perävaunun lastaukseen.
Important: Älä käytä moottoria perävaunussa kuljetuksen aikana, sillä se saattaa vahingoittaa konetta.
Palauta vetovipu VAPAA-ASENTOON, aseta kaasuvipu HIDAS-asentoon ja sammuta moottori.
Paina tukiteline alas jalalla ja vedä kahvan tukea ylös, kunnes tukiteline on kääntynyt eteenpäin keskikohdan yli.
Irrota kuljetuspyörät työntämällä pyörien lukituspidikkeet ulos akselin urista.
Laske laite varovasti tukitelineeltä työntämällä laitetta hitaasti eteenpäin tai nostamalla laitteen alempaa kahvaa, jolloin tukiteline ponnahtaa takaisin SIVUUN.
Käytä rikastinvipua apuna kylmän moottorin käynnistyksessä. Aseta vipu RIKASTUS-asentoon, kun käynnistät kylmää moottoria. Siirrä vipu moottorin käynnistyttyä AJO-asentoon.

Polttoaineen virtausta moottoriin voi ohjata polttoaineen sulkuventtiilin avulla seuraavasti:
Omistaja ja käyttäjä voivat estää loukkaantumisia tai omaisuusvahinkoja aiheuttavat tapaturmat ja ovat siksi vastuussa niistä.
Pukeudu asianmukaisesti. Käytä silmäsuojaimia, pitkälahkeisia housuja, tukevia liukastumisen estäviä kenkiä ja kuulosuojaimia. Sido pitkät hiukset. Älä käytä löysiä vaatteita tai riippuvia koruja.
Älä käytä konetta sairaana, väsyneenä tai alkoholin tai huumaavien aineiden vaikutuksen alaisena.
Koneen käyttö vaatii käyttäjän täyden huomion. Jos käyttäjän huomio keskittyy muualle, saattaa seurata henkilö- tai omaisuusvahinko.
Varmista ennen koneen käynnistämistä, että kaikki käytöt ovat vapaalla ja että seisontajarru on kytketty. Käynnistä kone ollessasi käyttäjän paikalla.
Älä päästä sivullisia ja lapsia käyttöalueelle. Jos läsnä on oltava työtovereita, varmista, että ruohonkeräin on asennettu koneeseen.
Käytä konetta vain hyvän näkyvyyden vallitessa, jotta vältät kuopat ja muut piilevät vaarat.
Älä käytä konetta ukonilman aikana.
Vältä märän ruohon leikkuuta. Epävakaalla alustalla on helppo liukastua ja kaatua.
Älä pane käsiä tai jalkoja leikkuuyksikköön.
Katso taakse ja alas ennen peruuttamista ja varmista, että reitti on vapaa.
Ole varovainen lähestyessäsi kulmia, joissa on huono näkyvyys, pensaita, puita tai muita näköesteitä.
Pysäytä leikkuuyksikkö aina, kun et leikkaa ruohoa.
Kytke leikkuuyksikön käyttö pois ja sammuta moottori ennen leikkuukorkeuden säätämistä.
Älä koskaan käytä moottoria tilassa, johon voi kertyä pakokaasuja.
Älä jätä käynnissä olevaa konetta ilman valvontaa.
Ennen käyttäjän paikalta poistumista:
Pysäköi kone tasaiselle alustalle.
Vapauta leikkuuyksikkö.
Kytke seisontajarru.
Sammuta koneen moottori ja irrota virta-avain (jos varusteena).
Odota, että kaikki liikkuvat osat ovat pysähtyneet.
Katkaise koneesta virta ennen keräimen tyhjennystä.
Älä koske moottoriin, äänenvaimentimeen tai pakoputkeen moottorin ollessa käynnissä tai pian sen sammuttamisen jälkeen, sillä nämä osat voivat olla polttavan kuumia.
Sammuta kone ja kytke leikkuuyksikkö pois käytöstä seuraavissa tilanteissa:
ennen polttoainesäiliön täyttämistä
ennen tukkeuman poistamista
ennen ruohonkeräimen irrottamista
ennen leikkuuyksikön tarkistusta, puhdistusta tai huoltoa
jos laite osuu esteeseen tai tärisee epätavallisesti. tarkasta, onko leikkuuyksikössä vaurioita, ja korjaa ne ennen koneen käynnistämistä ja käyttämistä
ennen käyttäjän paikalta poistumista.
Käytä vain The Toro® Companyn hyväksymiä lisälaitteita ja varusteita.
Rinteissä on huomattava koneen hallinnan menettämisen ja kaatumisen vaara. Tällaiset onnettomuudet voivat aiheuttaa vakavan tapaturman tai kuoleman. Käyttäjä on vastuussa turvallisesta käytöstä rinteissä. Koneen käyttö rinteissä edellyttää erityistä huolellisuutta. Suorita seuraavat toimenpiteet ennen koneen käyttöä rinteessä:
Lue ja sisäistä käyttöoppaassa ja koneessa olevat rinnekäytön ohjeet.
Arvioi leikkuupaikan olosuhteet ja määritä niiden perusteella, onko rinne turvallinen koneen käyttöön. Tee arviointi huolellisesti ja harkiten. Maaston olosuhteiden muutokset, kuten kosteus, saattavat vaikuttaa nopeasti koneen toimintaan rinteessä.
Käytä konetta poikittain rinteissä, älä koskaan ylös ja alas. Vältä käyttöä erittäin jyrkillä tai liukkailla rinteillä. Epävakaalla alustalla on helppo liukastua ja kaatua.
Tunnista vaarat rinteen juurella. Älä käytä konetta pudotusten, ojien, vallien, vesiesteiden tai muiden vaarojen lähellä. Kone voi kaatua yllättäen, jos pyörä menee reunan yli tai jos reuna sortuu. Pidä turvaväli koneen ja mahdollisten vaarapaikkojen välillä. Käytä tällaisilla alueilla käsikäyttöistä työkalua.
Vältä koneen käynnistämistä, pysäyttämistä tai kääntämistä rinteissä. Vältä nopeuden tai suunnan äkillistä muuttamista. Käänny hitaasti ja vähän kerrallaan.
Älä käytä konetta olosuhteissa, joissa pito, ohjaus tai vakaus ovat kyseenalaisia. Huomaa, että koneen käyttö märässä ruohossa, poikittain rinteissä tai alamäessä saattaa johtaa koneen pidon menettämiseen. Pidon menetys vetopyörissä saattaa aiheuttaa luisumisen ja jarrujen ja ohjauksen hallinnan menetyksen. Kone voi luisua, vaikka vetopyörät on pysäytetty.
Poista tai merkitse esteet, kuten ojat, kuopat, urat, töyssyt, kivet tai muut piilevät vaarat. Korkea ruoho voi peittää esteet. Maaston epätasaisuudet voivat kaataa koneen.
Jos menetät laitteen hallinnan, pysy poissa koneen kulkusuunnasta.
Pidä vaihde kytkettynä, kun ajat rinnettä alas. Älä laskeudu alamäkeen vapaalla (koskee ainoastaan vaihteistolla varustettuja yksiköitä).
Note: Tässä osassa käsiteltävien ohjauslaitteiden kuvat ja kuvaukset ovat kohdassa Ohjauslaitteet.
Note: Varmista, että sytytystulpan johto on kiinnitetty sytytystulppaan.
Varmista, että vetovipu ja kelan käyttövipu ovat VAPAUTETTU-asennossa.
Note: Moottori ei käynnisty, jos vetovipu on KYTKETTY-asennossa.
Varmista, että polttoaineen sulkuventtiili on avoinna.
Siirrä virtakytkin KäYNNISSä-asentoon.
Siirrä kaasuvipu NOPEA-asentoon.
Aseta rikastinvipu RIKASTUS- ja KäYNNISSä-asentojen puoliväliin käynnistäessäsi kylmää moottoria.
Note: Rikastusta ei ehkä tarvita, kun käynnistetään lämmintä moottoria.
Vedä narukäynnistimen kahvaa ulospäin, kunnes se kytkeytyy, ja käynnistä sitten moottori vetämällä kahvaa voimakkaasti.
Important: Älä vedä narukäynnistimen narua ääriasentoon tai päästä irti käynnistimen kahvasta narun ollessa ulkona, sillä naru voi katketa ja käynnistin voi vaurioitua.
Siirrä rikastinvipu KäYNNISSä-asentoon, kun moottori lämpenee.
Aseta vetovipu ja kelan käyttövipu VAPAUTETTU-asentoon.
Siirrä kaasuvipu HIDAS-asentoon.
Siirrä virtakytkin PYSäYTYS-asentoon.
Sulje polttoaineen sulkuventtiili ennen koneen varastoimista tai kuljettamista.
Important: Leikkuujäte toimii leikkuun aikana voiteluaineen tavoin. Leikkuuyksikön liiallinen käyttö ilman leikkuujätteitä saattaa vaurioittaa leikkuuyksikköä.
Leikkaa ruohoa suoraan eteen ja taaksepäin viheriön poikki.
Vältä pyörivää liikettä tai koneen kääntämistä viheriöllä, jotta nurmi ei vaurioidu.
Käännä kone viheriön ulkopuolella nostamalla leikkuukelaa (paina kahva alas) ja kytkemällä vetorumpu käyttöön.
Leikkaa normaalilla kävelynopeudella. Nopea vauhti säästää vain hieman aikaa, ja tuloksena on huonolaatuinen leikkuujälki.
Suora linja ja sopiva etäisyys edellisen leikkuuradan reunasta on helpompi säilyttää ruohonkeräimessä olevien ohjausviivojen avulla (Kuva 20).

Jos konetta käytetään heikossa valaistuksessa, käytä LED-valosarjaa. Ota yhteys valtuutettuun Toro-jälleenmyyjään.
Important: Älä käytä tässä koneessa muita valojärjestelmiä, sillä ne eivät toimi oikein moottorin tuottaman vaihtovirran kanssa.
Koneen asianmukainen käyttö takaa sujuvimman ruohonleikkuun. Myös kohdassa Käyttövihjeitä on neuvoja, joilla konetta voi käyttää tehokkaimmin.
Important: Leikkuuyksikön liiallinen käyttö ilman leikkuujätteitä (voiteluainetta) saattaa vaurioittaa leikkuuyksikköä.
Käynnistä moottori, aseta kaasuvipu alhaiselle nopeudelle, nosta leikkuuyksikkö painamalla kahva alas, aseta vetovipu KYTKETTY-asentoon ja kuljeta kone viheriön reunalle.
Aseta vetovipu VAPAUTETTU-asentoon ja kelan kytkentävipu KYTKETTY-asentoon.
Aseta vetovipu KYTKETTY-asentoon, lisää kaasua, kunnes kone liikkuu haluamallasi nopeudella, aja kone viheriölle, laske koneen etuosa maahan ja leikkaa.
Kun ruoho on leikattu, aja leikkuri pois viheriöltä, aseta vetovipu VAPAUTETTU-asentoon, sammuta moottori ja paina kelan käyttövipu VAPAUTETTU-asentoon.
Tyhjennä ruohonkeräin leikkuujätteestä, asenna keräin takaisin paikalleen ja aloita koneen kuljetus.
Aja leikkuri pois nurmelta, aseta kelan käyttövipu ja vetovipu VAPAUTA-asentoon ja sammuta moottori.
Tyhjennä ruohonkeräin leikkuujätteestä, asenna keräin takaisin paikalleen leikkuriin ja siirrä kone säilytykseen.
Sammuta moottori, irrota virta-avain (jos varusteena) ja odota, että kaikki liikkuvat osat pysähtyvät, ennen kuin poistut käyttäjän paikalta. Anna koneen jäähtyä ennen säätöä, huoltoa, puhdistusta tai varastointia.
Ehkäise tulipalovaara puhdistamalla kone ruohosta ja leikkuujätteistä. Puhdista öljy- ja polttoaineroiskeet.
Anna moottorin jäähtyä ennen koneen varastointia suljettuun tilaan.
Älä säilytä konetta tai polttoainesäiliötä tilassa, jossa on avotuli, kipinöitä tai varmistusliekki (esimerkiksi vedenlämmitin tai muu vastaava laite).
Pienennä kaasuasetusta ennen moottorin sammuttamista ja sulje polttoaineen sulkuventtiili (jos varusteena) leikkuun jälkeen.
Siirrä kone leikkuun jälkeen pois työalueelta. Katso kohta Koneen kuljetus kuljetuspyörien avulla tai Koneen kuljetus perävaunun avulla.
Koneen kunnossapidon laiminlyönti voi aiheuttaa koneen järjestelmien ennenaikaisen vioittumisen, mikä voi johtaa käyttäjän tai sivullisten loukkaantumiseen.
Pidä kone hyvin huollettuna ja hyvässä toimintakunnossa näiden ohjeiden mukaisesti.
Note: Koneen vasen ja oikea puoli määritellään normaalista käyttöasennosta käsin.
Important: Älä kallista konetta yli 25:tä astetta. Jos konetta kallistetaan yli 25 astetta, öljyä alkaa vuotaa palotilaan ja/tai polttoainetta alkaa vuotaa polttoainesäiliön korkista.
Important: Lisää huoltotoimenpiteitä on moottorin käyttöoppaassa.
Ennen käyttäjän paikalta poistumista:
Pysäköi kone tasaiselle alustalle.
Siirrä kaasu alhaisen joutokäyntinopeuden asentoon.
Vapauta leikkuuyksiköt.
Varmista, että veto on vapaalla.
Kytke seisontajarru.
Sammuta koneen moottori ja irrota virta-avain (jos varusteena).
Odota, että kaikki liikkuvat osat ovat pysähtyneet.
Anna koneen osien jäähtyä ennen huoltoa.
Jos mahdollista, älä huolla konetta sen ollessa käynnissä. Pysy etäällä liikkuvista osista.
Jos moottorin on oltava käynnissä huoltosäädön aikana, pidä kätesi, jalkasi, vaatteesi ja kaikki kehosi osat kaukana leikkuuyksiköstä, lisälaitteista, moottorista ja liikkuvista osista. Sivulliset on pidettävä työskentelyalueen ulkopuolella.
Vähennä tulipalon vaaraa poistamalla ruoho ja leikkuujäte leikkuuyksiköstä, käytöstä, äänenvaimentimesta, jäähdytyssäleiköistä ja moottorista. Puhdista öljy- ja polttoaineroiskeet.
Pidä kaikki osat hyvässä kunnossa. Vaihda kuluneet, vaurioituneet tai puuttuvat osat ja tarrat. Huolehdi, että kaikki kiinnitystarvikkeet ovat tiukasti kiinni, jotta konetta on turvallista käyttää.
Tarkista ruohonkerääjän osat säännöllisesti ja vaihda ne tarvittaessa.
Käytä vain Toro-alkuperäisvaraosia, jotta kone toimii turvallisesti ja parhaalla mahdollisella tavalla. Muiden valmistajien varaosat voivat osoittautua vaarallisiksi, ja niiden käyttö voi johtaa tuotteen takuun raukeamiseen.
Jos ajoneuvo vaatii suurempaa korjausta tai jos tarvitset apua, ota yhteys valtuutettuun Toro-jälleenmyyjään.
| Huoltoväli | Huoltotoimenpide |
|---|---|
| 20 ensimmäisen käyttötunnin jälkeen |
|
| Aina ennen käyttöä tai päivittäin |
|
| 25 käyttötunnin välein |
|
| 50 käyttötunnin välein |
|
| 100 käyttötunnin välein |
|
| 300 käyttötunnin välein |
|
| 1000 käyttötunnin välein |
|
Important: Ota tästä sivusta kopioita.
| Tarkistettavat kohdat | Viikolle: | ||||||
|---|---|---|---|---|---|---|---|
| Ma | Ti | Ke | To | Pe | La | Su | |
| Tarkista turvajärjestelmän toiminta. | |||||||
| Tarkista seisontajarrujen toiminta. | |||||||
| Tarkista polttoaineen määrä. | |||||||
| Tarkista moottoriöljyn määrä. | |||||||
| Tarkista ilmansuodatin. | |||||||
| Puhdista moottorin jäähdytysrivat. | |||||||
| Kuuntele, kuuluuko moottorista epätavallisia ääniä. | |||||||
| Kuuntele, kuuluuko käytettäessä outoja ääniä. | |||||||
| Tarkista kelan ja kiinteän terän kohdistus. | |||||||
| Tarkista leikkuukorkeussäätö. | |||||||
| Rasvaa kaikki nipat. | |||||||
| Korjaa maalipinnan vauriot. | |||||||
| Tarkastuksen suoritti: | ||
| Vika | Päivämäärä | Tiedot |
Joku voi käynnistää moottorin huollon tai säätämisen aikana. Moottorin käynnistys vahingossa voi aiheuttaa vakavan tapaturman käyttäjälle tai sivullisille.
Sammuta moottori, kytke seisontajarru ja irrota sytytystulppien johdot ennen kuin ryhdyt kunnossapitotöihin. Työnnä johdot sivuun, jotta ne eivät vahingossa kosketa sytytystulppia.
Tee seuraavat toimenpiteet ennen koneen huoltoa, puhdistusta ja säätöä.
Pysäköi kone tasaiselle alustalle.
Sammuta moottori ja irrota avain koneesta (jos on).
Kytke seisontajarru.
Odota, että kaikki liikkuvat osat pysähtyneet, ja anna moottorin jäähtyä ennen sen säätämistä, puhdistamista, varastoimista tai korjaamista.
Irrota sytytystulpan johto (Kuva 21).

| Huoltoväli | Huoltotoimenpide |
|---|---|
| 25 käyttötunnin välein |
|
Rasvaa ruohonleikkurin 12 rasvanippaa litiumpohjaisella rasvalla nro 2. Parhaan tuloksen saat käyttämällä käsikäyttöistä voitelupistoolia.
Rasvanipat sijaitsevat seuraavasti:
2 eturullassa (Kuva 22)
2 kelan laakereissa (Kuva 22)
2 rummun akseleissa (Kuva 23)
3 tasauspyörästössä (Kuva 23)
2 kelan väliakselin laakereissa (Kuva 24)
1 kiristinpyörän tapeissa (Kuva 25).
Pyyhi kukin rasvanippa puhtaalla kankaalla.
Pumppaa rasvaa kuhunkin nippaan.
Important: Älä käytä liikaa painetta, koska muutoin rasvatiivisteet saattavat vaurioitua pysyvästi.
Pyyhi pois ylimääräinen rasva.




Älä muuta kierrosnopeussäätimen nopeutta tai käytä moottoria ylikierroksilla.
Käytä moottoria, kunnes polttoaine loppuu, tai poista polttoaine käsipumpulla, älä koskaan lapolla. Jos joudut tyhjentämään polttoainesäiliön, tee se ulkona.
Täytä kampikammio noin 0,56 litralla viskositeetiltaan oikeaa öljyä ennen käynnistystä. Moottorissa voidaan käyttää korkealaatuista öljyä, jonka API-huoltoluokitus (American Petroleum Institute) on vähintään SJ. Valitse sopiva öljyn viskositeetti (paino) ympäristön lämpötilan mukaan. Kuva 26 näyttää lämpötilan mukaiset viskositeettisuositukset.

Note: Moniasteöljyt (5W-20, 10W-30 ja 10W-40) lisäävät öljyn kulutusta. Jos käytät näitä öljyjä, tarkista moottoriöljyn määrä useammin.
| Huoltoväli | Huoltotoimenpide |
|---|---|
| Aina ennen käyttöä tai päivittäin |
|
Paras hetki tarkistaa moottoriöljyn määrä on silloin, kun moottori on jäähtynyt, tai ennen kuin käynnistät moottorin työpäivän alussa. Jos moottori on jo ollut käynnissä, anna öljyn valua takaisin öljypohjaan ainakin kymmenen minuutin ajan ennen kuin tarkistat moottoriöljyn määrän.
Sammuta moottori ja odota, kunnes kaikki liikkuvat osat ovat pysähtyneet. Katso kohta Koneen valmistelu huoltoa varten.
Aseta kone siten, että moottori on vaakasuorassa, ja puhdista öljyn täyttöputken ympärillä oleva alue (Kuva 27).

Irrota mittatikku kääntämällä sitä vastapäivään.
Irrota mittatikku ja pyyhi sen pää puhtaaksi.
Asenna mittatikku kokonaan öljyntäyttöputkeen, mutta älä kierrä sitä kiinni.
Irrota mittatikku ja tarkista moottorin öljymäärä (Kuva 28).

Jos moottorin öljymäärä ei ole oikea, lisää tai tyhjennä öljyä oikealle tasolle. Katso kohta Moottoriöljyn vaihto.
| Huoltoväli | Huoltotoimenpide |
|---|---|
| 20 ensimmäisen käyttötunnin jälkeen |
|
| 100 käyttötunnin välein |
|
Öljy voi olla kuumaa moottorin käytön jälkeen. Kuuma moottoriöljy voi aiheuttaa vakavia vammoja.
Älä koske kuumaan moottoriöljyyn.
Sammuta moottori ja odota, kunnes kaikki liikkuvat osat ovat pysähtyneet. Katso kohta Koneen valmistelu huoltoa varten.
Aseta tyhjennystulpan alle astia öljyä varten.
Irrota tyhjennystulppa, aluslaatta ja mittatikku (Kuva 27).
Aseta moottori niin, että öljy valuu moottorista.
Kun öljy on tyhjentynyt kokonaan, siirrä moottori vaakasuoraan asentoon ja asenna tyhjennystulppa ja uusi aluslaatta.
Note: Toimita käytetty öljy valtuutetun jälleenkäsittelylaitoksen hävitettäväksi.
Kaada öljyä hitaasti öljyntäyttöaukkoon, kunnes öljy on oikealla tasolla.
Varmista, että mittatikun öljymäärä on oikea. Katso kohta Moottorin öljymäärän tarkistus.
Kierrä mittatikku öljyntäyttöaukkoon.
Pyyhi läikkynyt öljy pois.
Kytke johto sytytystulppaan.
| Huoltoväli | Huoltotoimenpide |
|---|---|
| Aina ennen käyttöä tai päivittäin |
|
| 50 käyttötunnin välein |
|
| 300 käyttötunnin välein |
|
Important: Älä käytä moottoria ilman ilmansuodatinkokoonpanoa; seurauksena voi olla erittäin vakava moottorivaurio.
Sammuta moottori ja odota, kunnes kaikki liikkuvat osat ovat pysähtyneet. Katso kohta Koneen valmistelu huoltoa varten.
Irrota siipimutteri, jolla ilmanpuhdistimen suojus on kiinnitetty (Kuva 29).
Irrota ilmanpuhdistimen suojus.
Note: Varmista, että ilmanpuhdistimen suojuksesta ei putoa likaa tai roskia suodattimen kantaan.
Irrota vaahtomuovi- ja paperipanos suodattimen kannasta.
Irrota vaahtomuovipanos paperipanoksesta.
Tarkasta vaahtomuovi- ja paperipanokset ja vaihda ne, jos ne ovat vaurioituneet tai hyvin likaiset.

Puhdista paperipanos liasta napauttamalla sitä kevyesti.
Note: Älä harjaa likaa paperipanoksesta, sillä harjaaminen työntää lian kuituihin. Vaihda panos, jos lika ei poistu siitä napauttamalla.
Puhdista vaahtomuovipanos lämpimällä saippuavedellä tai syttymättömällä liuotinaineella.
Note: Älä puhdista vaahtomuovipanosta bensiinillä, sillä bensiini voi aiheuttaa tulipalon tai räjähdyksen.
Huuhtele ja kuivaa vaahtomuovipanos huolellisesti.
Pyyhi lika kannasta ja suojuksesta kostealla liinalla.
Note: Varmista, että kaasuttimeen johtavaan ilmakanavaan ei pääse likaa ja roskia.
Asenna ilmanpuhdistimen panokset ja varmista, että ne ovat oikein paikoillaan. Asenna alempi siipimutteri.
Asenna suojus ja kiinnitä se asentamalla ylempi siipimutteri.
| Huoltoväli | Huoltotoimenpide |
|---|---|
| 100 käyttötunnin välein |
|
| 300 käyttötunnin välein |
|
Käytä NGK BPR6ES -sytytystulppaa tai vastaavaa.
Sammuta moottori ja odota, kunnes kaikki liikkuvat osat ovat pysähtyneet. Katso kohta Koneen valmistelu huoltoa varten.
Puhdista sytytystulpan ympäristö.
Irrota sytytystulppa sylinterinkannesta.
Important: Vaihda viallinen tai likainen sytytystulppa. Älä hiekkapuhalla, raaputa tai puhdista elektrodeja, sillä tulpasta saattaa irrota karstaa sylinteriin, mikä voi vaurioittaa moottoria.
Aseta sytytystulpan kärkiväliksi 0,7–0,8 mm.

Asenna sytytystulppa varovasti käsin (jotta se ei mene väärin kierteisiin) ja kiristä se käsitiukkuuteen.
Kiristä sytytystulppaa vielä ½ kierrosta, jos se on uusi. Muussa tapauksessa kiristä vielä ⅛–¼ kierrosta.
Important: Löystyneestä sytytystulpasta voi tulla erittäin kuuma ja se voi vaurioittaa moottoria. Sytytystulpan ylikiristäminen voi vaurioittaa sylinterinkannen kierteitä.
Kytke johto sytytystulppaan.
Toimi seuraavasti, jos vedon turvakytkintä on säädettävä tai jos se on vaihdettava.
Varmista, että moottori on sammutettu ja että vetovipu on vapautettu ja vapaa-asennon pysäytintä vasten (Kuva 31).

Löysää turvakytkimen kiinnittimiä (Kuva 31).
Aseta vetovivun ja turvakytkimen väliin välilevy, jonka paksuus on 0,8 mm (Kuva 31).
Kiristä turvakytkimen kiinnittimet ja tarkasta väli uudelleen.
Note: Vetovipu ei saa koskettaa kytkintä.
Kytke vetovipu ja tarkista, että turvakytkimessä ei kulje sähkövirtaa.
Note: Vaihda kytkin tarvittaessa.
Jos käyttö- tai seisontajarru luistaa käytön aikana, säädä sitä.
Kytke käyttöjarru ja työnnä seisontajarrun nuppia sisään, jotta käyttöjarru asettuu seisontajarrun tapin päälle (Kuva 32).

Paina käyttöjarrun vipua taaksepäin jousivaa’alla (Kuva 33). Seisontajarrun on vapauduttava, kun voima on 13,5–18 kg. Jos seisontajarru vapautuu ennen kuin voima on 13,5–18 kg, jarruvaijeria on säädettävä.

Löysää kiilahihnan suojuksen kiinnike ja käännä suojus auki (Kuva 34).

Jarruvaijerin kireys säädetään seuraavasti.
Löysää vaijeria löysäämällä etummaista vaijerin vastamutteria ja kiristämällä takimmaista vastamutteria (Kuva 35). Toista vaiheet 1 ja 2 ja säädä kireyttä tarvittaessa.
Kiristä vaijeria kiristämällä etummaista vaijerin vastamutteria ja löysäämällä takimmaista vastamutteria (Kuva 35). Toista vaiheet 1 ja 2 ja säädä kireyttä tarvittaessa.
Note: Vaijeri voidaan säätää ohjauspaneelin viereisten vastamutterien kannattimien kohdalla tai moottorin jalustassa olevan kannattimen kohdalla.

Sulje suojus ja asenna kiinnike.
Varmista, että hihnat on kiristetty oikein. Tämä varmistaa koneen oikean toiminnan ja estää turhan kulumisen. Tarkista hihnat säännöllisesti.
Irrota hihnasuojuksen kiinnittimet ja hihnasuojus, jotta saat hihnan näkyviin (Kuva 36).

Tarkista hihnan kireys painamalla hihnaa hihnapyörien keskeltä 18–22 N:n voimalla (Kuva 37). Hihnan täytyy painua 6 mm.

Säädä hihnan kireys seuraavasti:
Löysää kiristinpyörän kiinnitysmutteria ja kierrä pyörää myötäpäivään hihnan takaosaa kohden, kunnes hihnan kireys on oikea (Kuva 37).
Important: Älä kiristä hihnaa liikaa.
Lukitse säätö kiristämällä mutteri.
Asenna hihnan suojus paikoilleen.
Säilytä pieni rako suojuksen tiivisteen ja sivulevyn välissä samalla, kun asennat kaikki kiinnityspultit siten, että kierteet tavoittavat holkit.
Note: Raon kautta voit myös silmämääräisesti kohdistaa pultit kierteillä varustettuihin holkkeihin.
Kun kaikki pultit on asennettu, kiristä niitä, kunnes suojuksen sisäpuoliset pidikkeet koskettavat sivulevyyn.
Note: Älä kuitenkaan kiristä pultteja liiaksi.
Irrota hihnasuojuksen kiinnittimet ja hihnasuojus, jotta saat hihnan näkyviin (Kuva 38).

Tarkista hihnan kireys painamalla hihnaa hihnapyörien keskeltä 18–22 N:n voimalla (Kuva 39).
Note: Hihnan täytyy painua 6 mm.

Säädä hihnan kireys seuraavasti:
Löysää kiristinpyörän kiinnitysmutteria ja kierrä pyörää myötäpäivään hihnan takaosaa kohden, kunnes hihnan kireys on oikea (Kuva 39).
Important: Älä kiristä hihnaa liikaa.
Lukitse säätö kiristämällä mutteri.
Asenna hihnan suojus paikoilleen.
Säilytä pieni rako suojuksen tiivisteen ja sivulevyn välissä samalla, kun asennat kaikki kiinnityspultit siten, että kierteet tavoittavat holkit.
Note: Raon kautta voit myös silmämääräisesti kohdistaa pultit kierteillä varustettuihin holkkeihin.
Kun kaikki pultit on asennettu, kiristä niitä, kunnes suojuksen sisäpuoliset pidikkeet koskettavat sivulevyyn.
Note: Älä kuitenkaan kiristä pultteja liiaksi.
Irrota pultit, jotka kiinnittävät tasauspyörästön suojuksen etu- ja takaosat tasauspyörästön koteloon, ja liu’uta suojuksen osat pois paikoiltaan saadaksesi hihnan esiin.
Tarkista hihnan kireys painamalla hihnaa hihnapyörien keskeltä 22–26 N:n voimalla (Kuva 40).
Note: Hihnan pitäisi painua 6 mm.

Säädä hihnan kireys seuraavasti:
Löysää kiristinpyörän kiinnitysmutteria ja kierrä pyörää myötäpäivään hihnan takaosaa kohden, kunnes hihnan kireys on oikea (Kuva 40).
Important: Älä kiristä hihnaa liikaa.
Lukitse säätö kiristämällä mutteri.
Asenna hihnan suojus paikoilleen.
Säilytä pieni rako suojuksen tiivisteen ja sivulevyn välissä samalla, kun asennat kaikki kiinnityspultit siten, että kierteet tavoittavat holkit. Raon kautta voit myös silmämääräisesti kohdistaa pultit kierteillä varustettuihin holkkeihin.
Kun kaikki pultit on asennettu, kiristä niitä, kunnes suojuksen sisäpuoliset pidikkeet koskettavat sivulevyyn. Älä kuitenkaan kiristä pultteja liiaksi.
Tarkista vedon käyttövivun säädöt ennen kiilahihnojen kireyden säätämistä; katso Vedon käyttövivun säätö.
Jos hihnat luistavat edelleen vedon käyttövivun säätämisen jälkeen, siirry seuraavaan vaiheeseen.
Löysää kiilahihnan suojuksen kiinnike ja käännä suojus auki (Kuva 41).

Kiristä hihnaa löysäämällä moottorin kiinnityspultit ja siirtämällä moottoria taaksepäin rei’issä.
Important: Älä kiristä hihnaa liikaa.
Kiristä kiinnityspultit.
Note: Käytettävän ja käyttävän pyörän keskikohtien etäisyyden on oltava noin 12,7 cm uusien kiilahihnojen asennuksen jälkeen.
Tarkista kiilahihnojen kiristyksen jälkeen moottorin ulostuloakselin hihnapyörän ja väliakselin hihnapyörän kohdistus suoralla kulmalla.
Jos hihnapyörät on kohdistettu väärin, löysää moottorin asennusalustan koneen runkoon kiinnittäviä ruuveja ja liu’uta moottoria sivulta sivulle, kunnes hihnapyörät kohdistuvat 0,7 mm:n tarkkuudella.
Kiristä kiinnitysruuvit ja tarkista kohdistus.
Jotta voit helpommin vetää tai työntää konetta moottoria käynnistämättä, säädä hihnanohjain (kuvaKuva 42, pikkukuva) seuraavasti:
Kytke kytkin päälle.
Löysää lukkomutteria, jolla kiristinpyörä ja hihnanohjain on kiinnitetty kiristinpyörän varteen.
Pyöritä hihnanohjainta myötäpäivään, kunnes ohjaintapin ja käyttöhihnojen takaosien välinen rako on noin 1,5 mm.
Kiristä lukkomutteri, jolla kiristinpyörä ja hihnanohjain on kiinnitetty kiristinpyörän varteen.

Sulje suojus ja asenna kiinnike.
Irrota pultit, joilla vetopyörän ja kelan käyttöhihnan suojukset on kiinnitetty oikeanpuoleiseen levyyn, ja irrota sitten hihnasuojukset.
Löysää hihnaa löysäämällä jokaisen kiristinpyörän kiinnitysmutteria ja käännä jokaista kiristinpyörää vastapäivään poispäin hihnojen takaosasta.
Irrota hihnat.
Irrota pultit, joilla tasauspyörästön suojuksen etu- ja takaosat on kiinnitetty tasauspyörästön koteloon, ja liu’uta suojuksen osat pois paikoiltaan, jotta saat hihnan esiin (Kuva 43).

Löysää hihnaa löysäämällä tasauspyörästön kiristinpyörän kiinnitysmutteria ja käännä kiristinpyörää vastapäivään poispäin hihnojen takaosasta.
Irrota kaksi pulttia ja kaksi lukkomutteria, joilla kytkimen etukotelo on kiinnitetty sivulevyyn (Kuva 43).
Kierrä koteloa 180 °, jotta kotelon alaosa osoittaa ylöspäin.
Irrota kaksi pulttia ja kaksi lukkomutteria, joilla oikean laakerin takakotelo on kiinnitetty sivulevyyn (Kuva 43).
Kierrä koteloa 180 °, jotta kotelon alaosa osoittaa ylöspäin.
Irrota vanha hihna.
Liu’uta uusi hihna kotelonsuojusten ja tasauspyörästön suojusten yli ja edelleen tasauspyörästön hihnapyörille.
Varmista, että kiristinpyörä on asetettu hihnan takaosaa vasten.
Kierrä molemmat kotelot takaisin pystyasentoon ja kiinnitä ne sivulevyyn aikaisemmin irrotetuilla pulteilla ja muttereilla.
Säädä tasauspyörästön hihnan kireys; katso Tasauspyörästön hihnan säätö.
Säädä vetopyörän ja kelan käytön hihnojen kireys; katso Vetopyörän käyttöhihnan säätö ja Kelan käyttöhihnan säätö.
Asenna tasauspyörästön, vetopyörän ja kelan käyttöpyörän suojukset paikoilleen.
Poista vedon käyttövivun välys seuraavien ohjeiden avulla:
Aseta vedon käyttövipu VAPAUTETTU-asentoon.
Löysää kiilahihnan suojuksen kiinnike ja käännä suojus auki (Kuva 41).
Poista vedon käyttövivun välys löysäämällä vaijerin etummaista vastamutteria ja kiristämällä vaijerin takimmaista vastamutteria (Kuva 44), kunnes välystä ei enää ole.

Kiristä vaijerin etummainen vastamutteri.
Sulje suojus ja asenna kiinnike.
Tarkista vetovivun toiminta.
Ole varovainen, kun tarkastat leikkuuyksikön keloja. Käytä kelojen huollon aikana käsineitä ja noudata varovaisuutta.
Kulunut tai vaurioitunut terä tai kiinteä terä voi rikkoutua ja pala voi sinkoutua käyttäjää tai ohikulkijaa päin, mikä voi aiheuttaa vakavan henkilövahingon tai kuoleman.
Terät ja kiinteät terät on tarkistettava säännöllisesti liiallisen kulumisen ja vaurioiden varalta.
Ole varovainen, kun tarkastat teriä. Käytä käsineitä ja noudata varovaisuutta keloja huoltaessasi. Terät ja kiinteät terät saa ainoastaan vaihtaa tai läpätä. Niitä ei saa suoristaa eikä hitsata.
Pysäköi kone tasaiselle alustalle, mielellään teräslevyn päälle.
Aseta 0,6 × 2,5 cm:n pala litteää teräslistaa, pituudeltaan noin 73,6 cm, kelan terien alle ja kiinteän terän etureunaa vasten estääksesi runkopalkkia nojaamasta työskentelypintaan.
Nosta eturullaa siten, että vain takarumpu ja kela ovat työskentelypinnalla.
Paina konetta alaspäin kelan yläpuolelta, jotta kaikki kelan terät koskettavat teräslistaan.
Paina kelaa alaspäin ja liu’uta samalla rakotulkki rummun toisen pään alle ja tarkista sitten rummun toinen pää.
Note: Jos rummun ja työskentelypinnan välissä on yli 0,25 mm:n rako jommassakummassa päässä, säädä rumpua (siirry vaiheeseen 6). Jos rako on pienempi kuin 0,25 mm, säätämistä ei tarvita.
Irrota takahihnan suojus koneen oikealta puolelta (Kuva 45).

Pyöritä käytettävää hihnapyörää, kunnes reiät kohdistuvat neljän rullalaakerin laipan ruuveihin (Kuva 46).

Irrota neljä rullalaakerin ruuvia sekä ruuvi, jolla kiristinpyörä on kiinnitetty paikoilleen.
Nosta tai laske rullien oikeaa puolta, kunnes rako on alle 0,25 mm.
Kiristä rullalaakerin ruuvit.
Säädä hihnan kireyttä ja kiristä kiristinpyörän asennusruuvi (Kuva 46).
Säädä kiinteä terä kelaan hionnan, läppäyksen tai leikkuuyksikön purkamisen jälkeen. Tätä toimenpidettä ei ole tarkoitettu päivittäisiä säätötoimenpiteitä varten.
Pysäköi kone tasaiselle työskentelyalustalle.
Kallista konetta taaksepäin kahvasta saadaksesi kiinteän terän ja kelan näkyviin.
Important: Älä kallista konetta yli 25:tä astetta. Jos konetta kallistetaan yli 25 astetta, öljyä alkaa vuotaa palotilaan ja/tai polttoainetta alkaa vuotaa polttoainesäiliön korkista.
Käännä kelaa siten, että terä ylittää kiinteän terän särmän ensimmäisen ja toisen kiinteän terän ruuvin kannan välissä leikkuuyksikön oikealla puolella (Kuva 47).

Käännä kelaa siten, että terä ylittää kiinteän terän särmän ensimmäisen ja toisen kiinteän terän ruuvin kannan välissä leikkuuyksikön oikealla puolella.
Aseta 0,05 mm:n välilevy merkityn terän ja kiinteän terän särmän väliin kohdassa, jossa merkitty terä ylittää kiinteän terän särmän.
Käännä runkopalkin oikeanpuoleista säätöruuvia, kunnes tunnet kevyen paineen (vastuksen) välilevyssä, kun liikutat sitä sivulta toiselle (Kuva 47).
Irrota välilevy.
Siirry leikkuuyksikön vasemmalle puolelle ja käännä kelaa hitaasti siten, että lähin terä ylittää kiinteän terän särmän ensimmäisen ja toisen ruuvin kannan välistä.
Toista vaiheet 4–7 leikkuuyksikön vasemmalla puolella ja runkopalkin vasemmanpuoleiselle säätöruuville.
Toista vaiheet 5–7 käyttämällä samoja kontaktikohtia, kunnes kevyt vastus on saavutettu leikkuuyksikön oikealla ja vasemmalla puolella.
Luo kelan ja kiinteän terän välille kevyt kosketus kääntämällä kumpaakin runkopalkin säätöruuvia myötäpäivään kolme pykälää.
Note: Yksi runkopalkin säätöruuvin pykälä liikuttaa kiinteää terää 0,018 mm. Myötäpäivään kääntäminen siirtää kiinteän terän reunaa lähemmäksi kelaa ja vastapäivään kääntäminen siirtää kiinteän terän reunaa kauemmaksi kelasta.
Testaa leikkuutulos asettamalla pitkä liuska leikkaustuloksen testauspaperia kelan ja kiinteän terän väliin kohtisuoraan kiinteän terän suhteen (Kuva 48). Kierrä kelaa hitaasti eteenpäin. Sen pitäisi leikata paperi.

Note: Jos kosketus / kelan vastus on voimakas, voidaan läpätä, hioa kiinteän terän etureuna tai hioa leikkuuyksikkö, kunnes saadaan tarkassa leikkuussa tarvittavat terävät särmät.
Varmista, että takarulla on suorassa ja että kiinteän terän kosketus kelaan on säädetty oikein. Kallista konetta taaksepäin kahvasta saadaksesi etu- ja takarullat sekä kiinteän terän näkyviin.
Important: Älä kallista konetta yli 25:tä astetta. Jos konetta kallistetaan yli 25 astetta, öljyä alkaa vuotaa palotilaan ja/tai polttoainetta alkaa vuotaa polttoainesäiliön korkista.
Löysää lukkomuttereita, joilla leikkuukorkeusvarret on kiinnitetty leikkuukorkeuskannattimiin (Kuva 49).

Löysää mittapalkin mutteria (Kuva 50) ja aseta säätöruuvi haluamaasi leikkuukorkeuteen. Ruuvin kannan alaosan ja palkin etupuolen välinen etäisyys ilmaisee leikkuukorkeuden.

Kiinnitä ruuvin kanta kiinteän terän leikkuureunaan ja aseta palkin takapää takarullalle (Kuva 51).

Pyöritä säätöruuvia, kunnes rulla koskettaa mittapalkin etuosaa.
Säädä rullan molempia päitä, kunnes koko rulla on yhdensuuntainen kiinteän terän kanssa.
Important: Kun asetus on oikein, etu- ja takarullat koskettavat mittapalkkia ja ruuvi on tiiviisti kiinteää terää vasten. Näin varmistetaan, että leikkuukorkeus on sama kiinteän terän kummassakin päässä.
Lukitse säätö kiristämällä mutterit.
Important: Jotta kumpuilevia kohtia ei ajeta paljaiksi, on varmistettava, että telojen tuet on asetettu taaksepäin (rulla lähempänä kelaa).
Note: Eturulla voidaan asettaa kolmeen asentoon (Kuva 52) riippuen olosuhteista ja käyttäjän tarpeista.
Käytä etuasentoa, kun koneeseen on asennettu tasaaja.
Käytä keskiasentoa, kun tasaajaa ei ole asennettu.
Käytä kolmatta asentoa erittäin kumpuilevassa maastossa.

Säädä suojusta varmistaaksesi, että leikkuujäte ohjautuu kunnolla ruohosäiliöön.
Mittaa etäisyys etutukitangon yläosasta suojuksen etureunaan leikkuuyksikön molemmissa päissä (Kuva 53).

Suojuksen korkeus tukitangosta normaaleissa leikkuuolosuhteissa on 10 cm. Löysää pultit ja mutterit, joilla suojuksen päät on kiinnitetty sivulevyyn ja joilla säädetään suojuksen oikea korkeus.
Kiristä kiinnikkeet.
Note: Suojus voidaan laskea kuivissa olosuhteissa (leikkuujätteet lentävät ruohonkeräimen yli) tai nostaa erittäin märissä ja raskaissa olosuhteissa (leikkuujätteet kertyvät keräimen takaosaan).
Säädä leikkuutanko ja varmista, että leikkuujätteet poistuvat siististi kelan alueelta.
Löysää ruuveja, joilla ylätanko (Kuva 54) on kiinnitetty leikkuuyksikköön.

Aseta 1,5 mm:n rakotulkki kelan yläosan ja tangon väliin ja kiristä ruuvit.
Varmista, että tanko ja kela ovat yhtä etäällä toisistaan koko kelan matkalta.
Note: Tankoa voidaan säätää vastaamaan nurmen olosuhteissa tapahtuvia muutoksia. Tanko on säädettävä lähemmäs kelaa, kun nurmi on erittäin märkää. Toisaalta tanko on säädettävä kauemmas kelasta, kun nurmi on kuivaa. Tangon on oltava yhdensuuntainen kelan kanssa, jotta lopputulos olisi paras mahdollinen. Säädä tanko, kun säädät suojuksen korkeutta tai kun teroitat kelaa hiomalla.
Kun haluat määrittää, onko runkopalkki normaali vai aggressiivinen, tarkista runkopalkin vasemmat asennuskorvakkeet. Jos asennuskorvakkeet ovat pyöristetyt, runkopalkki on normaali. Jos asennuskorvakkeissa on lovi, runkopalkki on aggressiivinen (Kuva 55).

Käännä runkopalkin säätöruuvia vastapäivään, jotta kiinteä terä siirtyy etäämmälle kelasta (Kuva 56).

Löysää jousen kiristysmutteria, kunnes aluslaatta ei ole enää painunut runkopalkkia vasten (Kuva 56).
Löysää runkopalkin pultin vastamutteria koneen molemmilta puolilta (Kuva 57).

Irrota kaikki runkopalkin pultit, jotta runkopalkkia voidaan vetää alaspäin ja irrottaa koneesta. Aseta sivuun kaksi nailonista ja kaksi stanssattua teräksistä aluslaattaa runkopalkin kummastakin päästä (Kuva 57).
Asenna runkopalkki asettamalla asennuskorvakkeet aluslaatan ja runkopalkin säätimen väliin.
Kiinnitä runkopalkki kummaltakin puolelta pulteilla (pulteissa vastamutterit) ja kahdeksalla aluslaatalla.
Note: Aseta nailoninen aluslaatta sivulevyn keskiön kummallekin puolelle. Aseta teräksinen aluslaatta jokaisen nailonisen aluslaatan ulkopuolelle.
Kiristä pultit momenttiin 27–36 N·m.
Kiristä vastamuttereita, kunnes ulommat aluslaatat pääsevät juuri ja juuri pyörimään vapaasti.
Kiristä jousen kiristysmutteria, kunnes jousi on painunut kokoon, ja löysää sitten mutteria puoli kierrosta.
Säädä runkopalkkia; katso Kiinteän terän kohdistus kelaan.
Irrota tulppa oikeanpuoleisesta kelan käyttöpyörän suojuksesta (Kuva 58).

Aseta läppäyskoneeseen liitetty 1/2 tuuman hylsysarjan jatkovarsi kelan hihnapyörän keskellä olevaan neliömäiseen reikään.
Läppäysohjeet löytyvät oppaasta Toro Sharpening Reel and Rotary Mowers Manual, Form 80-300 PT.
Kelan tai muiden liikkuvien osien koskettaminen saattaa johtaa loukkaantumiseen.
Pysy etäällä kelasta, kun läppäät.
Älä käytä läppäykseen lyhytvartista pensseliä. Osanro 29-9100 kahvakokoonpano kokonaisuudessaan tai yksittäisinä osina on saatavana valtuutetuilta Toro-jälleenmyyjiltä.
Note: Saat paremman leikkuusärmän, jos pyyhkäiset kiinteän terän etusivua viilalla läppäyksen jälkeen. Tämä poistaa mahdolliset jäysteet ja särmät, joita on saattanut muodostua leikkuusärmään.
Asenna tulppa suojukseen toimenpiteen jälkeen.
Sammuta moottori, irrota virta-avain (jos varusteena) ja odota, että kaikki liikkuvat osat pysähtyvät, ennen kuin poistut käyttäjän paikalta. Anna koneen jäähtyä ennen säätöä, huoltoa, puhdistusta tai varastointia.
Älä säilytä konetta tai polttoainesäiliötä tilassa, jossa on avotuli, kipinöitä tai varmistusliekki (esimerkiksi vedenlämmitin tai muu vastaava laite).
Irrota ruohon jäämät, lika ja rasva koneen kaikista ulkoisista osista, etenkin moottorista. Puhdista lika ja roskat moottorin sylinterinkannen rivoista ja tuulettimen kotelosta.
Important: Kone voidaan pestä miedolla pesuaineella ja vedellä. Älä pese konetta painepesurilla. Älä käytä vettä ylen määrin etenkään vaihdevivun laatan ja moottorin läheisyydessä.
Lisää stabilointi-/lisäainetta polttoainesäiliöön, jos kone varastoidaan yli 30 päivän ajaksi.
Käytä moottoria viiden minuutin ajan, jotta lisäainetta sisältävä polttoaine kiertää koko polttoainejärjestelmässä.
Sammuta moottori, anna sen jäähtyä ja tyhjennä polttoainesäiliö tai anna moottorin käydä, kunnes se sammuu.
Käynnistä moottori ja anna sen käydä, kunnes se sammuu. Käynnistä moottori uudelleen rikastin suljettuna, kunnes moottori ei käynnisty.
Irrota sytytystulpan johto sytytystulpasta.
Hävitä polttoaine asianmukaisesti. Kierrätä se paikallisten asetusten mukaisesti.
Note: Stabilointiainetta/-lisäainetta sisältävää polttoainetta ei saa säilyttää polttoaineen stabilointiaineen valmistajan suositusta kauempaa.
Tarkista ja kiristä kaikki pultit, mutterit ja ruuvit. Korjaa tai vaihda kaikki kuluneet tai vaurioituneet osat.
Maalaa kaikki naarmuuntuneet tai paljaat metallipinnat. Maalia on saatavissa valtuutetulta Toro-jälleenmyyjältä.
Varastoi kone puhtaaseen, kuivaan autotalliin tai varastotilaan. Peitä kone suojataksesi sen ja pitääksesi sen puhtaana.