| Vedligeholdelsesintervaller | Vedligeholdelsesprocedure |
|---|---|
| Hver anvendelse eller dagligt |
|
Denne maskine er en håndplæneklipper med knivcylindere, der er beregnet til brug af professionelle, ansatte operatører i kommercielle anvendelsesområder. Den er primært beregnet til klipning af græs på velholdte plæner. Brug af dette produkt til andre formål end det tiltænkte kan udsætte dig selv og omkringstående for fare.
Læs denne vejledning omhyggeligt, så du kan lære at betjene og vedligeholde produktet korrekt samt undgå person- og produktskade. Det er dit ansvar at betjene produktet korrekt og sikkert.
Gå til www.Toro.com for at få materialer om produktsikkerhed og oplæring i betjening, oplysninger om tilbehør, hjælp til at finde en forhandler eller for at registrere dit produkt.
Når du har brug for service, originale Toro-dele eller yderligere oplysninger, bedes du kontakte en autoriseret Toro-forhandler samt have produktets model- og serienummer parat. Model- og serienummeret sidder på en plade på bagstellet. Skriv numrene, hvor der er gjort plads til dette.
Important: Scan QR-koden (hvis der er en) på serienummermærkaten med din mobilenhed for at få adgang til oplysninger om garanti, reservedele og andre produktoplysninger.

Denne vejledning advarer dig om mulige farer og giver dig særlige sikkerhedsoplysninger ved hjælp af advarselssymbolet (Figur 2), der angiver en fare, som kan forårsage alvorlig personskade eller død, hvis du ikke følger de anbefalede forholdsregler.

Denne betjeningsvejledning bruger to ord til at fremhæve oplysninger. Vigtigt henleder opmærksomheden på særlige mekaniske oplysninger, og Bemærk angiver generel information, som det er værd at lægge særligt mærke til.
Dette produkt overholder alle relevante EU-direktiver. Yderligere oplysninger fås på den separate produktspecifikke overensstemmelseserklæring.
Det er en overtrædelse af §4442 eller §4443 i California Public Resource Code at bruge eller betjene denne motor på et skovklædt, busk- eller græsbegroet område, medmindre motoren er forsynet med en gnistskærm som defineret i §4442, der holdes i god driftsmæssig stand, eller medmindre motoren er bygget, udstyret og vedligeholdt med henblik på brandforebyggelse.
Den medfølgende motorbetjeningsvejledning indeholder information om det amerikanske miljøbeskyttelsesagentur (Environmental Protection Agency, EPA) og Californiens bestemmelser vedrørende kontrol af motoremission for emissionssystemer, vedligeholdelse og garanti. Nye eksemplarer kan bestilles via motorfabrikanten.
Betjening af denne maskine i en højde på 1.500 m over havets overflade kræver en dyse til store højder. Se betjeningsvejledningen til din Honda-motor.
CALIFORNIEN
Advarsel i henhold til erklæring nr. 65
Udstødningsgassen fra dette produkt indeholder kemikalier, der ifølge staten Californien er kræftfremkaldende samt giver fødselsskader eller andre forplantningsskader.
Brug af dette produkt kan medføre eksponering over for kemikalier, der ifølge staten Californien er kræftfremkaldende og giver medfødte defekter eller andre forplantningsskader.
Denne maskine er designet i overensstemmelse med EN ISO 5395 og ANSI B71.4-2017 og opfylder disse standarder, når du monterer dødemandssættet og påkrævede mærkater.
Dette produkt kan afskære hænder og fødder samt udslynge genstande.
Læs og forstå indholdet i denne betjeningsvejledning, før du starter maskinen.
Betjening af maskinen kræver din fulde opmærksomhed. Betjen ikke maskinen samtidig med andre distraherende aktiviteter, da dette kan medføre personskade eller tingsskade.
Hold hænder og fødder væk fra bevægelige maskinkomponenter.
Betjen ikke maskinen, uden at alle afskærmninger og øvrige sikkerhedsanordninger sidder og fungerer korrekt på maskinen.
Hold omkringstående og børn væk fra arbejdsområdet. Lad aldrig børn betjene maskinen.
Sluk for motoren, tag nøglen ud (hvis udstyret hermed), og vent, til alle bevægelige dele er standset, inden du forlader førersædet. Lad maskinen køle af inden justering, eftersyn og rengøring af maskinen, eller inden den stilles til opbevaring.
Forkert brug eller forkert vedligeholdelse af maskinen kan medføre
personskade. Operatøren skal altid følge sikkerhedsanvisningerne
og være opmærksom på advarselssymbolet
, der betyder
Forsigtig, Advarsel eller Fare – personlig sikkerhedsanvisning,
for at nedsætte risikoen for personskade. Hvis disse forskrifter
ikke følges, kan det medføre personskade eller død.
![]() |
Sikkerheds- og instruktionsmærkaterne kan nemt ses af operatøren, og er placeret tæt på potentielle risikoområder. Beskadigede eller bortkomne mærkater skal udskiftes. |











Note: Maskinens venstre og højre side er som set fra den normale betjeningsposition.
Dele, der skal bruges til dette trin:
| Håndtag | 1 |
| Kabelbånd | 4 |
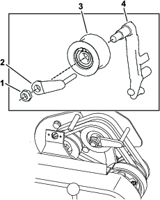
Fjern boltene (5/16"), låsemøtrikkerne, ringpindene og låseclipsene, der fastgør bunden af håndtagsarmene til hver side af maskinen (Figur 3).

Fjern boltene (⅜"), spændeskiverne og låseskiverne fra monteringstapperne på hver side af maskinen (Figur 3).
Sæt håndtagets ender gennem hullerne i håndtagsarmene, og juster hullerne ind efter monteringstapperne (Figur 3).
Klem håndtagets ender indad, og monter dem på monteringstapperne (Figur 4).

Fastgør håndtaget til monteringstapperne med de bolte (⅜"), spændeskiver og låseskiver, som du fjernede tidligere (Figur 4).
Brug de bolte (5/16"), låsemøtrikker, låseclips og ringpinde, som du fjernede tidligere, til at fastgøre håndtagets arme til stellets bagende (Figur 3).
Fastgør kablerne og ledningsnettet til håndtaget med kabelbåndene (Figur 5).

Se Figur 6 for denne procedure.

Fjern låseclipsene fra ringpindene på hver side af maskinen.
Fjern ringpindene fra hver side, mens du understøtter håndtaget, og hæv eller sænk håndtaget til den ønskede betjeningsposition.
Monter ringpindene og låseclipsene.
Dele, der skal bruges til dette trin:
| Højre hjulaksel | 1 |
| Venstre hjulaksel | 1 |
Skub støttebenet ned med foden, og træk op i håndtaget for at stille maskinen på støttebenet.
Påfør gevindlåseklæbemiddel på hjulakslernes gevind.
Skru den højre hjulaksel ind i drivremskiven på højre side af maskinen (Figur 7).
Note: Den højre hjulaksel har venstregevind.

Tilspænd akslen med et moment på 88 til 101 N·m.
Gentag trin 2 til 4 for at montere den venstre hjulaksel på venstre side af maskinen.
Dele, der skal bruges til dette trin:
| Transporthjul | 2 |
Skub støttebenet ned med foden, og træk op i håndtaget for at stille maskinen på støttebenet.
Skub et hjul på en aksel.
Drej hjulets låseclips væk fra hjulets midte, så det kan glide længere ind på akslen (Figur 8).

Drej hjulet frem og tilbage, indtil det glider helt over på akslen, og låseclipsen fastgøres i rillen på drivakslen.
Gentag proceduren på den modsatte side af maskinen.
Pump dækkene op til 0,82 til 1,03 bar.
Sænk forsigtigt maskinen ned fra støttebenet.
Før maskinen anvendes, skal følgende justeringer udføres:
Dele, der skal bruges til dette trin:
| Dødemandssæt (Bestilles separat. Kontakt din autoriserede Toro-forhandler.) | 1 |
Monter dødemandssættet (modelnr. 112-9282) i overensstemmelse med EN ISO 5395 og ANSI B71.4-2017. Se sættets monteringsvejledning.
Kontakt en autoriseret Toro-forhandler for at anskaffe dig dette sæt.
Dele, der skal bruges til dette trin:
| Mærkat med produktionsår | 1 |
| Mærkat med CE-mærke | 1 |
Hvis du anvender maskinen i et land, der efterkommer CE-standarderne, skal du påsætte mærkaten med produktionsår og mærkaten med CE-mærke i nærheden af serienummerpladen. Se Figur 9.

Dele, der skal bruges til dette trin:
| Græsopsamler | 1 |
Grib fat i græsopsamlerens overkant, og skub den på monteringsstængerne til opsamleren (Figur 10).

En indkøringsperiode på 8 timers klipning er tilstrækkelig.
De første timers drift er afgørende for maskinens fremtidige pålidelighed. Du skal holde nøje øje med maskinens ydeevne, så mindre problemer, der kan føre til større problemer, kan opdages og udbedres. I løbet af indkøringsperioden anbefales det at efterse maskinen hyppigt for tegn på olietab, løse fastgørelsesanordninger eller andre fejl.
Find oplysninger om olieskift og vedligeholdelsesprocedurer i tilkørselsperioden i motorens betjeningsvejledning.


Traktionsdrevgrebet (Figur 12) er placeret på forreste, højre side af kontrolpanelet. Det har to positioner: NEUTRAL og FORWARD (frem). Hvis håndtaget skubbes fremad, aktiveres traktionsdrevet.
Gashåndtaget (Figur 12) er placeret bagest til højre på kontrolpanelet. Regulatorarmen er forbundet med og aktiverer ledforbindelsen til karburatoren. Se Specifikationer for motorens hastighed.
Tænd-/slukkontakten (Figur 12) er placeret øverst på kontrolpanelet. Flyt kontakten til positionen ON (til) for at starte motoren og til positionen OFF (fra) for at slukke motoren.
Driftsbremsen (Figur 13) er placeret øverst i kontrolpanelets forreste venstre side. Du kan bruge bremsen til at sænke maskinens hastighed eller standse den.

Parkeringsbremsen (Figur 14) er placeret nederst på driftsbremsen. Indkobl driftsbremsen helt, og skub parkeringsbremseknappen, så driftsbremsen kan hvile på parkeringsbremsestiften. Indkobl driftsbremsen for at udløse parkeringsbremsen. Du skal udløse bremsen, før du indkobler traktionsdrevet.

Hvis maskinen er udstyret med et dødemandsgreb (Figur 12), findes dette bag på grebet. Skub dødemandsgrebet mod håndtaget. Du skal aktivere dødemandsgrebet, før du flytter traktionsdrevgrebet. Hvis du udløser dødemandsgrebet, slukkes motoren.
Knivcylinderdrevgrebet (Figur 15) er placeret på maskinens forreste højre hjørne. Grebet har 2 positioner:
INDKOBLING – flyt grebet fremad for at indkoble knivcylinderen.
UDKOBLING – flyt grebet bagud for at udkoble knivcylinderen.

Chokergrebet (Figur 16) er placeret forrest til venstre på motoren. Brug grebet til at hjælpe med at starte en kold motor. Se Brug af chokergrebet.

Brændstofafbryderventilen er placeret på siden af motoren under chokerhåndtaget (Figur 16).
Note: Luk brændstofafbryderventilen, når maskinen ikke skal bruges i et par dage, under transport til og fra arbejdsstedet samt når maskinen parkeres i en bygning. Se Åbning og lukning af brændstofafbryderventilen.
Træk i startsnorens håndtag (Figur 16) for at starte motoren.
| Modelspecifikationer | Model 04055 |
| Bredde | 91 cm |
| Højde | 114 cm |
| Længde med opsamler | 122 cm |
| Tørvægt (med opsamler og Wiehle-rulle, uden hjul eller trimmerknivcylinder) | 98 kg |
| Klippebredde | 53 cm |
| Klippehøjde | 1,6 mm til 31,8 mm |
| Klipning | 4,3 mm |
| Motorhastighed | Lav tomgangshastighed – 1.800 til 2.000 o/min. Høj tomgangshastighed – 3.350 til 3.550 o/min. |
Der kan fås en række forskelligt Toro-godkendt udstyr og tilbehør til brug sammen med maskinen, som gør den bedre og mere alsidig. Kontakt en autoriseret serviceforhandler eller autoriseret Toro-distributør, eller gå ind på www.Toro.com for at få en fortegnelse over alle godkendte redskaber og alt godkendt tilbehør.
Brug kun originale Toro-reservedele og tilbehør for at sikre optimal ydelse og sikre, at maskinen fortsat overholder sikkerhedscertificeringen. Reservedele og tilbehør, der er fremstillet af andre producenter, kan være farlige, og brug heraf kan gøre garantien ugyldig.
Note: Maskinens venstre og højre side er som set fra den normale betjeningsposition.
Maskinen må aldrig betjenes eller vedligeholdes af børn eller utrænet personale. Vær opmærksom på, at lokale forskrifter kan angive en mindstealder for operatøren. Ejeren er ansvarlig for at træne alle operatører og mekanikere.
Bliv fortrolig med anvisningerne for sikker betjening af udstyret samt med betjeningsanordningerne og sikkerhedssymbolerne.
Sluk for motoren, tag nøglen ud (hvis udstyret hermed), og vent, til alle bevægelige dele er standset, inden du forlader førersædet. Lad maskinen køle af inden justering, eftersyn og rengøring af maskinen, eller inden den stilles til opbevaring.
Du skal vide, hvordan man hurtigt standser og slukker for maskinen.
Kontroller, at dødemandsgrebene, sikkerhedskontakterne og beskyttelsesanordningerne er korrekt monteret og fungerer efter hensigten. Betjen ikke maskinen, hvis de ikke fungerer korrekt.
Efterse området, hvor maskinen skal bruges, og fjern alle objekter, som maskinen kan risikere at udslynge.
Vær yderst forsigtig, når du håndterer brændstof. Det er letantændeligt, og dampene kan eksplodere.
Sluk alle cigaretter, cigarer, piber og andre antændingskilder.
Brug kun en godkendt brændstofbeholder.
Fjern ikke brændstofdækslet, og fyld ikke brændstof på brændstoftanken, mens motoren kører eller er varm.
Du må ikke påfylde eller tømme brændstof i et lukket rum.
Opbevar ikke maskinen eller brændstofbeholdere, hvor der er åben ild, gnister eller vågeblus, som f.eks. på en vandvarmer eller andre apparater.
Hvis du spilder brændstof, må du ikke forsøge at starte motoren. Foretag dig ikke noget, der kan antænde brændstoffet, før dampene har spredt sig.
Fyld ikke beholdere inde i et køretøj eller på en lastbil eller en anhænger med plastikforing. Stil altid beholdere på jorden med afstand fra køretøjet før påfyldning.
Fjern udstyr fra lastbilen eller anhængeren, og fyld det op igen på jorden. Hvis ikke dette er muligt, skal udstyret påfyldes med en bærbar beholder i stedet for direkte fra brændstofstanderen.
Sørg for, at dysen hele tiden er i kontakt med kanten af åbningen i brændstoftanken eller -beholderen, der er i drift, indtil påfyldningen er afsluttet.
Udfør de daglige vedligeholdelsesprocedurer. Se Kontrolliste for daglig vedligeholdelse.
Kontrollér motoroliestanden før hver brug eller for hver 8 driftstimer. Se Kontrol af motoroliestanden.
Brændstoftankens kapacitet: 2,0 l
Anbefalet brændstof: Blyfri benzin med et oktantal på 87 eller højere ((R+M)/2-ratingmetode)
Ethanol: Benzin med op til 10% ethanol (gasohol) eller 15% MTBE (metyl-tertiær-butylæter) pr. volumen er acceptabelt. Ethanol og MTBE er ikke det samme. Benzin med 15 % ethanol (E15) pr. volumen godkendes ikke til brug.
Brug aldrig benzin, der indeholder mere end 10 % ethanol pr. volumen, som f.eks. E15 (indeholder 15 % ethanol), E20 (indeholder 20 % ethanol) eller E85 (indeholder op til 85 % ethanol).
Anvend ikke benzin, der indeholder metanol.
Opbevar ikke brændstof i hverken brændstoftanken eller brændstofbeholdere henover vinteren, medmindre du anvender en brændstofstabilisator.
Fyld ikke olie i benzin.
For at opnå de bedste resultater må du kun bruge rent og frisk brændstof (der er under 30 dage gammelt).
Hvis der anvendes ikke-godkendt benzin, kan det medføre ydelsesproblemer og/eller beskadigelse af motoren, som muligvis ikke er dækket af garantien.
Under visse forhold er brændstof meget brandfarligt og yderst eksplosivt. En brand eller eksplosion forårsaget af brændstof kan give dig eller andre forbrændinger samt medføre tingsskade.
Fyld tanken udendørs i et åbent område, når motoren er kold. Tør eventuelt spildt brændstof op.
Fyld aldrig brændstoftanken op inde i en lukket anhænger.
Fyld ikke brændstoftanken helt op. Fyld brændstof på brændstoftanken, indtil niveauet er 6-13 mm under bunden af påfyldningsstudsen. Dette tomrum giver brændstoffet i tanken plads til at udvide sig.
Ryg aldrig under håndtering af brændstof, og hold afstand til åben ild eller steder, hvor brændstofdampe kan antændes af en gnist.
Opbevar brændstof i en godkendt beholder og utilgængeligt for børn. Køb aldrig benzin til mere end 30 dages forbrug.
Betjen ikke maskinen, medmindre hele udstødningssystemet er på plads og i god driftsmæssig stand.
Under visse omstændigheder kan der under påfyldning af brændstof udvikle sig statisk elektricitet, hvilket kan antænde brændstofdampene. En brand eller eksplosion forårsaget af brændstof kan give dig eller andre forbrændinger samt medføre tingsskade.
Anbring altid brændstofbeholdere på jorden et stykke fra køretøjet, før påfyldningen påbegyndes.
Fyld ikke brændstofbeholdere inden i et køretøj eller på en lastbil eller anhænger, da indvendige tæpper eller plastikforinger i lastbiler kan isolere dunken og forsinke tabet af eventuel statisk elektricitet.
Fjern, om muligt, udstyr fra lastbilen eller anhængeren, og påfyld nede på jorden. Hvis ikke dette er muligt, skal påfyldningen af udstyret finde sted med en bærbar beholder i stedet for direkte fra brændstofstanderen.
Hvis det er nødvendigt at benytte benzinstanderen, skal mundstykket hele tiden være i kontakt med kanten af åbningen i benzintanken eller dunken, indtil påfyldningen afsluttes.
Brændstof er farligt og kan være dødbringende, hvis det indtages. Længere tids udsættelse for dampe kan forårsage alvorlige skader og sygdomme.
Undgå længere tids indånding af dampe.
Hold ansigtet væk fra spidsen af slangen og brændstoftankens eller stabilisatorens åbning.
Undgå kontakt med huden, og vask spildte væsker af med sæbe og vand.
Rengør området omkring brændstoftankens dæksel, og fjern dækslet fra tanken (Figur 17). Fyld brændstoftanken op til bunden af påfyldningsstudsens åbning.
Important: Fyld ikke for meget brændstof på tanken.

Fastgør dækslet til brændstoftanken, og tør eventuelt spildt brændstof op.
Brug følgende tabeller til at indstille maskinen efter plæneforholdene.
| Reservedelsnummer | Beskrivelse | Aggressivitet | Kommentarer |
| 112-9281-01 | Standard | Mindre | Standard Greensmaster 1000 |
| 112-9279-03 | aggressivt | Mere |
| Reservedelsnummer | Beskrivelse | Klippehøjder | Kommentarer |
| 93-4262 | Mikroklipning | 1,57–3,1 mm | |
| 115-1880 | EdgeMax Microcut | 1,57–3,1 mm | Standard Greensmaster 1000 |
| 93-4263 | Tournament | 3,1–6,0 mm | |
| 115-1881 | EdgeMax Tournament | 3,1–6,0 mm | Bedre holdbarhed |
| 93-4264 | Lav klippehøjde | 6,0 mm og højere | |
| 108-4303 | Udvidet mikroklipning | 1,57–3,1 mm | Mindre aggressiv |
| Reservedelsnummer | Beskrivelse | Diameter/materiale | Kommentarer |
| 99-6241 | Smal Wiehle | 50,8 mm aluminium | Standard, 5 mm mellemrum |
| 88-6790 | Bred Wiehle | 50,8 mm aluminium | Mere nedramning, 10 mm mellemrum |
| 104-2642 | Fuld rulle | 50,8 mm stål | Mindst nedramning |
| 71-1550 | Wiehle-rulle | 50,8 mm støbejern | Mere nedramning, 10 mm mellemrum |
| 93-9045 | Wiehle-rulle | 63,5 mm aluminium | 61 cm bred til kantstøtte |
| 52-3590 | Sænksmedet rulle | 63,5 mm aluminium |
| Model | Standard | Klippesæt 65-9000 | Traktionssæt 115-1886 | Klippe- og traktionssæt | ||||||||
| Standardcylinder | Valgfri cylinder | Standardcylinder | Valgfri cylinder | Standardcylinder | Valgfri cylinder | Standardcylinder | Valgfri cylinder | |||||
| 04810 | med 11 skæreknive4,1 mm | med 14 skæreknive3,3 mm | med 8 skæreknive5,8 mm | med 11 skæreknive6,4 mm | med 14 skæreknive4,8 mm | med 8 skæreknive8,6 mm | med 11 skæreknive3,8 mm | med 14 skæreknive3,0 mm | med 8 skæreknive5,1 mm | med 11 skæreknive5,6 mm | med 14 skæreknive4,3 mm | med 8 skæreknive7,6 mm |
| Kørehastighed | 5,39 km/t | 4,80 km/t | ||||||||||
| Vedligeholdelsesintervaller | Vedligeholdelsesprocedure |
|---|---|
| Hver anvendelse eller dagligt |
|
Hvis kontakterne til sikkerhedslåsesystemet frakobles eller bliver beskadigede, kan maskinen uventet gå i gang og forårsage personskade.
Pil ikke ved sikkerhedskontakterne.
Kontroller dagligt, at sikkerhedskontakterne fungerer, og udskift eventuelle beskadigede kontakter, før du betjener maskinen.
Skub støttebenet ned med foden, og træk opad og bagud i håndtaget for at hæve hjulene op fra jorden.
Sæt traktionsgrebet i positionen ENGAGE (indkoblet) og motorens betjeningsanordninger i startposition.
Forsøg at starte motoren.
Motoren bør ikke starte. Hvis motoren starter, skal sikkerhedskontakten serviceres. Afhjælp problemet, før maskinen betjenes. Se Serviceeftersyn af traktionssikkerhedskontakten
Løft forsigtigt op i håndtaget for at udløse støttebenet.
Brug transporthjulene til at transportere maskinen over en kortere strækning.
Monter transporthjulene. Se Montering af transporthjulene
Sørg for, at traktions- og knivcylindergrebene befinder sig i positionen NEUTRAL.
Start motoren. Se Start af motoren
Indstil gashåndtaget til LANGSOM, vip maskinens forende op, aktiver gradvist traktionsdrevet, og øg langsomt motorhastigheden.
Juster gasregulatoren for at betjene plæneklipperen ved den ønskede kørselshastighed og transportere den til den ønskede destination.
Brug en anhænger til at transportere maskinen over en større afstand. Udvis forsigtighed, når maskinen læsses på og af anhængeren.
Kør forsigtigt maskinen op på anhængeren.
Sluk for motoren, aktiver parkeringsbremsen, og drej brændstofventilen til positionen OFF (fra).
Brug en rampe i fuld bredde, når maskinen læsses på en anhænger eller lastbil.
Fastgør maskinen forsvarligt til anhængeren.
Note: Maskinen kan transporteres med Toros Trans Pro-anhænger. Se din anhængers betjeningsvejledning for at få anvisninger i, hvordan anhængeren læsses.
Important: Lad ikke motoren køre, mens den transporteres på en anhænger, da der er risiko for, at maskinen beskadiges.
Sæt traktionskontrolgrebet tilbage i positionen NEUTRAL og gasregulatoren i den LANGSOMME position, og sluk for motoren.
Skub støttebenet ned med din fod, og træk op i håndtagsstøtten, indtil støttebenet er drejet fremad over midten.
Fjern transporthjulene ved at skubbe hjullåseclipsene ud af de sekskantede akselriller.
Sænk forsigtigt maskinen ned fra støttebenet ved at skubbe langsomt fremad eller ved at løfte støtten på nederste håndtag, så støttebenet kan springe tilbage til OPBEVARINGSPOSITIONEN.
Brug chokergrebet til at hjælpe med at starte en kold motor. Flyt grebet til positionen CHOKE (choker), når du starter en kold motor. Når motoren starter, skal grebet flyttes til positionen RUN (kør).

Brændstoftilstrømningen til motoren reguleres ved hjælp af brændstofafbryderventilen som følger:
Ejeren/operatøren kan forhindre og er ansvarlig for ulykker, som kan forårsage personskade eller tingsskade.
Bær korrekt beklædning, herunder beskyttelsesbriller, lange bukser, skridsikkert, kraftigt fodtøj og høreværn. Sæt langt hår op, og bær ikke løstsiddende tøj eller smykker.
Betjen ikke maskinen, hvis du er syg, træt eller påvirket af alkohol eller medicin.
Betjening af maskinen kræver din fulde opmærksomhed. Betjen ikke maskinen samtidig med andre distraherende aktiviteter, da dette kan medføre personskade eller tingsskade.
Før du starter maskinen, skal du sørge for, at alle drev er i frigear, at parkeringsbremsen er aktiveret, og at du sidder i betjeningspositionen.
Hold omkringstående og børn væk fra arbejdsområdet. Hvis der er behov for at have medarbejdere til stede, skal du udvise forsigtighed og sørge for, at græsopsamleren er monteret på maskinen.
Betjen kun maskinen, når der er god sigtbarhed for at undgå huller eller skjulte farekilder.
Betjen ikke maskinen, når der er risiko for lynnedslag.
Undgå at klippe vådt græs. Dårligt fodfæste kan medføre en faldulykke.
Hold hænder og fødder væk fra klippeenheden.
Se bagud og ned for at sikre, at der er fri bane, før du bakker.
Vær forsigtig, når du nærmer dig blinde vinkler, buske, træer eller andre genstande, der kan blokere for dit udsyn.
Stands klippeenheden, når du ikke klipper.
Udkobl klippeenhedens drev, og sluk for motoren, inden klippehøjden justeres.
Lad aldrig motoren køre i et område, hvor udstødningsgasser er lukket inde.
Efterlad aldrig en kørende maskine uden opsyn.
Før du forlader førersædet, skal du gøre følgende:
Parker maskinen på en plan flade.
Deaktiver klippeenheden.
Aktiver parkeringsbremsen.
Sluk for maskinen, og tag nøglen ud (hvis udstyret hermed).
Vent på, at al bevægelse standser.
Sluk for maskinen, inden opsamleren tømmes.
Rør ikke ved motoren, lydpotten eller udstødningsrøret, mens motoren kører, eller kort tid efter den er slukket, da disse områder kan være så varme, at de kan forårsage brandsår.
Sluk for maskinen, og udkobl klippeenhedens drev i følgende situationer:
Før brændstoftilførsel
Inden du fjerner tilstopninger
Inden græsopsamleren fjernes
Før eftersyn, rengøring eller vedligeholdelse af klippeenheden
Efter at du har ramt et fremmedlegeme, eller hvis der forekommer en unormal vibration. Efterse klippeenheden for skader, og foretag udbedringer, før du starter og betjener maskinen
Før du forlader betjeningspositionen
Brug kun tilbehør og redskaber, der er godkendt af Toro® Company.
Skråninger er en væsentlig årsag til, at operatørren mister herredømmet, eller at maskinen vælter. Sådanne ulykker kan medføre alvorlige personskader, i værste tilfælde med døden til følge. Du er ansvarlig for sikker betjening på skråninger. Det kræver ekstra forsigtighed at betjene maskinen på alle former for skråninger. Før maskinen betjenes på en skråning, skal du gøre følgende:
Gennemgå og forstå instruktionerne vedrørende skråninger i betjeningsvejledningen og på maskinen.
Evaluer forholdene på stedet på den pågældende dag for at fastslå, om skråningen er sikker at betjene maskinen på. Brug sund fornuft og god dømmekraft, når du foretager denne evaluering. Ændringer i terrænet, såsom fugt, kan hurtigt påvirke maskinens funktion på en skråning.
Arbejd på tværs af skråninger, aldrig op og ned. Undgå betjening på meget stejle eller våde skråninger. Dårligt fodfæste kan medføre en faldulykke.
Identificer farerne ved bunden af skråningen. Betjen ikke maskinen i nærheden af bratte afsatser, grøfter, volde, vand og andre farekilder. Maskinen kan pludselig vælte, hvis et hjul kører over kanten, eller hvis en kant skrider sammen. Hold sikker afstand mellem maskinen og alle eventuelle farekilder. Brug et håndholdt værktøj til arbejde i disse områder.
Undlad at starte, standse eller vende maskinen på skråninger. Undlad at foretage pludselige hastigheds- eller retningsskift. Drej langsomt og gradvist.
Undlad at betjene maskinen under forhold, hvor der er tvivl om traktion, styring eller stabilitet. Vær opmærksom på, at betjening af maskinen på vådt græs, på skråninger eller ned ad bakker kan medføre, at maskinen mister traktion. Mistet traktion til drivhjulene kan forårsage udskridning samt tab af bremse- og styrekontrol. Maskinen kan glide, selvom drivhjulene er stoppet.
Fjern eller afmærk forhindringer, såsom grøfter, huller, hjulspor, bump, sten eller andre skjulte farekilder. Højt græs kan skjule forhindringer. Ujævnt terræn kan få maskinen til at vælte.
Hvis du mister herredømmet over maskinen, skal du træde væk fra maskinens kørselsretning.
Hold altid maskinen i gear, når du kører ned ad skråninger. Der må ikke køres i frigear ned ad bakke (gælder kun enheder med geardrev).
Note: Du kan finde illustrationer og beskrivelser af de betjeningsanordninger, der er henvist til i dette afsnit, i afsnittet Betjeningsanordninger.
Note: Sørg for, at tændrørskablet er monteret på tændrøret.
Sørg for, at traktions- og knivcylinderdrevgrebene befinder sig i den UDKOBLEDE position.
Note: Motoren starter ikke, hvis traktionshåndtaget er i positionen ENGAGED (indkoblet).
Sørg for, at brændstofafbryderventilen er åben.
Flyt tænd-/slukkontakten til positionen ON (tændt).
Flyt gashåndtaget til positionen HURTIG.
Flyt chokergrebet til midt mellem positionerne CHOKER og KøR, når du starter en kold motor.
Note: Det er muligvis ikke nødvendigt at bruge choker, når du starter en varm motor.
Træk startsnorens håndtag ud, indtil du opnår positiv indkobling. Træk dernæst hårdt i det for at starte motoren.
Important: Træk ikke startsnoren til den yderste grænse, og slip ikke starthåndtaget, når snoren er trukket ud. Snoren kan gå itu, og rekylmekanismen kan blive beskadiget.
Flyt chokergrebet til positionen KøR, mens motoren varmes op.
Flyt traktions- og knivcylindergrebene til denUDKOBLEDE position.
Flyt gashåndtaget til positionen SLOW (langsom).
Tænd-/slukkontakten til positionen OFF (fra).
Luk brændstofafbryderventilen, før maskinen transporteres eller stilles til opbevaring
Important: Græsafklip virker på samme måde som et smøremiddel ved græsklipning. Overdreven brug af klippeenheden uden græsafklip kan beskadige klippeenheden.
Klip greenen i lige baner frem og tilbage på tværs af greenen.
For at forhindre opkradsning skal du undgå at udføre cirkulære bevægelser eller dreje maskinen på greenområder.
Drej maskinen uden for greenen ved at løfte klippeenheden (skubbe håndtaget ned) og aktivere traktionstromlen.
Klip ved normal ganghastighed. Højere hastighed sparer ikke megen tid, men resulterer i en dårligere klipning.
Brug justeringsstriberne på opsamleren for at hjælpe med at opretholde en lige linje på tværs at greenen og til at holde maskinen ved en tilsvarende afstand fra kanten af den forrige klipning (Figur 20).

Brug lysdiodelygtesættet, når du betjener maskinen under dårlige lysforhold. Kontakt din autoriserede Toro-forhandler.
Important: Anvend ikke andre lygtesystemer på denne maskine, da de ikke vil fungere korrekt med motorens vekselstrømsudgang.
Hvis maskinen anvendes korrekt, opnår du den glattest mulige plæneklipning. Se også Tip vedrørende betjening for grundlæggende tip til, hvordan du får mest muligt ud af maskinen.
Important: Overdreven brug af klippeenheden uden græs at klippe (som virker smørende) kan beskadige klippeenheden.
Start motoren, sæt gashåndtaget på nedsat hastighed, skub håndtaget ned for at hæve klippeenheden, flyt traktionsgrebet til positionen ENGAGED (indkoblet), og transporter maskinen til greenens kant.
Flyt traktionsgrebet til positionen DISENGAGED (udkoblet), og flyt knivcylinderdrevgrebet til positionen ENGAGED (indkoblet).
Flyt traktionsgrebet til positionen ENGAGED (indkoblet), sæt farten op, indtil maskinen kører med den ønskede hastighed, kør maskinen ud på greenen, sænk forenden af maskinen, og start klipningen.
Når du er færdig med klipningen køres maskinen af greenen, traktionskontrolgrebet flyttes til positionen DISENGAGED (udkoblet), der slukkes for motoren, og knivcylinderdrevgrebet skubbes hen i positionen DISENGAGED (udkoblet).
Tøm græsopsamleren for afklippet græs, genmonter den på maskinen, og påbegynd transporten.
Forlad greenen, flyt knivcylinderdrev- og traktionskontrolhåndtagene til UDKOBLET position, og stop motoren.
Tøm græsopsamleren for græsafklip, sæt den tilbage på plæneklipperen, og transporter maskinen til opbevaring.
Sluk for motoren, tag nøglen ud (hvis udstyret hermed), og vent, til al bevægelse standser, inden du forlader førersædet. Lad maskinen køle af inden justering, eftersyn og rengøring af maskinen, eller inden den stilles til opbevaring.
Rengør græs og affald fra maskinen for at forhindre brand. Tør spildt olie eller brændstof op.
Lad maskinen køle af, før den stilles til opbevaring på et lukket sted.
Opbevar ikke maskinen eller brændstofbeholderen i nærheden af åben ild, gnister eller vågeblus, såsom på en vandvarmer eller på andre apparater.
Reducer motorens omdrejningstal, før motoren standses, og luk brændstofafbryderventilen (hvis udstyret hermed), når du er færdig med at klippe.
Transporter maskinen væk fra arbejdsstedet efter græsslåning. Se Transport af maskinen ved hjælp af transporthjul eller Transport af maskinen ved hjælp af en anhænger.
Hvis maskinen ikke vedligeholdes korrekt, kan det føre til for tidligt maskinsystemsvigt og muligvis til skade på dig eller omkringstående.
Hold maskinen i god vedligeholdelses- og driftsmæssig stand som angivet i disse anvisninger.
Note: Maskinens venstre og højre side er som set fra den normale betjeningsposition.
Important: Vip ikke maskinen i en vinkel på mere end 25°. Vipning af maskinen i en vinkel på mere end 25° medfører olielækage i forbrændingskammeret og/eller brændstofudslip fra brændstofdækslet.
Important: Se betjeningsvejledningen til motoren for at få oplysninger om yderligere vedligeholdelsesprocedurer.
Før du forlader førersædet, skal du gøre følgende:
Parker maskinen på en plan flade.
Indstil gashåndtaget til den lave tomgangsposition.
Udkobl klippeenheden/-erne.
Sørg for, at traktionen er i neutral.
Aktiver parkeringsbremsen.
Sluk for maskinen, og tag nøglen ud (hvis udstyret hermed).
Vent på, at al bevægelse standser.
Vent, til maskinens komponenter er kølet ned, før du udfører vedligeholdelsesarbejde.
Udfør så vidt muligt ikke vedligeholdelsesarbejde, mens maskinen kører. Hold afstand til bevægelige dele.
Hvis motoren skal køre med henblik på en vedligeholdelsesjustering, skal du holde tøj, hænder og fødder samt alle andre kropsdele væk fra klippeenhederne, redskaber og bevægelige dele. Hold omkringstående på afstand.
Rengør klippeenheden, drevet, lydpotten, køleskærmen og motoren for græs og andet affald for at forhindre brand. Tør spildt olie eller brændstof op.
Hold alle dele i god driftsmæssig stand. Udskift alle slidte, beskadigede eller manglende dele og mærkater. Hold alle beslag tilspændte for at sikre, at maskinen er i sikker driftsmæssig stand.
Efterse græsopsamlerens komponenter hyppigt, og udskift dem, når det er nødvendigt.
Brug kun originale Toro-reservedele for at sørge for en sikker, optimal ydeevne på maskinen. Reservedele, der er fremstillet af andre producenter, kan være farlige, og brug heraf kan ugyldiggøre produktgarantien.
Kontakt en autoriseret Toro-forhandler, hvis det bliver nødvendigt med større reparationer, eller hvis du har brug for anden hjælp.
| Vedligeholdelsesintervaller | Vedligeholdelsesprocedure |
|---|---|
| Efter de første 20 timer |
|
| Hver anvendelse eller dagligt |
|
| For hver 25 timer |
|
| For hver 50 timer |
|
| For hver 100 timer |
|
| For hver 300 timer |
|
| For hver 1000 timer |
|
Important: Kopier denne side til rutinemæssig brug.
| Vedligeholdelsespunkter | I ugen: | ||||||
|---|---|---|---|---|---|---|---|
| Man. | Tirs. | Ons. | Tors. | Fre. | Lør. | Søn. | |
| Kontroller sikkerhedslåsesystemets funktion. | |||||||
| Kontroller parkeringsbremsefunktionen. | |||||||
| Kontroller brændstofstanden. | |||||||
| Kontroller motoroliestanden. | |||||||
| Kontroller luftfilteret. | |||||||
| Rengør motorens køleribber. | |||||||
| Kontroller, om der er usædvanlige motorlyde. | |||||||
| Kontroller for usædvanlige lyde under drift. | |||||||
| Kontroller afstanden mellem knivcylinderen og bundkniven. | |||||||
| Kontroller justeringen af klippehøjden. | |||||||
| Smør alle fittings. | |||||||
| Reparer beskadiget maling. | |||||||
| Eftersyn foretaget af: | ||
| Punkt | Dato | Oplysninger |
Mens du justerer eller udfører vedligeholdelse på maskinen, kan en anden person starte motoren. Utilsigtet start af motoren kan påføre dig eller andre omkringstående alvorlig fysisk skade.
Sluk motoren, aktiver parkeringsbremsen, og træk tændrørskablet/-erne af tændrøret/-ene, før du udfører vedligeholdelsesarbejde. Skub også tændrørskablet/-erne til side, så de(t) ikke utilsigtet kommer i kontakt med tændrøret/-ene.
Udfør følgende inden serviceeftersyn, rengøring eller justering af maskinen.
Parker maskinen på en plan flade.
Sluk for motoren, og tag nøglen ud af maskinen (hvis udstyret hermed).
Aktiver parkeringsbremsen.
Vent, til alle bevægelige dele er standset, og lad motoren køle af inden serviceeftersyn, opbevaring eller reparationer.
Frakobl tændrørskablet (Figur 21).

| Vedligeholdelsesintervaller | Vedligeholdelsesprocedure |
|---|---|
| For hver 25 timer |
|
Smør de 12 smørenipler på plæneklipperen med litiumfedt nr. 2. Det bedste resultat opnås med en manuel fedtpistol.
Smøreniplerne er placeret som følger:
2 på frontrullen (Figur 22)
2 på knivcylinderens lejer (Figur 22)
2 på tromleakslerne (Figur 23)
3 på differentialet (Figur 23)
2 på knivcylinderens mellemaksellejer (Figur 24)
1 på styreremskivernes drejetapper (Figur 25).
Tør hver fedtfitting af med en ren klud.
Pump fedt ind i hver nippel.
Important: Tryk ikke for hårdt, da fedttætningerne ellers kan blive permanent beskadigede.
Tør overskydende fedt af.




Lav ikke om på regulatorindstillingerne, og kør ikke motoren med for høj hastighed.
Lad motoren køre tør, eller fjern brændstoffet med en håndpumpe. Tøm aldrig tanken med en hævert. Hvis du skal tappe brændstoftanken, skal det foregå udendørs.
Fyld krumtaphuset med ca. 0,56 l olie med den rette viskositet før start. Motoren anvender oliemærker af høj kvalitet, som bærer American Petroleum Institutes (API) "service classification" (serviceklassifikation) på SJ eller højere. Vælg den rette olieviskositet (vægt) i henhold til omgivelsestemperaturen. Figur 26 illustrerer den anbefalede temperatur/viskositet.

Note: Multigrade-olier (5W-20, 10W-30 og 10W-40) øger olieforbruget. Kontroller motoroliestanden hyppigere, når du bruge disse olier.
| Vedligeholdelsesintervaller | Vedligeholdelsesprocedure |
|---|---|
| Hver anvendelse eller dagligt |
|
Det perfekte tidspunkt at kontrollere motoroliestanden på er, når motoren er afkølet, eller inden du starter motoren for første gang den pågældende dag. Hvis motoren allerede har kørt, skal olien drænes tilbage i sumpen mindst 10 minutter før, der udføres kontrol af motoroliestanden.
Sluk for motoren, og vent, til alle bevægelige dele er standset. Se Klargøring af maskinen til vedligeholdelse.
Placer maskinen, så motoren står plant, og rengør området rundt om oliepåfyldningsrøret (Figur 27).

Fjern målepinden ved at dreje den mod uret.
Fjern målepinden, og tør pindens ende ren.
Isæt målepinden helt ned i oliepåfyldningsrøret, men skru den ikke på plads.
Tag målepinden ud, og kontroller motoroliestanden (Figur 28).

Hvis motoroliestanden er forkert, skal du tilføje eller aftappe olie, indtil den rette oliestand nås. Se Skift af motorolien.
| Vedligeholdelsesintervaller | Vedligeholdelsesprocedure |
|---|---|
| Efter de første 20 timer |
|
| For hver 100 timer |
|
Olien kan være varm, efter at motoren har kørt, og kontakt med varm olie kan medføre alvorlig personskade.
Undgå kontakt med varm motorolie, når den aftappes.
Sluk for motoren, og vent, til alle bevægelige dele er standset. Se Klargøring af maskinen til vedligeholdelse.
Placer en drænbakke under aftapningsproppen, og lad olien løbe ud.
Fjern aftapningsproppen, spændeskiven og målepinden (Figur 27).
Placer motoren, så olien aftappes fra motoren.
Når olien er aftappet helt, skal du sætte motoren i plan position og montere aftapningsproppen og en ny spændeskive.
Note: Bortskaf den brugte olie på et godkendt genbrugsanlæg.
Hæld langsomt olie i oliepåfyldningshullet, indtil olien er ved rette niveau.
Sørg for, at olien har nået det korrekte niveau på målepinden. Se Kontrol af motoroliestanden.
Skru målepinden ind i oliepåfyldningshullet.
Tør eventuelt spildt olie op.
Sæt tændrørskablet på tændrøret.
| Vedligeholdelsesintervaller | Vedligeholdelsesprocedure |
|---|---|
| Hver anvendelse eller dagligt |
|
| For hver 50 timer |
|
| For hver 300 timer |
|
Important: Betjen ikke motoren uden luftfilterindsatsen. Dette vil medføre ekstrem motorskade.
Sluk for motoren, og vent, til alle bevægelige dele er standset. Se Klargøring af maskinen til vedligeholdelse.
Afmonter vingemøtrikken, der fastgør luftfilterdækslet (Figur 29).
Afmonter luftfilterdækslet.
Note: Sørg for, at der ikke falder snavs eller affald fra luftfilterdækslet ned i basen.
Afmonter skumindsatsen og papirindsatsen fra basen.
Afmonter skumindsatsen fra papirindsatsen.
Efterse skum- og papirindsatserne. Udskift dem, hvis de er beskadigede eller meget snavsede.

Rens papirindsatsen ved forsigtigt at banke på den for at fjerne snavset.
Note: Forsøg ikke at børste snavs af papirindsatsen. Børstning tvinger snavs ind i fibrene. Udskift indsatsen, hvis snavset ikke fjernes ved at banke på den.
Rengør skumindsatsen med varmt sæbevand eller med ikke-brændbart opløsningsmiddel.
Note: Brug ikke benzin til at rengøre skumindsatsen, da dette kan medføre risiko for brand eller eksplosion.
Skyl og tør skumindsatsen grundigt.
Tør snavs af basen og dækslet med en fugtig klud.
Note: Sørg for, at snavs og affald ikke når ind i luftkanalen, der fører til karburatoren.
Monter luftfilterindsatserne, og sørg for, at de er korrekt placeret. Monter den nederste vingemøtrik.
Monter dækslet, og monter den øverste vingemøtrik for at fastgøre det.
| Vedligeholdelsesintervaller | Vedligeholdelsesprocedure |
|---|---|
| For hver 100 timer |
|
| For hver 300 timer |
|
Brug et NGK BPR6ES-tændrør eller tilsvarende.
Sluk for motoren, og vent, til alle bevægelige dele er standset. Se Klargøring af maskinen til vedligeholdelse.
Rengør området rundt om tændrøret.
Fjern tændrøret fra topstykket.
Important: Udskift tændrøret, hvis det er revnet, beskadiget eller snavset. Elektroderne må ikke sandblæses, skrabes eller renses, da motoren kan påføres skade af partikler, som trænger ind i cylinderen.
Indstil afstanden til tændrøret til 0,7 til 0,8 mm

Monter tændrøret forsigtigt med hænderne (for at undgå at gevindene bliver ødelagt), så det er fingerstramt.
Tilspænd tændrøret yderligere ½ omgang, hvis det er nyt. Ellers skal det tilspændes ⅛ til ¼ omgang.
Important: Et løst tændrør kan blive meget varmt og kan beskadige motoren. Overspænding af et tændrør kan beskadige gevindet i cylindertopstykket.
Sæt tændrørskablet på tændrøret.
Følg nedenstående fremgangsmåde, hvis traktionssikkerhedskontakten skal justeres eller udskiftes.
Sørg for, at motoren er slukket, og at traktionshåndtaget er udkoblet og har kontakt med neutralstoppet (Figur 31).

Løsn sikkerhedskontaktens fastgørelsesanordninger (Figur 31).
Placer et 0,8 mm tykt afstandsstykke mellem traktionshåndtaget og sikkerhedskontakten (Figur 31).
Stram sikkerhedskontaktens monteringsbolte, og kontroller afstanden igen.
Note: Traktionshåndtaget må ikke røre ved kontakten.
Aktiver traktionshåndtaget, og kontroller, at kontakten mister kontinuitet.
Note: Udskift om nødvendigt kontakten.
Hvis drifts-/parkeringsbremsen glider under drift, skal den justeres.
Indkobl driftsbremsen, og tryk parkeringsbremseknappen ind, så driftsbremsen kan hvile på parkeringsbremsestiften (Figur 32).

Brug en fjedervægt, og tryk bagud på driftsbremsegrebet (Figur 33). Parkeringsbremsen bør udløses, når der nås en kraft på 13,5 til 18 kg. Hvis parkeringsbremsen udløses, før en kraft på 13,5 til 18 kg er opnået, skal bremsekablet justeres.

Løsn holderen, som fastgør kileremskærmen, og drej skærmen for at åbne den (Figur 34).

Følg nedenstående metode for at justere bremsekabelspændingen:
For at mindske bremskabelspændingen skal du løsne kablets forreste kontramøtrik og stramme den bageste kontramøtrik (Figur 35). Gentag trin 1 og 2, og juster spændingen om nødvendigt.
For at øge kabelspændingen skal du stramme kablets forreste kontramøtrik og løsne den bageste kontramøtrik (Figur 35). Gentag trin 1 og 2, og juster spændingen om nødvendigt.
Note: Du kan justere kablet ved kontramøtrikkernes beslag ved kontrolpanelet eller ved beslaget nederst på motoren.

Luk skærmen, og fastgør holderen.
Sørg for, at remmene har den rigtige spænding for at sikre korrekt maskindrift og undgå unødvendig slitage. Kontroller remmene hyppigt.
Afmonter remskærmens fastgørelsesanordninger og remskærmen for at frilægge remmen (Figur 36).

Kontroller spændingen ved at trykke remmen ned midtvejs mellem remskiverne (Figur 37) med en kraft på 18 til 22 N. Remmen bør nedbøje sig med 6 mm.

Udfør de følgende trin for at justere remspændingen:
Løsn styreremskivens monteringsmøtrik, og drej styreremskiven med uret mod bagsiden af remmen, indtil du opnår den ønskede remspænding (Figur 37).
Important: Stram ikke remmen for meget.
Spænd møtrikken for at låse justeringen.
Monter remskærmen ved at sætte den på plads.
Bevar et lille mellemrum mellem skærmens tætning og sidepladen, og skru hver monteringsbolt i, indtil gevindene griber fast i indsatsen.
Note: Mellemrummet gør det muligt at se, når boltene rammer gevindindsatserne.
Når alle boltene er skruet i, spændes de, indtil afstandsstykkerne inde i skærmen berører sidepladen.
Note: Stram ikke boltene for meget.
Afmonter remskærmens monteringsskruer og remskærmen for at frilægge remmen (Figur 38).

Kontroller spændingen ved at trykke remmen ned midtvejs mellem remskiverne (Figur 39) med en kraft på 18 til 22 N.
Note: Remmen skal gi' sig 6 mm.

Udfør den følgende justering af remspændingen:
Løsn styreremskivens monteringsmøtrik, og drej styreremskiven med uret mod bagsiden af remmen, indtil den ønskede remspænding opnås (Figur 39).
Important: Stram ikke remmen for meget.
Spænd møtrikken for at låse justeringen.
Monter remskærmen ved at sætte den på plads.
Bevar et lille mellemrum mellem skærmens tætning og sidepladen, og skru hver monteringsbolt i, indtil gevindene griber fast i indsatsen.
Note: Mellemrummet gør det muligt at se, når boltene rammer gevindindsatserne.
Når alle boltene er skruet i, spændes de, indtil afstandsstykkerne inde i skærmen berører sidepladen.
Note: Stram ikke boltene for meget.
Afmonter boltene, som fastgør differentialeskærmens forreste og bageste del på differentialehuset, og skub skærmdelene væk for at frilægge remmen.
Kontroller spændingen ved at trykke remmen ned midtvejs mellem remskiverne (Figur 40) med en kraft på 22 til 26 N.
Note: Remmen skal gi' sig 6 mm.

Udfør den følgende justering af remspændingen:
Løsn styreremskivens monteringsmøtrik, og drej styreremskiven med uret mod bagsiden af remmen, indtil den ønskede remspænding opnås (Figur 40).
Important: Stram ikke remmen for meget.
Spænd møtrikken for at låse justeringen.
Monter remskærmen ved at sætte den på plads.
Bevar et lille mellemrum mellem skærmens tætning og sidepladen, og skru hver monteringsbolt i, indtil gevindene griber fast i indsatsen. Mellemrummet gør det muligt at se, når boltene rammer gevindindsatserne.
Når alle boltene er skruet i, spændes de, indtil afstandsstykkerne inde i skærmen berører sidepladen. Stram ikke boltene for meget.
Primærkileremmenes spænding justeres ved først at kontrollere traktionskontrollens indstilling. Se Justering af traktionskontrollen.
Hvis remmen stadig glider, efter du har justeret traktionskontrollen, skal du gå videre til næste trin.
Løsn holderen, som fastgør kileremskærmen, og drej skærmen for at åbne den (Figur 41).

Øg remspændingen ved at løsne motorens monteringsbolte og flytte motoren bagud i rillerne.
Important: Stram ikke remmen for meget.
Spænd monteringsboltene.
Note: Afstanden mellem midten af remskiven og midten af den drevne remskive skal være ca. 12,7 cm, efter at der er blevet monteret nye kileremme.
Når primærkileremmene er blevet strammet, kontrolleres tilretningen af remskiven til motorens udgangsaksel og mellemakslens remskive med en lineal.
Hvis remskiverne ikke er på linje, skal du løsne skruerne, der fastgør motorsoklen til maskinstellet, og skubbe motoren fra side til side, indtil remskiverne er på linje med en maksimal afvigelse på 0,7 mm.
Spænd monteringsskruerne, og kontroller justeringen igen.
Juster remstyret (Figur 42, indsats) som følger for at gøre det nemmere at trække eller skubbe maskinen uden at starte motoren:
Aktiver koblingen.
Løsn låsemøtrikken, der fastgør styreremskiven og remstyret til styrearmen.
Drej remstyret med uret, indtil der opnås et mellemrum på ca. 1,5 mm mellem styrefingeren og bagsiden af drivremmene.
Stram låsemøtrikken, der fastgør styreremskiven og remstyret til styrearmen.

Luk skærmen, og fastgør holderen.
Afmonter de bolte, der fastgør traktionsdrevet og knivcylinderens drivremskærme til højre sideplade, og afmonter remskærmene.
Løsn styreremskivens monteringsmøtrik på hver styreremskive, og drej hver styreremskive mod uret væk fra bagsiden af hver rem for at slække remspændingen.
Fjern remmene.
Afmonter boltene, der fastgør differentialeskærmens forreste og bageste dele til differentialehuset, og skub skærmdelene væk for at blotlægge remmen (Figur 43).

Løsn styreremskivens monteringsmøtrik på differentialets styreremskive, og drej styreremskiven mod uret væk fra bagsiden af remmen for at slække remspændingen.
Afmonter de 2 bolte og 2 låsemøtrikker, der fastgør det forreste koblingshus til sidepladen (Figur 43).
Drej huset 180°, så bunden af huset vender opad.
Afmonter de 2 bolte og 2 låsemøtrikker, der fastgør det bageste højre lejehus til sidepladen (Figur 43).
Drej huset 180°, så bunden af huset vender opad.
Fjern den gamle rem.
Skub den nye rem over de drejede husskærme, differentialeskærmdelene og på differentialets remskiver.
Kontroller, at styreremskiven er placeret mod remmens bagside.
Drej begge huse tilbage i lodret position, og fastgør dem til sidepladen med de bolte og møtrikker, du fjernede tidligere.
Juster differentialeremmens spænding. Se Justering af differentialeremmen.
Juster remspændingen på traktionsdrivremmen samt knivcylinderens drivremme. Se Justering af traktionsdrivremmen og Justering af knivcylinderens drivrem.
Monter differentialet, traktionsdrevet og knivcylinderskærmene.
Følg disse trin for at fjerne slækket fra traktionskontrollen:
Flyt traktionskontrollen til positionen DISENGAGED (udkoblet).
Løsn holderen, som fastgør kileremskærmen, og drej skærmen for at åbne den (Figur 41).
For at fjerne slækket fra traktionskontrollen skal du løsne kablets forreste kontramøtrik og spænde kablets bageste kontramøtrik (Figur 44), indtil al slæk er fjernet.

Stram kablets forreste kontramøtrik.
Luk skærmen, og fastgør holderen.
Kontroller, at traktionskontrollen fungerer korrekt.
Vær forsigtig, når du efterser klippeenhedens knivcylinder. Brug handsker, og vær forsigtig, når der foretages eftersyn af knivcylinderen.
En slidt eller beskadiget skærekniv eller bundkniv kan gå itu, og et stykke kan blive kastet mod dig eller omkringstående, hvilket kan medføre alvorlig personskade eller død.
Efterse regelmæssigt skære- og bundknivene for kraftig slitage eller skader.
Vær forsigtig, når du efterser skæreknivene. Brug handsker, og vær forsigtig, når du efterser skæreknive. Du må kun udskifte eller baglappe skære- og bundknivene. De må aldrig rettes ud eller svejses.
Parker maskinen på en flad, plan overflade, helst en præcisionsfremstillet arbejdsplade af stål.
Placer et 0,6 x 2,5 cm fladt stålbånd med en længde på ca. 73,6 cm under cylinderknivene og mod forkanten af underkniven for at forhindre, at bundtværstangen hviler på arbejdsfladen.
Hæv den forreste rulle, så det kun er den bageste tromle og knivcylinderen, der hviler på arbejdsfladen.
Tryk kraftigt ned på maskinen over knivcylinderen, så alle dens knive berører stålbåndet.
Mens knivcylinderen trykkes ned, skydes en søgelære ind under den ene ende af tromlen, hvorefter den anden ende af tromlen kontrolleres.
Note: Hvis mellemrummet mellem tromlen og arbejdsfladen er på mere end 0,25 cm i en af enderne, skal tromlen justeres (gå til trin 6). Hvis mellemrummet er mindre end 0,25 cm, er justering ikke påkrævet.
Fjern den bageste remskærm på højre side af maskinen (Figur 45).

Drej drivremskiven, indtil hullerne står ud for rullelejets 4 flangeskruer (Figur 46).

Løsn rullelejets 4 skruer samt skruen, der fastgør styreremskiven.
Hæv eller sænk den højre side af rullesamlingen, indtil mellemrummet er mindre end 0,25 mm.
Spænd rullelejets skruer.
Juster remspændingen, og spænd styreremskivens monteringsskrue (Figur 46).
Juster bundkniven mod knivcylinderen efter slibning, baglapning eller demontering af klippeenheden. Denne procedure er ikke beregnet til daglig justering.
Parker maskinen på en flad, plan arbejdsflade.
Vip maskinen bagover på håndtaget, så bundkniven og knivcylinderen kommer til syne.
Important: Vip ikke maskinen i en vinkel på mere end 25°. Vipning af maskinen i en vinkel på mere end 25° medfører olielækage i forbrændingskammeret og/eller brændstofudslip fra brændstofdækslet.
Drej knivcylinderen, så skærekniven krydser bundknivens kant mellem det første og det andet bundknivsskruehoved på højre side af klippeenheden (Figur 47).

Drej knivcylinderen, så skærekniven krydser bundknivens kant mellem det første og det andet bundknivsskruehoved på højre side af klippeenheden.
Sæt afstandsstykket på 0,05 mm mellem den mærkede skærekniv og bundknivens kant på det punkt, hvor den mærkede skærekniv krydser bundknivens kant.
Juster den højre bundtværstangs justeringsskrue, indtil du føler et let tryk (dvs. modstand) på afstandsstykket, når det bevæges fra side til side (Figur 47).
Fjern afstandsstykket.
I venstre side af klippeenheden skal du langsomt dreje knivcylinderen, så den skærekniv, der er tættest på, krydser bundknivens kant mellem første og anden hovedskrue.
Gentag trin 4 til 7 for venstre side af klippeenheden og venstre bundtværstangs justeringsskrue.
Gentag trin 5 til 7, indtil der mærkes en let modstand i både venstre og højre side af klippeenheden, hvor de samme kontaktpunkter anvendes.
Drej hver bundtværstangs justeringsskrue tre klik med uret for at opnå let kontakt mellem knivcylinderen og bundkniven.
Note: Hvert klik, der drejes på bundtværstangens justeringsskrue, bevæger bundkniven 0,018 mm. Rotation med uret bevæger bundknivens kant tættere på knivcylinderen, og rotation mod uret bevæger bundknivens kant væk fra knivcylinderen.
Afprøv klippeydelsen ved at indsætte en lang stribe klippeydelsespapir mellem knivcylinderen og bundkniven, vinkelret med bundkniven (Figur 48). Drej langsomt knivcylinderen fremad. Den bør klippe papiret.

Note: Hvis du bemærker for stor kontakt-/knivcylindermodstand, er det enten nødvendigt at baglappe, slibe bundknivens front eller slibe klippeenheden for at opnå de skarpe kanter, der er påkrævede med henblik på præcis klipning.
Kontroller, at bagrullen er plan, og at kontakten mellem bundkniv og cylinder er korrekt. Vip maskinen bagover på håndtaget, så front- og bagrullerne samt bundkniven kommer til syne.
Important: Vip ikke maskinen i en vinkel på mere end 25°. Vipning af maskinen i en vinkel på mere end 25° medfører olielækage i forbrændingskammeret og/eller brændstofudslip fra brændstofdækslet.
Løsn de låsemøtrikker, der fastgør klippehøjdearmene til klippehøjdebeslagene (Figur 49).

Løsn møtrikken på målestangen (Figur 50), og indstil justeringsskruen på den ønskede klippehøjde. Afstanden mellem bunden af skruehovedet og stangens flade udgør klippehøjden.

Hægt skruehovedet på bundknivens æg, og lad den bageste ende af stangen hvile på bagrullen (Figur 51).

Drej justeringsskruen, indtil rullen rører ved målestangens forside.
Juster begge rullens ender, indtil hele rullen er parallel med bundkniven.
Important: Når indstillingen er korrekt, vil bag- og frontrullerne berøre målestangen, og skruen ligger tæt op ad bundkniven. Således sikres det, at klippehøjden er den samme i begge ender af bundkniven.
Spænd møtrikkerne for at fastlåse justeringen.
Important: Sørg for, at rullestøtterne peger bagud (rullen kommer tættere på knivcylinderen) for at undgå skalpering på kuperet plæne.
Note: Frontrullen kan sættes i tre forskellige stillinger (Figur 52), afhængigt af brugerens anvendelsesformål og behov.
Brug den forreste stilling, når en trimmer er monteret.
Brug midterstillingen uden trimmeren.
Brug den tredje stilling, hvis plænen er ekstremt kuperet.

Juster afskærmningen, så græsafklippet kastes korrekt ind i græsopsamleren.
Mål afstanden fra toppen af den forreste støttestang til forkanten af afskærmningen i hver ende af klippeenheden (Figur 53).

Højden på afskærmningen fra støttestangen skal under normale klippeforhold være på 10 cm. Løsn boltene og møtrikkerne, der fastgør hver ende af afskærmningen til sidepladen, og juster afskærmningen til den korrekte højde.
Tilspænd fastgørelsesanordningerne.
Note: Du kan sænke afskærmningen i tørre omgivelser (græsafklippet flyver hen over toppen af græsopsamleren) og hæve den under forhold med tungt og vådt græs (græsafklippet hober sig op på græsopsamlerens bagkant).
Juster klippestangen for at sikre, at græsafklippet kastes ordentligt ud af knivcylinderen.
Løsn de skruer, der fastgør den øverste stang (Figur 54) på klippeenheden.

Indsæt en søgelære på 1,5 mm mellem den øverste del af knivcylinderen og tværstangen, og stram skruerne.
Sørg for, at afstanden mellem tværstangen og cylinderen er lige stor i hele cylinderens længde.
Note: Tværstangen kan justeres for at kompensere for forandringer i grønsværforholdene. Juster stangen, så den kommer tættere på cylinderen, når græsset er ekstremt vådt. Ved tørre grønsværforhold skal tværstangen derimod flyttes længere væk fra cylinderen. Stangen skal være parallel med cylinderen for at sikre en optimal ydeevne. Juster tværstangen, når du justerer afskærmningens højde, eller når du sliber knivcylinderen på en knivcylindersliber.
For at afgøre, om bundtværstangen er standard eller aggressiv, skal monteringsørerne på den venstre bundtværstang kontrolleres. Hvis monteringsørerne er afrundede, er der tale om en standardbundtværstang. Hvis monteringsørerne er forsynet med et hak, er det en aggressiv bundtværstang (Figur 55).

Drej bundtværstangens justeringsskrue mod uret for at føre bundkniven væk fra knivcylinderen (Figur 56).

Før fjederspændingsmøtrikken bagud, indtil spændeskiven ikke længere sidder stramt mod bundtværstangen (Figur 56).
Løsn den kontramøtrik, der fastgør bundtværstangens bolt, på hver side af maskinen (Figur 57).

Afmonter bundtværstangens bolte, så bundtværstangen kan trækkes nedad og fjernes fra maskinen. Gem de 2 nylonskiver og 2 prægede stålskiver på hver ende af bundtværstangen (Figur 57).
Monter bundtværstangen, idet monteringsørerne placeres mellem spændeskiven og bundtværstangens justeringsanordning.
Fastgør bundtværstangen på hver sideplade med boltene (kontramøtrikker på bolte) og 8 spændeskiver.
Note: Placer en nylonspændeskive på hver side af sidepladens nav. Anbring en stålskive på ydersiden af hver nylonskive.
Tilspænd boltene med et moment på 27 til 36 N·m.
Spænd kontramøtrikkerne, indtil de udvendige trykskiver lige netop drejer frit.
Stram fjederspændingsmøtrikken, indtil fjederen er trykket sammen, og derefter ud igen med en halv omgang.
Juster bundtværstangen. Se Justering af bundkniven mod knivcylinderen.
Afmonter proppen i højre knivcylinderskærm (Figur 58).

Indsæt en 13 mm forlængerstang, der er forbundet med baglapningsmaskinen, i det firkantede hul i midten af knivcylinderens remskive.
Baglap i henhold til fremgangsmåden i Toros håndbog om slibning af knivcylindre og roterende plæneklippere, form 80-300 PT.
Berøring af knivcylinderen eller andre bevægelige dele kan medføre personskader.
Hold afstand til knivcylinderen under baglapningen.
Der må ikke bruges en kortskaftet børste til baglapning. Delnr. 29-9100 håndtagsenhed, samlet eller som enkeltdele, kan fås hos din lokale, autoriserede Toro-forhandler.
Note: For at få et bedre skær skal der føres en fil hen over forsiden af bundkniven, når baglapningen er afsluttet. Derved fjernes eventuel grat eller ru kanter, som kan være blevet dannet på skæret.
Monter proppen i skærmen, når du har gennemført denne procedure.
Sluk for motoren, tag nøglen ud (hvis udstyret hermed), og vent, til alle bevægelige dele er standset, inden du forlader førersædet. Lad maskinen køle af inden justering, eftersyn og rengøring af maskinen, eller inden den stilles til opbevaring.
Opbevar ikke maskinen eller brændstofbeholderen i nærheden af åben ild, gnister eller vågeblus, såsom på en vandvarmer eller andre apparater.
Fjern eventuelt græsaffald, snavs og skidt fra maskinens eksterne dele, især motoren. Fjern snavs og avner fra ydersiden af motorens topstykke og blæserhuset.
Important: Du kan vaske maskinen med et mildt rengøringsmiddel og vand. Udsæt ikke maskinen for højtryksrensning. Undgå overdreven brug af vand, særligt i nærheden af skiftegrebspladen og motoren.
Ved længere tids opbevaring af maskinen (mere end 30 dage) skal brændstoffet i tanken tilsættes brændstofstabilisator.
Lad motoren køre i 5 minutter for at fordele brændstoffet i brændstofsystemet.
Du kan enten slukke for motoren, lade den køle af og dræne brændstoftanken eller lade motoren køre, til den slår fra.
Start motoren, og lad den køre, indtil den slår fra. Start motoren igen, mens chokeren er slukket, indtil motoren ikke starter.
Kobl tændrørskablet fra tændrøret.
Brændstoffet skal bortskaffes på forsvarlig vis. Genbrug den i henhold til gældende retningslinjer.
Note: Opbevar ikke brændstof med stabilisator længere tid end anbefalet af brændstofstabilisatorens producent.
Kontroller og stram alle bolte, møtrikker og skruer. Reparer eller udskift alle slidte og beskadigede dele.
Mal alle ridsede eller blotlagte metaloverflader. Maling kan købes hos en autoriseret Toro-forhandler.
Opbevar maskinen i en ren, tør garage eller på et passende sted. Tildæk maskinen for at beskytte den og holde den ren.