Onderhoud
Aanbevolen onderhoudsschema
| Onderhoudsinterval | Onderhoudsprocedure |
|---|---|
| Na de eerste 2 bedrijfsuren |
|
| Na de eerste 10 bedrijfsuren |
|
| Bij elk gebruik of dagelijks |
|
| Na elk gebruik |
|
| Om de 50 bedrijfsuren |
|
| Om de 400 bedrijfsuren |
|
Controlelijst voor dagelijks onderhoud
Gelieve deze pagina te kopiëren ten behoeve van gebruik bij routinecontroles.
| Gecontroleerd item | Voor week van: | ||||||
|---|---|---|---|---|---|---|---|
| Ma. | Di. | Wo. | Do. | Vr. | Za. | Zo. | |
| Controleren of de grasgeleider omlaag staat (indien van toepassing). | |||||||
| De bandenspanning controleren. | |||||||
| Controleer de conditie van de maaimessen. | |||||||
| Alle smeernippels smeren.1 | |||||||
| Beschadigde lak bijwerken. | |||||||
|
1. Onmiddellijk na elke wasbeurt, ongeacht de voorgeschreven interval. |
|||||||
| Aantekening voor speciale aandachtsgebieden: | ||
| Controle uitgevoerd door: | ||
| Item | Datum | Informatie |
Voorzichtig
Als u het sleuteltje in het contact laat, bestaat de kans dat iemand de motor per ongeluk start waardoor u of andere omstanders ernstig letsel kunnen oplopen.
Verwijder het sleuteltje uit het contact voordat u onderhoudswerkzaamheden uitvoert aan de machine.
Important: De bevestigingen op de deksels van deze machine zijn zo ontworpen dat ze op het deksel blijven zitten nadat de bevestiging is losgemaakt. Draai alle bevestigingen op elk deksel een paar slagen losser zodat het deksel loszit maar nog wel bevestigd is en draai de bevestigingen daarna pas helemaal los totdat het deksel eraf komt. Hiermee voorkomt u dat u per ongeluk de bouten van de borgringen losdraait.
Smering
| Onderhoudsinterval | Onderhoudsprocedure |
|---|---|
| Bij elk gebruik of dagelijks |
|
| Om de 50 bedrijfsuren |
|
De machine is voorzien van smeerpunten die regelmatig moeten worden gesmeerd met nr. 2 smeervet op lithiumbasis. Smeer alle lagers en bussen onmiddellijk na elke wasbeurt.
Smeer de volgende punten:
De smering van de tandwielkast controleren
| Onderhoudsinterval | Onderhoudsprocedure |
|---|---|
| Om de 50 bedrijfsuren |
|
| Om de 400 bedrijfsuren |
|
De tandwielkast is ontworpen voor gebruik met aardoliehoudende of synthetische SAE 80W-90 tandwielolie. De tandwielkast is in de fabriek gevuld met olie; het oliepeil moet echter worden gecontroleerd voordat de maai-eenheid voor de eerste keer wordt gebruikt. De inhoud van de tandwielkast is 283 ml.
-
Plaats de maai-eenheid op een horizontaal oppervlak.
-
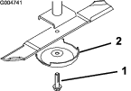
Verwijder de peilstok/vulplug op de bovenkant van de tandwielkast (Figuur 22) en controleer of het peil van de tandwielolie tussen de merktekens op de peilstok staat. Als het oliepeil te laag is, vult u voldoende olie bij totdat het peil tussen de markeringen op de peilstok staat.

De maai-eenheid van de tractie-eenheid verwijderen
-
Plaats de machine op een horizontaal oppervlak, laat de maai-eenheid neer op de grond, zet de hefhendel in de ZWEEFSTAND, zet de motor af en stel de parkeerrem in werking.
-
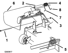
Verwijder de bout en ring die aan de bovenzijde van elke maaihoogtestang zijn bevestigd (Figuur 23).

-
Verwijder de haarspeldveer en gaffelpen waarmee de kraag aan de maaihoogtestang aan de achterzijde van de maai-eenheid is bevestigd (Figuur 23). Verwijder de maaihoogtekraag.
-
Verwijder de haarspeldveren en de gaffelpennen waarmee de hefarmen zijn bevestigd aan de beugels van de zwenkwielarmen (Figuur 24).

-
Rol de maai-eenheid bij de tractie-eenheid vandaan en ontkoppel het mannelijke en vrouwelijke gedeelte van de aftakas (Figuur 25).

Gevaar
Als de motor wordt gestart en de aftakas kan draaien, kan dit ernstig letsel tot gevolg hebben.
U mag de motor niet starten en de aftakashendel niet inschakelen als de aftakas niet is aangesloten op de tandwielkast van de maai-eenheid.
Onderhoud van de lagers in de zwenkwielarmen
In de boven- en onderkant van de buis in de zwenkwielarmen zitten lagerbussen gedrukt. Deze lagerbussen zullen na vele bedrijfsuren slijten.
Om de lagerbussen te controleren, moet u de zwenkwielvork naar voren en naar achteren en van links naar rechts bewegen. Als de zwenkwielas los in de lagerbussen zit, zijn de lagerbussen versleten en zijn deze aan vervanging toe.
-
Breng de maai-eenheid omhoog zodat de wielen vrijkomen van de grond. Zet de maai-eenheid vast om te voorkomen dat dit per ongeluk naar beneden valt.
-
Verwijder het klemkapje, de afstandsstuk(ken) en de drukring van de bovenkant van de zwenkwielas.
-
Trek de zwenkwielas uit de buis waarin deze is bevestigd. Laat de drukring en afstandsstuk(ken) onder op de as zitten.
-
Sla een drevel in de boven- of onderkant van de bevestigingsbuis en tik de lagerbus uit de buis (Figuur 26). Tik ook de andere lagerbus uit de buis. Reinig de binnenkant van de buizen.

-
Smeer vet aan de binnen- en buitenkant van de nieuwe lagerbussen. Druk de lagerbussen voorzichtig in de bevestigingsbuis met behulp van een hamer en een vlakke plaat.
-
Controleer de zwenkwielas op slijtage en vervang deze in geval van beschadiging.
-
Duw de zwenkwielas door de lagerbussen en de bevestigingsbuis, schuif de drukring en afstandsstuk(ken) op de as, en plaats het klemkapje op de zwenkwielas.
Onderhoud van zwenkwielen en lagers
| Onderhoudsinterval | Onderhoudsprocedure |
|---|---|
| Na de eerste 2 bedrijfsuren |
|
| Na de eerste 10 bedrijfsuren |
|
| Om de 50 bedrijfsuren |
|
-
Verwijder de borgmoer van de bout waarmee het zwenkwiel is bevestigd aan de zwenkwielvork (Figuur 27). Pak het zwenkwiel vast en schuif de bout uit de vork of draaiarm.
-
Verwijder het lager uit de wielnaaf en laat het lager eruit vallen (Figuur 27). Verwijder het lager vanaf de andere kant van de wielnaaf.
-
Controleer de lagers, het afstandsstuk en de binnenkant van de wielnaaf op slijtage. Beschadigde delen vervangen.
-
Om het zwenkwiel in elkaar te zetten, drukt u het lager in de wielnaaf. Om de lagers te monteren, moet u op de buitenste loopring van het lager drukken.

-
Schuif het afstandsstuk van het lager in de wielnaaf. Druk het andere lager in het open uiteinde van de wielnaaf om het afstandsstuk van het lager in de wielnaaf vast te zetten.
-
Plaats de zwenkwielset in de zwenkwielvork en zet deze vast op zijn plaats met behulp van een bout en een borgmoer.
Onderhoud van de maaimessen
Veiligheid van de messen
-
Controleer op gezette tijden het maaimes op slijtage of beschadigingen.
-
Wees voorzichtig als u de messen controleert. Omwikkel de maaimessen of draag handschoenen en wees voorzichtig als u onderhoudswerkzaamheden aan de maaimessen verricht. De maaimessen mogen alleen worden vervangen of geslepen, probeer ze nooit recht te maken of er aan te lassen.
-
Let op dat bij machines met meerdere maaimessen andere messen kunnen gaan draaien doordat u 1 mes draait.
Controleren op kromme messen
Als u een vreemd voorwerp heeft geraakt, moet u de maaimachine op beschadigingen controleren en reparaties uitvoeren voordat u de machine start en weer in gebruik neemt. Haal alle moeren van de aspoelie aan met 176 tot 203 N·m.
-
Plaats de machine op een egale ondergrond, breng de maai-eenheid omhoog, stel de parkeerrem in werking, zet het tractiepedaal in de NEUTRAALSTAND en schakel de aftakas UIT. Zet daarna de motor uit en verwijder het contactsleuteltje.
Note: Zet de maai-eenheid vast om te voorkomen dat dit per ongeluk naar beneden valt.
-
Draai het mes tot de punten naar voren en achteren wijzen, en meet de afstand vanaf de binnenkant van de maai-eenheid tot de voorste snijrand van het mes (Figuur 28).
Note: Noteer deze afstand.

-
Draai het tegenoverliggende uiteinde van het mes naar voren en meet de afstand tussen de maai-eenheid en de snijrand van het mes in dezelfde stand als bij stap 2.
Note: Het verschil tussen de afstanden die zijn gemeten bij stap 2 en stap 3 mag niet meer dan 3 mm zijn. Als dit meer bedraagt dan 3 mm, is het mes krom en moet het worden vervangen; zie Mes(sen) van de maai-eenheden verwijderen en monteren.
Mes(sen) van de maai-eenheden verwijderen en monteren
Vervang een mes als het een vast voorwerp heeft geraakt, of als het uit balans of krom is. Gebruik ter vervanging altijd originele Toro messen zodat u zeker bent van een veilig gebruik en optimale prestaties.
-
Parkeer de machine op een horizontaal oppervlak, zet de maai-eenheid in de transportstand, stel de parkeerrem in werking, schakel de motor uit en verwijder het sleuteltje.
Note: Zet de maai-eenheid vast of vergrendel ze om te voorkomen dat ze per ongeluk naar beneden valt.
-
Pak het uiteinde van het mes vast met een doek of een dikke, gevoerde handschoen.
-
Verwijder de mesbout, de antiscalpeercup en het mes van de as (Figuur 29).

-
Monteer het mes, de antiscalpeercup en de mesbout; zet de mesbout vast met een torsie van 115 tot 149 N·m.
Important: Het gebogen deel van het mes moet naar de binnenzijde van het maaidek wijzen om een goede maaikwaliteit te garanderen.
Note: Als u een vreemd voorwerp hebt geraakt, moet u alle moeren van de aspoelie vastdraaien met een torsie van 115 tot 149 Nm.
Mes(sen) van de maai-eenheid controleren en slijpen
Zowel de snijranden als de vleugel – dat is het deel dat naar boven steekt tegenover de snijrand – zorgen ervoor dat het mes een goede maaikwaliteit levert.
Houd de maaimessen scherp gedurende het hele seizoen. Een scherp mes maait het gras goed af zonder het te scheuren of te rafelen.
Controleer de snijmessen op slijtage of beschadigingen. De vleugel zet het gras recht overeind en zorgt zo voor een gelijkmatig maaibeeld; door gebruik zal de vleugel evenwel slijten.
-
Parkeer de machine op een egale ondergrond, breng de maai-eenheid omhoog, stel de parkeerrem in werking, zet het tractiepedaal in de NEUTRAALSTAND en schakel de aftakas UIT. Zet daarna de motor uit en verwijder het sleuteltje uit het contact.
-
Controleer nauwkeurig de uiteinden van het maaimes, in het bijzonder op de plaats waar het platte en het gebogen deel samenkomen (Figuur 30).
Note: Omdat het metaal dat het platte en het gebogen deel van het mes verbindt, kan wegslijten door zand en ander schurend materiaal, moet u dit steeds controleren voordat u de maaier gaat gebruiken. Als u slijtage (Figuur 30) ziet moet u het mes vervangen.

-
Inspecteer de snijranden van alle messen en slijp de snijranden als deze bot zijn of bramen vertonen (Figuur 31).
Note: Slijp alleen de bovenkant van de snijrand en behoud de oorspronkelijke snijhoek om te zorgen dat het mes scherp blijft (Figuur 31). Het mes blijft in balans als u van beide snijranden dezelfde hoeveelheid metaal verwijdert.

Note: Verwijder de messen en slijp ze op een slijpmachine. Nadat de snijranden zijn geslepen, monteert u het mes met de antiscalpeercup en de mesbout; zie Mes(sen) van de maai-eenheden verwijderen en monteren.
Ongelijke meshoogte controleren en corrigeren
Indien de messen niet op gelijke hoogte zijn afgesteld, zullen er na het maaien strepen zichtbaar zijn in het gazon. Dit probleem kan worden gecorrigeerd door de messen recht te zetten en ervoor te zorgen dat alle messen op hetzelfde niveau maaien.
-
Gebruik een waterpas van een meter lang en zoek een horizontaal oppervlak op de grond.
-
Stel de maaihoogte in op de hoogste stand; zie De maaihoogte instellen.
-
Laat de maai-eenheid neer op een vlak oppervlak. Verwijder de afdekkappen die boven op de maai-eenheid zitten.
-
Draai de messen totdat de uiteinden in de lengterichting liggen. Meet de afstand van de grond tot de voorste rand van het mes. Noteer deze afstand. Draai vervolgens hetzelfde mes zodat het andere uiteinde voor komt en meet opnieuw. Het verschil tussen de afstanden mag niet meer zijn dan 3 mm. Als dit verschil meer dan 3 mm bedraagt, is het mes krom en moet het worden vervangen. U moet alle messen meten.
-
Vergelijk de metingen van de buitenste messen met het middelste mes. Het middelste mes mag niet meer dan 10 mm lager zijn dan de buitenste messen. Indien het middelste mes meer dan 10 mm lager is dan de buitenste messen, ga dan verder met stap 6 en plaats opvulstukken tussen de spilbehuizing en de onderkant van het maaidek.
-
Verwijder de bouten, platte ringen, borgringen en moeren van de buitenste as op de plek waar de opvulstukken moeten worden geplaatst. Om het mes hoger of lager te zetten, moet een opvulstuk, onderdeelnr. 3256-24, tussen de spilbehuizing en de onderkant van de maai-eenheid worden geplaatst. Ga verder en controleer de uitlijning van de messen en plaats opvulstukken totdat de randen van de messen binnen de gewenste afstand blijven.
Important: Gebruik niet meer dan drie opvulstukken voor één opening. Gebruik minder opvulstukken in naastgelegen gaten indien er meer dan één opvulstuk voor één gat is gebruikt.
-
Plaats de drijfriemkappen terug.
De aandrijfriem vervangen
| Onderhoudsinterval | Onderhoudsprocedure |
|---|---|
| Om de 50 bedrijfsuren |
|
De drijfriem van het maaimes, die wordt gespannen door de veerbelaste spanpoelie, is vervaardigd van zeer duurzaam materiaal. De riem zal echter na vele bedrijfsuren tekenen van slijtage gaan vertonen. Tekenen dat een riem aan het slijten is zijn: gieren tijdens het draaien van de riem, als de messen slippen tijdens het maaien, gerafelde randen, schroeiplekken en scheuren. Vervang de riem als u een van deze dingen merkt.
-
Laat de maai-eenheden neer op de grond. Verwijder de drijfriemkappen die boven op de maai-eenheid zitten. Zet de drijfriemkappen weg.
-
Trek de poelie van de tandwielkast weg van de onderste drijfriem (Figuur 32) om deze te ontspannen en laat de drijfriem loskomen van de poelies. Gebruik hiervoor een momentsleutel of soortgelijk gereedschap (Figuur 33).


-
Verwijder de oude riem van de aspoelies en de spanpoelie.
-
Leg de nieuwe riem rond de aspoelies en de spanpoelie Figuur 34.

-
Plaats de drijfriemkappen terug.
Grasgeleider vervangen
Waarschuwing
Als de uitworpopening niet afgedekt is, kan de machine voorwerpen uitwerpen naar u of naar omstanders; dit kan ernstig letsel veroorzaken. Daarnaast kunt u ook in contact komen met het mes.
-
Gebruik de machine niet zonder afdekplaat, mulchplaat of een grasafvoer en een grasvanger.
-
Controleer of de grasgeleider omlaag staat.
-
Verwijder de borgmoer, bout, veer en afstandsstuk waarmee de bevestigingen van de grasgeleider vastzitten op de draaibeugels (Figuur 35). Verwijder een beschadigde of versleten grasgeleider.
-
Plaats een afstandsstuk en de veer op de grasgeleider. Plaats het L-vormige uiteinde van de veer achter de rand van de maai-eenheid.
Note: Zorg ervoor dat het L-vormige eind van de veer is gemonteerd achter de rand van de maai-eenheid voordat u de bout plaatst zoals wordt aangegeven in Figuur 35.
-
Monteer de bout en de moer. Plaats het J-vormige haakuiteinde van de veer om de grasgeleider (Figuur 35).
Important: U moet de grasgeleider omlaag kunnen brengen op zijn plaats. Til de grasgeleider omhoog om te controleren of deze volledig omlaag klapt.

Schoonmaken onder de maai-eenheid
| Onderhoudsinterval | Onderhoudsprocedure |
|---|---|
| Na elk gebruik |
|
Verwijder elke dag het aangekoekte gras aan de onderkant van de maai-eenheid.
-
Schakel de aftakas uit, laat het tractiepedaal naar de neutraalstand komen en stel de parkeerrem in werking.
-
Zet de gashendel in de stand LANGZAAM, schakel de motor uit, verwijder het contactsleuteltje en wacht totdat alle bewegende delen tot stilstand zijn gekomen voordat u de bestuurdersstoel verlaat.
-
Breng de maaidekken omhoog in de TRANSPORTSTAND.
-
Gebruik een krik om de voorkant van de machine op te heffen en plaats deze op kriksteunen.
-
Reinig de onderkant van de maai-eenheid grondig met water.


te letten, dat betekent Voorzichtig, Waarschuwing
of Gevaar – instructie voor persoonlijke veiligheid. Niet-naleving
van deze instructies kan leiden tot lichamelijk of dodelijk letsel.


























