Underhåll
Rekommenderat underhåll
| Underhållsintervall | Underhållsförfarande |
|---|---|
| Efter de första 2 timmarna |
|
| Efter de första 10 timmarna |
|
| Varje användning eller dagligen |
|
| Efter varje användning |
|
| Var 50:e timme |
|
| Var 400:e timme |
|
Kontrollista för dagligt underhåll
Kopiera sidan och använd den regelbundet.
| Kontrollpunkt | Vecka: | ||||||
|---|---|---|---|---|---|---|---|
| Mån. | Tis. | Ons. | Tors. | Fre. | Lör. | Sön. | |
| Kontrollera gräsriktaren i nedfällt läge (om tillämpligt). | |||||||
| Kontrollera däcktrycket. | |||||||
| Kontrollera knivarnas skick. | |||||||
| Smörj alla smörjnipplarna.1 | |||||||
| Bättra på skadad lack. | |||||||
|
1. Omedelbart efter varje tvätt, oavsett intervallet i listan. |
|||||||
| Anteckningar om särskilda problem | ||
| Kontrollen utförd av: | ||
| Artikel | Datum | Information |
Var försiktig
Om du lämnar nyckeln i tändningslåset kan någon råka starta motorn av misstag och skada dig eller någon annan person allvarligt.
Ta ut nyckeln ur tändningslåset innan du utför något underhåll.
Important: Fästelementen på maskinens skyddsplåtar är konstruerade så att de ska sitta kvar på plåten efter att de har lossats. Lossa alla fästelement på varje plåt något så att plåten sitter löst, men inte är helt loss. Gå sedan tillbaka och lossa dem helt så att plåten kan tas bort. På så sätt lossar du inte bultarna från hållarna av misstag.
Smörjning
| Underhållsintervall | Underhållsförfarande |
|---|---|
| Varje användning eller dagligen |
|
| Var 50:e timme |
|
Maskinen har smörjnipplar som måste smörjas regelbundet med fett nr 2 på litiumbas. Smörj alla lager och bussningar omedelbart efter varje tvätt.
Smörj följande områden:
Kontrollera smörjoljenivån i växellådan
| Underhållsintervall | Underhållsförfarande |
|---|---|
| Var 50:e timme |
|
| Var 400:e timme |
|
Växellådan är konstruerad för att drivas med bensin eller syntetisk olja av typen SAE 80–90. Även om växellådan levereras med olja från fabriken bör oljenivån kontrolleras innan klippenheten tas i drift. Växellådan rymmer 283 ml.
-
Placera maskinen och klippenheten på en plan yta.
-
Ta ut oljestickan/påfyllningspluggen från ovansidan av växellådan (Figur 22) och kontrollera att oljenivån ligger mellan markeringarna på oljestickan. Fyll på med olja så att nivån ligger mellan markeringarna, om nivån är låg.

Ta bort klippenheten från traktorenheten
-
Ställ maskinen på en plan yta, sänk klippenheten till golvet, för lyftspaken till FLYTANDE läge, stäng av motorn och koppla in parkeringsbromsen.
-
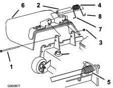
Ta bort bulten och brickan som har monterats överst på varje klipphöjdsstång (Figur 23).

-
Ta bort hårnålssprinten och sprintbulten som fäster klipphöjdsringen på klipphöjdsstången på den bakre delen av klippenheten (Figur 23). Ta bort klipphöjdsringen.
-
Avlägsna hårnålssprintarna och sprintbultarna som fäster lyftarmarna vid hjularmsfästena (Figur 24).

-
Rulla bort klippenheten från traktorenheten och skilj kraftuttagsaxelns han- och hondelar åt (Figur 25).

Fara
Om motorn är igång och kraftuttagsaxeln får rotera kan detta leda till allvarliga skador.
Starta inte motorn och koppla inte in kraftuttagsspaken om inte kraftuttagsaxeln är ansluten till klippenhetens växellåda.
Serva bussningarna i svänghjulsarmarna
På svänghjulsarmarna har bussningar pressats in i den övre och nedre delen av röret, och efter många körtimmar slits dessa bussningar.
Kontrollera bussningarna genom att flytta svänghjulsgaffeln fram och tillbaka och från sida till sida. Om svänghjulsspindeln är lös inuti bussningarna är bussningarna slitna och måste bytas ut.
-
Höj upp klippenheten så att hjulen lyfter från marken. Palla upp klippenheten så att den inte kan falla.
-
Ta bort spännlocket, distansbrickorna och tryckbrickan från svänghjulsspindelns ovansida.
-
Dra ut svänghjulsspindeln ur monteringsröret. Låt tryckbrickan och distansbrickan/-brickorna sitta kvar längst ned på spindeln.
-
Skjut in ett pinndorn i monteringsrörets övre eller nedre del och skjut ut bussningen ur röret (Figur 26). Skjut också ut den andra bussningen ur röret. Rengör insidan på rören och ta bort all smuts.

-
Stryk på fett på insidan och utsidan av de nya bussningarna. Skjut in bussningarna i monteringsröret med en hammare och en platt skiva.
-
Kontrollera om hjulspindeln är sliten och byt ut den om den är skadad.
-
Skjut hjulspindeln genom bussningarna och monteringsröret, skjut tryckbrickan och distansbrickorna på plats på spindeln och montera spännlocket på hjulspindeln.
Serva svänghjulen och lagren
| Underhållsintervall | Underhållsförfarande |
|---|---|
| Efter de första 2 timmarna |
|
| Efter de första 10 timmarna |
|
| Var 50:e timme |
|
-
Lossa låsmuttern från skruven som fäster svänghjulet i hjulgaffeln (Figur 27). Ta tag i svänghjulet och skjut ut skruven ur gaffeln eller svängarmen.
-
Ta bort lagret från hjulnavet och låt lagerdistansbrickan falla ut (Figur 27). Ta bort lagret från hjulnavets motsatta sida.
-
Kontrollera om lagren, distansbrickorna eller insidan av hjulnavet är slitna. Byt ut skadade delar.
-
Montera ihop svänghjulet igen genom att skjuta in lagret i hjulnavet. Tryck på den yttre lagerbanan när du monterar lagren.

-
Skjut in lagerdistansbrickan i hjulnavet. Skjut in det andra lagret i den öppna änden på hjulnavet så att lagerdistansbrickan sitter fast inuti hjulnavet.
-
Sätt svänghjulet i hjulgaffeln och fäst det med skruven och låsmuttern.
Utföra service på knivarna
Knivsäkerhet
-
Kontrollera om kniven är sliten eller skadad med jämna mellanrum.
-
Var försiktig när du kontrollerar knivarna. Linda in knivarna i något eller ta på dig handskar, och var försiktig när du servar knivarna. Knivarna får endast bytas ut eller slipas – de ska aldrig rätas ut eller svetsas.
-
Var försiktig när en kniv roteras på maskiner med flera knivar, eftersom den kan få även andra knivar att börja rotera.
Kontrollera om någon kniv är böjd
Om du kör på något föremål ska nu noga kontrollera om maskinen har skadats och reparera eventuella skador innan du startar och kör maskinen. Dra åt samtliga muttrar på spindelskivorna till 176–203 N·m.
-
Ställ maskinen på ett plant underlag, höj upp klippenheten, koppla in parkeringsbromsen, flytta gaspedalen till NEUTRALLäGET, för kraftuttagsspaken till AVSTäNGT läge, stäng av motorn och ta ut tändningsnyckeln.
Note: Palla upp klippenheten så att den inte kan falla av en olyckshändelse.
-
Rotera kniven tills ändarna är riktade framåt och bakåt och mät från klippenhetens insida till skäreggen framtill på knivbladet (Figur 28).
Note: Notera måttet.

-
Vrid motsatt ände på kniven framåt och mät avståndet mellan klippenheten och knivseggen vid samma position som i steg 2.
Note: Skillnaden mellan måtten i steg 2 och 3 får inte överstiga 3 mm. Om detta mått överstiger 3 mm är kniven böjd och måste bytas ut. Se Demontera och montera klippenhetsknivarna.
Demontera och montera klippenhetsknivarna
Byt en kniv om den har träffats av ett hårt föremål, om kniven är obalanserad eller böjd. Använd alltid originalknivar från Toro för att garantera säkerhet och optimal prestanda.
-
Ställ maskinen på ett plant underlag, höj upp klippenheten till transportläget, koppla in parkeringsbromsen, stäng av motorn och ta ut nyckeln.
Note: Palla upp eller lås klippenheten så att den inte kan falla av en olyckshändelse.
-
Fatta tag i knivens ände med en trasa eller en tjockt vadderad handske.
-
Ta bort knivskruven, antiskalpbehållaren och kniven från spindelaxeln (Figur 29).

-
Montera kniven, antiskalpbehållaren och knivskruven och dra åt knivskruven till 115–149 N·m.
Important: Knivens böjda del måste alltid vara vänd mot klippenhetens insida för att klippningen ska bli rätt.
Note: Om du har kört på något föremål ska du dra åt samtliga muttrar på spindelskivorna till 115–149 Nm.
Kontrollera och slipa knivarna på klippenheterna
Både eggar och segel (den uppåtvända delen mittemot eggen) bidrar till en god klippkvalitet.
Håll knivarna slipade under klippsäsongen. Vassa knivar ger ett bra klippresultat utan att de sliter eller rycker av grässtråna.
Kontrollera om knivarna är slitna eller skadade. Seglet lyfter gräset rakt upp och bidrar därmed till en jämn klippning. Dock slits det under arbetet.
-
Ställ maskinen på ett plant underlag, höj upp klippenheten, koppla in parkeringsbromsen, för gaspedalen till NEUTRALLäGET, för kraftuttagsspaken till AVSTäNGT läge, stäng av motorn och ta ut nyckeln ur tändningslåset.
-
Undersök knivseggarna noggrant, i synnerhet där knivens flata och böjda del möts (Figur 30).
Note: Kontrollera kniven innan du använder gräsklipparen, eftersom sand och slipande material kan slita bort metallen mellan knivens flata och böjda delar. Byt ut kniven om den är sliten (Figur 30).

-
Kontrollera samtliga knivseggar och vässa dem om de är slöa eller har fått hack (Figur 31).
Note: Slipa endast knivseggens översta del och behåll den ursprungliga skärvinkeln för bästa skärpa (Figur 31). Kniven förblir balanserad om lika mycket metall avlägsnas från båda eggarna.

Note: Demontera knivarna och slipa dem med en slipmaskin. När du har slipat knivseggarna monterar du kniven med antiskalpbehållaren och knivskruven. Se Demontera och montera klippenhetsknivarna.
Kontrollera och avhjälpa felanpassning av knivarna
Om det förekommer en felanpassning mellan knivarna kommer gräset att se randigt ut efter klippning. Du kan korrigera problemet genom att se till att ingen kniv är böjd och att alla knivar klipper med samma klipphöjd.
-
Ta hjälp av ett 1 meter långt vattenpass och hitta en jämn yta på verkstadsgolvet.
-
Öka klipphöjden till det högsta läget. Se Justera klipphöjden.
-
Sänk ned klippenheten till den plana ytan. Ta bort kåporna ovanpå klippenheten.
-
Rotera knivarna tills ändarna vetter framåt och bakåt. Mät från golvet till längst fram på skäreggen. Notera måttet. Rotera sedan samma kniv så att dess motsatta ände är riktad framåt, och mät avståndet på nytt. Skillnaden mellan måtten får inte överstiga 3 mm. Om skillnaden är större än 3 mm är kniven böjd och måste bytas ut. Mät samtliga knivar.
-
Jämför de yttre knivarnas mått med mittkniven. Mittkniven får inte vara mer än 10 mm lägre än de yttre knivarna. Om mittkniven är mer än 10 mm lägre än de yttre knivarna ska du gå vidare till steg 6 och lägga till mellanlägg mellan spindelhuset och klippenhetens underdel.
-
Ta bort skruvarna, planbrickorna, låsbrickorna och muttrarna från den yttre spindeln på den plats där mellanlägg måste läggas till. Lägg till ett mellanlägg med artikelnr 3256-24 mellan spindelhuset och klippenhetens underdel för att höja upp eller sänka ned kniven. Fortsätt att kontrollera knivarnas inriktning och lägg till mellanlägg tills knivspetsarna befinner sig inom de mått som krävs.
Important: Använd inte mer än tre mellanlägg vid något av hålen. Om fler än ett mellanlägg läggs till vid något av hålen, måste färre mellanlägg monteras vid de intilliggande hålen.
-
Montera remkåporna.
Byta ut drivremmen
| Underhållsintervall | Underhållsförfarande |
|---|---|
| Var 50:e timme |
|
Knivdrivremmen, som spänns av den fjäderbelastade mellanremskivan, är mycket hållbar. Efter många timmars användning kan dock remmen visa tecken på slitage. Tecken på slitage är: tjut när remmen roterar, slirande knivar vid gräsklippning, fransiga remkanter, brännmärken och sprickor. Byt ut remmen vid tecken på något av detta.
-
Sänk ned klippenheten till verkstadsgolvet. Ta bort remkåporna från klippenhetens ovansida och ställ dem åt sidan.
-
Använd en momentnyckel eller något liknande verktyg för att flytta mellanremskivan (Figur 32) bort från drivremmen för att minska spänningen och låta remmen glida av växellådsskivan (Figur 33).


-
Ta bort den gamla remmen runt spindelskivorna och mellanremskivan.
-
Dra den nya remmen runt spindelskivorna och mellanremskivan i enlighet med Figur 34.

-
Montera remkåporna.
Byta ut gräsriktaren
Varning
Om utkastaröppningen inte är täckt kan maskinen slunga ut föremål i riktning mot föraren eller kringstående och därmed orsaka allvarliga skador. Det skulle också kunna medföra kontakt med knivarna.
-
Kör inte maskinen utan en täckplåt, mullplåt eller gräsutkastare och gräsuppsamlare.
-
Kontrollera att gräsriktaren är i nedfällt läge.
-
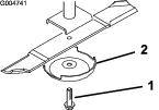
Ta bort låsmuttern, skruven, fjädern och distansbrickan som håller fast gräsriktaren på tappfästena (Figur 35). Demontera den skadade eller slitna gräsriktaren.
-
Sätt distansbrickan och fjädern på gräsriktaren. Placera fjäderns L-formade ände bakom klippenhetens kant.
Note: Se till att fjäderns L-formade ände sitter bakom klippenhetens kant innan du monterar skruven enligt Figur 35.
-
Montera bulten och muttern. Placera fjäderns J-formade ände runt gräsriktaren (Figur 35).
Important: Du måste kunna sänka ned gräsriktaren i sitt läge. Lyft upp riktaren för att kontrollera att den går ned helt.

Rengöra klippenhetens undersida
| Underhållsintervall | Underhållsförfarande |
|---|---|
| Efter varje användning |
|
Avlägsna dagligen allt gräs som har ansamlats under klippenheten.
-
Koppla ur kraftuttaget, släpp upp gaspedalen till neutralläget och koppla in parkeringsbromsen.
-
För gasreglaget till det LåNGSAMMA läget, stäng av motorn, ta ut nyckeln och vänta tills alla rörliga delar har stannat innan du kliver ur förarsätet.
-
Höj upp klippenheten till TRANSPORTLäGET.
-
Höj upp maskinens främre del med hjälp av en domkraft och stötta upp den med pallbockar.
-
Rengör noggrant gräsklipparens undersida med vatten.


. Symbolen betyder Var försiktig,
Varning eller Fara – anvisning om personsäkerhet. Underlåtenhet
att följa anvisningarna kan leda till personskador eller innebära
livsfara.


























