Manutenção
Plano de manutenção recomendado
| Intervalo de assistência | Procedimento de manutenção |
|---|---|
| Após as pimeiras 2 horas |
|
| Após as pimeiras 10 horas |
|
| Em todas as utilizações ou diariamente |
|
| Após cada utilização |
|
| A cada 50 horas |
|
| A cada 400 horas |
|
Lista de manutenção diária
Copie esta página para uma utilização de rotina.
| Verificações de manutenção | Para a semana de: | ||||||
|---|---|---|---|---|---|---|---|
| Seg. | Ter. | Qua. | Qui. | Sex. | Sáb. | Dom. | |
| Verifique se o defletor de relva está em baixo (caso aplicável). | |||||||
| Verifique a pressão dos pneus. | |||||||
| Verifique o estado das lâminas. | |||||||
| Aplique lubrificante em todos os bocais de lubrificação.1 | |||||||
| Retoque a pintura danificada. | |||||||
|
1. Imediatamente após cada lavagem, independentemente do intervalo previsto. |
|||||||
| Notas sobre zonas problemáticas | ||
| Inspeção executada por: | ||
| Item | Data | Informação |
Cuidado
Se deixar a chave na ignição, alguém pode ligar acidentalmente o motor e feri-lo a si ou às pessoas que se encontrarem próximo da máquina.
Retire a chave da ignição antes de fazer qualquer revisão.
Important: Os fixadores das coberturas desta máquina foram concebidos para permanecer na cobertura após remoção. Desaperte algumas voltas todos os fixadores de cada cobertura de forma a que a cobertura fique solta, mas ainda presa e então desaperte-os até que a cobertura saia completamente. Isto vai evitar que perca acidentalmente os parafusos dos fixadores.
Lubrificação
| Intervalo de assistência | Procedimento de manutenção |
|---|---|
| Em todas as utilizações ou diariamente |
|
| A cada 50 horas |
|
A máquina possui bocais de lubrificação que deverão ser lubrificados regularmente com massa lubrificante nº 2 à base de lítio. Lubrifique todos os rolamentos e casquilhos imediatamente após cada lavagem.
Lubrifique as seguintes áreas:
Verificação do lubrificante na caixa de velocidades
| Intervalo de assistência | Procedimento de manutenção |
|---|---|
| A cada 50 horas |
|
| A cada 400 horas |
|
A caixa de velocidades foi concebida para funcionar com o lubrificante para engrenagens a petróleo ou sintético SAE 80W-90 Apesar de a caixa de velocidades ser enviada com lubrificante de fábrica, verifique o seu nível antes de operar a unidade de corte. A capacidade da caixa de velocidades é de 283 ml.
-
Coloque a máquina e a unidade de corte numa superfície plana.
-
Retire a vareta/tampão de enchimento da parte superior da caixa de velocidades (Figura 22) e verifique se há lubrificante entre as marcas da vareta. Se o nível de lubrificante estiver baixo, adicione lubrificante suficiente até o nível ficar entre as marcas.

Separação da unidade de corte da unidade de tração
-
Coloque a máquina numa superfície nivelada, baixe a unidade de corte até ao nível do chão, mova a alavanca de elevação para a posição FLUTUAçãO, desligue o motor e engate o travão de mão.
-
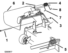
Retire o parafuso e anilha montados na parte superior de cada barra de altura de corte (Figura 23).

-
Retire o perno de gancho e passador de forquilha que fixam o anel da altura de corte à barra de altura de corte na parte posterior da unidade de corte (Figura 23). Retire o anel da altura de corte.
-
Retire os pernos de gancho e os passadores de forquilha que fixam os braços de elevação aos suportes do braço da roda giratória (Figura 24).

-
Rode a unidade de corte afastando-a da unidade de tração, separando as secções macho e fêmea do veio da tomada de força (Figura 25).

Perigo
Se ligar o motor e o veio da tomada de força rodar, pode dar origem a ferimentos graves.
Não ligue o motor nem engate o interruptor da PTO quando o veio da tomada de força não estiver ligado à caixa de velocidades na unidade de corte.
Manutenção dos casquilhos nos braços da roda giratória
Os braços da roda giratória possuem casquilhos apertados no topo e no fundo da tubagem, que podem desgastar-se após muitas horas de utilização.
Para verificar os casquilhos, desloque a forquilha da roda giratória para a frente e para trás e para os lados Se o fuso da roda giratória estiver solto, significa que os casquilhos estão gastos e devem ser substituídos.
-
Levante a unidade de corte para que as rodas fiquem levantadas do chão. Bloqueie a unidade de corte para não cair acidentalmente.
-
Retire a tampa de fixação, espaçador(es) e anilha de apoio do cimo do fuso da roda giratória.
-
Retire o fuso da roda giratória para fora do tubo de montagem. Mantenha a arruela de apoio e o(s) espaçador(es) no fundo do fuso.
-
Introduza um punção para cavilhas na zona superior ou inferior do tubo de montagem e retire o casquilho para fora do tubo (Figura 26). Retire igualmente o outro casquilho do tubo. Limpe o interior dos tubos para remover a sujidade.

-
Aplique lubrificante no interior e exterior dos novos casquilhos. Introduza os casquilhos nos tubos de montagem, utilizando um martelo e uma placa plana.
-
Verifique se o fuso da roda giratória apresenta desgaste e substitua-o se estiver danificado.
-
Empurre o eixo da roda giratória através dos casquilhos e tubo de montagem, deslize a anilha de encosto e espaçador(es) no eixo e instale a tampa de tensionamento no fuso da roda giratória.
Manutenção das rodas giratórias e rolamentos
| Intervalo de assistência | Procedimento de manutenção |
|---|---|
| Após as pimeiras 2 horas |
|
| Após as pimeiras 10 horas |
|
| A cada 50 horas |
|
-
Retire a porca de bloqueio do parafuso que fixa o conjunto da roda, no respetivo suporte (Figura 27). Fixe a roda giratória e retire o parafuso da forquilha ou do braço articulado.
-
Retire o rolamento do cubo da roda e deixe cair o espaçador do rolamento para fora (Figura 27). Retire o rolamento do lado oposto ao do cubo da roda.
-
Verifique se existe algum desgaste nos rolamentos, no espaçador e no interior do cubo da roda. Substitua todas as peças danificadas.
-
Para montar a roda giratória, basta pressionar o rolamento para dentro do cubo da roda. Quando montar os rolamentos, pressione a corrediça exterior dos mesmos.

-
Introduza o espaçador do rolamento no cubo da roda. Pressione o outro rolamento contra à extremidade aberta do cubo da roda para encaixar o respetivo espaçador dentro do cubo da roda.
-
Monte a estrutura da roda giratória entre a forquilha da roda giratória e fixe-a nessa posição com o parafuso e a porca de bloqueio.
Manutenção das lâminas de corte
Segurança da lâmina
-
Inspecione periodicamente se a lâmina apresenta sinais de desgaste ou outros danos.
-
Tome todas as precauções necessárias quando efetuar a verificação das lâminas. Envolva as lâminas ou utilize luvas e tome todas as precauções necessárias quando efetuar a manutenção das lâminas. Substitua ou afie apenas as lâminas, não as endireite ou solde.
-
Em máquinas multilâminas, esteja atento ao facto de que a rotação de uma lâmina pode provocar a rotação das restantes.
Deteção de lâminas deformadas
Depois de bater num objeto estranho, inspecione a máquina a fim de encontrar danos e poder fazer as respetivas reparações antes de voltar a utilizar o equipamento. Aperte as porcas das polias com 176 a 203 N·m.
-
Posicione a máquina numa superfície nivelada, eleve as unidades de corte, engate o travão de estacionamento, ponha o pedal de tração na posição PONTO MORTO, desloque a alavanca da tomada de força para a posição DESLIGAR, desligue o motor e retire a chave da ignição.
Note: Bloqueie a unidade de corte para não cair acidentalmente.
-
Rode a lâmina até que a extremidade fique virada para a frente e para trás e meça entre o interior da unidade de corte e a parte cortante na zona dianteira da lâmina (Figura 28).
Note: Anote esta medida.

-
Rode a extremidade oposta da lâmina para a frente e meça a distância entre a unidade de corte e a parte cortante da lâmina na mesma posição referida no passo 2.
Note: A diferença entre as dimensões obtidas nos passos 2 e 3 não pode ser superior a 3 mm. Se esta medida exceder 3 mm, a lâmina está dobrada e tem de ser substituída; consulte Desmontagem e montagem da(s) lâmina(s) da unidade de corte.
Desmontagem e montagem da(s) lâmina(s) da unidade de corte
Substitua a lâmina se esta atingir um objeto sólido ou se se encontrar desequilibrada ou deformada. Utilize sempre lâminas sobressalentes genuínas Toro para garantir um desempenho seguro e eficaz.
-
Estacione a máquina numa superfície nivelada, eleve a unidade de corte para a posição de transporte, engate o travão de estacionamento, desligue o motor e retire a chave da ignição.
Note: Bloqueie a unidade de corte para não cair acidentalmente.
-
Fixe a extremidade da lâmina utilizando um pedaço de tecido ou uma luva grossa.
-
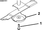
Retire o parafuso da lâmina, o recipiente antidanos e lâmina do eixo (Figura 29).

-
Instale a lâmina, recipiente antidanos e parafuso da lâmina e aperte o parafuso da lâmina com 115 a 149 N·m.
Important: A parte curva da lâmina tem de estar virada para o interior da unidade de corte para assegurar uma boa capacidade de corte.
Note: Depois de bater num objeto estranho aperte todas as porcas das polias do veio com 115 a 149 N·m.
Verificar e afiar a(s) lâmina(s) da unidade de corte
Tanto as partes cortantes como a aba (parte virada para cima oposta à parte cortante) contribuem para uma boa qualidade de corte.
Mantenha as lâminas afiadas durante toda a temporada. As lâminas fazem um corte uniforme sem arrancar nem rasgar a relva.
Inspecione se as lâminas apresentam sinais de desgaste ou danos. A parte curva coloca a relva direita, produzindo um corte direito e, gradualmente, desgasta-se durante o funcionamento.
-
Estacione a máquina numa superfície nivelada, eleve a plataforma de corte, engate o travão de estacionamento, ponha o pedal de tração na posição PONTO MORTO, desloque a alavanca da tomada de força para a posição DESLIGAR, desligue o motor e retire a chave da ignição.
-
Examine cuidadosamente as extremidades da lâmina, prestando especial atenção à zona onde se encontram as partes curvas e planas da lâmina (Figura 30).
Note: A areia e os materiais abrasivos podem desgastar o metal entre as partes plana e curva da lâmina; por isso, verifique a lâmina antes de utilizar a máquina. Se der conta de desgaste (Figura 30), substitua a lâmina.

-
Inspecione as extremidades de corte de todas as lâminas e afie-as se apresentarem sinais de desgaste ou ranhuras (Figura 31).
Note: Afie apenas a zona superior da parte cortante e mantenha o ângulo de corte original para garantir um desempenho eficaz da lâmina (Figura 31). A lâmina manterá o equilíbrio se for retirada a mesma quantidade de metal de ambas as extremidades de corte.

Note: Retire as lâminas e afie-as num amolador: Após afiar a parte cortante, monte a lâmina com o dispositivo anti-danos e o parafuso da lâmina; consulte Desmontagem e montagem da(s) lâmina(s) da unidade de corte.
Verificação e correção das lâminas desalinhadas
Se existir algum desalinhamento entre as lâminas, a relva terá uma aparência listrada depois do corte. Este problema pode ser corrigido certificando-se de que as lâminas se encontram direitas e de que o corte é efetuado no mesmo plano.
-
Utilize um nível de 1 metro de comprimento para encontrar uma superfície nivelada no chão da oficina.
-
Eleve a altura de corte para a posição mais elevada; consulte Ajuste da altura de corte.
-
Baixe a unidade de corte até à superfície plana. Retire as coberturas da zona superior da unidade de corte.
-
Rode as lâminas até as suas extremidades se encontrarem viradas para a frente e para trás. Meça a distância existente entre o chão e a ponta dianteira da lâmina. Anote esta medida. Em seguida, rode a mesma lâmina, de forma a que a extremidade oposta se encontre virada para a frente e repita a medição. A diferença entre as medidas não pode exceder os 3 mm. Se a dimensão exceder os 3 mm, substitua a lâmina porque esta se encontra deformada. Certifique-se de que a medição é efetuada em todas as lâminas.
-
Compare as medições das lâminas exteriores com as medições da lâmina central. A medida da lâmina central não deve ser 10 mm abaixo das lâminas exteriores. Se a medida da lâmina central for mais baixa do que 10 mm, siga os passos 6 e introduza calços entre a caixa do eixo e a zona inferior da unidade de corte.
-
Retire os parafusos, anilhas planas, anilhas de bloqueio e porcas do eixo exterior, que se encontram na zona onde deve introduzir os calços. Para levantar ou baixar uma lâmina deverá introduzir um calço (Peça n.º 3256-24) entre a caixa do eixo e a zona inferior da unidade de corte. Continue a verificar o alinhamento das lâminas e a introduzir calços até todas as pontas das lâminas apresentarem a dimensão correta.
Important: Não deve utilizar mais de três calços num único orifício. Introduza menos calços nos orifícios adjacentes se utilizar mais de um calço num único orifício.
-
Volte a montar as coberturas da correia.
Substituição da correia de transmissão
| Intervalo de assistência | Procedimento de manutenção |
|---|---|
| A cada 50 horas |
|
A correia da transmissão da lâmina, apertada pela polia intermédia da mola, tem uma longa duração. No entanto, após muitas horas de utilização, esta deve apresentar alguns sinais de desgaste. Os sinais apresentados por uma correia desgastada são: ruído durante a rotação da correia, perda de eficácia das lâminas aquando do corte, extremidades desfiadas, marcas de queimaduras e rachas. Substitua a correia se notar algum destes sinais.
-
Baixe a unidade de corte até ao chão. Retire as coberturas da correia da zona superior da unidade de corte e coloque as coberturas à parte.
-
Utilizando uma uma chave de aperto ou ferramenta semelhante, afaste a polia intermédia (Figura 32) da correia da transmissão para libertar a tensão da correia e permitir que esta saia das polias da caixa de velocidades (Figura 33).


-
Retire a correia gasta das polias e da polia intermédia.
-
Coloque a nova correia nas polias de eixo e na estrutura da polia intermédia, como se mostra na Figura 34.

-
Instale as coberturas da correia.
Substituição do defletor de relva
Aviso
Uma abertura de descarga sem proteção pode fazer com que a máquina projete objetos na direção do utilizador ou outras pessoas e provocar ferimentos graves. Além disso, há o risco de contacto com a lâmina.
-
Não opere a máquina a não ser que monte uma placa de cobertura, uma placa de mulch ou uma calha e depósito de recolha de relva.
-
Certifique-se de que o defletor de relva está em baixo.
-
Retire a porca de bloqueio, o parafuso, a mola e a cunha que fixam o defletor aos apoios de articulação (Figura 35). Se o defletor de relva estiver danificado ou gasto, retire-o.
-
Coloque o espaçador e a mola no defletor de relva. Coloque a extremidade em L por trás da extremidade da plataforma.
Note: Certifique-se de que a extremidade em L da mola está montada por trás da extremidade da unidade de corte antes de colocar o parafuso como se mostra na Figura 35.
-
Coloque o parafuso e a porca. Coloque a extremidade em gancho J da mola em torno do defletor de relva (Figura 35).
Important: Tem de ser capaz de descer o defletor de relva para a posição. Suba o defletor para testar se desce por completo.

Limpeza do lado inferior da unidade de corte
| Intervalo de assistência | Procedimento de manutenção |
|---|---|
| Após cada utilização |
|
Retire a relva acumulada sob unidade de corte diariamente.
-
Desengate a tomada de força, liberte o pedal de tração para a posição ponto morto e engate o travão de mão.
-
Desloque a alavanca do acelerador para a posição LENTO, desligue o motor, retire a chave e espere que todas as peças em movimento parem antes de deixar a posição de operador.
-
Levante a unidade de corte para a posição de TRANSPORTE.
-
Utilize um macaco para elevar a frente da máquina e apoie-a com preguiças.
-
Limpe muito bem a parte de baixo da unidade de corte com água.


O não cumprimento
destas instruções pode resultar em ferimentos pessoais
ou mesmo em morte.


























