Vedlikehold
Anbefalt vedlikeholdsplan
| Vedlikeholdsintervall | Vedlikeholdsprosedyre |
|---|---|
| Etter de 2 første timene |
|
| Etter de 10 første timene |
|
| For hver bruk eller daglig |
|
| Etter hver bruk |
|
| Hver 50. driftstime |
|
| Hver 400. driftstime |
|
Kontrolliste for daglig vedlikehold
Ta kopi av denne siden for rutinemessig bruk.
| Vedlikeholdskontrollpunkt | For uke: | ||||||
|---|---|---|---|---|---|---|---|
| Ma. | Ti. | On. | To. | Fr. | Lø. | Sø. | |
| Kontroller gressavlederen i senket stilling (hvis aktuelt). | |||||||
| Kontroller trykket i dekkene. | |||||||
| Kontroller knivenes tilstand. | |||||||
| Smør alle smøreniplene.1 | |||||||
| Lakker over ødelagt maling. | |||||||
|
1. Straks etter hver vask, uansett hva som står oppført. |
|||||||
| Bemerkninger om spesielle områder | ||
| Kontroll utført av: | ||
| Punkt | Dato | Informasjon |
Forsiktig
Dersom du lar nøkkelen stå i tenningsbryteren, kan noen utilsiktet starte motoren, noe som kan påføre deg eller andre personer alvorlige skader.
Fjern nøkkelen fra tenningen før du begynner med vedlikeholdsarbeid.
Important: Festene på maskinens deksler er utformet for å sitte på dekselet når dekselet er fjernet. Løsne alle festene på hvert deksel noen omdreininger, slik at dekselet sitter løsere, men ikke er helt løst, og gå så tilbake og løsne dem helt slik at dekselet løsner. Dette forhindrer at du stripper boltene fra holderne.
Smøring
| Vedlikeholdsintervall | Vedlikeholdsprosedyre |
|---|---|
| For hver bruk eller daglig |
|
| Hver 50. driftstime |
|
Maskinen har smørenipler, som må smøres regelmessig med litiumbasert smørefett nr. 2. Smør alle lagrene og hylsene umiddelbart etter hver vask.
Smør følgende områder:
Kontrollere oljenivået i girkassen
| Vedlikeholdsintervall | Vedlikeholdsprosedyre |
|---|---|
| Hver 50. driftstime |
|
| Hver 400. driftstime |
|
Girkassen er utviklet for å gå på bensin eller syntetisk SAE 80W–90 girolje. Selv om girkassen sendes fra fabrikken med olje i, må du kontrollere oljenivået før du bruker klippeenheten. Girkassens kapasitet er 283 ml.
-
Sett maskinen og klippeenheten på en jevn flate.
-
Ta ut peilestaven/fyllpluggen fra toppen av girkassen (Figur 22), og kontroller at oljenivået er mellom merkene på peilestaven. Hvis nivået er lavt, må du fylle på olje til nivået er mellom merkene.

Ta klippeenheten av trekkenheten
-
Plasser maskinen på et jevnt underlag, senk klippeenhetene til bakken, flytt hevespaken til SVEVEstilling, slå av motoren og aktiver parkeringsbremsen.
-
Fjern bolten og skiven som er montert øverst på hvert klippehøydestag (Figur 23).

-
Fjern hårnålssplinten og splittpinnen som fester klippehøydekragen til klippehøydestaget på bakdelen av klippeenheten (Figur 23). Fjern klippehøydekragen.
-
Fjern hårnålssplintene og splittpinnene som fester løftearmene til styrehjulsarmbrakettene (Figur 24).

-
Rull klippeenheten bort fra trekkenheten, ta innstikksenden ut av hullet på kraftuttaksakselen (Figur 25).

Fare
Hvis motoren startes og kraftuttaksakselen begynner å rotere, kan dette føre til alvorlige skader.
Ikke start motoren og koble inn kraftuttaksspaken når kraftuttaksakselen ikke er koblet til girkassen på klippeenheten.
Overhale hylsene i styrearmene
Styrearmene har hylser trykket inn i toppen og bunnen av tuben, og etter mange driftstimer blir hylsene slitt.
For kontrollere hylsene, flytt styregaffelen frem og tilbake og fra side til side. Hvis styrespindelen er løs inne i hylsene, er hylsene slitt og må erstattes.
-
Hev klippeenheten slik at hjulene er hevet fra gulvet. Blokker klippeenheten slik at den ikke kan falle ved et uhell.
-
Fjern spennhetten, avstandsstykke(r) og aksiallagerskive fra toppen av styrespindelen.
-
Trekk styrespindelen ut av monteringstuben. La aksiallagerskiven og avstandsstykket(-ene) ligge på bunnen av spindelen.
-
Sett inn kjørner i toppen eller bunnen av monteringstuben og driv hylsen ut av tuben (Figur 26). Ta også den andre hylsen ut av tuben. Rengjør innsiden av tubene for å fjerne smuss.

-
Smør smørefett på inn- og utsiden av nye hylser. Bruk hammer og en flat plate til å drive hylsene inn i monteringstuben.
-
Inspiser styrespindelen for slitasje og skift den ut hvis den er ødelagt.
-
Skyv styrespindelen gjennom hylsene og monteringsrøret, før trykkskiven og avstandsstykket(/-ene) på spindelen, og monter spennhetten på styrespindelen.
Overhale styrehjulene og lagrene
| Vedlikeholdsintervall | Vedlikeholdsprosedyre |
|---|---|
| Etter de 2 første timene |
|
| Etter de 10 første timene |
|
| Hver 50. driftstime |
|
-
Fjern låsemutteren fra bolten som holder fast styrehjulet til styregaffel (Figur 27). Ta tak i styrehjulet og skyv bolten ut av gaffelen eller svingarmen.
-
Fjern lagrene fra hjulnavet og la lageravstandsstykket falle ut (Figur 27). Fjern lageret fra den andre siden av hjulnavet.
-
Kontroller lageret, avstandsstykket og hjulnavets innside for slitasje. Skift ut eventuelle ødelagte deler.
-
For å montere styrehjulet, skyv lageret inn i hjulnavet. Når du monterer lagrene, trykk på den ytre lagerbanen.

-
Skyv lageravstandsstykket inn i hjulnavet. Skyv ut det andre lageret i den åpne enden av hjulnavet slik at lageravstandsstykket sitter fast inne i hjulnavet.
-
Sett på plass styringshjulet i styregaffelen og fest det med bolten og låsemutteren.
Overhale gressklipperknivene
Knivsikkerhet
-
Undersøk kniven regelmessig for slitasje eller skade.
-
Vær forsiktig når du kontrollerer knivene. Legg noe rundt knivene eller bruk hansker, og vær svært forsiktig når du håndterer knivene. Bare skift ut eller slip knivene. Du må aldri rette eller sveise dem.
-
Vær forsiktig hvis maskinen har flere knivblader, da resten av knivene kan begynne å rotere når det ene knivbladet roteres.
Kontrollere om en kniv er bøyd
Når du har truffet en gjenstand, undersøk om maskinen ble skadet, og reparer den før du starter og bruker utstyret igjen. Stram alle spindelrullmutrene til 176–203 Nm.
-
Plasser maskinen på en jevn overflate, hev klippeenheten, sett på parkeringsbremsen, sett trekkpedalen i NøYTRAL stilling, sett spaken for kraftuttaket i AV-stilling, stopp motoren og ta ut tenningsnøkkelen.
Note: Blokker klippeenheten, slik at den ikke kan falle ved et uhell.
-
Roter kniven til endene vender fremover og bakover og mål fra innsiden av klippeenheten til kniveggen på forkanten av kniven (Figur 28).
Note: Merk deg dette målet.

-
Roter den motsatte enden av kniven fremover, og mål mellom klippeenheten og kniveggen i samme posisjon som i trinn 2.
Note: Forskjellen mellom avstanden i trinn 2 og 3 må ikke være over 3 mm. Hvis dette målet overskrider 3 mm, er kniven bøyd og må skiftes ut, se Demontere og montere klippeenhetens kniv(er).
Demontere og montere klippeenhetens kniv(er)
Bytt ut kniven hvis den treffer en hard gjenstand, er ute av balanse eller er bøyd. Du må alltid bruke ekte Toro-kniver for å sørge for sikkerhet og optimal ytelse ved bruk.
-
Parker maskinen på en jevn flate, hev klippeenheten til transportstilling, koble inn parkeringsbremsen, slå av motoren, og ta ut nøkkelen.
Note: Blokker eller lås klippeenheten, slik at den ikke kan falle ved et uhell.
-
Hold enden av kniven med en fille eller en tykk hanske.
-
Fjern knivbolten, antiskalperingsvernet og kniven fra spindelakselen (Figur 29).

-
Monter kniven, antiskalperingskoppen og knivens bolt og stram knivbolten til med et moment på 115 til 149 Nm.
Important: Buen på kniven må vende mot innsiden av klippeenheten for å sikre riktig klipping.
Note: Når du har truffet en gjenstand, må du stramme alle spindelrullmutrene til med et moment på 115 til 149 Nm.
Undersøke og slipe klippeenhetens kniv(er)
Både kniveggene og knivvingen (delen som vender oppover på motsatt side av kniveggen) bidrar til høy klippekvalitet.
Sørg for å holde knivene skarpe i hele klippesesongen. Skarp kniver lager et jevnere kutt uten å rive eller trevle opp gresstråene.
Sjekk at knivene ikke er slitte eller ødelagte. Vingen løfter gresset rett opp slik at klippingen blir rett, og slites gradvis ned under drift.
-
Parker maskinen på en jevn overflate, hev klippeenheten, sett på parkeringsbremsen, sett trekkpedalen i NøYTRAL stilling, sett spaken for kraftuttaket i AV-stilling, stans motoren og ta nøkkelen ut av tenningen.
-
Undersøk kniveggene nøye, særlig der de flate og bøyde delene av kniven møtes (Figur 30).
Note: Siden sand og slipende materiale kan slite på metallet mellom den flate og bøyde delen av kniven, kontrollerer du kniven før du bruker klippeenheten. Skift ut kniven hvis du oppdager slitasje (Figur 30).

-
Undersøk eggene på alle kniver, og kvess eggene hvis de er sløve eller det er hakk i dem (Figur 31).
Note: Slip bare den øvre delen av kniveggen, og oppretthold den originale klippevinkelen, for å sørge for at kniven forblir skarp (Figur 31). Kniven opprettholder balansen hvis like mye metall fjernes fra begge kniveggene.

Note: Fjern knivene og slip dem på et slipeapparat. Når du har skjerpet kniveggene, monterer du kniven med antiskalperingsvernet og knivbolten. Se Demontere og montere klippeenhetens kniv(er).
Sjekke og justere feiljustering av knivene
Hvis knivene er feiljusterte, vil gresset se stripete ut når man har klippet det. Dette problemet kan avhjelpes ved å påse at knivene er rette og at alle bladene klippes på samme nivå.
-
Bruk et meterlangt vater til å finne en vannrett flate på verkstedgulvet.
-
Hev klippehøyden til høyeste stilling. Se Justere klippehøyden.
-
Senk klippeenheten ned på den plane overflaten. Fjern dekslene fra toppen av klippeenheten.
-
Roter knivene til endene vender fremover og bakover. Mål fra gulvet til fremre tupp av kniveggen. Merk deg dette målet. Roter så den samme kniven til den motsatte enden er foran og mål igjen. Forskjellen mellom målene må ikke være over 3 mm. Hvis målet overskrider 3 mm, er kniven bøyd og må byttes ut. Mål alle knivene.
-
Sammenlikne målene på de ytre knivene med kniven i midten. Den midterste kniven må ikke være mer enn 10 mm lavere enn de ytre knivene. Hvis den midterste kniven er mer enn 10 mm lavere enn de ytre knivene, fortsett til trinn 6 og legg mellomlegg mellom spindelhuset og bunnen av klippeenheten.
-
Fjern bolten, flate skiver og låseskiver og mutre fra den ytre spindelen i området der mellomleggene må tilføyes. For å heve eller senke kniven, tilføy et mellomlegg, delenr. 3256-24, mellom spindelhuset og bunnen av klippeenheten. Fortsett å kontrollere knivenes innretning og tilføy mellomlegg til knivtuppene er innenfor ønskede mål.
Important: Ikke bruk mer enn tre mellomlegg ved ett enkelt hull. Bruk færre antall mellomlegg ved tilstøtende hull hvis det er brukt mer enn ett mellomlegg ved et hull.
-
Monter remdekslene.
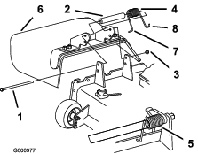
Skifte drivremmen
| Vedlikeholdsintervall | Vedlikeholdsprosedyre |
|---|---|
| Hver 50. driftstime |
|
Knivdrivremmene, strammet av den fjærbelastede lederullen, er svært slitesterk. Etter mange timers bruk vil likevel remmen vise tegn til slitasje. Tegn på en slitt rem er: hvining når remmen roterer, knivene glipper når du klipper gresset, frynsete kanter, brennmerker og sprekker. Skift remmen hvis noen av disse tilstandene oppstår.
-
Senk klippeenheten til bakken. Fjern remdekslene fra toppen av klippeenheten og sett dekslene til sides.
-
Ved å bruke en stillbar momentnøkkel eller lignende verktøy, flytt lederullen (Figur 32) bort fra drivremmen for å frigjøre remspenningen og la remmen føres av girkasseremskiven (Figur 33).


-
Fjern den gamle remmen fra rundt spindelrullene og lederullskiven.
-
Legg den nye remmen rundt spindelrullene og lederullen som vist i Figur 34.

-
Monter remdekslene.
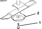
Skifte gressavlederen
Advarsel
En utildekket utslippsåpning kan føre til at maskinen slynger objekter mot deg eller tilskuere, noe som kan resultere i alvorlig skade. Det kan også oppstå kontakt med kniven.
-
Du må ikke bruke maskinen uten å ha montert en dekkplate, kvernplate eller gressutløpssjakt og -oppsamler.
-
Kontroller at gressavlederen er i den nedre stillingen.
-
Fjern låsemutteren, bolten, fjæren og avstandsstykket som holder avlederen festet til svingbrakettene (Figur 35). Fjern den skadde eller slitte gressavlederen.
-
Plasser avstandsstykket på gressavlederen. Plasser L-enden av fjæren bak klippeenhetskanten.
Note: Påse at L-enden av fjæren er montert bak klippeenhetskanten, før du monterer bolten som vist i Figur 35.
-
Monter bolt og mutter. Plasser J-krokenden av fjæren rundt gressavlederen (Figur 35).
Important: Du må kunne senke gressavlederen til den nedre stillingen. Løft avlederen for å teste at den kan senkes ned til den nederste stillingen.

Rengjør under klippeenheten
| Vedlikeholdsintervall | Vedlikeholdsprosedyre |
|---|---|
| Etter hver bruk |
|
Fjern oppsamling av gress under klippeenheten, hver dag.
-
Koble fra kraftuttaket, løs ut trekkpedalen til nøytral stilling, og aktiver parkeringsbremsen.
-
Flytt gasspaken til SAKTE-stilling, slå av motoren, ta ut nøkkelen og vent til alle bevegelige deler har stanset før du forlater førersetet.
-
Hev klippeenhetene til TRANSPORTstilling.
-
Hev den fremre enden av maskinen med en jekk, og støtt den med jekkstøtter.
-
Rengjør grundig undersiden av klippeenheten med vann.


) som betyr Forsiktig, Advarsel
eller Fare – personsikkerhetsinstruks. Hvis ikke disse instruksjonene
tas hensyn til, kan det føre til alvorlige personskader eller
dødsfall.


























