Wartung
Empfohlener Wartungsplan
| Wartungsintervall | Wartungsmaßnahmen |
|---|---|
| Nach zwei Betriebsstunden |
|
| Nach 10 Betriebsstunden |
|
| Bei jeder Verwendung oder täglich |
|
| Nach jeder Verwendung |
|
| Alle 50 Betriebsstunden |
|
| Alle 400 Betriebsstunden |
|
Checkliste – tägliche Wartungsmaßnahmen
Kopieren Sie diese Seite für regelmäßige Verwendung.
| Wartungsprüfpunkt | Für KW: | ||||||
|---|---|---|---|---|---|---|---|
| Mo | Di | Mi | Do | Fr | Sa | So | |
| Prüfen Sie das Grasablenkblech in der abgesenkten Stellung (falls zutreffend). | |||||||
| Prüfen Sie den Reifendruck. | |||||||
| Prüfen Sie den Messerzustand. | |||||||
| Schmieren Sie alle Schmiernippel ein.1 | |||||||
| Bessern Sie alle Lackschäden aus. | |||||||
|
1. Unmittelbar nach jeder Wäsche, ungeachtet des aufgeführten Intervalls. |
|||||||
| Aufzeichnungen irgendwelcher Probleme | ||
| Inspektion durchgeführt von: | ||
| Punkt | Datum | Informationen |
Achtung
Wenn Sie den Zündschlüssel im Zündschloss lassen, könnte eine andere Person den Motor versehentlich anlassen und Sie und Unbeteiligte schwer verletzen.
Ziehen Sie vor irgendwelchen Wartungsarbeiten den Zündschlüssel ab.
Important: Die Befestigungen an den Abdeckungen dieser Maschine bleiben nach dem Entfernen an der Abdeckung. Lösen Sie alle Befestigungen an jeder Abdeckung um ein paar Umdrehungen, sodass die Abdeckungen lose aber noch verbunden sind; lösen Sie dann alle Befestigungen, bis die Abdeckung nicht mehr befestigt ist. Dies verhindert, dass die Schrauben aus Versehen aus den Haltern herausgeschraubt werden.
Schmierung
| Wartungsintervall | Wartungsmaßnahmen |
|---|---|
| Bei jeder Verwendung oder täglich |
|
| Alle 50 Betriebsstunden |
|
Die Maschine hat Schmiernippel, die regelmäßig mit Nr. 2 Schmierfett auf Lithiumbasis eingefettet werden müssen. Schmieren Sie alle Lager und Buchsen sofort nach jedem Waschen.
Fetten Sie folgende Bereiche ein:
Prüfen des Schmiermittels im Getriebe
| Wartungsintervall | Wartungsmaßnahmen |
|---|---|
| Alle 50 Betriebsstunden |
|
| Alle 400 Betriebsstunden |
|
Für das Getriebe sollten Sie Getriebeschmiermittel der Sorte SAE 80W-90 auf Petroleum- oder synthetischer Basis verwenden. Obwohl das Getriebe werksseitig mit Öl versandt wird, sollten Sie den Stand vor dem Verwenden des Mähwerks prüfen. Das Fassungsvermögen des Getriebes beträgt 283 ml.
-
Stellen Sie die Maschine auf eine ebene Fläche.
-
Nehmen Sie den Ölpeilstab bzw. die Füllschraube oben am Getriebe ab (Bild 22) und stellen Sie sicher, dass der Schmiermittelstand zwischen den Markierungen am Peilstab liegt. Wenn der Ölstand niedrig ist, füllen Sie Öl ein, bis der Stand zwischen den Markierungen liegt.

Abnehmen des Mähwerks von der Zugmaschine
-
Stellen Sie die Maschine auf einer ebenen Fläche ab, senken Sie das Mähwerk auf den Boden ab, stellen Sie den Hubhebel in die SCHWEBE-Stellung, stellen Sie den Motor ab und aktivieren Sie die Feststellbremse.
-
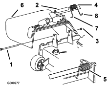
Nehmen Sie die Schraube und die Scheibe ab, die oben an jeder Schnitthöhenstange befestigt ist (Bild 23).

-
Nehmen Sie den Lastösenbolzen und den Splint ab, mit denen der Schnitthöhenstellring hinten am Mähwerk an der Schnitthöhenstange befestigt ist (Bild 23). Nehmen Sie den Schnitthöhenstellring ab.
-
Nehmen Sie die Splints und Lastösenbolzen ab, mit denen die Hubarme an den Halterungen der Laufradarme befestigt sind (Bild 24).

-
Rollen Sie das Mähwerk von der Zugmaschine weg, trennen Sie die Außen- und Innengewindeteile der Zapfwelle (Bild 25).

Gefahr
Wenn der Motor läuft, und die Zapfwelle sich drehen kann, können schwere Verletzungen auftreten.
Lassen Sie den Motor nicht an und kuppeln Sie den Zapfwellenhebel nicht ein, wenn die Zapfwelle nicht am Getriebe des Mähwerks angeschlossen ist.
Warten der Büchsen in den Laufradarmen
In die Ober- und Unterseite des Rohrs der Laufradarme sind Büchsen eingepresst, die sich nach einer längeren Einsatzdauer abnutzen.
Bewegen Sie zum Prüfen der Büchsen die Laufradgabeln hin und her und von einer Seite zur anderen. Wenn die Laufradspindel in den Büchsen locker ist, sind die Büchsen abgenutzt und müssen ausgetauscht werden.
-
Heben Sie das Mähwerk an, so dass die Räder den Boden nicht mehr berühren. Blockieren Sie das Mähwerk so, dass es nicht herunterfallen kann.
-
Entfernen Sie die Spannkappe, das/die Distanzstück(e) und Druckscheibe von der Oberseite der Laufradspindel.
-
Ziehen Sie die Laufradspindel aus dem Befestigungsrohr heraus. Lassen Sie die Druckscheibe und das/die Distanzstück(e) unten in der Laufradspindel zurück.
-
Stecken Sie einen Dorn oben oder unten in das Befestigungsrohr und treiben die Büchsen heraus (Bild 26). Treiben Sie dann die andere Büchse aus dem Rohr heraus. Reinigen Sie die Innenseite der Rohre.

-
Fetten Sie die Innen- und Außenseiten der neuen Büchsen ein. Treiben Sie die Büchsen mit einem Hammer und einem Stück Flachstahl in das Befestigungsrohr ein.
-
Prüfen Sie die Laufradspindel auf Abnutzung und tauschen sie aus, wenn sie beschädigt ist.
-
Drücken Sie die Laufradspindel durch die Büchsen und das Befestigungsrohr, schieben Sie die Druckscheibe und die Distanzstücke auf die Spindel und befestigen Sie die Spannkappe an der Laufradspindel.
Warten der Laufräder und -lager
| Wartungsintervall | Wartungsmaßnahmen |
|---|---|
| Nach zwei Betriebsstunden |
|
| Nach 10 Betriebsstunden |
|
| Alle 50 Betriebsstunden |
|
-
Entfernen Sie die Sicherungsmutter von der Schraube, mit der das Laufrad an der der Gabel befestigt ist (Bild 27). Halten Sie das Laufrad fest und schieben die Schraube aus der Gabel oder vom Gelenkarm ab.
-
Entfernen Sie das Lager aus der Radnabe und lassen das Lagerdistanzstück herausfallen (Bild 27). Entfernen Sie das Lager aus der gegenüberliegenden Seite der Radnabe.
-
Prüfen Sie die Lager, das Distanzstück und die Innenseite der Radnabe auf Abnutzung. Tauschen Sie abgenutzte und defekte Teile aus.
-
Drücken Sie das Lager zum Zusammenbauen des Laufrads in die Radnabe. Drücken Sie beim Einsetzen der Lager auf den äußeren Lagerkäfig.

-
Schieben Sie das Lagerdistanzstück in die Radnabe. Drücken Sie das andere Lager in das freie Ende der Radnabe, um das Lagerdistanzstück im Inneren der Radnabe zu halten.
-
Setzen Sie das Laufrad zwischen die Laufradgabel und befestigen Sie sie mit der Schraube und der Sicherungsmutter.
Warten der Schnittmesser
Sicherheitshinweise zum Messer
-
Prüfen Sie das Messer regelmäßig auf Abnutzung und Defekte.
-
Prüfen Sie die Messer vorsichtig. Wickeln Sie die Messer in einen Lappen ein oder tragen Handschuhe; gehen Sie bei der Wartung der Messer mit besonderer Vorsicht vor. Wechseln oder schärfen Sie die Messer, sie dürfen keinesfalls geglättet oder geschweißt werden.
-
Denken Sie bei Maschinen mit mehreren Schnittmessern daran, dass ein sich bewegendes Messer das Mitdrehen anderer Messer verursachen kann.
Prüfen auf verbogene Messer
Wenn Sie auf einen Fremdkörper aufgeprallt sind, prüfen Sie die Maschine auf eventuelle Beschädigungen; führen Sie dann die erforderlichen Reparaturen durch, bevor Sie die Maschine erneut verwenden. Ziehen Sie die Riemenscheibenmuttern mit 176-203 N·m an.
-
Parken Sie die Maschine auf einer ebenen Fläche, heben Sie die Schneideinheit an, aktivieren die Feststellbremse, stellen das Fahrpedal in die NEUTRAL-Stellung, stellen den Zapfwellenhebel in die AUS-Stellung, stellen den Motor ab und ziehen den Zündschlüssel ab.
Note: Blockieren Sie die Schneideinheit so, dass sie nicht herunterfallen kann.
-
Drehen Sie die Messer, bis die Enden nach vorne und hinten zeigen und messen Sie von der Innenseite der Schneideinheit bis zur Schnittkante an der Vorderseite des Messers (Bild 28).
Note: Merken Sie sich diesen Wert.

-
Drehen Sie das andere Ende des Messers nach vorne und messen zwischen der Schneideinheit und der Schnittkante des Messers an der gleichen Stelle wie in Schritt 2.
Note: Der Unterschied zwischen den Werten, die Sie in den Schritten 2 und 3 erhalten haben, darf nicht über 3 mm liegen. Bei einem Unterschied von mehr als 3 mm ist das Messer verbogen und muss ausgetauscht werden, siehe Entfernen und Einbauen der Mähwerkmesser.
Entfernen und Einbauen der Mähwerkmesser
Wechseln Sie das Messer aus, wenn es einen festen Gegenstand berührt, nicht ausgewuchtet oder verbogen ist. Benutzen Sie immer nur Originalersatzmesser von Toro, um die sichere und optimale Leistung der Maschine sicherzustellen.
-
Parken Sie die Maschine auf einer ebenen Fläche, heben Sie die Schneideinheit in die Transportstellung an, aktivieren Sie die Feststellbremse, stellen Sie den Motor ab und ziehen Sie den Schlüssel ab.
Note: Blockieren Sie oder sperren Sie die Schneideinheit so, dass sie nicht herunterfallen kann.
-
Halten Sie das Ende des Messers mit einem stark wattierten Handschuh oder wickeln Sie einen Lappen um es herum.
-
Entfernen Sie die Messerschraube, die Antiskalpierkuppe und das Messer von der Spindelwelle (Bild 29).

-
Bringen Sie das Messer, die Antiskalpierkuppe und die Messerschraube an und ziehen Sie die Messerschraube mit 115-149 Nm an.
Important: Der gebogene Teil des Schnittmessers muss zur Innenseite der Schneideinheit zeigen, um einen guten Schnitt sicherzustellen.
Note: Wenn Sie auf einen Fremdkörper aufgeprallt sind, ziehen Sie alle Riemenscheibenmuttern der Spindeln bis auf 115-149 Nm an.
Prüfen und Schärfen der Mähwerkmesser
Beide Schnittkanten und der Windflügel, d. h. der gegenüber der Schnittkante nach oben gebogene Teil, tragen zur guten Schnittqualität bei.
Halten Sie die Messer während der ganzen Mähsaison scharf. Scharfe Messer ergeben ein sauberes Schnittbild und zerreißen oder zerschnetzeln nicht die Grashalme.
Prüfen Sie die Messer auf starke Abnutzung oder sichtbare Beschädigung. Das Flügelmesser hebt das Gras gerade hoch, wodurch ein gleichmäßiger Schnitt entsteht und sich während des Betriebs allmählich abnutzt.
-
Parken Sie die Maschine auf einer ebenen Fläche, heben Sie die Schneideinheit an, aktivieren die Feststellbremse, stellen das Fahrpedal in die NEUTRAL-Stellung, stellen den Zapfwellenhebel in die AUS-Stellung, stellen den Motor ab und ziehen den Schlüssel aus dem Zündschloss.
-
Prüfen Sie die Schnittkanten des Messers sorgfältig, insbesondere dort, wo die geraden Flächen die gebogenen berühren (Bild 30).
Note: Da Sand und anderes reibendes Material das Metall abschleifen kann, das die flachen mit den gebogenen Teilen verbindet, müssen Sie das Messer vor jedem Einsatz des Rasenmähers prüfen. Wenn Sie Abnutzungen feststellen (Bild 30), sollten Sie das Messer auswechseln.

-
Prüfen Sie die Schnittkanten aller Messer und schärfen die Kanten, wenn sie stumpf sind oder Kerben haben (Bild 31).
Note: Schärfen Sie nur die Oberseite der Schnittkante und behalten Sie den ursprünglichen Schnittwinkel bei, um die Schärfe des Messers zu gewährleisten (Bild 31). Das Schnittmesser bleibt ausgewuchtet, wenn von beiden Schnittkanten die gleiche Materialmenge entfernt wird.

Note: Entfernen Sie die Messer und schärfen sie mit Hilfe eines Schleifsteins. Bringen Sie nach dem Schärfen der Schnittkanten das Messer mit der Antiskalpierkuppe und der Messerschraube an, siehe Entfernen und Einbauen der Mähwerkmesser.
Prüfen und Beheben von ungleichmäßigen Messern
Wenn die Messer nicht richtig aufeinander abgestimmt sind, erscheint das Gras nach dem Mähen gestreift. Dieses Problem beheben Sie, indem Sie sicherstellen, dass alle Messer gerade sind und auf einer Ebene schneiden.
-
Finden Sie mit einer 1 m langen Wasserwaage eine ebene Fläche in der Werkstatt.
-
Stellen Sie die höchste Schnitthöhe ein, siehe Einstellen der Schnitthöhe.
-
Senken Sie das Mähwerk auf die ebene Fläche ab. Entfernen Sie die Abdeckungen von der Oberseite des Mähwerks.
-
Drehen Sie die Schnittmesser, bis die Enden nach vorne und hinten gerichtet sind. Messen Sie die Entfernung vom Boden bis zur vorderen Spitze der Schnittkante. Merken Sie sich dieses Maß. Drehen Sie dann dasselbe Messer so, dass das gegenüber liegende Ende nach vorne weist und messen die Entfernung noch einmal. Der Unterschied zwischen beiden Werten darf nicht größer als 3 mm sein. Bei einem Unterschied von mehr als 3 mm ist das Messer verbogen und muss ausgetauscht werden. Messen Sie unbedingt alle Messer.
-
Vergleichen Sie die Messwerte der äußeren Messer mit dem des mittleren Messers. Das mittlere Messer darf höchstens 10 mm tiefer liegen als die äußeren. Wenn das mittlere Messer mehr als 10 mm tiefer liegt, gehen Sie auf 6 weiter und legen Sie Beilagscheiben zwischen das Spindelgehäuse und die Unterseite des Mähwerks.
-
Entfernen Sie die Schrauben, Flachscheiben, Sicherungsscheiben und Muttern von der äußeren Spindel dort, wo Sie Beilagscheiben hinzufügen müssen. Fügen Sie, um das Messer anzuheben oder abzusenken, eine Beilagscheibe mit der Bestellnummer 3256-24 zwischen dem Spindelgehäuse und der Unterseite des Mähwerks bei. Setzen Sie die Prüfung der Messerabstimmung fort und fügen Beilagscheiben bei, bis die Spitzen der Messer die erforderliche Abmessung erreichen.
Important: Setzen Sie nie mehr als drei Beilagscheiben an einem Loch ein. Verwenden Sie eine abnehmende Anzahl von Beilagscheiben in den benachbarten Löchern, wenn irgendeinem Loch mehr als eine Beilagscheibe hinzugefügt wird.
-
Bringen Sie die Riemenabdeckungen wieder an.
Austauschen des Treibriemens
| Wartungsintervall | Wartungsmaßnahmen |
|---|---|
| Alle 50 Betriebsstunden |
|
Der von der gefederten Spannscheibe gespannte Messertreibriemen ist sehr haltbar. Nach einem längeren Einsatz wird er dennoch Anzeichen von Verschleiß aufweisen. Anzeichen eines abgenutzten Treibriemens sind u. a. das Quietschen des Riemens, wenn er sich dreht, das Schlüpfen der Messer beim Mähen, zerfranste Ränder, Versengen und Risse. Tauschen Sie den Riemen aus, wenn Sie derartige Anzeichen feststellen.
-
Senken Sie das Mähwerk auf den Werkstattboden ab. Entfernen Sie die Abdeckungen von der Oberseite des Mähwerks und legen diese zur Seite.
-
Schieben Sie die Spannscheibe mit einem Drehmomentschlüssel oder einem ähnlichen Werkzeug (Bild 32) vom Treibriemen und lassen Sie den Riemen von der Getriebespannscheibe rutschen (Bild 33).


-
Entfernen Sie den alten Riemen von den Spindelscheiben und der Spannscheibe.
-
Verlegen Sie den neuen Riemen um die Spindelscheiben und die Spannscheiben, siehe Bild 34.

-
Bringen Sie die Riemenabdeckungen wieder an.
Austauschen des Ablenkblechs
Warnung:
Eine nicht abgedeckte Auswurföffnung kann zum Ausschleudern von Gegenständen auf den Bediener oder Unbeteiligte führen. Das kann schwere Verletzungen zur Folge haben. Außerdem könnte es auch zum Kontakt mit dem Messer kommen.
-
Setzen Sie die Maschine nur ein, wenn Sie eine Abdeckplatte, eine Mulchplatte oder einen Auswurfkanal mit Fangvorrichtung montiert haben.
-
Stellen Sie sicher, dass das Ablenkblech nach unten abgesenkt ist.
-
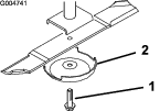
Entfernen Sie die Sicherungsmutter, Schraube, Feder und das Distanzstück, mit denen das Ablenkblech an den Drehhalterungen befestigt ist (Bild 35). Entfernen Sie defekte oder abgenutzte Ablenkbleche.
-
Legen Sie das Distanzstück und die Feder auf das Ablenkblech. Positionieren Sie das L-Ende der Feder hinter der Kante des Mähwerks.
Note: Stellen Sie sicher, dass sich das L-Ende der Feder hinter der Mähwerkkante befindet, bevor Sie die Schraube einsetzen, wie in Bild 35 dargestellt.
-
Setzen Sie die Schraube und Mutter ein. Führen Sie das J-förmige Hakenende der Feder um das Ablenkblech (Bild 35).
Important: Sie müssen das Grasablenkblech in die richtige Stellung absenken können. Heben Sie das Ablenkblech an, um nachzuprüfen, ob es vollständig in die abgesenkte Stellung herunterfährt.

Unterseite des Mähwerks reinigen
| Wartungsintervall | Wartungsmaßnahmen |
|---|---|
| Nach jeder Verwendung |
|
Entfernen Sie täglich Schnittgutrückstände unter dem Mähwerk.
-
Kuppeln Sie die Zapfwelle aus, lassen Sie das Fahrpedal in die Neutral-Stellung zurückgehen, und aktivieren Sie die Feststellbremse.
-
Schieben Sie den Gasbedienungshebel in die LANGSAM-Stellung, stellen Sie den Motor ab, ziehen Sie den Schüssel ab, und verlassen Sie den Sitz erst, wenn alle beweglichen Teile zum Stillstand gekommen sind.
-
Heben Sie die Mähwerke in die TRANSPORTSTELLUNG an.
-
Heben Sie die Maschine vorne an und stützen Sie sie auf Achsständern ab.
-
Reinigen Sie die Unterseite des Mähwerks gründlich mit Wasser.


). Es bedeutet Vorsicht,
Warnung oder Gefahr – Hinweise für die Personensicherheit.
Wenn diese Hinweise nicht beachtet werden, kann es zu schweren bis
tödlichen Verletzungen kommen.


























