Vedligeholdelse
Skema over anbefalet vedligeholdelse
| Vedligeholdelsesintervaller | Vedligeholdelsesprocedure |
|---|---|
| Efter de første 2 timer |
|
| Efter de første 10 timer |
|
| Hver anvendelse eller dagligt |
|
| Efter hver anvendelse |
|
| For hver 50 timer |
|
| For hver 400 timer |
|
Kontrolliste for daglig vedligeholdelse
Kopier denne side til daglig brug.
| Vedligeholdelsespunkter | I ugen: | ||||||
|---|---|---|---|---|---|---|---|
| Man. | Tirs. | Ons. | Tors. | Fre. | Lør. | Søn. | |
| Efterse græsdeflektoren i sænket position (hvis relevant). | |||||||
| Kontroller dæktrykket. | |||||||
| Kontroller skæreknivenes tilstand. | |||||||
| Smør alle smørenipler.1 | |||||||
| Reparation af beskadiget maling. | |||||||
|
1. Umiddelbart efter hver vask, uanset det angivne interval. |
|||||||
| Bemærkninger om problemområder | ||
| Eftersyn foretaget af: | ||
| Punkt | Dato | Oplysninger |
Forsigtig
Hvis du lader nøglen sidde i tændingen, kan andre personer utilsigtet komme til at starte motoren og forårsage alvorlig personskade på dig eller andre omkringstående.
Fjern nøglen fra tændingen, før vedligeholdelsesarbejde påbegyndes.
Important: Fastgørelsesanordningerne på dækslerne til denne maskine er designet til at blive på dækslet, når det fjernes. Løsn alle fastgørelsesanordningerne på hvert dæksel et par omgange, så dækslet sidder løst, men ikke falder af, og start derefter forfra, og løsn dem, indtil dækslet kan komme af. På denne måde kommer du ikke til at trække boltene fri af holderne.
Smøring
| Vedligeholdelsesintervaller | Vedligeholdelsesprocedure |
|---|---|
| Hver anvendelse eller dagligt |
|
| For hver 50 timer |
|
Maskinen har smørenipler, som jævnligt skal smøres med litiumfedt nr. 2. Smør alle lejer og bøsninger umiddelbart efter hver vask.
Smør følgende områder:
Kontrol af gearkasseolien
| Vedligeholdelsesintervaller | Vedligeholdelsesprocedure |
|---|---|
| For hver 50 timer |
|
| For hver 400 timer |
|
Gearkassen er konstrueret til at køre på enten mineralolie eller syntetisk SAE 80-90-gearolie. Selvom gearkassen indeholder smøreolie, når den sendes fra fabrikken, skal oliestanden kontrolleres, før klippeenheden betjenes. Gearkassen har en kapacitet på 283 ml.
-
Placer maskinen og klippeenheden på en plan flade.
-
Fjern målepinden/påfyldningsproppen, der sidder oven på gearkassen (Figur 22), og kontroller, at oliestanden står mellem mærkerne på målepinden. Hvis oliestanden er lav, skal du påfylde så megen olie, at oliestanden kommer op mellem mærkerne.

Adskillelse af klippeenheden fra traktionsenheden
-
Anbring maskinen på en plan overflade, sænk klippeenheden ned på jorden, sæt løftearmen i positionen FLOAT (flydeposition), sluk for motoren, og aktiver parkeringsbremsen.
-
Fjern bolten og skiven, der er monteret øverst på hver klippehøjdestang (Figur 23).

-
Fjern låseclipsen og gaffelbolten, som fastgør klippehøjdekraven til klippehøjdestangen på klippeenhedens bageste del (Figur 23). Fjern klippehøjdekraven.
-
Fjern låseclipsene og gaffelboltene, som fastgør løftearmene til styrearmens beslag (Figur 24).

-
Rul klippeenheden væk fra traktionsenheden, idet kraftudtagsakslens han- og hundel adskilles. (Figur 25).

Fare
Hvis maskinen startes, og kraftudtagsakslen kan rotere, kan det medføre alvorlig personskade.
Hvis kraftudtagsakslen ikke er forbundet til gearkassen på klippeenheden, må du ikke starte motoren og indkoble kraftudtagets håndtag.
Serviceeftersyn af bøsningerne i styrehjulsarmene
Styrehjulsarmene har bøsninger presset ind i den øverste og nederste del af røret. Efter mange driftstimer vil disse bøsninger blive slidt.
Bøsningerne kontrolleres ved at flytte styrehjulsgaflen frem og tilbage og fra side til side. Hvis styrehjulsspindlen er løs inde i bøsningerne, er bøsningerne slidte og skal udskiftes.
-
Hæv klippeenheden, så hjulene løftes af gulvet. Understøt klippeenheden, så den ikke kan falde ned ved et uheld.
-
Fjern strammehætten, afstandsklodsen/-klodserne og trykskiven fra den øverste del af styrehjulsspindlen.
-
Træk styrehjulsspindlen ud af monteringsrøret. Lad trykskiven og afstandsklodsen/-klodserne sidde på bunden af spindlen.
-
Sæt en uddriver ind i den øverste eller nederste del af monteringsrøret, og driv bøsningen ud af røret (Figur 26). Driv også den anden bøsning ud af røret. Rengør rørene indvendigt for at fjerne snavs.

-
Smør indersiden og ydersiden af de nye bøsninger med fedt. Brug en hammer og en flad plade til at føre bøsningerne ind i monteringsrøret.
-
Efterse styrehjulsspindlen for slid, og udskift den, hvis den er beskadiget.
-
Skub styrehjulspindlen gennem bøsningerne og monteringsrøret. Skub trykskiven og afstandsklodsen/-erne ind på spindlen, og monter strammehætten på styrehjulsspindlen.
Eftersyn af styrehjulene og lejerne
| Vedligeholdelsesintervaller | Vedligeholdelsesprocedure |
|---|---|
| Efter de første 2 timer |
|
| Efter de første 10 timer |
|
| For hver 50 timer |
|
-
Skru låsemøtrikken af bolten, der holder styrehjulsenheden fast i styrehjulsgaflen (Figur 27). Tag fat i styrehjulet, og tag bolten ud af gaflen eller drejearmen.
-
Fjern lejet fra hjulnavet, og lad bøsningsafstandsstykket falde ud (Figur 27). Fjern lejet fra den modsatte side af hjulnavet.
-
Kontroller lejer, afstandsklods og hjulnavets inderside for slid. Udskift beskadigede dele.
-
Saml styrehjulet ved at skubbe lejet ind i hjulnavet. Tryk på lejets yderste løbering, når du monterer lejerne.

-
Skub lejeafstandsstykket ind i hjulnavet. Skub det andet leje ind i hjulnavets åbne ende, så lejeafstandsstykket holdes fast inden i hjulnavet.
-
Monter styrehjulsenheden i styrehjulsgaflen, og spænd den fast med bolten og låsemøtrikken.
Serviceeftersyn af skæreknivene
Skæreknivssikkerhed
-
Efterse jævnligt skærekniven for slid og skader.
-
Vær forsigtig, når du efterser skæreknivene. Pak skæreknivene ind, eller bær handsker, og vær forsigtig når du efterser skæreknivene. Du må kun udskifte eller slibe skæreknivene. De må aldrig rettes ud eller svejses.
-
På maskiner med mange skæreknive skal du være meget forsigtig, da én skæreknivs rotation kan få andre skæreknive til at rotere.
Kontrol for bøjet kniv
Hvis du rammer et fremmedlegeme, skal du efterse maskinen for skader og udbedre disse, før du starter og betjener udstyret. Spænd alle møtrikker på spindelremskiverne til 176 til 203 Nm.
-
Placer maskinen på en plant flade, hæv klippeenheden, aktiver parkeringsbremsen, sæt traktionspedalen i positionen NEUTRAL, sæt kraftudtagshåndtaget i positionen OFF (fra), sluk motoren, og tag tændingsnøglen ud.
Note: Understøt klippeenheden, så den ikke kan falde ned ved et uheld.
-
Drej skærekniven, indtil enderne vender fremad og bagud, og mål afstanden fra indersiden af plæneklipperskjoldet til skæret foran på skærekniven (Figur 28).
Note: Husk dette mål.

-
Drej den modsatte ende af skærekniven fremad, og mål mellem klippeenheden og skæret på skærekniven samme sted som under trin 2.
Note: Forskellen mellem målene fra trin 2 og 3 må ikke overskride 3 mm. Hvis dette mål overskrider 3 mm, er kniven bøjet og skal udskiftes. Se Afmontering og montering af klippeenhedens skærekniv(e).
Afmontering og montering af klippeenhedens skærekniv(e)
Udskift skærekniven, hvis den rammer en fast genstand, eller hvis den er ude af balance eller bøjet. Brug altid originale Toro-skæreknive ved udskiftning for sikkerhedens skyld og for at sikre en optimal ydelse.
-
Parker maskinen på en plan overflade, hæv klippeenheden til transportpositionen, aktiver parkeringsbremsen, sluk motoren, og tag nøglen ud.
Note: Understøt eller lås klippeenheden, så den ikke kan falde ned ved et uheld.
-
Tag fat i enden af skærekniven med en klud eller en tyk handske.
-
Fjern skæreknivsbolten, antiskalperingsskålen og skærekniven fra spindelakslen (Figur 29).

-
Monter skærekniven, antiskalperingsskålen og skæreknivsbolten, og spænd skæreknivsbolten til 115 til 149 Nm.
Important: Den buede del af skærekniven skal pege mod indersiden af klippeenheden for at sikre en god klipning.
Note: Hvis du rammer et fremmedlegeme, skal alle møtrikker på spindelremskiverne tilspændes med et moment på 115 til 149 Nm.
Eftersyn og slibning af klippeenhedens skærekniv(e)
Både skærene og seglen – som er den del, der vender opad, modsat skæret – bidrager til en klipning af god kvalitet.
Hold skæreknivene skarptslebne i hele klippesæsonen. Skarptslebne skæreknive giver en renere klipning uden forrevne eller flossede græsstrå.
Efterse skæreknivene for slid eller skader. Sejlet løfter græsset lige op, hvilket giver en jævn klipning og gradvis slitage under brug.
-
Parker maskinen på en plan overflade, hæv klippeenheden, aktiver parkeringsbremsen, sæt traktionspedalen i positionen NEUTRAL, sæt kraftudtagshåndtaget i positionen OFF(fra), sluk for motoren, og tag nøglen ud af tændingen.
-
Undersøg omhyggeligt skæreknivens skær, især der hvor den flade side og den buede side mødes (Figur 30).
Note: Da sand og slibematerialer kan slide det metal, der forbinder den flade og den buede del af skærekniven, væk, skal skærekniven kontrolleres, før plæneklipperen anvendes. Hvis du bemærker tegn på slid (Figur 30), skal skærekniven udskiftes.

-
Undersøg alle skæreknivenes skær og slib skærene, hvis de er sløve eller hakkede (Figur 31).
Note: Slib kun toppen af skæret, og bevar den oprindelige klippevinkel for at sikre skarpheden (Figur 31). Skærekniven bevarer balancen, hvis der fjernes samme mængde metal på begge skær.

Note: Fjern skæreknivene, og slib dem på en slibemaskine. Når du har slebet skærene, skal skærekniven monteres igen sammen med antiskalperingskoppen og skæreknivsbolten. Se Afmontering og montering af klippeenhedens skærekniv(e).
Kontrol og udbedring af forskydning af skæreknive
Hvis der er en forskydning mellem knivene, vil græsset se stribet ud, når det klippes. Dette problem kan udbedres ved at sikre, at alle skæreknivene er lige og klipper på samme plan.
-
Find en plan flade på værkstedsgulvet ved hjælp af et 1 meter langt vaterpas.
-
Hæv klippehøjden til den højeste position. Se Justering af klippehøjden.
-
Sænk klippeenheden ned på den plane overflade. Fjern dækslerne på klippeenhedens overside.
-
Drej knivene, indtil enderne vender fremad og bagud. Mål afstanden fra gulvet og op til den forreste spids af skæret. Husk dette mål. Drej dernæst den samme kniv, så den modsatte ende vender fremad, og mål igen. Forskellen mellem målene må ikke overskride 3 mm. Hvis målet overskrider 3 mm, skal kniven udskiftes, idet den er bøjet. Sørg for at måle alle knivene.
-
Sammenlign målingerne af de yderste knive med den midterste kniv. Den midterste kniv må ikke være mere end 10 mm lavere end de yderste knive. Hvis den midterste kniv er mere end 10 mm lavere end de yderste knive, skal du gå videre til trin 6 og indsætte afstandsstykker mellem spindelhuset og bunden af klippeenheden.
-
Fjern boltene, de flade skiver, låseskiverne og møtrikkerne fra den yderste spindel i det område, hvor afstandsstykkerne skal indsættes. Hvis du vil hæve eller sænke kniven, skal du indsætte et afstandsstykke, delnr. 3256-24, mellem spindelhuset og bunden af klippeenheden. Fortsæt med at kontrollere knivenes tilretning, og indsæt afstandsstykker, indtil knivspidserne er inden for det påkrævede mål.
Important: Brug ikke mere end tre afstandsstykker ved samme hul. Brug et faldende antal afstandsstykker i hullerne ved siden af, hvis der indsættes mere end ét afstandsstykke i et af hullerne.
-
Monter remskærmene.
Udskiftning af drivremmen
| Vedligeholdelsesintervaller | Vedligeholdelsesprocedure |
|---|---|
| For hver 50 timer |
|
Skæreknivens drivrem, der holdes stram af den fjederbelastede styreremskive, er meget slidstærk. Efter mange timers drift vil remmen imidlertid begynde at vise tegn på slitage. Tegn på, at en rem er slidt, er, at den hviner, når den kører rundt, skæreknivene glider, når der klippes græs, flossede remkanter, brændemærker og revner. Hvis du bemærker nogen af disse forhold, skal du udskifte remmen.
-
Sænk klippeenheden ned på gulvet. Afmonter remskærmene for oven på klippeenheden, og sæt dem til side.
-
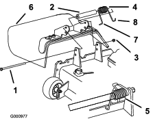
Brug en momentnøgle eller et lignende værktøj til at flytte styreremskiven (Figur 32) væk fra drivremmen for derved at løsne remspændingen og lade remmen glide af gearkassens remskive (Figur 33).


-
Fjern den gamle rem fra spindelremskiverne og styreremskiven.
-
Før den nye rem rundt om spindelremskiverne og styreremskivens samling som vist i Figur 34.

-
Monter remskærmene.
Udskiftning af græsdeflektoren
Advarsel
En utildækket udblæsningsåbning kan resultere i, at maskinen udkaster genstande mod dig eller omkringstående, hvilket kan medføre alvorlig personskade. Der kan også opstå kontakt med skærekniven.
-
Betjen ikke maskinen uden at have monteret en dækplade, en kværnafskærmning eller en græssliske og et græsfang.
-
Sørg for, at græsdeflektoren er i den sænkede position.
-
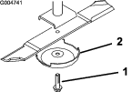
Fjern låsemøtrikken, bolten, fjederen og afstandsklodsen, som fastholder græsdeflektoren til akselbeslagene (Figur 35). Fjern den beskadigede eller slidte græsdeflektor.
-
Placer afstandsklodsen og fjederen på græsdeflektoren. Placer fjederensL-formede ende bag klippeenhedens kant.
Note: Sørg for, at fjederens L-formede ende monteres bag klippeenhedens kant, før bolten monteres som vist i Figur 35.
-
Monter bolten og møtrikken. Placer fjederens J-formede krogende omkring græsdeflektoren (Figur 35).
Important: Du skal kunne sænke græsdeflektoren på plads. Løft deflektoren op for at kontrollere, at den kan sænkes helt ned.

Rengøring under klippeenheden
| Vedligeholdelsesintervaller | Vedligeholdelsesprocedure |
|---|---|
| Efter hver anvendelse |
|
Fjern ophobning af græs under klippeenheden hver dag.
-
Udkobl kraftudtaget, lad traktionspedalen returnere til den neutrale position, og aktiver parkeringsbremsen.
-
Sæt gashåndtaget i positionen SLOW (langsom), sluk for motoren, tag nøglen ud, og vent, til alle bevægelige dele er standset, før du forlader førersædet.
-
Hæv klippeenheden til positionen TRANSPORT.
-
Løft maskinens forende med en donkraft, og understøt den med støttebukke.
-
Rengør omhyggeligt klippeenhedens underside med vand.


, der betyder Forsigtig,
Advarsel eller Fare – personlig sikkerhedsanvisning, for at
nedsætte risikoen for personskade. Hvis disse forskrifter ikke
følges, kan det medføre personskade eller død.


























