保守
推奨される定期整備作業
| 整備間隔 | 整備手順 |
|---|---|
| 使用開始後最初の 2 時間 |
|
| 使用開始後最初の 10 時間 |
|
| 使用するごとまたは毎日 |
|
| 使用後毎回 |
|
| 50運転時間ごと |
|
| 400運転時間ごと |
|
始業点検表
このページをコピーして使ってください。
| 点検項目 | 第週 | ||||||
|---|---|---|---|---|---|---|---|
| 月 | 火 | 水 | 木 | 金 | 土 | 日 | |
| デフレクタが下向きになっているか点検する(該当機種の場合)。 | |||||||
| タイヤ空気圧を点検する | |||||||
| バッテリーの状態を点検する。 | |||||||
| グリスアップを行なう。1 | |||||||
| 塗装傷のタッチアップ | |||||||
|
1. 車体を水洗いしたときは整備間隔に関係なく直ちにグリスアップする。 |
|||||||
| 要注意個所の記録 | ||
| 点検担当者名: | ||
| 内容 | 日付 | 記事 |
注意
始動キーをつけたままにしておくと、誰でもいつでもエンジンを始動させることができ、危険である。
整備・調整作業の前には必ずエンジンを停止し、キーを抜いておくこと。
Important: カバーについているボルトナット類は、カバーを外しても、カバーから外れません。全部のボルト類を数回転ずつゆるめてカバーが外れかけた状態にし、それから、全部のボルト類を完全にゆるめてカバーを外すようにしてください。このようにすれば、誤ってリテーナからボルトを外してしまうことがありません。
潤滑
| 整備間隔 | 整備手順 |
|---|---|
| 使用するごとまたは毎日 |
|
| 50運転時間ごと |
|
定期的に、全部の潤滑個所にNo.2汎用リチウム系グリスを注入します。機体を水洗いした場合には、直ちに全部のベアリングとブッシュにグリスアップを行ってください。
以下の各部のグリスアップを行う:
ギアボックスのオイルを点検する
| 整備間隔 | 整備手順 |
|---|---|
| 50運転時間ごと |
|
| 400運転時間ごと |
|
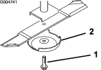
ギアボックスに使用するオイルは石油系または合成の SAE 80W-90 ギア用潤滑油です。適量のオイルを入れて出荷していますが、カッティングユニットを使用する前に点検してください。ギアボックスの容量は 283 ml です。
-
マシンとカッティングユニットを平らな場所に駐車させる。
-
ギアボックスの上部についているディップスティック兼給油プラグ(図 22)を取り、オイルの量が、ディップスティックについている2本のマークの間にあることを確認する。油量が少なければ2本のマークの中間まで補給する。

カッティングユニットの取り外し
-
平らな場所で、カッティングデッキを床に降下させ、昇降レバーをフロート位置にセットし、エンジンを停止し、駐車ブレーキを掛ける。
-
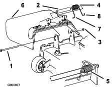
各刈高ロッドの上部についているボルトとワッシャを外す(図 23)。

-
カッティングユニット後部で、刈高ロッドに刈高カラーを固定しているヘアピンとクレビスピンを外す(図 23)。刈高カラーを外す。
-
昇降アームをキャスタアームブラケットに固定しているヘアピンコッターとクレビスピンを外す(図 24)。

-
PTO シャフトのオスメスの接続部分を解除して、カッティングユニットをトラクションユニットから引き出す(図 25)。

危険
PTO シャフトを接続したままでエンジンが始動すると重大な人身事故が発生する恐れがある。
PTO シャフトがカッティングユニットのギアボックスに接続されるまでは、エンジンを始動してPTOレバーを操作してはならない。
キャスタアームのブッシュの整備
キャスタアームのチューブには上側と下側にブッシュがはめ込んでありますが、これらのブッシュは使用に伴って磨耗してきます。
ブッシュを点検するには、キャスタフォークを前後左右に揺り動かして見ます。ブッシュの中でキャスタのシャフトがぐらついているようならブッシュの磨耗が進んでいると判断し、交換してください。
-
カッティングユニットを上昇させて、ホイールを床から浮かす。カッティングユニットが落下しないように支持ブロックでサポートする。
-
各キャスタスピンドルの上部についているトーショニングキャップ、スペーサ、スラストワッシャを外す。
-
キャスタスピンドルをチューブから引き抜く。スラストワッシャとスペーサは、スピンドルの一番下に残しておく。
-
ピンポンチを使って、チューブの上または下からブッシュをたたき出す(図 26)。もう1個のブッシュについても同様にして取り出す。チューブの内部をきれいに清掃する。

-
新しいブッシュの内外面にグリスを塗る。ハンマーと平たい板を使って、ブッシュをチューブにたたき込む。
-
キャスタシャフトを点検し、必要に応じて交換する。
-
ブッシュと取り付けチューブにキャスタスピンドルを通し、もう 1 枚のスラストワッシャと残りのスペーサをスピンドルに取り付け、テンショニングキャップをキャスタスピンドルに取り付ける。
キャスタホイールとベアリングの整備
| 整備間隔 | 整備手順 |
|---|---|
| 使用開始後最初の 2 時間 |
|
| 使用開始後最初の 10 時間 |
|
| 50運転時間ごと |
|
-
キャスタホイールアセンブリをキャスタフォークの間に保持しているボルトのロックナット(図 27)を外す。キャスタホイールをつかんでおいて、ボルトをフォークまたはピボットアームから抜き取る。
-
ホイールのハブからベアリングを外して、ベアリングスペーサを床に落とす(図 27)。ホイールハブの反対側にあるベアリングを取る。
-
ベアリング、スペーサ、ホイールハブの内側の状態を点検する。磨耗したり破損したりしている部品は交換する。
-
キャスタホイールを組み立てるには、まず、ホイールのハブにベアリングを押し込む。ベアリングを取り付ける時、ベアリングの外側のレース部分を押すように注意すること。

-
ホイールのハブにベアリングスペーサを入れる。もう一個のベアリングをホイールハブの空いている側に取り付けてハブ内部のスペーサを固定する。
-
キャスタフォークの間にキャスタホイールアセンブリを入れ、ボルトとロックナットで固定する。
ブレードの整備
刈り込みブレードについての安全事項
-
ブレードが磨耗や破損していないか定期的に点検すること。
-
ブレードを点検する時には安全に十分注意してください。ブレードをウェスでくるむか、安全手袋をはめ、十分に注意して取り扱ってください。ブレードは研磨または交換のみ行い、たたいて修復したり溶接したりしないでください。
-
複数のブレードを持つ機械では、1つのブレードを回転させると他も回転する場合がありますから注意してください。
ブレードの変形を調べる
機械を何かに衝突させてしまった場合には、機械に損傷がないか点検し、必要があれば修理を行ってください。点検修理が終わるまでは作業を再開しないでください。全部のスピンドルプーリのナットを 176-203 N·m(18.0-20.8 kg.m = 130-150 ft-lb)にトルク締めしてください。
-
平らな場所に駐車し、カッティングユニットを上昇させ、駐車ブレーキを掛け、走行ベダルをニュートラルとし、PTO レバーが OFF になっているのを確認し、エンジンを停止させ、キーを抜き取る。
Note: カッティングユニットが落下しないように支持ブロックでサポートする。
-
カッティングユニットの天井から各ブレードの前端の刃先までの距離を測る(図 28)。
Note: 測定値を記録する。

-
ブレードを半回転させて後ろ側にあった刃先を前側にし、ステップ 2 と同じ位置で、カッティングユニットとブレードの刃先の距離を測る。
Note: 上記手順2と3で記録した2つの測定値が 3 mm の差の中に収まっていれば適正である。この差が 3 mm を超える場合には、そのブレードが変形しているので交換する;ブレードの取り外しと取り付けを参照。
ブレードの取り外しと取り付け
ブレードが堅いものに当たった、バランスが取れていない、磨耗した、曲がったなどの場合には交換する必要があります。安全を確保し、適切な刈りを行うために、ブレードは必ず Toro 社の純正品をお使いください。
-
平らな場所に駐車し、カッティングユニットを移動走行位置まで上昇させ、駐車ブレーキを掛け、エンジンを停止させてキーを抜き取る。
Note: カッティングユニットが落下しないように支持ブロックなどで確実に支える。
-
ぼろきれや厚いパッドの入った手袋を使ってブレードの端部をしっかり握る。
-
スピンドルのシャフトからブレードボルト、芝削り防止カップ、ブレードを取り外す(図 29)。

-
ブレード、芝削り防止カップ、ボルトを取り付けてボルトを115-149 N·m(11.8-15.2 kg.m = 85-110 ft-lb)にトルク締めする。
Important: ブレードの立っている側(セール部)がカッティングデッキの天井を向くのが正しい取り付け方です。
Note: デッキが何かに衝突した場合には、全部のスピンドルプーリ・ナットを115-149 N·m(11.8-15.2 kg.m = 85-150 ft-lb)にトルク締めする。
ブレードの点検と研磨
高品質の刈りを実現するためには、刃先と、刃先の反対側にある立ち上がった部分であるセイル部の両方が重要です。
シーズンを通じて鋭利な刈り込みブレードを維持するようにしましょう。刃先が鋭利であれば、芝草をむしるような刈りにならず、切り口がきれいです。
ブレードに過度の磨耗がないか、破損がないか点検してください。セイルは芝草を立たせて刈高を揃える重要部分ですが、使用に伴って摩耗してきます。
-
平らな場所に駐車し、カッティングユニットを上昇させ、駐車ブレーキを掛け、走行ベダルをニュートラルとし、PTO レバーが OFF になっているのを確認し、エンジンを停止させ、キーを抜き取る。
-
ブレードの切っ先を注意深く観察、特に、直線部と曲線部が交わる部分をよく観察する(図 30)。
Note: この、直線部と曲線部の交差域は、砂などによる磨耗が進みやすい部分なので、機械を使用する前によく点検することが必要である。磨耗が進んでいる場合(図 30)にはブレードを交換する。

-
すべてのブレードの刃先を点検し、刃先が丸くなっていたり打ち傷がある場合には研磨する(図 31)。
Note: 研磨は刃先の上面だけに行い、刃の元々の角度を変えないように十分注意する(図 31)。両方の刃先から等量を削るとブレードのバランスを維持することができます。

Note: ブレードを取り外し、研磨機で研磨する。研磨後、ブレードと、芝削り防止カップをつけてブレードボルトで固定する;ブレードの取り外しと取り付けを参照。
ブレードの点検とミスマッチの修正
ブレード同士のマッチングが取れていないと、刈り込んだ時に筋が残ります。この問題は、どのブレードも曲がっていない、全部のブレードが同じ面で回転するように調整することで解決することができます。
-
長さ 1m の水準器を使って、作業場に平らな場所を探しだす。
-
刈高を一番高い位置に設定する;刈り高の調整を参照。
-
平らな床の上にカッティングユニットを降下させる。カッティングユニットからカバーを外す。
-
ブレードが前後方向を指すように回転させる。床面からブレードの刃先までの高さを測る。測定値を記録する。同じブレードを半回転させて後方に回し、床面からこの刃先までの高さを測る。上記手順で記録した2つの測定値が 3 mm の差の中に収まっていれば適正である。差が3 mm よりも大きい場合には、そのブレードは曲がっていて危険であるから交換する。全部のブレードでこの測定を行うこと。
-
左右のブレードの測定値を、中央のブレードの測定値と比較する。中央のブレードの高さが、他のブレードより 10 mm 以上低くなければ適正とする。中央のブレードが 10 mm 以上低い場合には、6 へ進んでスピンドルハウジングとデッキとの間にシムを入れて調整する。
-
シムを追加する場所にあるアウタースピンドルからボルト、平ワッシャ、ロックワッシャ、ナットを外す。スピンドルハウジングとカッティングユニットの底との間にシム(P/N 3256-24)を増減してブレードの高さを調整する。ブレード先端同士の高さの差が所定条件を満たすまで、この調整を続ける。
Important: 1つの場所に入れるシムは3枚までとしてください。1つの穴に2枚のシムを入れても調整が完了しない場合には、隣の穴にシムを増減して調整を続けてください。
-
ベルトカバーを取り付ける。
駆動ベルトの交換
| 整備間隔 | 整備手順 |
|---|---|
| 50運転時間ごと |
|
ブレードを駆動しているベルトはスプリング付きのアイドラで張りを調整されており、非常に耐久性が高く、長期間にわたって使用することができます。しかし長期間のうちに必ず磨耗が現れてきます。磨耗の兆候として:ベルトが回転するときにきしみ音がする、刈り込み中にベルトが滑ってブレードが回らない、ベルトの縁がほつれている、焼けた跡がある、割れているなどがあります。これらを発見したらベルトを交換してください。
デフレクタの交換
警告
排出口がデフレクタなどで覆われていないと、デッキから異物が飛び出して人に当たる恐れがあり、このようなことが実際におこると深刻な人身事故になりかねない。また、ブレードに触れて大怪我をする可能性もある。
-
必ず、カバープレート、マルチプレート、またはシュートと集草バッグを取り付けて運転すること。
-
デフレクタが降りた位置になっているのを必ず確認しておくこと。
-
デフレクタをピボットブラケットに固定しているロックナット、ボルト、スプリング、スペーサを外す(図 35)。デフレクタを取り外す。
-
デフレクタにスペーサとスプリングを取り付ける。L 形端部をカッティングユニット後部のエッジに引っ掛ける。
Note: 必ずスプリングの L 字形端部をカッティングユニット後部のエッジに引っ掛け、それから 図 35 のようにボルトを取り付けてください。
-
ボルトとナットを取り付ける。スプリングの右側の J 字形フックを、デフレクタに引っ掛ける(図 35)。
Important: デフレクタを所定位置まで降ろすことができなければいけません。デフレクタを手で上向きにし、自力で下まで完全に下がることを確認してください。

カッティングユニットの下側の洗浄
| 整備間隔 | 整備手順 |
|---|---|
| 使用後毎回 |
|
カッティングユニットの裏側にたまった刈りかすは毎日取り除いてください。
-
PTOを解除し、走行ペダルから足を離してニュートラル位置とし、駐車ブレーキを掛ける。
-
スロットルレバーを 低速 にセットし、エンジンを停止し、キーを抜き取り、各部が完全に停止したのを確認してから運転席を降りる。
-
カッティングユニットを移動走行位置に上昇させる。
-
機体前部を浮かせ、ジャッキスタンドで支持する。
-
カッティングユニットの裏側を水でていねいに清掃する。


のついている遵守事項は必ずお守りください 「注意」、「警告」、および「危険」
の記号は、人身の安全に関わる注意事項を示しています。これらの注意を怠ると死亡事故などの重大な人身事故が発生する恐れがあります。





























