Manutenzione
Sostituzione del lubrificante per ingranaggi
| Intervallo di manutenzione |
| Dopo le prime 100 ore |
| Ogni 500 ore / annualmente (a seconda della data più prossima) |
-
Pulite le superfici esterne dell'alloggiamento del groomer.
Important: Accertatevi che non vi siano morchia o erba tagliata all’esterno dell’alloggiamento del groomer; l’entrata di corpi estranei nel groomer può danneggiare la scatola a ingranaggi.
-
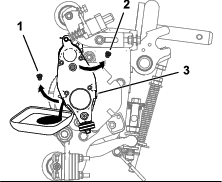
Rimuovete il tappo di spurgo situato nella parte inferiore dell'alloggiamento (Figura 28).
-
Rimuovete il tappo di riempimento sul lato dell’alloggiamento e allentate il tappo di sfiato nella parte superiore per lasciar passare l’aria (Figura 28).
-
Posizionate un contenitore adeguato sotto il foro di spurgo dell’olio per raccogliere l’olio spurgato.
-
Inclinate l'apparato di taglio all’indietro sopra il cavalletto fino a quando il foro di spurgo non si trova nella parte inferiore, per garantire uno spurgo completo (Figura 26).

-
Muovete l'apparato di taglio avanti e indietro per garantire uno spurgo completo. Una volta che l'olio è completamente spurgato, posizionate l'apparato di taglio su una superficie pianeggiante.
-
Montate il tappo di spurgo.
-
Utilizzate una siringa (n. cat. 137-0872) per riempire la scatola di trasmissione con olio 80-90W. Riempite con 50 cc i cilindri da 12,7 cm o con 90 cc i cilindri da 17,8 cm.

-
Montate il tappo di riempimento e serrate il tappo di sfiato.
-
Serrate tutti i tappi a una coppia compresa tra 3,62 e 4,75 N∙m.

Rimozione della scatola di trasmissione del groomer
Note: Conservate tutte le parti rimosse per la successiva installazione, salvo diversa indicazione.
Important: Qualora doveste avere problemi nella rimozione della scatola di trasmissione del groomer, fate riferimento al Manuale di servizio del vostro trattore o contattate il vostro distributore Toro autorizzato.
-
Rimuovete il tappo dal groomer.
-
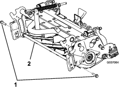
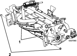
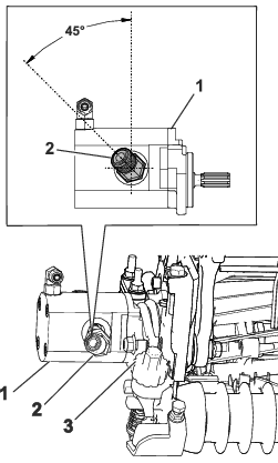
Rimuovete i bulloni di serraggio che collegano il groomer alla scatola di trasmissione (Figura 18).
-
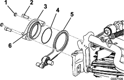
Rimuovete il perno di regolazione e la coppiglia che collegano la scatola di trasmissione del groomer ai bracci di regolazione (Figura 29).

-
Fermate il cilindro per la rimozione; fate riferimento a Fissaggio del cilindro per la rimozione degli inserti filettati.
-
Installate la vite di rinforzo (n. cat. 1-803022 – venduta separatamente) ai filetti interni della testa esagonale della trasmissione del groomer e serratela a un valore di 13,5 N⋅m come mostrato nella figura Figura 29.
-
Rimuovete la scatola di trasmissione del groomer dal cilindro di taglio ruotando la testa esagonale della trasmissione del groomer (Figura 29).
Important: Se la scatola di trasmissione del groomer viene installata sul lato destro di un apparato di taglio, ruotate la testa esagonale della trasmissione del groomer in senso antiorario (filetto destrorso) per rimuovere l’albero della scatola di trasmissione dall’apparato di taglio.
Important: Se la scatola di trasmissione del groomer viene installata sul lato sinistro di un apparato di taglio, ruotate la testa esagonale della trasmissione del groomer in senso orario (filetto sinistrorso) per rimuovere l’albero della scatola di trasmissione dall’apparato di taglio.
Important: Dovete utilizzare una presa a 6 punti con una parete pesante.
Pulizia del cilindro del groomer
| Cadenza di manutenzione | Procedura di manutenzione |
|---|---|
| Dopo ogni utilizzo |
Pulite il cilindro del groomer dopo l'uso spruzzandolo con acqua. Non dirigete il getto d’acqua direttamente alle guarnizioni di tenuta dei cuscinetti del groomer. Non lasciate il cilindro del groomer nell’acqua, perché i componenti si arrugginirebbero.
Controllo delle lame
| Cadenza di manutenzione | Procedura di manutenzione |
|---|---|
| Prima di ogni utilizzo o quotidianamente |
Controllate spesso le lame del cilindro del groomer per accertare che non siano danneggiate o consumate. Raddrizzate le lame curve con una pinza e sostituite quelle usurate. Quando controllate le lame, verificate che i dadi alle estremità dell’albero delle lame destra e sinistra siano avvitati a fondo.

Fissaggio del cilindro
Avvertenza
Le lame del cilindro di taglio sono affilate e possono amputare mani e piedi.
-
Tenete mani e piedi fuori dal cilindro.
-
Assicuratevi che il cilindro sia fermato prima di effettuarne la manutenzione.
Fissaggio del cilindro per la rimozione degli inserti filettati
-
Allentate il bullone del deflettore sul lato sinistro dell'apparato di taglio e sollevate il deflettore posteriore (Figura 31).
-
Inserite un piede di porco con manico lungo (⅜" x 12" raccomandato con manico a cacciavite) attraverso la parte posteriore del cilindro di taglio, più vicino al lato dell'apparato di taglio da serrare (Figura 31).
-
Posizionate il piede di porco contro il lato di saldatura della piastra di supporto del cilindro (Figura 31).
Note: Inserite il piede di porco tra la parte superiore dell'albero del cilindro e le parti posteriori di 2 lame del cilindro, in modo che il cilindro non si muova.
Important: Evitate il contatto del tagliente di qualsiasi lama con il piede di porco; ciò può danneggiare il tagliente e/o causare una lama alta.
Important: L’inserto a sinistra dell’apparato di taglio è sinistrorso. L'inserto a destra dell'apparato di taglio è destrorso.

-
Appoggiate il manico del piede di porco contro il rullo posteriore.
-
Completate la rimozione dell'inserto filettato assicurandovi che il piede di porco rimanga in posizione, quindi rimuovete il piede di porco.
-
Abbassate il deflettore posteriore e serrate il bullone del deflettore.
Fissaggio del cilindro per il montaggio degli inserti filettati
-
Inserite un piede di porco con manico lungo (⅜" x 12" raccomandato con manico a cacciavite) attraverso la parte anteriore del cilindro di taglio, più vicino al lato dell'apparato di taglio da serrare (Figura 32).
-
Posizionate il piede di porco contro il lato di saldatura del rinforzo del cilindro di taglio interno (Figura 32).
Note: Il piede di porco deve essere a contatto con la lama nella parte anteriore, con l'albero del cilindro e una lama nella parte posteriore del cilindro, bloccandolo in posizione.
Important: Evitate il contatto del tagliente di qualsiasi lama con il piede di porco; ciò può danneggiare il tagliente e/o causare una lama alta.
Important: L’inserto a sinistra dell’apparato di taglio è sinistrorso. L'inserto a destra dell'apparato di taglio è destrorso.

-
Appoggiate il manico del piede di porco contro il rullo
-
Secondo le istruzioni di installazione dell'inserto e i requisiti di serraggio, completate l'installazione dell'inserto filettato garantendo che il piede di porco rimanga in posizione, quindi rimuovete il piede di porco.
























