Entretien
Vidange de l'huile du boîtier d'engrenages
| Périodicité d'entretien |
| Après les 100 premières heures |
| Toutes les 500 heures/une fois par an (la première échéance prévalant) |
-
Nettoyez les surfaces extérieures du carter du groomer.
Important: Vérifiez qu'aucune saleté ni aucun débris d'herbe ne sont déposés sur l'extérieur du carter du groomer ; le boîtier d'engrenages peut être endommagé si des débris s'introduisent dans le groomer.
-
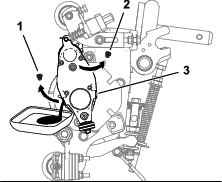
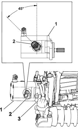
Retirez le bouchon de vidange au bas du carter (Figure 28).
-
Retirez le bouchon de remplissage sur le côté du carter et desserrez le bouchon d'aération au sommet pour permettre à l'air de circuler à l'intérieur (Figure 28).
-
Placez un bac de capacité adéquate sous l'orifice de vidange d'huile pour recueillir l'huile vidangée.
-
Basculez l'unité de coupe en arrière sur la béquille pour placer l'orifice de vidange en bas et assurer ainsi une vidange complète (Figure 26).

-
Agitez l'unité de coupe d'avant en arrière pour assurer une vidange complète. Une fois la vidange d'huile terminée, placez l'unité de coupe sur une surface plane et horizontale.
-
Remettez le bouchon de vidange en place.
-
Avec une seringue (réf. 137-0872), remplissez le boîtier d'entraînement d'huile 80-90W. Remplissez de 50 cm³ pour les cylindres de 13 cm et de 90 cm³ pour les cylindres de 18 cm.

-
Remettez en place le bouchon de remplissage et serrez le bouchon d'aération.
-
Serrez tous les bouchons à un couple de 3,62 à 4,75 N·m.

Dépose du boîtier d'entraînement du groomer
Note: Conservez toutes les pièces déposées pour les réutiliser, sauf indication contraire.
Important: Si vous avez des difficultés à déposer le boîtier d'entraînement du groomer, consultez le Manuel d'entretien du groupe de déplacement, ou contactez votre concessionnaire Toro agréé.
-
Enlevez le capuchon du groomer.
-
Retirez les boulons qui fixent le groomer au boîtier d'entraînement (Figure 18).
-
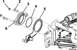
Retirez la goupille de réglage et la goupille fendue qui retiennent le boîtier d'entraînement du groomer sur les bras de réglage (Figure 29).

-
Bloquez le cylindre pour la dépose ; voir Blocage du cylindre pour la dépose des inserts filetés.
-
Vissez la vis de renfort (réf. 1-803022, vendue séparément) sur le filetage interne de la tête hexagonale de l'entraînement du groomer et serrez-la à 13,5 N⋅m, comme montré à la Figure 29.
-
Déposez le boîtier d'entraînement du groomer du cylindre de coupe en tournant la tête hexagonale (Figure 29).
Important: Si le boîtier d'entraînement du groomer est installé sur le côté droit de l'unité de coupe, tournez la tête hexagonale du boîtier dans le sens antihoraire (filetage à droite) pour déposer l'arbre du boîtier de l'unité de coupe.
Important: Si le boîtier d'entraînement du groomer est installé sur le côté gauche de l'unité de coupe, tournez la tête hexagonale du boîtier dans le sens horaire (filetage à gauche) pour déposer l'arbre du boîtier de l'unité de coupe.
Important: Vous devez utiliser une douille à 6 pans à paroi épaisse.
Nettoyage du cylindre groomer
| Périodicité d'entretien | Procédure d'entretien |
|---|---|
| Après chaque utilisation |
Lavez le cylindre groomer au tuyau d'arrosage après utilisation. Ne dirigez pas le jet d'eau directement vers les joints de roulements du cylindre groomer. Ne laissez pas le cylindre groomer tremper dans l'eau car les composants rouilleront.
Contrôle des lames
| Périodicité d'entretien | Procédure d'entretien |
|---|---|
| À chaque utilisation ou une fois par jour |
Vérifiez régulièrement que les lames du cylindre groomer ne sont pas endommagées ou usées. Redressez les lames faussées avec une pince et remplacez les lames usées. Lorsque vous contrôlez l'état des lames, vérifiez le serrage des écrous des extrémités droite et gauche de l'arbre.

Blocage du cylindre
Attention
Les lames du cylindre sont très coupantes et peuvent sectionner les mains et les pieds.
-
Laissez les mains et les pieds à l'extérieur du cylindre.
-
Vérifiez que le cylindre est bloqué avant d'en faire l'entretien.
Blocage du cylindre pour la dépose des inserts filetés
-
Desserrez le boulon du déflecteur sur le côté gauche de l'unité de coupe et levez le déflecteur arrière (Figure 31).
-
Insérez un levier à long manche (3/8" x 12" avec manche de tournevis) à l'arrière du cylindre de coupe, du côté le plus proche de l'unité de coupe que vous allez serrer (Figure 31).
-
Placez le levier contre le côté soudé de la plaque de support du cylindre (Figure 31).
Note: Insérez le levier entre le haut de l'arbre du cylindre et l'arrière des 2 lames pour empêcher le cylindre de bouger.
Important: Ne touchez le tranchant des lames avec le levier au risque d'endommager le tranchant et/ou de déformer les lames.
Important: L’insert du côté gauche de l'unité de coupe est fileté à gauche. L’insert du côté droit de l'unité de coupe est fileté à droite.

-
Appuyez le manche du levier sur le rouleau arrière.
-
Finissez de déposer l'insert fileté en vérifiant que le levier reste en place, puis retirez le levier.
-
Baissez le déflecteur arrière et serrez le boulon de fixation.
Blocage du cylindre pour la pose des inserts filetés
-
Insérez un levier à long manche (3/8" x 12" avec manche de tournevis) à l'avant du cylindre de coupe, du côté le plus proche de l'unité de coupe que vous allez serrer (Figure 32).
-
Placez le levier contre le côté soudé du renfort interne du cylindre (Figure 32).
Note: Le levier doit être en contact avec une lame à l'avant, l'arbre du cylindre et une lame à l'arrière de l'arrière du cylindre, qui est ainsi bloqué en place.
Important: Ne touchez le tranchant des lames avec le levier au risque d'endommager le tranchant et/ou de déformer les lames.
Important: L’insert du côté gauche de l'unité de coupe est fileté à gauche. L’insert du côté droit de l'unité de coupe est fileté à droite.

-
Appuyez le manche du levier sur le rouleau.
-
Finissez d'installer les inserts filetés selon les instructions d'installation et de serrage, en vérifiant que le levier reste en place, puis retirez le levier.
























