Underhåll
Byta smörjolja i växellådan
| Serviceintervall |
| Efter de första 100 timmarna |
| Efter 500 timmar/varje år (beroende på vilket som inträffar först) |
-
Rengör trimmarhusets utsida.
Important: Kontrollera att det inte finns smuts eller gräsklipp på trimmarhusets utsida; om skräp hamnar inuti trimmaren kan det skada växellådan.
-
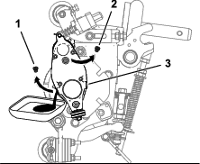
Ta bort avtappningspluggen längst ner på huset (Figur 28).
-
Ta bort påfyllningspluggen på sidan av huset och lossa avluftarpluggen högst upp så att luft kan passera (Figur 28).
-
Rikta in en lämplig behållare under dräneringsöppningen för att samla upp oljan.
-
Luta klippenheten bakåt mot stödet tills dräneringsöppningen är längst ner så att all olja kan rinna ur (Figur 26).

-
Gunga klippenheten fram och tillbaka så att all olja rinner ur. Ställ klippenheten på ett plant underlag när all olja är urtappad.
-
Sätt tillbaka avtappningspluggen.
-
Använd en spruta (artikelnr 137-0872) för att fylla drivningens låda med 80-90W-olja. Fyll på med 50 cm³ för 12,7 cm-cylindrar eller 90 cm³ för 17,8 cm-cylindrar.

-
Montera påfyllningspluggen och dra åt avluftarpluggen.
-
Dra åt alla pluggar till 3,62–4,75 N·m.

Avlägsna trimmardrivningens låda
Note: Spara alla delar som avlägsnats för senare montering såvida inget annat anges.
Important: Se traktorenhetens servicehandbok eller kontakta en auktoriserad Toro-återförsäljare om du har några problem med att ta bort trimmardrivningens låda.
-
Avlägsna locket från trimmaren.
-
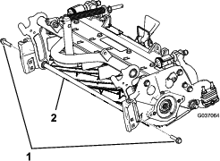
Avlägsna klämmbulten som ansluter trimmaren till drivningslådan (Figur 18).
-
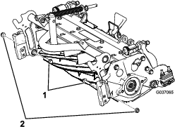
Avlägsna justerstiftet och saxsprinten som ansluter trimmardrivningens låda på justerarmarna (Figur 29).

-
Lås fast cylindern för borttagning. Se Låsa fast cylindern för att ta bort gängade insatser.
-
Montera förstärkningsskruven (artikelnr 1-803022 – säljs separat) på de inre gängorna av trimmardrivningens sexkantskruv och dra åt till 13,5 Nm enligt Figur 29.
-
Avlägsna trimmardrivningens låda från klippcylindern genom att vrida trimmardrivningens sexkantsskruv (Figur 29).
Important: Om trimmardrivningens låda är monterad på klippenhetens högra sida vrider du trimmardrivningens sexkantsskruv moturs (högergängad) för att avlägsna drivningslådans axel från klippenheten.
Important: Om trimmardrivningens låda är monterad på klippenhetens vänstra sida vrider du trimmardrivningens sexkantsskruv medsols (vänstergängad) för att avlägsna drivningslådans axel från klippenheten
Important: Du måste använda en sexkantshylsa med tjock vägg.
Rengöra trimningscylindern
| Underhållsintervall | Underhållsförfarande |
|---|---|
| Efter varje användning |
Spola av trimningscylindern med vatten för att rengöra den efter användning. Rikta inte vattenstrålen direkt mot trimsatsens lagertätningar. Låt inte trimningscylindern stå i vatten så att komponenterna rostar.
Kontrollera knivarna
| Underhållsintervall | Underhållsförfarande |
|---|---|
| Varje användning eller dagligen |
Kontrollera trimningscylinderns knivar ofta för att se om de är slitna eller skadade. Räta ut böjda knivar med en tång och byt ut slitna knivar. Kontrollera att muttrarna i slutet av höger och vänster knivaxel är ordentligt åtdragna när du inspekterar knivarna.

Låsa fast cylindern
Varning
Klippcylinderns knivar är vassa och kan slita av händer och fötter.
-
Håll händer och fötter borta från cylindern.
-
Se till att cylindern är fastlåst innan du servar den.
Låsa fast cylindern för att ta bort gängade insatser
-
Lossa på skyddsskruven på klippenhetens vänstra sida och höj upp det bakre skyddet (Figur 31).
-
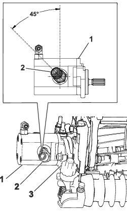
För in en bändstång med långt handtag (vi rekommenderar storleken ⅜ x 12 tum med ett skruvmejselhandtag) genom klippcylinderns baksida närmast sidan på den klippenhet som du ska dra åt (Figur 31).
-
Placera bändstången mot cylinderstödplattans svetsade sida (Figur 31).
Note: För in bändstången mellan den övre delen av cylinderaxeln och baksidan på två cylinderknivar så att cylindern inte kan röra sig.
Important: Rör inte vid eggen på någon av knivarna med bändstången. Detta kan skada eggen och/eller resultera i en hög kniv.
Important: Insatsen på klippenhetens vänstra sida är vänstergängad. Insatsen på klippenhetens högra sida är högergängad.

-
Placera bändstångens handtag mot den bakre rullen.
-
Slutför borttagandet av den gängade insatsen och säkerställ samtidigt att bändstången stannar på sin plats. Ta sedan bort bändstången.
-
Sänk det bakre skyddet och dra åt skyddsskruven.
Låsa fast cylindern för att montera gängade insatser
-
För in en bändstång med långt handtag (vi rekommenderar storleken ⅜ x 12 tum med ett skruvmejselhandtag) genom klippcylinderns framsida närmast sidan på den klippenhet som du ska dra åt (Figur 32).
-
Placera bändstången mot den svetsade sidan på cylinderns inre förstärkning (Figur 32).
Note: Bändstången ska vidröra en främre kniv, cylinderaxeln och en kniv längre bak i cylindern så att den låses fast.
Important: Rör inte vid eggen på någon av knivarna med bändstången. Detta kan skada eggen och/eller resultera i en hög kniv.
Important: Insatsen på klippenhetens vänstra sida är vänstergängad. Insatsen på klippenhetens högra sida är högergängad.

-
Placera bändstångens handtag mot rullen.
-
Slutför monteringen av den gängade insatsen enligt insatsens monteringsanvisningar och åtdragningskrav och säkerställ samtidigt att bändstången stannar på sin plats. Ta sedan bort bändstången.
























