Техническое обслуживание
Замена масла в коробке передач
| Межсервисный интервал |
| После первых 100 часов работы |
| Через каждые 500 часов / ежегодно (в зависимости от того, что наступит раньше) |
-
Очистите наружные поверхности корпуса механической щетки.
Important: Убедитесь в отсутствии загрязнений или скошенной травы на наружной поверхности корпуса механической щетки; если мусор попадет внутрь механической щетки, он может повредить редуктор.
-
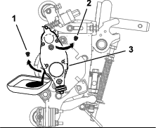
Снимите пробку сливного отверстия в нижней части корпуса (Рисунок 28).
-
Отверните пробку заливного отверстия в боковой части корпуса и ослабьте пробку выпуска воздуха сверху, чтобы обеспечить проход воздуха (Рисунок 28).
-
Для сбора масла установите подходящую емкость под сливное отверстие.
-
Наклоните режущий блок назад на откидную подставку так, чтобы сливное отверстие было внизу и можно было обеспечить полный слив (Рисунок 26).

-
Наклоняйте режущий блок вперед и назад так, чтобы можно было обеспечить полный слив. После полного слива масла поместите режущий блок на ровную поверхность.
-
Установите сливную пробку.
-
Используйте шприц (№ по кат. 137-0872), чтобы залить в блок привода масло 80-90W. Залейте 50 куб. см для 5-дюймовых барабанов или 90 куб. см для 7-дюймовых барабанов.

-
Установите пробку заливного отверстия и затяните пробку выпуска воздуха.
-
Затяните все пробки с моментом от 3,62 до 4,75 Н∙м.

Снятие блока привода механической щетки
Note: Сохраните все снятые детали для установки на более позднем этапе, если не указано иное.
Important: Если у вас возникнут какие-либо вопросы по снятию блока привода механической щетки, см. Руководство по техническому обслуживанию для вашего тягового блока или свяжитесь с официальным дистрибьютором компании Toro.
-
Снимите крышку с механической щетки.
-
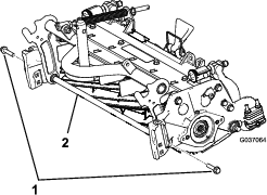
Отверните зажимные болты, крепящие механическую щетку к блоку привода (Рисунок 18).
-
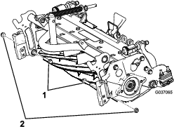
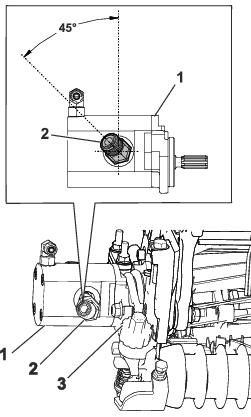
Отверните штифт регулятора и шплинт, крепящие блок привода механической щетки к рычагам регулятора (Рисунок 29).

-
Зафиксируйте барабан для снятия; см. раздел Фиксация барабана для снятия резьбовых вставок.
-
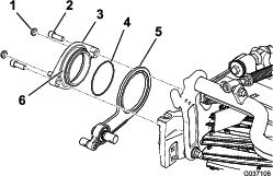
Заверните усилительный винт (№ по кат. 1-803022 – продается отдельно) во внутреннюю резьбу шестигранной головки блока привода механической щетки и затяните его с моментом 13,5 Н∙м, как показано на Рисунок 29.
-
Снимите блок привода механической щетки с барабана режущего блока, повернув шестигранную головку привода механической щетки (Рисунок 29).
Important: Если блок привода механической щетки установлен на правой стороне режущего блока, поверните шестигранную головку блока привода против часовой стрелки (правосторонняя резьба), чтобы снять вал блока привода с режущего блока.
Important: Если блок привода механической щетки установлен на левой стороне режущего блока, поверните шестигранную головку блока привода механической щетки по часовой стрелке (левосторонняя резьба), чтобы снять вал блока привода с режущего блока.
Important: Следует использовать толстостенную 6-зубчатую головку.
Очистка уборочного барабана
| Периодичность технического обслуживания | Порядок технического обслуживания |
|---|---|
| После каждого использования |
После использования промойте барабан механической щетки струей воды. Не направляйте струю воды прямо на уплотнения подшипников механической щетки. Не допускается опускать уборочный барабан в воду, т. к. его компоненты заржавеют.
Проверка ножей
| Периодичность технического обслуживания | Порядок технического обслуживания |
|---|---|
| Перед каждым использованием или ежедневно |
Почаще проверяйте ножи уборочного барабана на повреждения и износ. Выпрямите погнутые ножи плоскогубцами и замените изношенные ножи. При осмотре ножей убедитесь, что гайки на правом и левом концах вала ножей затянуты плотно.

Фиксация барабана
Предупреждение
Ножи барабанного режущего блока острые и могут привести к травматической ампутации рук и ног.
-
Держите руки и ноги на достаточном расстоянии от барабана.
-
Убедитесь в том, что барабан зафиксирован, прежде чем производить его техническое обслуживание.
Фиксация барабана для снятия резьбовых вставок
-
Ослабьте затяжку болта щитка на левой стороне режущего блока и поднимите задний щиток (Рисунок 31).
-
Вставьте монтировку с длинной ручкой (рекомендуется использовать монтировку размером ⅜ x 12 дюймов с рукояткой, как у отвертки) через заднюю часть барабанного режущего блока и максимально близко к боковой части режущего блока, к которому вы прилагаете крутящий момент (Рисунок 31).
-
Установите монтировку так, чтобы она была прижата к сварной стороне опорной пластины барабана (Рисунок 31).
Note: Вставьте монтировку между верхней частью вала барабана и задними частями 2 ножей барабана так, чтобы барабан не двигался.
Important: Не допускается контакт монтировки с режущей кромкой ножей; это может привести к повреждению режущей кромки и/или к смещению ножа в верхнее положение.
Important: Вставка с левой стороны режущего блока имеет левостороннюю резьбу. Вставка с правой стороны режущего блока имеет правостороннюю резьбу.

-
Прижмите рукоятку монтировки к заднему валику.
-
Снимите резьбовую вставку, при этом убедитесь в том, что монтировка остается на месте, затем извлеките монтировку.
-
Опустите задний щиток и затяните болт щитка.
Фиксация барабана при установке резьбовых вставок
-
Вставьте монтировку с длинной ручкой (рекомендуется использовать монтировку размером ⅜ x 12 дюймов с рукояткой, как у отвертки) через переднюю часть барабанного режущего блока и максимально близко к боковой части режущего блока, к которому вы прилагаете крутящий момент (Рисунок 32).
-
Установите монтировку так, чтобы она была прижата к сварной стороне внутреннего усиливающего компонента барабанного режущего блока (Рисунок 32).
Note: Монтировка должна касаться передней части ножа, вала барабана и задней части ножа в задней части барабана, фиксируя его на месте.
Important: Не допускается контакт монтировки с режущей кромкой ножей; это может привести к повреждению режущей кромки и/или к смещению ножа в верхнее положение.
Important: Вставка с левой стороны режущего блока имеет левостороннюю резьбу. Вставка с правой стороны режущего блока имеет правостороннюю резьбу.

-
Прижмите рукоятку монтировки к валику.
-
Следуя инструкциям по установке вставки и соблюдая требования к моментам затяжки, установите резьбовую вставку, при этом убедитесь в том, что монтировка остается на месте, затем извлеките монтировку.
























