| Intervalo de mantenimiento y servicio | Procedimiento de mantenimiento |
|---|---|
| Cada vez que se utilice o diariamente |
|
Este cortacésped de asiento de cuchillas rotativas está diseñado para ser usado por operadores profesionales contratados. Está diseñado principalmente para segar césped bien mantenido en zonas verdes residenciales o comerciales. No está diseñado para cortar maleza o para aplicaciones agrícolas.
Lea este manual detenidamente para aprender a utilizar y mantener correctamente su producto, y para evitar lesiones y daños al producto. Usted es responsable de utilizar el producto de forma correcta y segura.
Puede ponerse en contacto con Toro directamente en www.Toro.com si desea materiales de formación y seguridad o información sobre accesorios, para localizar un distribuidor o para registrar su producto.
Cuando necesite asistencia técnica, piezas genuinas Toro o información adicional, póngase en contacto con un Distribuidor de Servicio Autorizado o con Asistencia al Cliente Toro, y tenga a mano los números de modelo y serie de su producto. La Figura 1 identifica la ubicación de los números de serie y de modelo en el producto. Escriba los números en el espacio provisto.
Important: Con su dispositivo móvil, puede escanear el código QR (en su caso) de la pegatina del número de serie para acceder a información sobre la garantía, las piezas, y otra información sobre el producto.

Este manual identifica peligros potenciales y contiene mensajes de seguridad identificados por el símbolo de alerta de seguridad (Figura 2), que señala un peligro que puede causar lesiones graves o la muerte si usted no sigue las precauciones recomendadas.

Este manual utiliza 2 palabras para resaltar información. Importante llama la atención sobre información mecánica especial, y Nota resalta información general que merece una atención especial.
El uso o la operación del motor en cualquier terreno forestal, de monte o cubierto de hierba a menos que el motor esté equipado con parachispas (conforme a la definición de la sección 4442) mantenido en buenas condiciones de funcionamiento, o que el motor haya sido fabricado, equipado y mantenido para la prevención de incendios, constituye una infracción de la legislación de California (California Public Resource Code Section 4442 o 4443).
Par bruto o neto: el par bruto o neto de este motor fue calculada por el fabricante del motor con arreglo a lo estipulado en el documento J1940 o J2723 de la Society of Automotive Engineers (Sociedad de Ingenieros del Automóvil - SAE). Debido a que el motor está configurado para cumplir los requisitos de seguridad, emisiones y operación, su potencia real en este tipo de cortacésped será significativamente menor. Consulte la información del fabricante del motor incluida con la máquina.
CALIFORNIA
Advertencia de la Propuesta 65
Los gases de escape de este producto contienen productos químicos que el Estado de California sabe que causan cáncer, defectos congénitos u otros peligros para la reproducción.
Los bornes, terminales y otros accesorios de la batería contienen plomo y compuestos de plomo, productos químicos reconocidos por el Estado de California como causantes de cáncer y daños reproductivos. Lávese las manos después de manejar el material.
El uso de este producto puede provocar la exposición a sustancias químicas que el Estado de California considera causantes de cáncer, defectos congénitos u otros trastornos del sistema reproductor.
Esta máquina ha sido diseñada con arreglo a lo estipulado en la norma ANSI B71.4-2012.
Este producto es capaz de amputar manos y pies y de lanzar objetos al aire. Siga siempre todas las instrucciones de seguridad con el fin de evitar lesiones personales graves.
El uso de este producto para otros propósitos que los previstos podría ser peligroso para usted y para otras personas.
Mantenga siempre la barra antivuelco en la posición de totalmente elevada y bloqueada, y utilice el cinturón de seguridad.
No utilice la máquina cerca de terraplenes, fosas, taludes, agua, u otros peligros, o en pendientes de más de 15 grados.
Lea y comprenda el contenido de este manual del operador antes de arrancar el motor.
No coloque las manos o los pies cerca de los componentes en movimiento de la máquina.
No haga funcionar la máquina sin que estén colocados y en buenas condiciones de funcionamiento todos los protectores y otros dispositivos de seguridad.
Mantenga alejados a los niños y a otras personas de la zona de trabajo. Nunca permita a los niños utilizar la máquina.
Pare la máquina, apague el motor y retire la llave antes de realizar tareas de mantenimiento o repostaje, y antes de eliminar obstrucciones en la máquina.
El uso o mantenimiento incorrecto de esta máquina puede causar lesiones. Para reducir el peligro de lesiones, cumpla estas instrucciones de seguridad y preste atención siempre al símbolo de alerta de seguridad, que significa Cuidado, Advertencia o Peligro – instrucción relativa a la seguridad personal. El incumplimiento de estas instrucciones puede dar lugar a lesiones personales e incluso la muerte.
Puede encontrar información de seguridad adicional en todo este manual, en las secciones pertinentes.

![]() |
Las pegatinas de seguridad e instrucciones están a la vista del operador y están ubicadas cerca de cualquier zona de peligro potencial. Sustituya cualquier pegatina que esté dañada o que falte. |



























Familiarícese con todos los controles antes de poner en marcha el motor y trabajar con la máquina.

El interruptor de encendido, que se utiliza para arrancar y apagar el motor, tiene tres posiciones: PARADA, MARCHA y ARRANQUE. Consulte Cómo arrancar el motor.
El acelerador controla la velocidad del motor y tiene un ajuste variable continuo de LENTO a RáPIDO (Figura 5).
Utilice el control del estárter para poner en marcha el motor en frío.
El mando de control de las cuchillas, representado por un símbolo de toma de fuerza (TDF), engrana y desengrana la transmisión de potencia a las cuchillas del cortacésped (Figura 5).
El contador de horas registra el número de horas de operación de la máquina. Funciona cuando el motor está en marcha. Utilice el recuento de horas para programar el mantenimiento regular (Figura 6).

El indicador de combustible está situado dentro del contador de horas, y las barras se encienden cuando el interruptor de encendido está en posición de CONECTADO (Figura 6).
El indicador aparece cuando el nivel de combustible es bajo (queda aproximadamente 3.8 litros [1 galón] en el depósito).
Hay una serie de símbolos en el contador de horas, que indican con un triángulo negro si el componente de seguridad está en la posición correcta (Figura 6).
Si se gira el interruptor de encendido a la posición de CONECTADO durante unos segundos, se muestra el voltaje de la batería en la zona donde normalmente se muestran las horas de uso.
La luz de la batería se enciende al accionarse el interruptor de encendido, y cuando la carga está por debajo del nivel correcto de operación Figura 6.
La unidad de control electrónica (UCE) monitoriza constantemente el funcionamiento del sistema de control de combustible.
Si se detecta un problema o una avería en el sistema, se enciende el indicador de avería multifunción (IAM).
El IAM es el piloto rojo situado en el panel derecho de la consola.
Si se enciende el IAM, realice las comprobaciones iniciales de localización de fallos; consulte la sección IAM, en .
Si estas comprobaciones no corrigen el problema, será necesario que un Servicio Técnico Autorizado realice un diagnóstico y mantenimiento completos.
Las palancas de control de movimiento se utilizan para conducir la máquina hacia adelante, hacia atrás y girarla en ambos sentidos (Figura 4).
Mueva las palancas de control de movimiento hacia fuera, desde la posición central a la posición de BLOQUEO/PUNTO MUERTO antes de bajarse de la máquina (Figura 23). Ponga siempre las palancas de control de movimiento en posición de BLOQUEO/PUNTO MUERTO cuando pare la máquina o antes de dejarla desatendida.
Cada vez que apaga el motor, ponga el freno de estacionamiento para evitar que la máquina se desplace accidentalmente.
Cierre la válvula de cierre de combustible antes de transportar o almacenar la máquina; consulte Uso de la válvula de cierre de combustible.
Está disponible una selección de aperos y accesorios homologados por Toro que pueden utilizarse con la máquina a fin de potenciar y aumentar sus prestaciones. Póngase en contacto con su Servicio Técnico Autorizado o con su distribuidor autorizado Toro, o visite www.Toro.com para obtener una lista de todos los aperos y accesorios homologados.
Para asegurar un rendimiento óptimo y mantener la certificación de seguridad de la máquina, utilice solamente piezas y accesorios genuinos Toro. Las piezas de repuesto y accesorios de otros fabricantes podrían ser peligrosos, y su uso podría invalidar la garantía del producto.
Note: Las especificaciones y diseños están sujetos a modificación sin previo aviso.
Anchura:
| Sin carcasa | 135 cm (53") |
| Deflector elevado | 157 cm (62") |
| Deflector bajado | 192 cm (76") |
Longitud:
| Barra anti-vuelco – elevada | 211 cm (83") |
| Barra antivuelco – bajada | 215 cm (85") |
Altura:
| Barra antivuelco – elevada | Barra antivuelco – bajada |
|---|---|
| 179 cm (71") | 119 cm (47") |
Peso:
| Modelo | Peso |
| 74958 | 532 kg (1172 libras) |
Note: Los lados derecho e izquierdo de la máquina se determinan desde la posición normal del operador.
No deje nunca que la máquina sea utilizada o reparada por niños o por personas que no hayan recibido la formación adecuada al respecto. La normativa local puede imponer límites sobre la edad del operador. El propietario es responsable de proporcionar formación a todos los operadores y mecánicos.
Familiarícese con la operación segura del equipo, los controles del operador y las señales de seguridad.
Sepa cómo parar rápidamente la máquina y el motor.
Compruebe que los controles de presencia del operador, los interruptores de seguridad y los protectores están instalados y que funcionan correctamente. No utilice la máquina si no funcionan correctamente.
Antes de segar, inspeccione siempre la máquina para asegurarse de que las cuchillas, los pernos de las cuchillas y los conjuntos de corte están en buenas condiciones de uso. Sustituya cuchillas o pernos gastados o dañados en conjuntos completos para no desequilibrar la máquina.
Inspeccione el área donde se va a utilizar la máquina y retire cualquier objeto que la máquina podría lanzar al aire.
Evalúe el terreno para determinar cuáles son los equipos y aperos o accesorios apropiados que se requieren para operar la máquina de manera adecuada y segura.
Para evitar lesiones personales o daños materiales, extreme las precauciones al manejar el combustible. Los vapores de combustible son inflamables y explosivos.
Apague cualquier cigarrillo, cigarro, pipa u otra fuente de ignición.
Utilice solamente un recipiente de combustible homologado.
No retire el tapón de combustible ni añada combustible al depósito de combustible si el motor está en marcha o está caliente.
No reposte combustible dentro de un edificio.
No guarde la máquina o un recipiente de combustible en un lugar donde pudiera haber una llama desnuda, chispas o una llama piloto, por ejemplo en un calentador de agua u otro electrodoméstico.
No llene los recipientes dentro de un vehículo o sobre la plataforma de un camión o remolque con un forro de plástico. Coloque siempre los recipientes de gasolina en el suelo, lejos del vehículo, antes de llenarlos.
Retire el equipo del camión o del remolque y repóstelo mientras se encuentra sobre el suelo. Si esto no es posible, repóstelo usando un recipiente portátil, en vez de usar un surtidor de combustible con boquilla.
No utilice la máquina a menos que esté instalado un sistema completo de escape en buenas condiciones de funcionamiento.
Mantenga la boquilla en contacto con el borde del depósito de combustible o el orificio del recipiente en todo momento hasta que termine de repostar. No utilice dispositivos que mantengan abierta la boquilla.
Si se derrama combustible sobre su ropa, cámbiese de ropa inmediatamente. Limpie cualquier combustible derramado.
Nunca llene demasiado el depósito de combustible. Vuelva a colocar el tapón de combustible y apriételo firmemente.
Almacene el combustible en un recipiente homologado y manténgalo fuera del alcance de los niños. No compre nunca carburante para más de 30 días de consumo normal.
No llene completamente el depósito de combustible. Añada combustible al depósito de combustible hasta que el nivel alcance de 6 a 13 mm (¼" a ½") por debajo de la parte inferior del cuello de llenado. Este espacio vacío en el depósito permitirá la dilatación del combustible.
Evite la respiración prolongada de los vapores.
Mantenga la cara alejada de la boquilla y de la abertura del depósito de combustible.
Evite el contacto con la piel; lave el producto derramado con agua y jabón.
Para obtener los mejores resultados, utilice solamente gasolina fresca (comprada hace menos de 30 días), sin plomo, de 87 o más octanos (método de cálculo (R+M)/2).
Etanol: Es aceptable el uso de gasolina con hasta el 10% de etanol (gasohol) o el 15% de MTBE (éter metil tert-butílico) por volumen. El etanol y el MTBE no son lo mismo. No está autorizado el uso de gasolina con el 15% de etanol (E15) por volumen. No utilice nunca gasolina que contenga más del 10% de etanol por volumen, como por ejemplo la E15 (contiene el 15% de etanol), la E20 (contiene el 20% de etanol) o la E85 (contiene hasta el 85% de etanol). El uso de gasolina no autorizada puede causar problemas de rendimiento o daños en el motor que pueden no estar cubiertos bajo la garantía.
No utilice gasolina que contenga metanol.
No guarde combustible en el depósito de combustible o en recipientes de combustible durante el invierno a menos que haya añadido un estabilizador.
No añada aceite a la gasolina.
Utilice estabilizador/acondicionador en la máquina en todo momento para mantener el combustible fresco durante más tiempo, siguiendo las indicaciones del fabricante del estabilizador de combustible.
Important: No utilice aditivos de combustible que contengan metanol o etanol.
Agregue la cantidad apropiada de estabilizador/acondicionador a combustible fresco, siguiendo las indicaciones del fabricante del estabilizador de combustible.
Aparque la máquina en una superficie nivelada.
Ponga el freno de estacionamiento.
Apague el motor y retire la llave.
Limpie alrededor del tapón del depósito de combustible.
Llene el depósito de combustible hasta que en el indicador de combustible se vea la marca Lleno (Figura 7).
Note: No llene completamente el depósito de combustible. El espacio vacío en el depósito permitirá la dilatación de la gasolina.

Cada día, antes de arrancar la máquina, siga los procedimientos marcados como “Cada uso/A diario” en la sección .
Los motores nuevos necesitan tiempo para desarrollar toda su potencia. La fricción generada por las carcasas y los sistemas de propulsión de los cortacéspedes es mayor cuando éstos son nuevos, lo que supone una carga adicional para el motor. Las máquinas nuevas necesitan un periodo de rodaje de 40–50 horas para desarrollar la máxima potencia y el mejor rendimiento.
Para evitar lesiones o la muerte en caso de un vuelco, mantenga la barra antivuelco en posición totalmente elevada y bloqueada, y utilice el cinturón de seguridad.
Asegúrese de que el asiento está sujeto a la máquina.
No hay protección contra vuelcos cuando la barra antivuelco está bajada.
Baje la barra antivuelco únicamente cuando sea imprescindible.
No use el cinturón de seguridad si la barra antivuelco está bajada.
Conduzca lentamente y con cuidado.
Eleve la barra antivuelco tan pronto como haya espacio suficiente.
Compruebe cuidadosamente que hay espacio suficiente antes de conducir por debajo de cualquier objeto en alto (por ejemplo, ramas, portales, cables eléctricos) y no entre en contacto con ellos.
Important: Utilice siempre el cinturón de seguridad cuando la barra antivuelco está en la posición elevada.
Eleve la barra anti-vuelco a la posición de trabajo y gire los pomos hasta que se introduzcan parcialmente en las ranuras (Figura 8).
Eleve la barra antivuelco a la posición vertical, presionando sobre la parte superior de la misma; las clavijas encajarán en cuanto se alineen con los orificios (Figura 8).
Presione sobre la barra para asegurarse de que las clavijas han quedado encajadas.
Si los interruptores de seguridad están desconectados o dañados, la máquina podría ponerse en marcha inesperadamente y causar lesiones personales.
No manipule los interruptores de seguridad.
Compruebe la operación de los interruptores de seguridad cada día, y sustituya cualquier interruptor dañado antes de operar la máquina.
El sistema de interruptores de seguridad ha sido diseñado para impedir que el motor arranque, a menos que:
El freno de estacionamiento esté puesto.
El mando de control de las cuchillas (TDF) está desengranado.
Las palancas de control de movimiento estén en la posición de BLOQUEO/PUNTO MUERTO.
El sistema de interruptores de seguridad también está diseñado para parar el motor cuando se muevan las palancas de control de movimiento desde la posición de BLOQUEO DE PUNTO MUERTO con el freno de estacionamiento puesto, o si usted se levanta del asiento cuando la TDF está engranada.
El contador de horas tiene una serie de símbolos que indican si el componente de seguridad está en la posición correcta. Cuando el componente está en la posición correcta, se enciende un triángulo en el recuadro correspondiente.

| Intervalo de mantenimiento y servicio | Procedimiento de mantenimiento |
|---|---|
| Cada vez que se utilice o diariamente |
|
Compruebe el sistema de interruptores de seguridad cada vez que vaya a trabajar con la máquina. Si el sistema no funciona de la forma que se describe a continuación, póngase en contacto con un Servicio Técnico Autorizado para que lo reparen inmediatamente.
Siéntese en el asiento, ponga el freno de estacionamiento y mueva el mando de control de las cuchillas (TDF) a ENGRANADO. Intente arrancar el motor; el motor no debe arrancar.
Siéntese en el asiento, ponga el freno de estacionamiento y mueva el mando de control de las cuchillas (TDF) a DESENGRANADO. Mueva cualquiera de las palancas de control de movimiento fuera de la posición de BLOQUEO/PUNTO MUERTO. Intente arrancar el motor; el motor no debe arrancar. Repita con la otra palanca de control.
Siéntese en el asiento, ponga el freno de estacionamiento, mueva el mando de control de las cuchillas (TDF) a DESENGRANADO y mueva las palancas de control de movimiento a la posición de BLOQUEO/PUNTO MUERTO. Ahora arranque el motor. Con el motor en marcha, quite el freno de estacionamiento, engrane el mando de control de las cuchillas (TDF) y levántese un poco del asiento; el motor debe pararse.
Siéntese en el asiento, ponga el freno de estacionamiento, mueva el mando de control de las cuchillas (TDF) a DESENGRANADO y mueva las palancas de control de movimiento a la posición de BLOQUEO/PUNTO MUERTO. Ahora arranque el motor. Con el motor en marcha, ponga cualquiera de las palancas de control de movimiento en posición central y muévala (hacia adelante o hacia atrás); el motor debe pararse. Repita con la otra palanca de control.
Siéntese en el asiento, quite el freno de estacionamiento, mueva el mando de control de las cuchillas (TDF) a DESENGRANADO y mueva las palancas de control de movimiento a la posición de BLOQUEO/PUNTO MUERTO. Intente arrancar el motor; el motor no debe arrancar.
El asiento puede moverse hacia adelante y hacia atrás. Coloque el asiento en la posición que le permita controlar mejor la máquina y en la que esté más cómodo (Figura 10).

Para desenganchar el asiento, mueva el enganche del asiento hacia adelante (Figura 11).

El asiento puede ajustarse para que la conducción sea más suave y cómoda. Coloque el asiento en la posición más cómoda para usted.
Para ajustarlo, gire el pomo situado en la parte delantera en cualquier sentido hasta encontrar la posición más cómoda (Figura 12).

El propietario/operador puede prevenir, y es responsable de cualquier accidente que pueda provocar lesiones personales o daños materiales.
Lleve ropa adecuada, incluyendo protección ocular, pantalón largo, calzado resistente y antideslizante, y protección auricular. Si tiene el pelo largo, recójaselo, y no lleve joyas o bisutería colgantes.
Dedique toda su atención al manejo de la máquina. No realice ninguna actividad que pudiera distraerle; de lo contrario, pueden producirse lesiones o daños materiales.
No utilice la máquina si está enfermo, cansado, o bajo la influencia de alcohol o drogas.
Nunca traslade pasajeros en la máquina y mantenga a otras personas y mascotas alejadas de la máquina mientras esté funcionando.
Utilice la máquina únicamente con buena visibilidad para evitar agujeros o peligros ocultos.
Evite segar hierba mojada. Una tracción reducida podría hacer que la máquina se deslice.
Antes de arrancar el motor, asegúrese de que todas las transmisiones están en punto muerto, que el freno de estacionamiento está puesto y que usted se encuentra en el puesto del operador.
Mantenga las manos y los pies alejados de las unidades de corte. Manténgase alejado del conducto de descarga en todo momento.
Mire hacia atrás y hacia abajo antes de poner marcha atrás para asegurarse de que el camino está despejado.
Tenga cuidado al acercarse a esquinas ciegas, arbustos, árboles u otros objetos que puedan dificultar su visión.
No siegue cerca de terraplenes, fosas o taludes. La máquina podría volcar repentinamente si una rueda pasa por el borde, o si se socava el borde.
Pare las cuchillas siempre que no esté segando.
Pare la máquina, apague el motor, retire la llave e inspeccione las cuchillas después de golpear un objeto o si se produce una vibración anormal en la máquina. Haga todas las reparaciones necesarias antes de volver a utilizar la máquina.
Vaya más despacio y tenga cuidado al girar y al cruzar calles y aceras con la máquina. Ceda el paso siempre.
Desengrane la transmisión de la unidad de corte, apague el motor y retire la llave antes de ajustar la altura de corte (a menos que pueda ajustarla desde la posición del operador).
Nunca haga funcionar un motor donde haya gases de escape encerrados.
No deje nunca desatendida la máquina si está funcionando.
Antes de abandonar el puesto del operador (vaciar los receptores y destapar el conducto), haga lo siguiente:
Pare la máquina en una superficie nivelada.
Desengrane la TDF y baje los accesorios.
Ponga el freno de estacionamiento.
Apague el motor y retire la llave.
Espere a que se detengan todas las piezas en movimiento.
No haga funcionar la máquina cuando hay riesgo de tormentas eléctricas.
No utilice la máquina como vehículo de remolque a menos que tenga un enganche instalado.
No cambie la velocidad del regulador ni haga funcionar el motor a una velocidad excesiva.
Utilice solamente accesorios y aperos homologados por Toro.
Esta máquina produce niveles sonoros que superan los 85 dBA en el oído del operador, y pueden causar pérdidas auditivas con períodos extendidos de exposición.

No retire la barra anti vuelco de la máquina.
Asegúrese de que el cinturón de seguridad esté enganchado y de que pueda desabrocharse rápidamente en caso de emergencia.
Use siempre su cinturón de seguridad cuando la barra antivuelco está subida.
Verifique con atención si hay obstrucciones en alto y evite el contacto con ellas.
Mantenga la barra antivuelco en condiciones seguras de funcionamiento, inspeccionándola periódicamente en busca de daños y manteniendo bien apretados todos los herrajes de montaje.
Si la barra antivuelco está dañada, cámbiela. No la repare ni la cambie.
Las pendientes son una de las principales causas de accidentes por pérdida de control y vuelcos, que pueden causar lesiones graves o la muerte. El operador es responsable de la seguridad cuando trabaja en pendientes. El uso de la máquina en cualquier pendiente exige un cuidado especial. Antes de usar la máquina en una pendiente, haga lo siguiente:
Lea y comprenda las instrucciones sobre pendientes del manual y las que están colocadas en la máquina.
Utilice un indicador de ángulo para determinar la inclinación aproximada de la zona.
No utilice la máquina nunca en pendientes de más de 15 grados.
Evalúe las condiciones del lugar de trabajo para determinar si es seguro trabajar en la pendiente con la máquina. Utilice el sentido común y el buen juicio al realizar este evaluación. Cualquier cambio que se produzca en el terreno, como por ejemplo un cambio de humedad, puede afectar rápidamente al uso de la máquina en una pendiente.
Identifique cualquier obstáculo situado en la base de la pendiente. No utilice la máquina cerca de terraplenes, fosas, taludes, agua, u otros peligros. La máquina podría volcar repentinamente si una rueda pasa por el borde de un terraplén o fosa, o si se socava un talud. Mantenga una distancia prudente (el doble de la anchura de la máquina) entre la máquina y cualquier peligro. Utilice una máquina dirigida o una desbrozadora manual para segar la hierba en estas zonas.
Evite arrancar, parar o girar la máquina en cuestas o pendientes. Evite hacer cambios bruscos de velocidad o de dirección; gire poco a poco, y a baja velocidad.
No utilice la máquina en condiciones que puedan comprometer la tracción, la dirección o la estabilidad de la máquina. Tenga en cuenta que conducir en hierba mojada, atravesar pendientes empinadas, o bajar cuestas puede hacer que la máquina pierda tracción. La transferencia de peso a las ruedas delanteras puede hacer que patine la máquina, con pérdida de frenado y de control de dirección. La máquina puede deslizarse incluso con las ruedas motrices inmovilizadas.
Retire o señale cualquier obstáculo, como zanjas, baches, surcos, montículos, rocas u otros peligros ocultos. La hierba alta puede ocultar obstáculos. Un terreno irregular puede hacer que la máquina vuelque.
Extreme las precauciones al trabajar con accesorios o aperos, como por ejemplo sistemas de recogida de hierba. Éstos pueden afectar a la estabilidad de la máquina y causar pérdidas de control. Siga las instrucciones sobre los contrapesos.
Si es posible, mantenga la carcasa bajada al suelo mientras trabaje en pendientes. La elevación de la carcasa mientras se trabaja en pendientes puede hacer que la máquina pierda estabilidad.

Ponga siempre el freno de estacionamiento cuando pare la máquina o cuando la deje desatendida.
Aparque la máquina en una superficie nivelada.


El mando de control de las cuchillas (TDF) arranca y detiene las cuchillas del cortacésped y cualquier accesorio conectado.
Note: El uso del mando de control de las cuchillas (TDF) con el acelerador en la posición intermedia o menos producirá un desgaste excesivo en las correas de transmisión.


Puede mover el control del acelerador entre las posiciones de RáPIDO y LENTO (Figura 19).
Utilice siempre la posición de RáPIDO para engranar la TDF.

Important: No active el motor de arranque durante más de 5 segundos cada vez. Si el motor no arranca, espere 15 segundos entre intentos. Si no se siguen estas instrucciones, puede quemarse el motor de arranque.
Note: Es posible que necesite realizar varios intentos para arrancar el motor por primera vez después de haber agregado combustible en un sistema de combustible vacío.

Los niños u otras personas podrían resultar lesionados si mueven o intentan operar la máquina mientras está desatendida.
Retire siempre la llave y ponga el freno de estacionamiento cuando deje la máquina sin supervisión.

Important: Asegúrese de que la válvula de cierre de combustible está cerrada antes de transportar o almacenar la máquina; si no, puede haber fugas de combustible. Ponga el freno de estacionamiento antes de transportar la máquina. Asegúrese de retirar la llave, puesto que la bomba de combustible puede funcionar y hacer que la batería pierda su carga.

Las ruedas motrices giran de manera independiente, impulsadas por motores hidráulicos en cada eje. Un lado puede girar hacia atrás mientras que el otro lado gira hacia adelante, haciendo que la máquina rote sobre su eje en lugar de trazar una curva. Esto mejora mucho la maniobrabilidad de la máquina, pero puede ser necesario un periodo de adaptación si no está familiarizado con este sistema.
El control del acelerador regula la velocidad del motor en rpm (revoluciones por minuto). Ponga el acelerador en posición RáPIDO para conseguir el mejor rendimiento. Siegue siempre con el acelerador en posición rápido.
La máquina puede girar muy rápidamente. Usted puede perder el control de la máquina y causar lesiones personales o daños a la máquina.
Extreme las precauciones al girar.
Reduzca la velocidad de la máquina antes de hacer giros cerrados.
Note: El motor se para si usted mueve el control de tracción con el freno de estacionamiento puesto.
Para detener la máquina, tire de las palancas de control de movimiento a la posición de PUNTO MUERTO.
Quite el freno de estacionamiento; consulte Desactivación del freno de estacionamiento.
Mueva las palancas a la posición central de desbloqueo.
Para ir hacia adelante, empuje lentamente las palancas de control de movimiento hacia adelante (Figura 24).

Mueva las palancas a la posición central, desbloqueadas.
Para ir hacia atrás, tire lentamente de las palancas de control de movimiento hacia atrás (Figura 25).

El cortacésped cuenta con un deflector de hierba abisagrado que dispersa los recortes de hierba a un lado y hacia abajo, hacia el césped.
Si la máquina no tiene correctamente montado un deflector de hierba, una tapa de descarga o un recogedor completo, usted y otras personas están expuestos a contacto con las cuchillas y a residuos lanzados al aire. El contacto con las cuchillas del cortacésped en rotación y con los residuos lanzados al aire causará lesiones o muerte.
No retire nunca el deflector de hierba de la carcasa de corte porque el deflector de hierba dirige el material hacia abajo, al césped. Si el deflector de hierba se deteriora alguna vez, sustitúyalo inmediatamente.
No coloque nunca las manos o los pies debajo de la carcasa del cortacésped.
No intente nunca despejar la zona de descarga o las cuchillas del cortacésped sin antes mover el mando de control de las cuchillas (TDF) a la posición de DESENGRANADO, girar el interruptor de encendido a DESCONECTADO y retirar la llave del interruptor de encendido.
Compruebe que el deflector de hierba está bajado.
El bloqueo de transporte tiene dos posiciones y se utiliza conjuntamente con el pedal de elevación de la carcasa. Hay una posición de BLOQUEADO y una posición de DESBLOQUEADO para el transporte de la carcasa de corte (Figura 26).

La altura de corte se ajusta desde 25 mm a 140 mm (1" a 5½") en incrementos de 6 mm (¼") colocando el pasador en diferentes taladros.
Mueva el bloqueo de transporte a la posición de bloqueado.
Pise el pedal de elevación de la carcasa y eleve la carcasa a la posición de transporte (que es también la posición de altura de corte de 140 mm [5½"]) como se muestra en Figura 27.
Para ajustar la altura de corte, gire el pasador 90 grados y retire el pasador del soporte de altura de corte (Figura 27).
Seleccione el taladro del soporte de altura de corte que corresponde a la altura de corte deseada, e inserte el pasador (Figura 27).
Pise el pedal de elevación de la carcasa y baje lentamente la carcasa del cortacésped.

Cada vez que usted cambie la altura de corte, ajuste también la altura de los rodillos protectores del césped.
Aparque la máquina en una superficie nivelada, desengrane el mando de control de las cuchillas y ponga el freno de estacionamiento.
Pare el motor, retire la llave y espere a que se detengan todas las piezas en movimiento antes de abandonar el puesto del operador.
Ajuste los rodillos protectores del césped según se muestra en Figura 28, Figura 29 y Figura 30.



Este procedimiento es aplicable solamente a máquinas equipadas con bloqueos del deflector de flujo. Algunos modelos tienen pernos y tuercas en lugar de los bloqueos del deflector, y se ajustan de la misma manera.
El flujo de descarga del cortacésped puede ajustarse para diferentes condiciones de siega. Coloque los bloqueos de leva y el deflector para obtener la mejor calidad de corte.
Aparque la máquina en una superficie nivelada, desengrane el mando de control de las cuchillas y ponga el freno de estacionamiento.
Pare el motor, retire la llave y espere a que se detengan todas las piezas en movimiento antes de abandonar el puesto del operador.
Para ajustar los bloqueos de leva, levante la palanca para aflojar el bloqueo de leva (Figura 31).
Ajuste el deflector y los bloqueos de leva en las ranuras según el flujo de descarga deseado.
Devuelva la palanca a su posición original para apretar el deflector y los bloqueos de leva (Figura 31).
Si las levas no inmovilizan correctamente el deflector, o si éste está demasiado apretado, afloje la palanca y luego gire el bloqueo de leva.
Note: Ajuste el bloqueo de leva hasta obtener la presión de fijación deseada.

Las figuras siguientes son simplemente recomendaciones de uso. Los ajustes variarán según el tipo de hierba, el contenido de humedad y la altura de la hierba.
Note: Si la potencia del motor empieza a caer, y la velocidad de avance del cortacésped es la misma, abra más el deflector.
Esta es la posición más atrasada. Los usos recomendados para esta posición son:
Siega de hierba corta y ligera
Condiciones secas
Recortes de hierba más pequeños
Propulsa los recortes de hierba más lejos del cortacésped

Utilice esta posición para ensacar. Alinéelo siempre con la abertura del deflector.

Ésta es la posición más abierta posible. Los usos recomendados para esta posición son:
Siega de hierba larga y densa.
Condiciones húmedas
Reduce el consumo del motor
Permite una mayor velocidad de avance en condiciones pesadas

Para aumentar al máximo la calidad de corte y la circulación de aire, opere el motor en la posición de RáPIDO. Se requiere aire para cortar bien la hierba, así que no ponga la altura de corte tan baja como para rodear totalmente la carcasa de corte de hierba sin cortar. Trate siempre de tener un lado de la carcasa de corte libre de hierba sin cortar, para permitir la entrada de aire en la carcasa.
Corte la hierba algo más larga de lo habitual para asegurar que la altura de corte de la carcasa de corte no deje “calvas” en terrenos desiguales. Sin embargo, la altura de corte utilizada habitualmente suele ser la mejor. Si la hierba tiene más de 15 cm (6") de alto, es preferible cortar el césped dos veces para asegurar una calidad de corte aceptable.
Es mejor cortar solamente un tercio aproximadamente de la hoja de hierba. No se recomienda cortar más, a menos que la hierba sea escasa o al final del otoño, cuando la hierba crece más despacio.
Alterne la dirección de corte para mantener la hierba erguida. De esta forma también se ayuda a dispersar mejor los recortes sobre el césped y se conseguirá una mejor descomposición y fertilización.
La hierba crece a velocidades diferentes en diferentes épocas del año. Para mantener la misma altura de corte, corte el césped con más frecuencia durante la primavera. A medida que avanza el verano, la velocidad de crecimiento de la hierba decrece, por ello debe cortarse con menor frecuencia. Si no puede segar durante un período de tiempo prolongado, siegue primero con una altura de corte alta y, después de dos días, vuelva a segar con un ajuste más bajo.
Para mejorar la calidad de corte, utilice una velocidad de avance más baja en determinadas condiciones.
Al cortar césped de altura irregular, eleve la altura de corte para evitar arrancar el césped.
Si es necesario detener el avance de la máquina mientras se corta el césped, es posible que caiga un montón de recortes sobre el césped. Para evitar esto, diríjase con las cuchillas engranadas a una zona del césped que ya haya sido segada, o desengrane la carcasa de corte al desplazarse hacia adelante.
Limpie los recortes y la suciedad de los bajos de la carcasa de corte después de cada uso. Si se acumulan hierba y suciedad en el interior de la carcasa de corte, la calidad del corte llegará a ser insatisfactoria.
Mantenga las cuchillas afiladas durante toda la temporada de corte, ya que una cuchilla afilada corta limpiamente y sin rasgar o deshilachar las hojas de hierba. Si se rasgan o se deshilachan, los bordes de las hojas se secarán, lo cual retardará su crecimiento y favorecerá la aparición de enfermedades. Compruebe después de cada uso que las cuchillas están bien afiladas y que no están desgastadas o dañadas. Elimine cualquier mella con una lima, y afile las cuchillas si es necesario. Si una cuchilla está desgastada o deteriorada, sustitúyala inmediatamente por una cuchilla nueva genuina Toro.
Limpie la hierba y los residuos de las unidades de corte, los silenciadores y el compartimiento del motor para ayudar a prevenir incendios. Limpie cualquier aceite o combustible derramado.
Cierre el combustible y retire la llave antes de almacenar o transportar la máquina.
Desengrane la transmisión al accesorio siempre que transporte la máquina o no la esté utilizando.
Espere a que se enfríe el motor antes de guardar la máquina en un recinto cerrado.
No guarde nunca la máquina o un recipiente de combustible en un lugar donde pudiera haber una llama desnuda, chispas o una llama piloto, por ejemplo en un calentador de agua u otro electrodoméstico.
La válvula de cierre de combustible está situada debajo del asiento. Mueva el asiento hacia adelante para tener acceso.
Cierre la válvula de cierre de combustible durante el transporte, el mantenimiento y el almacenamiento.
Asegúrese de que la válvula de cierre del combustible está abierta antes de arrancar el motor.

Las manos pueden enredarse en los componentes giratorios de la transmisión, debajo de la carcasa del motor, lo que podría dar lugar a lesiones graves.
Pare el motor, retire la llave y espere a que se detengan todas las piezas móviles antes de acceder a las válvulas de liberación de las ruedas motrices.
El motor y las transmisiones hidráulicas pueden alcanzar temperaturas muy altas. El contacto con un motor caliente o una transmisión hidráulica caliente puede causar quemaduras graves.
Deje que se enfríen totalmente el motor y las transmisiones hidráulicas antes de acceder a las válvulas de liberación de las ruedas motrices.
Las válvulas de liberación de las ruedas motrices están situadas en la parte trasera de cada unidad de transmisión hidráulica, debajo del asiento.
Note: Asegúrese de que las válvulas de desvío están en posición totalmente horizontal antes de utilizar la máquina; de lo contrario pueden producirse graves daños en el sistema hidráulico.
Aparque la máquina en una superficie nivelada, desengrane el mando de control de las cuchillas y ponga el freno de estacionamiento.
Pare el motor, retire la llave y espere a que se detengan todas las piezas en movimiento antes de abandonar el puesto del operador.
Gire las palancas de las válvulas de liberación a la posición vertical para empujar la máquina (Figura 36).
Note: Esto permite que el fluido hidráulico se desvíe alrededor de la bomba, dejando que las ruedas giren.
Desengrane el freno de estacionamiento antes de empujar la máquina.

Gire las palancas de las válvulas de desvío a la posición horizontal para conducir la máquina (Figura 36).
Utilice un remolque para cargas pesadas o un camión para transportar la máquina. Utilice una rampa de ancho completo. Asegúrese de que el remolque o el camión tenga todos los frenos y todas las luces y señalizaciones requeridos por la ley. Por favor, lea cuidadosamente todas las instrucciones de seguridad. El conocer esta información puede ayudar a evitarle lesiones a usted o a otras personas. Consulte en la normativa local los requisitos aplicables al remolque y al sistema de amarre.
Conducir en una calle o carretera sin señales de giro, luces, marcas reflectantes o un indicador de vehículo lento es peligroso y puede ser causa de accidentes que pueden provocar lesiones personales.
No conduzca la máquina en una calle o carretera pública.
El cargar la máquina en un remolque o un camión aumenta la posibilidad de un vuelco y podría causar lesiones graves o la muerte (Figura 37).
Utilice únicamente una rampa de ancho completo; no utilice rampas individuales para cada lado de la máquina.
No supere un ángulo de 15 grados entre la rampa y el suelo, o entre la rampa y el remolque o camión.
Asegúrese de que la rampa tiene una longitud de al menos cuatro veces la altura de la plataforma del remolque o del camión sobre el suelo. De esta forma se asegura que el ángulo de la rampa no supere los 15 grados en terreno llano.

El cargar la máquina en un remolque o un camión aumenta la posibilidad de un vuelco y podría causar lesiones graves o la muerte.
Extreme las precauciones al hacer funcionar la máquina en una rampa.
Suba la máquina por la rampa en marcha atrás y baje la máquina por la rampa conduciendo hacia adelante.
Evite acelerar o desacelerar bruscamente al conducir la máquina en una rampa, porque esto podría provocar un vuelco o una pérdida de control.
Si utiliza un remolque, conéctelo al vehículo que lo arrastra y conecte las cadenas de seguridad.
En su caso, conecte los frenos y las luces del remolque.
Baje la rampa, asegurándose de que el ángulo entre la rampa y el suelo no supera los 15 grados (Figura 37).
Suba la máquina por la rampa en marcha atrás (Figura 38).

Apague el motor, retire la llave y ponga el freno de estacionamiento.
Amarre la máquina junto a las ruedas giratorias delanteras y el guardabarros trasero con correas, cadenas, cables o cuerdas (Figura 39). Consulte la normativa local respecto a los requisitos de amarre.

| Intervalo de mantenimiento y servicio | Procedimiento de mantenimiento |
|---|---|
| Después de las primeras 100 horas |
|
| Después de las primeras 250 horas |
|
| Cada vez que se utilice o diariamente |
|
| Cada 50 horas |
|
| Cada 100 horas |
|
| Cada 150 horas |
|
| Cada 200 horas |
|
| Cada 250 horas |
|
| Cada 300 horas |
|
| Cada 500 horas |
|
| Cada 600 horas |
|
| Cada mes |
|
| Cada año |
|
| Cada año o antes del almacenamiento |
|
Important: Consulte los demás procedimientos de mantenimiento del manual del propietario del motor.
Si deja la llave en el interruptor, alguien podría arrancar el motor accidentalmente y causar lesiones graves a usted o a otras personas.
Retire la llave del interruptor de encendido antes de realizar cualquier operación de mantenimiento.
Antes de reparar la máquina, haga lo siguiente:
Desengrane las transmisiones.
Ponga el freno de estacionamiento.
Apague el motor y retire la llave.
Desconecte el cable de la bujía.
Aparque la máquina en una superficie nivelada.
Limpie la hierba y los residuos de la unidad de corte, las transmisiones, los silenciadores y el motor para prevenir incendios.
Limpie cualquier aceite o combustible derramado.
No permita que personas que no hayan recibido formación realicen mantenimiento en la máquina.
Utilice soportes fijos para apoyar la máquina y/o sus componentes cuando sea necesario.
Alivie con cuidado la tensión de aquellos componentes que tengan energía almacenada.
Desconecte la batería o retire el cable de la bujía antes de efectuar una reparación. Desconecte primero el terminal negativo y luego el positivo. Conecte primero el positivo y luego el terminal negativo.
Tenga cuidado al comprobar las cuchillas. Envuelva la(s) cuchilla(s) o lleve guantes gruesos, y extreme las precauciones al realizar tareas de mantenimiento. Cambie las cuchillas únicamente; no las enderece ni las suelde nunca.
Mantenga las manos y los pies alejados de las piezas en movimiento. Si es posible, no haga ajustes mientras el motor está funcionando.
Mantenga todas las piezas en buenas condiciones de uso y todos los herrajes bien apretados, especialmente los pernos de fijación de cuchillas. Sustituya cualquier pegatina desgastada o deteriorada.
No interfiera nunca con la funcionalidad prevista de un dispositivo de seguridad, ni reduzca la protección proporcionada por un dispositivo de seguridad. Compruebe regularmente que funcionan correctamente.
Para asegurar un rendimiento óptimo y mantener la certificación de seguridad de la máquina, utilice solamente piezas y accesorios genuinos Toro. Las piezas de repuesto y accesorios de otros fabricantes podrían ser peligrosos, y su uso podría invalidar la garantía del producto.
Compruebe frecuentemente el funcionamiento del freno de estacionamiento. Ajústelos y realice el mantenimiento de los mismos cuando sea necesario.
Engrase con más frecuencia si la zona de trabajo tiene mucho polvo o arena.
Tipo de grasa: Grasa de litio Nº 2 o grasa de molibdeno
Aparque la máquina en una superficie nivelada, desengrane el mando de control de las cuchillas y ponga el freno de estacionamiento.
Pare el motor, retire la llave y espere a que se detengan todas las piezas en movimiento antes de abandonar el puesto del operador.
Limpie con un trapo los puntos de engrase.
Note: Asegúrese de rascar cualquier pintura de la parte delantera de los acoplamientos.
Conecte una pistola de engrasar al punto de engrase.
Bombee grasa hasta que empiece a rezumar grasa de los cojinetes.
Limpie cualquier exceso de grasa.
| Intervalo de mantenimiento y servicio | Procedimiento de mantenimiento |
|---|---|
| Cada 100 horas |
|
Lubrique los pivotes de elevación de la carcasa.

| Intervalo de mantenimiento y servicio | Procedimiento de mantenimiento |
|---|---|
| Cada año |
|
Aparque la máquina en una superficie nivelada, desengrane el mando de control de las cuchillas y ponga el freno de estacionamiento.
Pare el motor, retire la llave y espere a que se detengan todas las piezas en movimiento antes de abandonar el puesto del operador.
Engrase el pivote de la polea tensora de la carcasa de corte hasta que salga grasa por el extremo inferior (Figura 41).

Engrase el brazo tensor de la correa de transmisión (Figura 42).

Retire el tapón antipolvo y ajuste los pivotes de las ruedas.
Note: No coloque el tapón hasta que termine de engrasar.
Retire el tapón hexagonal.
Enrosque un engrasador en el orificio.
Bombee grasa en el engrasador hasta que rezume por el cojinete superior.
Retire el engrasador del orificio.
Instale el tapón hexagonal y la tapa (Figura 43).

Engrase los cojinetes de las ruedas giratorias (Figura 43).
| Intervalo de mantenimiento y servicio | Procedimiento de mantenimiento |
|---|---|
| Cada año |
|
Aparque la máquina en una superficie nivelada, desengrane el mando de control de las cuchillas y ponga el freno de estacionamiento.
Pare el motor, retire la llave y espere a que se detengan todas las piezas en movimiento antes de abandonar el puesto del operador.

Eleve el cortacésped para facilitar el acceso.
Retire la rueda giratoria de la horquilla.
Retire los protectores de los retenes del cubo de la rueda.
Retire una tuerca espaciadora del eje de la rueda giratoria.
Note: Las tuercas espaciadoras llevan adhesivo de roscas para pegarlas al eje.
Retire el eje (con la otra tuerca espaciadora aún montada en el mismo) del conjunto de la rueda.
Retire los retenes haciendo palanca, e inspeccione los cojinetes en busca de señales de desgaste o daños; sustitúyalos si es necesario.
Llene los cojinetes con grasa de propósito general.
Introduzca un cojinete y un retén nuevo en la rueda.
Note: Cambie las juntas.
Si en el conjunto del eje faltan ambas tuercas espaciadoras, aplique un adhesivo de roscas a 1 tuerca espaciadora y enrósquela en el eje con los segmentos planos hacia fuera.
Note: No enrosque la tuerca espaciadora completamente en el extremo del eje. Deje un espacio de 3 mm (⅛") aproximadamente entre la superficie exterior de la tuerca espaciadora y el extremo del eje, dentro de la tuerca).
Introduzca el eje con la tuerca montada en él en la rueda, en el lado que contiene el retén nuevo y el cojinete.
Con la cara abierta de la rueda hacia arriba, llene el interior de la rueda alrededor del eje con grasa de propósito general.
Introduzca el segundo cojinete y un retén nuevo en la rueda.
Aplique adhesivo de roscas a la segunda tuerca espaciadora y enrósquela sobre el eje con los segmentos planos para llave inglesa hacia fuera.
Apriete la tuerca a 8–9 N·m (75–80 pulgadas-libra), aflójela, luego apriétela a 2–3 N·m (20–25 pulgadas-libra).
Note: Asegúrese de que el eje no sobresale de ninguna de las tuercas.
Instale los protectores de los retenes sobre el cubo de la rueda e introduzca la rueda en la horquilla.
Instale el perno de la rueda y apriete la tuerca del todo.
Important: Para evitar que se dañen el cojinete y el retén, compruebe el ajuste del cojinete a menudo. Gire la rueda. La rueda no debe girar libremente (más de 1–2 vueltas), ni tener holgura lateral. Si la rueda gira libremente, ajuste el apriete de la tuerca espaciadora hasta que quede ligeramente frenada. Aplique otra capa de adhesivo sellador de roscas.
Apague el motor antes de comprobar el aceite o añadir aceite al cárter.
Mantenga las manos, los pies, la cara, la ropa y otras partes del cuerpo alejados del tubo de escape y de otras superficies calientes.
| Intervalo de mantenimiento y servicio | Procedimiento de mantenimiento |
|---|---|
| Cada 150 horas |
|
| Cada 300 horas |
|
| Cada 600 horas |
|
Note: Compruebe los filtros con más frecuencia en condiciones de funcionamiento de mucho polvo o arena.
Aparque la máquina en una superficie nivelada, desengrane el mando de control de las cuchillas (TDF) y ponga el freno de estacionamiento.
Pare el motor, retire la llave y espere a que se detengan todas las piezas en movimiento antes de abandonar el puesto del operador.
Abra los cierres del limpiador de aire y tire de la tapa de la entrada de aire para separarla del cuerpo del limpiador de aire (Figura 45).
Limpie la rejilla y la tapa del filtro de aire.
Instale la tapa de la entrada de aire y sujétela con los enganches (Figura 45).

Abra los cierres del limpiador de aire y tire de la tapa de la entrada de aire para separarla del cuerpo del limpiador de aire (Figura 46).
Limpie el interior de la tapa del limpiador de aire con aire comprimido.
Extraiga con cuidado el filtro primario de la carcasa del limpiador de aire (Figura 46).
Note: Evite golpear el filtro contra el lado de la carcasa.
Retire el filtro interno únicamente si piensa cambiarlo.
Important: No intente nunca limpiar el filtro interno. Si el filtro de seguridad está sucio, entonces el filtro primario está dañado. Cambie ambos filtros.

Inspeccione el filtro primario mirando dentro del mismo mientras dirige una luz potente al exterior del filtro.
Note: Cualquier agujero del filtro aparecerá en forma de punto luminoso. Si el filtro está dañado, deséchelo.
Inspeccione el filtro interno. Si está sucio, cambie tanto el filtro interior como el filtro primario.
Important: No intente limpiar el filtro interior. Si el filtro interior está sucio, entonces el filtro primario está dañado.
Inspeccione el filtro primario mirando dentro del mismo mientras dirige una luz potente al exterior del filtro. Si el filtro primario está sucio, doblado o dañado, cámbielo.
Note: Los agujeros del filtro aparecerán en forma de puntos luminosos. No limpie el filtro primario.
Important: Para evitar dañar el motor, no haga funcionar nunca el motor sin que estén instalados ambos filtros de aire y la tapa.
Si está instalando filtros nuevos, compruebe cada filtro para asegurarse de que no ha sufrido daños durante el transporte.
Note: No utilice un filtro dañado.
Si va a cambiar el filtro interno, deslícelo cuidadosamente en el cuerpo del filtro (Figura 46).
Deslice cuidadosamente el filtro primario por encima del filtro de seguridad (Figura 46).
Note: Asegúrese de que el filtro primario está bien asentado empujando sobre el borde exterior mientras lo instala.
Important: No empuje sobre la zona blanda interior del filtro.
Instale la tapa del limpiador de aire y fije los cierres (Figura 46).
Capacidad de aceite: con cambio de filtro, 1.9 litros (64 onzas fluidas); sin cambio de filtro, 1.6 litros (54 onzas fluidas)
Viscosidad: Consulte la tabla siguiente.

| Intervalo de mantenimiento y servicio | Procedimiento de mantenimiento |
|---|---|
| Cada vez que se utilice o diariamente |
|
Note: Compruebe el aceite con el motor frío.
Important: Si sobrecarga o no llena lo suficiente el cárter del motor con aceite, podría dañarse el motor al ponerse en marcha.
Aparque la máquina en una superficie nivelada, desengrane el mando de control de las cuchillas (TDF) y ponga el freno de estacionamiento.
Pare el motor, retire la llave y espere a que se detengan todas las piezas en movimiento antes de abandonar el puesto del operador.
Note: Asegúrese de que el motor está frío, y que el aceite ha tenido tiempo para drenarse al cárter.
Para que no entre suciedad, recortes de hierba, etc., en el motor, limpie la zona alrededor del tapón de llenado/varilla de aceite antes de retirarlo (Figura 48).

| Intervalo de mantenimiento y servicio | Procedimiento de mantenimiento |
|---|---|
| Cada 100 horas |
|
Note: Elimine el aceite usado en un centro de reciclaje.
Arranque el motor y déjelo funcionar durante 5 minutos.
Note: De esta forma, el aceite se calentará y será más fácil drenarlo.
Aparque la máquina de manera que el lado de drenaje esté ligeramente más bajo que el lado opuesto para asegurar que el aceite se drene completamente.
Desengrane el mando de control de las cuchillas (TDF) y ponga el freno de estacionamiento.
Pare el motor, retire la llave y espere a que se detengan todas las piezas en movimiento antes de abandonar el puesto del operador.
Drene el aceite del motor (Figura 49).


Vierta lentamente un 80% aproximadamente del aceite especificado por el tubo de llenado, luego añada lentamente el resto del aceite hasta que llegue a la marca de Lleno (Figura 50).

Arranque el motor y conduzca hasta una zona llana.
Compruebe el nivel de aceite otra vez.
| Intervalo de mantenimiento y servicio | Procedimiento de mantenimiento |
|---|---|
| Cada 200 horas |
|
Drene el aceite del motor; consulte Cómo cambiar el aceite del motor.
Sustituya el filtro de aceite del motor (Figura 51).

Note: Asegúrese de que la junta del filtro de aceite toca el motor, luego apriete el filtro de aceite ¾ de vuelta más.
Llene el cárter con el tipo correcto de aceite nuevo (Figura 50).
| Intervalo de mantenimiento y servicio | Procedimiento de mantenimiento |
|---|---|
| Cada 500 horas |
|
Asegúrese de que la distancia entre los electrodos central y lateral es correcta antes de instalar la bujía. Utilice una llave de bujías para desmontar e instalar la(s) bujía(s) y una galga de espesores/herramienta para electrodos para comprobar y ajustar la distancia entre los mismos. Instale una bujía nueva si es necesario.
Tipo: Champion® XC12YC o equivalente
Distancia entre electrodos: 0.76 mm (0.030")
Pare el motor, retire la llave y espere a que se detengan todas las piezas en movimiento antes de abandonar el puesto del operador.
Desengrane la TDF, mueva las palancas de control de movimiento a la posición de BLOQUEO/PUNTO MUERTO, y ponga el freno de estacionamiento.
Retire la cubierta de la unidad hidráulica izquierda en el orden indicado en Figura 52. Así tendrá acceso a la bujía delantera.


Retire la bujía.


Instale la cubierta de la unidad hidráulica izquierda (Figura 52).
Important: Cambie siempre la(s) bujía(s) si tiene(n): un revestimiento negro, los electrodos desgastados, una película aceitosa o grietas, o si duda de la conveniencia de reutilizarla(s).
Si se observa un color gris o marrón claro en el aislante, el motor está funcionando correctamente. Si el aislante tiene un recubrimiento negro, significa que el limpiador de aire está sucio.
Ajuste la distancia a 0.76 mm (0.030").


| Intervalo de mantenimiento y servicio | Procedimiento de mantenimiento |
|---|---|
| Cada 50 horas |
|
Los componentes calientes del sistema de escape pueden incendiar los vapores del combustible, incluso después de que se apague el motor. Las partículas calientes expulsadas durante la operación del motor pueden incendiar materiales inflamables, dando lugar a lesiones personales o daños materiales.
No reposte combustible ni ponga en marcha el motor si el parachispas no está instalado.
Aparque la máquina en una superficie nivelada, desengrane la TDF y ponga el freno de estacionamiento.
Pare el motor, retire la llave y espere a que se detengan todas las piezas en movimiento antes de abandonar el puesto del operador.
Espere a que se enfríe el silenciador.
Si observa roturas en la rejilla o en las soldaduras, sustituya el parachispas.
Si la rejilla está atascada, retire el parachispas y sacuda la rejilla para eliminar partículas sueltas, luego límpiela con un cepillo de alambre (sumérjala en disolvente si es necesario).
Instale el parachispas en la salida del tubo de escape.
Los componentes del sistema de combustible están sometidos a alta presión. El uso de componentes incorrectos puede dar lugar a fallos del sistema, fugas de combustible y posible explosión.
Utilice únicamente tubos de combustible y filtros de combustible homologados.
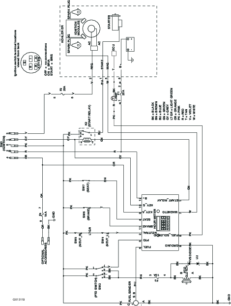
Esta máquina contiene un sistema electrónico de inyección de combustible. Controla el caudal de combustible bajo diferentes condiciones de uso.
La unidad de control electrónica (UCE) monitoriza constantemente el funcionamiento del sistema de control de combustible.
Si se detecta un problema o una avería en el sistema, se enciende el indicador de avería multifunción (IAM). El IAM es el piloto rojo situado en el panel derecho de la consola.
Si se enciende el IAM, realice las comprobaciones iniciales de localización de fallos; consulte la sección IAM, en .
Si estas comprobaciones no corrigen el problema, será necesario que un Servicio Técnico Autorizado realice un diagnóstico y mantenimiento completos.
| Intervalo de mantenimiento y servicio | Procedimiento de mantenimiento |
|---|---|
| Cada 200 horas |
|
El filtro de combustible está situado cerca de la parte delantera o trasera del motor.
Aparque la máquina en una superficie nivelada, desengrane el mando de control de las cuchillas y ponga el freno de estacionamiento.
Pare el motor, retire la llave y espere a que se detengan todas las piezas en movimiento antes de abandonar el puesto del operador.
Deje que la máquina se enfríe.
Cierre la válvula de cierre de combustible, situada debajo del asiento (Figura 56).

Apriete los extremos de las abrazaderas y deslícelas por la manguera alejándolas del filtro (Figura 56).
Desmonte el filtro de los tubos de combustible.
Instale un filtro nuevo y acerque las abrazaderas al filtro (Figura 56).
Abra la válvula de cierre del combustible.
Important: Instale los tubos de combustible y sujételos con bridas de plástico de la misma manera que estaban al salir de la fábrica, para mantener los tubos de combustible alejados de componentes que podrían dañar los tubos.
No intente realizar ninguna tarea de mantenimiento en el filtro de combustible de alta presión. El filtro de alta presión está integrado en el módulo de la bomba de combustible. El filtro de combustible y los demás componentes del módulo de la bomba de combustible no pueden ser reparados por el usuario.
Important: No intente abrir el módulo de la bomba de combustible.
La sustitución del módulo de la bomba de combustible con el filtro de combustible de alta presión debe ser realizada únicamente por un Servicio Técnico Autorizado.
No intente vaciar el depósito de combustible. Asegúrese de que el vaciado del depósito de combustible y el mantenimiento de cualquier componente del sistema de combustible sea realizado por un Servicio Técnico Autorizado.
Desconecte la batería antes de reparar la máquina. Desconecte primero el terminal negativo y por último el positivo. Conecte primero el terminal positivo y por último el negativo.
Cargue la batería en una zona abierta y bien ventilada, lejos de chispas y llamas. Desenchufe el cargador antes de conectar o desconectar la batería. Lleve ropa protectora y utilice herramientas aisladas.
| Intervalo de mantenimiento y servicio | Procedimiento de mantenimiento |
|---|---|
| Cada mes |
|
Los terminales de la batería o una herramienta metálica podrían hacer cortocircuito si entran en contacto con los componentes metálicos de la máquina, causando chispas. Las chispas podrían hacer explotar los gases de la batería, causando lesiones personales.
Al retirar o colocar la batería, no deje que los bornes toquen ninguna parte metálica de la máquina.
No deje que las herramientas metálicas hagan cortocircuito entre los bornes de la batería y las partes metálicas de la máquina.
Una desconexión incorrecta de los cables de la batería podría dañar la máquina y los cables, causando chispas. Las chispas podrían hacer explotar los gases de la batería, causando lesiones personales.
Desconecte siempre el cable negativo (negro) de la batería antes de desconectar el cable positivo (rojo).
Conecte siempre el cable positivo (rojo) de la batería antes de conectar el cable negativo (negro).
Aparque la máquina en una superficie nivelada, desengrane el mando de control de las cuchillas (TDF) y ponga el freno de estacionamiento.
Pare el motor, retire la llave y espere a que se detengan todas las piezas en movimiento antes de abandonar el puesto del operador.
Retire la batería, según se muestra en Figura 57.

El proceso de carga de la batería produce gases que pueden explotar.
Nunca fume cerca de la batería, y mantenga alejados de la batería chispas y llamas.
Important: Mantenga siempre la batería completamente cargada (densidad específica de 1.265). Esto es especialmente importante para evitar daños a la batería cuando la temperatura está por debajo de los 0 ºC (32 °F).
Retire la batería del chasis; consulte Retirada de la batería.
Cargue la batería durante 10 a 15 minutos a entre 25 A y 30 A, o durante 30 minutos a 10 A.
Note: No sobrecargue la batería.
Cuando la batería esté completamente cargada, desconecte el cargador de la toma de electricidad, luego desconecte los cables del cargador de los bornes de la batería (Figura 58).
Instale la batería en la máquina y conecte los cables de la batería; consulte Instalación de la batería.
Note: No haga funcionar la máquina con la batería desconectada; puede causar daños al sistema eléctrico.

Note: Coloque la batería en la bandeja, con los bornes frente al depósito de aceite hidráulico (Figura 57).

El sistema eléctrico está protegido con fusibles. No requiere mantenimiento; no obstante, si se funde un fusible, compruebe que no hay avería ni cortocircuito en el componente/circuito.
Los fusibles están situados en la consola, a la derecha del asiento (Figura 60).
Para cambiar un fusible, tire del mismo para retirarlo.
Instale un fusible nuevo (Figura 60).

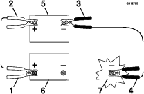
Compruebe y limpie cualquier corrosión de los bornes de la batería antes de arrancar el motor con la ayuda de una batería externa. Asegúrese de que las conexiones están bien apretadas.
La corrosión y las conexiones sueltas pueden causar picos de voltaje no deseados en cualquier momento durante el procedimiento de arranque externo.
Ni intente arrancar la máquina si los bornes de la batería están sueltos o corroídos, porque podría dañar el motor o el sistema de inyección de combustible.
Cualquier intento de arrancar una batería agrietada, congelada, con bajo nivel de electrolito o que tenga una celda abierta o cortocircuitada podría provocar una explosión y causar lesiones personales graves.
No arranque una batería descargada si existe cualquiera de estas condiciones.
Asegúrese de que la batería externa es una batería de ácido-plomo de 12.6 voltios o más, y que está en buenas condiciones y completamente cargada.
Note: Utilice cables pasa-corriente de la sección correcta que no sean demasiado largos a fin de reducir la caída de voltaje entre los dos sistemas. Asegúrese de que los cables están codificados por color o etiquetados con la polaridad correcta.
Una mala conexión (polaridad incorrecta) de los cables pasa-corriente puede dañar inmediatamente el sistema de inyección electrónica de combustible.
Asegúrese de respetar la polaridad de los bornes de la batería y de los cables pasa-corriente al conectar las baterías.
Las baterías contienen ácido y producen gases explosivos.
Proteja los ojos y la cara de las baterías en todo momento.
No se incline sobre las baterías.
Note: Asegúrese de que los tapones de ventilación están apretados y nivelados. Coloque un paño húmedo, si tiene uno, sobre los tapones de ventilación de ambas baterías. Asegúrese también de que las máquinas no están en contacto entre sí y que los sistemas eléctricos de ambas están desconectados y son del mismo voltaje nominal. Estas instrucciones son aplicables únicamente a sistemas con negativo a tierra.
Conecte el cable positivo (+) al borne positivo (+) de la batería descargada que está conectado al motor de arranque o al solenoide, según se indica en Figura 61.

Conecte el otro extremo del cable positivo al borne positivo de la batería externa.
Conecte el cable negativo (–) al otro borne (negativo) de la batería externa.
Haga la conexión final al bloque motor de la máquina que no arranca (no al borne negativo de la batería) en un punto alejado de la batería, y apártese (Figura 62).


Arranque la máquina y retire los cables en el orden inverso a la conexión (desconecte primero el cable negativo del bloque motor).
| Intervalo de mantenimiento y servicio | Procedimiento de mantenimiento |
|---|---|
| Cada vez que se utilice o diariamente |
|
Inspeccione el cinturón de seguridad en busca de señales de desgaste o cortes, y compruebe el funcionamiento del retractor y de la hebilla. Sustituya el cinturón de seguridad si está dañado.
| Intervalo de mantenimiento y servicio | Procedimiento de mantenimiento |
|---|---|
| Cada vez que se utilice o diariamente |
|
Para evitar lesiones o la muerte en caso de un vuelco, mantenga la barra antivuelco en posición totalmente elevada y bloqueada, y utilice el cinturón de seguridad.
Asegúrese de que el asiento está sujeto a la máquina.
Compruebe que tanto los herrajes de montaje como los pomos están en buenas condiciones de uso.
Asegúrese de que los pomos están completamente bloqueados cuando la barra antivuelco está subida.
Note: Puede ser necesario empujar hacia adelante o tirar hacia atrás de la parte superior de la barra antivuelco para que se bloqueen completamente ambos pomos (Figura 63 y Figura 64).


Desengrane el mando de control de las cuchillas (TDF).
Conduzca hacia un lugar llana y abierta, y mueva las palancas de control de movimiento a la posición de BLOQUEO/PUNTO MUERTO.
Ponga el acelerador en un punto intermedio entre las posiciones de Lento y Rápido.
Mueva ambas palancas de control de movimiento hacia adelante del todo hasta que toquen los topes en la ranura en T.
Compruebe hacia qué lado se desvía la máquina.
Si se desvía hacia la derecha, afloje los pernos y ajuste la chapa del tope izquierdo hacia atrás en la ranura en T de la izquierda hasta que la máquina avance en línea recta (Figura 65).
Si se desvía hacia la izquierda, afloje los pernos y ajuste la chapa del tope derecho hacia atrás en la ranura en T de la derecha hasta que la máquina avance en línea recta (Figura 65).
Apriete la chapa del tope (Figura 65).

| Intervalo de mantenimiento y servicio | Procedimiento de mantenimiento |
|---|---|
| Cada 50 horas |
|
Mantenga la presión de los neumáticos delanteros y traseros a 0.9 bar (13 psi). Una presión desigual en los neumáticos puede hacer que el corte sea desigual. Las lecturas de presión son más exactas cuando los neumáticos están fríos.

| Intervalo de mantenimiento y servicio | Procedimiento de mantenimiento |
|---|---|
| Después de las primeras 100 horas |
|
| Cada 500 horas |
|
Compruebe la torsión de las tuercas de las ruedas y apriételas a 122–129 N·m (90–95 pies-libra).
| Intervalo de mantenimiento y servicio | Procedimiento de mantenimiento |
|---|---|
| Después de las primeras 100 horas |
|
| Cada 500 horas |
|
Asegúrese de que el par de apriete de la tuerca almenada es de 286 a 352 N·m (211 a 260 pies-libra).
Note: No utilice aceite aflojatodo en el buje de la rueda.

| Intervalo de mantenimiento y servicio | Procedimiento de mantenimiento |
|---|---|
| Cada 500 horas |
|
Aparque la máquina en una superficie nivelada, desengrane el mando de control de las cuchillas (TDF) y ponga el freno de estacionamiento.
Pare el motor, retire la llave y espere a que se detengan todas las piezas en movimiento antes de abandonar el puesto del operador.
Retire el tapón guardapolvo de la rueda giratoria y apriete la contratuerca (Figura 68).
Apriete la contratuerca hasta que las arandelas de muelle estén planas, luego afloje ¼ de vuelta para establecer la pre-carga correcta de los cojinetes (Figura 68).
Important: Asegúrese de que las arandelas de muelle están correctamente instaladas, según se muestra en Figura 68.
Coloque el tapón anti-polvo (Figura 68).

Algunos modelos de años posteriores han sido fabricados con embragues que contienen un suplemento de freno. Cuando el freno del embrague se ha desgastado hasta el punto en que el embrague ya no funciona de forma confiable, el suplemento puede retirarse para alargar la vida del embrague.

Aparque la máquina en una superficie nivelada, desengrane el mando de control de las cuchillas (TDF) y ponga el freno de estacionamiento.
Pare el motor, retire la llave y espere a que se detengan todas las piezas en movimiento antes de abandonar el puesto del operador.
Utilizar un compresor de aire, elimine cualquier residuo de debajo del polo de freno y de alrededor de los espaciadores del freno (Figura 70).

Compruebe la condición de los cables, conectores y terminales del arnés de cables.
Note: Límpielos y/o cámbielos según sea necesario.
Verifique la presencia de 12 V en el conector del embrague cuando el mando de control de las cuchillas (TDF) está engranado.
Mida el espacio entre el rotor y la armadura. Si el espacio mide más de 1 mm (0.04"), realice los pasos siguientes:
Afloje ambos pernos de montaje del freno entre media y una vuelta, según se muestra en Figura 71.
Note: No desmonte el polo del freno de la corona/armadura. El polo del freno se ha desgastado conjuntamente con la armadura, y es necesario mantener dicha correspondencia después de retirarse el suplemento para asegurar una fuerza de frenado correcta.

Usando un alicate de punta fina, o a mano, sujete la pestaña y retire el suplemento (Figura 72).
Note: No deseche el suplemento hasta que el embrague funcione correctamente.

Utilizando aire comprimido, elimine cualquier residuo de debajo del polo de freno y de alrededor de los espaciadores del freno.
Apriete cada perno (M6 x 1) a 12.3–13.7 N·m (9.5–10.5 pies-libra).
Usando una galga de 0.25 mm (0.01"), compruebe la presencia de un espacio entre el rotor y la cara de la armadura en ambos lados del polo del freno, según se indica en Figura 73 y Figura 74.
Note: Debido a la forma en que se desgastan las caras del rotor y de la armadura (picos y valles), a veces es difícil medir el espacio con precisión.


Si el espacio es de menos de 0.25 mm (0.01"), instale el suplemento; consulte Uso del suplemento del embrague.
Si el espacio es suficiente, continúe con la comprobación de seguridad, paso 6.
Realice la siguiente comprobación de seguridad:
Siéntese en el asiento y arranque el motor.
Asegúrese de que las cuchillas no se engranan con el mando de control de las cuchillas (TDF) en la posición de DESCONECTADO y que el embrague esté sin engranar.
Si el embrague no se desengrana, vuelva a instalar el suplemento; consulte Uso del suplemento del embrague.
Engrane y desengrane el mando de control de las cuchillas (TDF) 10 veces para asegurarse de que el embrague funciona correctamente.
| Intervalo de mantenimiento y servicio | Procedimiento de mantenimiento |
|---|---|
| Cada vez que se utilice o diariamente |
|
Retire cualquier acumulación de hierba, suciedad u otros residuos del enfriador de aceite (Figura 75).


Retire cualquier acumulación de hierba, suciedad u otros residuos de la rejilla del motor. Esto ayuda a asegurar una refrigeración adecuada y una velocidad de motor correcta, y reduce la posibilidad de sobrecalentamiento y daños mecánicos al motor (Figura 72).
| Intervalo de mantenimiento y servicio | Procedimiento de mantenimiento |
|---|---|
| Cada 100 horas |
|
Aparque la máquina en una superficie nivelada, desengrane el mando de control de las cuchillas (TDF) y ponga el freno de estacionamiento.
Pare el motor, retire la llave y espere a que se detengan todas las piezas en movimiento antes de abandonar el puesto del operador.
Retire la rejilla de entrada de aire, el arrancador de retroceso y la carcasa del ventilador (Figura 76).
Limpie los residuos y la hierba de los componentes del motor.
Instale la rejilla de entrada de aire, el arrancador de retroceso y la carcasa del ventilador (Figura 76).

| Intervalo de mantenimiento y servicio | Procedimiento de mantenimiento |
|---|---|
| Cada vez que se utilice o diariamente |
|
Aparque la máquina en una superficie nivelada, desengrane el mando de control de las cuchillas (TDF) y ponga el freno de estacionamiento.
Pare el motor, retire la llave y espere a que se detengan todas las piezas en movimiento antes de abandonar el puesto del operador.
Mueva el asiento hacia adelante.
Limpie cualquier residuo o hierba de las cubiertas de las unidades hidráulicas (Figura 77).
Coloque el asiento.


| Intervalo de mantenimiento y servicio | Procedimiento de mantenimiento |
|---|---|
| Después de las primeras 100 horas |
|
| Cada 500 horas |
|
Note: Realice este procedimiento después de las primeras horas o después de retirar o cambiar cualquier componente del freno.
Aparque la máquina en una superficie nivelada, desengrane el mando de control de las cuchillas (TDF) y ponga el freno de estacionamiento.
Pare el motor, retire la llave y espere a que se detengan todas las piezas en movimiento antes de abandonar el puesto del operador.
Levante la parte trasera de la máquina y apóyela sobre gatos fijos.
Puede ser peligroso confiar únicamente en gatos mecánicos o hidráulicos para elevar la máquina para realizar tareas de mantenimiento o reparación. Los gatos mecánicos o hidráulicos pueden no proporcionar suficiente apoyo, o pueden fallar y dejar caer la máquina, lo que podría provocar lesiones.
No confíe únicamente en gatos mecánicos o hidráulicos para apoyar la máquina. Utilice soportes fijos u otro medio de sustentación equivalente.
Retire las ruedas traseras de la máquina.
Elimine cualquier suciedad de la zona de los frenos.
Abra el asa de liberación de las ruedas motrices; consulte Uso de las válvulas de liberación de las ruedas motrices.
Compruebe si hay un espacio visible entre la escuadra y el tope del acoplamiento (Figura 78).

Quite el freno de estacionamiento (la palanca debe estar bajada).
Gire el cubo de la rueda a mano en ambos sentidos respecto a la pinza; el cubo de la rueda debe desplazarse libremente entre la pinza.
Si se necesita un espacio mayor o si el cubo de la rueda no se mueve libremente:
Quite el freno de estacionamiento.
Desconecte y ajuste el acoplamiento trasero:
Acorte el acoplamiento para crear un espacio.
Alargue el acoplamiento para permitir que el cubo se mueva.
Conecte el acoplamiento trasero.
Ponga el freno de estacionamiento y compruebe el espacio.
Repita los pasos 8 a 12 hasta que obtenga un espacio visible y el cubo de la rueda gire libremente.
Repita este procedimiento en el freno del otro lado.
Gire la asa de liberación de las ruedas motrices al puesto del operador; consulte Uso de las válvulas de liberación de las ruedas motrices.
Instale los neumáticos traseros y apriete las tuercas de las ruedas; consulte Comprobación de las tuercas de las ruedas.
Retire los gatos fijos.
| Intervalo de mantenimiento y servicio | Procedimiento de mantenimiento |
|---|---|
| Cada 50 horas |
|
Cambie la correa si está desgastada. Las señales de una correa desgastada incluyen chirridos cuando la correa está en movimiento, patinaje de las cuchillas durante la siega, bordes deshilachados, o marcas de quemaduras o grietas.
Aparque la máquina en una superficie nivelada, desengrane el mando de control de las cuchillas (TDF) y ponga el freno de estacionamiento.
Pare el motor, retire la llave y espere a que se detengan todas las piezas en movimiento antes de abandonar el puesto del operador.
Baje el cortacésped a la posición de altura de corte de 76 mm (3").
Retire las cubiertas de la correa (Figura 79).

Utilice una llave de carraca en el taladro cuadrado del brazo tensor para aliviar la tensión del muelle tensor (Figura 80).
Retire la correa de las poleas de la carcasa de corte.
Instale la guía de la correa en el brazo tensor tensado con muelle (Figura 80).
Retire la correa.
Pase la correa nueva alrededor de las poleas del cortacésped y de la polea del embrague, debajo del motor (Figura 80).

Instale la guía de la correa en el brazo tensor (Figura 80).
Utilizando la llave de carraca en el taladro cuadrado, instale el muelle tensor (Figura 80).
Note: Asegúrese de que los extremos del muelle están asentados en las ranuras de anclaje.
Instale las cubiertas de la correa (Figura 81).

Aparque la máquina en una superficie nivelada, desengrane el mando de control de las cuchillas (TDF) y ponga el freno de estacionamiento.
Pare el motor, retire la llave y espere a que se detengan todas las piezas en movimiento antes de abandonar el puesto del operador.
Retire la correa del cortacésped; consulte Cómo cambiar la correa del cortacésped.
Levante la máquina y apóyela sobre gatos fijos (Figura 82).

Utilice una llave de carraca en el taladro cuadrado del brazo tensor para retirar el muelle tensor (Figura 82).
Desenganche el muelle de la polea tensora del bastidor (Figura 82).
Retire la correa de las poleas de transmisión de la unidad hidráulica y de la polea del motor.
Instale la correa nueva alrededor de la polea del motor y de las 2 poleas de transmisión.
Utilizando la llave de carraca en el taladro cuadrado del brazo tensor, instale el muelle tensor en el bastidor (Figura 82).
Instale la correa del cortacésped; consulte Cómo cambiar la correa del cortacésped.
Las palancas de control tienen dos ajustes de altura: alto y bajo. Retire los pernos para adaptar la altura al operador.
Aparque la máquina en una superficie nivelada, desengrane el mando de control de las cuchillas (TDF) y ponga el freno de estacionamiento.
Pare el motor, retire la llave y espere a que se detengan todas las piezas en movimiento antes de abandonar el puesto del operador.
Afloje los pernos y las tuercas con arandela prensada de las palancas (Figura 83).
Alinee las palancas en el sentido adelante/atrás acercándolas a la posición de PUNTO MUERTO, y moviéndolas hasta que estén alineadas; luego apriete los pernos (Figura 84).


Si los extremos de las palancas chocan entre sí, consulte Ajuste del pivote de bloqueo de punto muerto de las palancas de control de movimiento.
Repita para ajustar las palancas de control.
Los acoplamientos de control de las bombas están situados en cada lado de la máquina, debajo del asiento. Gire la tuerca del extremo con una llave de ½" para hacer ajustes finos a fin de que la máquina no se desplace en punto muerto. Cualquier ajuste debe realizarse únicamente para la posición de punto muerto.
El motor debe estar en marcha y las ruedas motrices deben estar girando para poder realizar los ajustes. El contacto con piezas en movimiento o superficies calientes puede causar lesiones personales.
Mantenga alejados de los componentes rotativos y de la superficies calientes los dedos, las manos y la ropa.
Desengrane el mando de control de las cuchillas (TDF), ponga las palancas de control de movimiento en la posición de BLOQUEO/PUNTO MUERTO, y ponga el freno de estacionamiento.
Pare el motor, retire la llave y espere a que se detengan todas las piezas en movimiento antes de abandonar el puesto del operador.
Presione el pedal de elevación de la carcasa y retire el pasador de altura de corte.
Baje la carcasa al suelo.
Levante la parte trasera de la máquina y apóyela sobre gatos fijos u otro soporte equivalente.
Note: Eleve la máquina a una altura suficiente para que las ruedas motrices giren libremente.
Retire la conexión eléctrica del interruptor de seguridad del asiento, situado debajo del cojín del asiento.
Note: El interruptor forma parte del conjunto del asiento.
Provisionalmente, instale un puente entre los terminales del conector del arnés de cableado principal.
Arranque el motor, haga funcionar el motor a su velocidad máxima y quite el freno.
Note: Antes de arrancar el motor, asegúrese de que el freno de estacionamiento está puesto y que las palancas de control de movimiento están hacia fuera. No es necesario que esté sentado en el asiento.
Haga funcionar la máquina durante al menos 5 minutos con las palancas de control de movimiento a velocidad máxima hacia adelante para que el fluido hidráulico alcance su temperatura normal de operación.
Note: La palanca de control de movimiento debe estar en punto muerto en el momento de realizar ajustes.
Ponga las palancas de control de movimiento en la posición de punto MUERTO.
Ajuste la longitud de las varillas de control de las bombas girando las tuercas dobles de la varilla en el sentido apropiado, hasta que las ruedas se muevan ligeramente en marcha atrás (Figura 85).

Mueva las palancas de control de movimiento a la posición de MARCHA ATRáS y, aplicando una ligera presión a la palanca, deje que los muelles de marcha atrás devuelvan las palancas a punto muerto.
Note: Las ruedas deben dejar de girar o moverse muy lentamente en marcha atrás.
Pare la máquina.
Retire el puente del arnés de cables y enchufe el conector en el interruptor del asiento.
Retire los gatos fijos.
Eleve la carcasa e instale el pasador de altura de corte.
Compruebe que la máquina no se desplaza en punto muerto con el freno de estacionamiento quitado.
El perno de montaje superior del amortiguador puede ajustarse para obtener la resistencia de la palanca de control de movimiento deseada. Consulte las opciones de montaje en Figura 86.

La tuerca con arandela prensada puede ajustarse para obtener la resistencia deseada en la palanca de control de movimiento al moverla a la posición de BLOQUEO/PUNTO MUERTO. Consulte las opciones de ajuste en Figura 87.
Afloje la contratuerca.
Apriete o afloje la tuerca con arandela prensada hasta obtener el tacto deseado.
Para aumentar la resistencia, apriete la tuerca con arandela prensada.
Para reducir la resistencia, afloje la tuerca con arandela prensada..
Apriete la contratuerca.

Busque atención médica inmediatamente si el fluido hidráulico penetra en la piel. Cualquier fluido inyectado debe ser extraído quirúrgicamente por un médico en el espacio de pocas horas.
Asegúrese de que todas las mangueras y líneas de fluido hidráulico están en buenas condiciones de uso, y que todos los acoplamientos y conexiones hidráulicos están apretados, antes de aplicar presión al sistema hidráulico.
Mantenga el cuerpo y las manos alejados de fugas pequeñas o boquillas que expulsan fluido hidráulico a alta presión.
Utilice un cartón o un papel para buscar fugas hidráulicas.
Alivie de manera segura toda presión en el sistema hidráulico antes de realizar trabajo alguno en el sistema hidráulico.
Tipo de fluido hidráulico:Fluido hidráulico Toro® HYPR-OIL™ 500 o Mobil® 1 15W-50.
Important: Utilice el fluido especificado. Otros fluidos podrían causar daños en el sistema hidráulico.
Capacidad de fluido de cada sistema hidráulico: 1.5 litros (52 onzas) en cada lado con cambio de filtro
| Intervalo de mantenimiento y servicio | Procedimiento de mantenimiento |
|---|---|
| Cada 50 horas |
|
Aparque la máquina en una superficie nivelada, desengrane el mando de control de las cuchillas (TDF) y ponga el freno de estacionamiento.
Pare el motor, retire la llave y espere a que se detengan todas las piezas en movimiento antes de abandonar el puesto del operador.
Deje que el motor y el sistema hidráulico se enfríen durante 10 minutos.
Note: El nivel de fluido de la varilla es incorrecto si se comprueba el aceite con la máquina caliente.
Mueva el asiento hacia adelante.
Limpie la zona alrededor de las varillas de los depósitos del sistema hidráulico (Figura 88).
Retire una varilla del depósito hidráulico (Figura 88).
Limpie la varilla e introdúzcala en el depósito.
Retire la varilla e inspeccione el extremo (Figura 88).
Important: No llene demasiado las unidades hidráulicas de fluido porque podrían producirse daños. No haga funcionar la máquina si el nivel de fluido está por debajo de la marca Add (añadir).
Si el nivel de fluido está en la marca Add (añadir), vierta lentamente en el depósito hidráulico solo la cantidad de fluido necesaria para que el nivel llegue hasta la marca de Full (Lleno) o H.
Vuelva a colocar la varilla.
Repita el procedimiento con la otra varilla.

| Intervalo de mantenimiento y servicio | Procedimiento de mantenimiento |
|---|---|
| Después de las primeras 250 horas |
|
| Cada 250 horas |
|
| Cada 500 horas |
|
Para cambiar el fluido hidráulico, es necesario retirar los filtros. Cambie ambos filtros al mismo tiempo; consulte en Especificación del fluido hidráulico las especificaciones del fluido.
Aparque la máquina en una superficie nivelada, desengrane el mando de control de las cuchillas y ponga el freno de estacionamiento.
Pare el motor, retire la llave y espere a que se detengan todas las piezas en movimiento antes de abandonar el puesto del operador.
Levante la máquina y apóyela sobre gatos fijos (Figura 89).

Retire la correa del cortacésped y la correa de transmisión de la bomba; consulte Cómo cambiar la correa del cortacésped y Sustitución de la correa de transmisión de la bomba hidráulica.
Note: Esto evita que se manchen las correas de fluido.
Coloque un recipiente debajo del filtro, retire el filtro usado y limpie la superficie (Figura 90).

Aplique una capa fina de fluido hidráulico a la junta de goma del filtro nuevo (Figura 90).
Instale el filtro hidráulico nuevo.
Retire la correa de transmisión de la bomba y la correa del cortacésped.
Retire los gatos fijos y baje la máquina (Figura 89).
Añada fluido al depósito hidráulico y compruebe que no haya fugas.
Limpie cualquier fluido derramado.
Arranque el motor y déjelo funcionar durante unos 2 minutos para purgar el aire del sistema.
Pare el motor y compruebe que no hay fugas.
Compruebe el nivel mientras el fluido está frío.
Si es necesario, añada fluido al depósito hidráulico.
Note: No llene demasiado.
Aparque la máquina en una superficie nivelada, desengrane el mando de control de las cuchillas (TDF) y ponga el freno de estacionamiento.
Pare el motor, retire la llave y espere a que se detengan todas las piezas en movimiento antes de abandonar el puesto del operador.
Compruebe la presión de los neumáticos de las ruedas motrices; consulte Comprobación de la presión de los neumáticos.
Ponga el bloqueo de transporte en la posición de cierre.
Empuje el pedal de elevación de la carcasa hacia delante del todo; la carcasa se enganchará en la posición de transporte de 14 cm (5½") (Figura 91).

Introduzca el pasador de ajuste de la altura en el taladro que corresponde a una altura de 7.6 cm (3").
Quite el bloqueo de transporte y deje que la carcasa descienda a la altura de corte.
Eleve el conducto de descarga.
En ambos lados de la carcasa, mida desde la superficie nivelada hasta la punta delantera de la cuchilla (Posición A), según se muestra en Figura 92.
Note: La distancia debe ser de 7.6 cm (3")

Gire la tuerca de ajuste del conjunto de elevación de la carcasa delantera para modificar la altura (Figura 93).
Note: Para aumentar la altura, gire la tuerca de ajuste en sentido horario; para reducir la altura, gire la tuerca en sentido antihorario.
Note: Si los acoplamientos de la carcasa delantera no tienen holgura suficiente para lograr la altura de corte precisa, puede utilizarse el ajuste de un solo punto.

Para ajustar el sistema de ajuste de un solo punto, afloje los 2 pernos situados cerca del borde inferior de la pletina de altura de corte (Figura 94).

Si la carcasa está demasiado baja, apriete el perno del ajuste de un solo punto girándolo en el sentido de las agujas del reloj. Si la carcasa está demasiado alta, afloje el perno del ajuste de un solo punto girándolo en el sentido contrario a las agujas del reloj (Figura 95).
Note: Apriete o afloje el perno lo suficiente para desplazar los pernos de montaje de la pletina de altura de corte al menos ⅓ del recorrido posible en las ranuras correspondientes. De esta manera, será posible ajustar algo más en sentido vertical los 4 acoplamientos de la carcasa.

Apriete los 2 pernos en el borde inferior de la pletina de altura de corte (Figura 94).
Note: En la mayoría de las condiciones, la punta trasera de la cuchilla debe estar 6.4 mm (¼") más alta que la punta delantera.
Apriete los 2 pernos a 37–45 N·m (27–33 pies-libra).
En ambos lados de la carcasa, mida desde la superficie nivelada hasta la punta trasera de la cuchilla (Posición B), según se muestra en Figura 92.
Note: La distancia debe ser de 8.3 cm (3¼").
Gire el tornillo de ajuste hasta obtener una altura de 8.3 cm (3¼") (Figura 93).
Para aumentar la altura, gire la tuerca de ajuste en sentido horario; para reducirla, gire la tuerca en el sentido contrario.
Mida hasta que los 4 lados tengan la altura correcta.
Apriete todas las tuercas de los brazos de elevación de la carcasa.
Baje el conducto de descarga.
Para garantizar una calidad de corte superior, mantenga afiladas las cuchillas. Para que el afilado y la sustitución sean más cómodos, puede desear tener un stock de cuchillas de repuesto.
Una cuchilla desgastada o dañada puede romperse, y un trozo de la cuchilla podría ser arrojado hacia usted u otra persona, provocando lesiones personales graves o la muerte. Cualquier intento de reparar una cuchilla dañada puede anular la certificación de seguridad del producto.
Inspeccione periódicamente las cuchillas, para asegurarse de que no están desgastadas ni dañadas.
Tenga cuidado al comprobar las cuchillas. Envuelva las cuchillas o lleve guantes, y extreme las precauciones al realizar el mantenimiento de las cuchillas. Solo reemplace o afile las cuchillas; no las enderece ni las suelde nunca.
En máquinas con múltiples cuchillas, tenga cuidado puesto que girar una cuchilla puede hacer que giren otras cuchillas.
Aparque la máquina en una superficie nivelada, desengrane el mando de control de las cuchillas (TDF) y ponga el freno de estacionamiento.
Apague el motor, retire la llave y desconecte los cables de las bujías.
| Intervalo de mantenimiento y servicio | Procedimiento de mantenimiento |
|---|---|
| Cada vez que se utilice o diariamente |
|
Inspeccione los filos de corte (Figura 96).
Si los filos están romos o tienen muescas, retire la cuchilla y afílela; consulte Afilado de las cuchillas.
Inspeccione las cuchillas, especialmente en la parte curva.
Si observa fisuras, desgaste o la formación de una ranura en esta zona, instale de inmediato una cuchilla nueva (Figura 96).

Gire las cuchillas hasta que los extremos estén orientados hacia adelante y hacia atrás.
Mida desde una superficie nivelada hasta el filo de corte, posición A, de las cuchillas (Figura 97).

Gire hacia adelante los otros extremos de las cuchillas.
Mida desde una superficie nivelada hasta el filo de corte de las cuchillas en la misma posición que en el paso 2 arriba.
Note: La diferencia entre las dimensiones obtenidas en los pasos 2 y 4 no debe superar los 3 mm (⅛").
Note: Si esta dimensión es de más de 3 mm (⅛"), la cuchilla está doblada y debe ser cambiada.
Cambie las cuchillas si han golpeado un objeto sólido o si una cuchilla está desequilibrada o doblada.
Sujete el extremo de la cuchilla usando un trapo o un guante grueso.
Retire del eje el perno de la cuchilla, la arandela curva y la cuchilla (Figura 98).

Utilice una lima para afilar el filo de corte en ambos extremos de la cuchilla (Figura 99).
Note: Mantenga el ángulo original.
Note: La cuchilla permanece equilibrada si se retira la misma cantidad de material de ambos bordes de corte.

Verifique el equilibrio de la cuchilla colocándola sobre un equilibrador de cuchillas (Figura 100).
Note: Si la cuchilla se mantiene horizontal, está equilibrada y puede utilizarse.
Note: Si la cuchilla no está equilibrada, rebaje algo el metal en la parte de la vela solamente con una lima (Figura 99).

Repita este procedimiento hasta que la cuchilla esté equilibrada.
Instale la cuchilla en el eje (Figura 98).
Important: La parte curva de la cuchilla debe apuntar hacia arriba, hacia el interior del cortacésped para asegurar un corte correcto.
Instale la arandela curva y el perno de la cuchilla (Figura 98).
Note: Instale la arandela curva con el cono hacia la cabeza del perno.
Apriete el perno de la cuchilla a 115–150 N·m (85 a 110 pies-libra).
Inmovilice los brazos tensados con muelles de la carcasa antes de retirar la carcasa de corte o de realizar mantenimiento en la misma.
Los brazos de elevación de la carcasa contienen energía almacenada. El retirar la carcasa sin antes liberar dicha energía almacenada puede causar lesiones graves o la muerte.
No intente desmontar la carcasa del bastidor delantero sin anular la energía almacenada.
Aparque la máquina en una superficie nivelada, desengrane el mando de control de las cuchillas (TDF) y ponga el freno de estacionamiento.
Pare el motor, retire la llave y espere a que se detengan todas las piezas en movimiento antes de abandonar el puesto del operador.
Coloque el pasador de ajuste de altura en el taladro que corresponde a una altura de 7.6 cm (3").
Note: De esta manera se inmovilizan los brazos de elevación de la carcasa en la posición más baja cuando se retira la carcasa y se libera la energía almacenada en el muelle de la carcasa.
Retire las cubiertas de la correa.
Levante la chapa de suelo e introduzca una llave dinamométrica en el taladro cuadrado del brazo tensor de la carcasa (Figura 101).
Gire cuidadosamente el brazo tensor de la carcasa en sentido horario y retire la correa del cortacésped (Figura 101).

Retire y guarde los herrajes de ambos lados de la carcasa, según se muestra en Figura 102.

Levante los tirantes de la carcasa y sujételos en la posición elevada.
Retire la carcasa de debajo del lado derecho de la máquina.
Si el hueco de descarga se deja destapado, la máquina podría arrojar objetos hacia usted o hacia otras personas y causar lesiones graves. También podría producirse un contacto con la cuchilla.
No utilice nunca la máquina sin haber instalado una placa de mulching, un deflector de descarga o un sistema de recogida de hierba.
Retire la contratuerca, el perno, el muelle y el espaciador que sujetan el deflector a los soportes de pivote (Figura 103).
Retire el deflector de hierba dañado o desgastado (Figura 103).

Coloque el espaciador y el muelle en el deflector de hierba.
Coloque uno de los ganchos en J del muelle detrás del reborde de la carcasa.
Note: Asegúrese de colocar un extremo con gancho en J del muelle detrás del reborde de la carcasa antes de instalar el perno, según se muestra en Figura 103.
Instale el perno y la tuerca.
Coloque 1 extremo en J del muelle alrededor del deflector de hierba (Figura 103).
Important: El deflector de hierba debe poder girar. Levante el deflector hasta que esté totalmente abierto, y asegúrese de que gire hasta cerrarse por completo.
| Intervalo de mantenimiento y servicio | Procedimiento de mantenimiento |
|---|---|
| Cada vez que se utilice o diariamente |
|
Aparque la máquina en una superficie nivelada, desengrane el mando de control de las cuchillas (TDF) y ponga el freno de estacionamiento.
Pare el motor, retire la llave y espere a que se detengan todas las piezas en movimiento antes de abandonar el puesto del operador.
Eleve la carcasa de corte a la posición de TRANSPORTE.
El aceite de motor, las baterías, el fluido hidráulico y el refrigerante del motor son contaminantes medioambientales. Elimínelos de acuerdo con la normativa estatal y local.
Apague el motor, retire la llave, espere a que se detengan todas las piezas en movimiento y deje que el motor se enfríe antes de guardar la máquina.
No almacene la máquina o el combustible cerca de una llama, y no drene el combustible dentro de un edificio.
Retire la llave y guárdela en un lugar seguro, fuera del alcance de los niños.
Desengrane el mando de control de las cuchillas (TDF) y accione el freno de estacionamiento.
Pare el motor, retire la llave y espere a que se detengan todas las piezas en movimiento antes de abandonar el puesto del operador.
Retire los recortes de hierba, la suciedad y la mugre de las piezas externas de toda la máquina, especialmente el motor y el sistema hidráulico. Limpie la suciedad y la broza de la parte exterior del alojamiento de las aletas de la culata de cilindros del motor y del soplador.
Important: La máquina puede lavarse con un detergente suave y agua. No lave la máquina a presión. Evite el uso excesivo de agua, especialmente cerca del panel de control, el motor, las bombas hidráulicas y los motores eléctricos.
Compruebe el funcionamiento del freno de estacionamiento; consulte Activación del freno de estacionamiento.
Revise el limpiador de aire; consulte Mantenimiento del limpiador de aire.
Engrase la máquina; consulte Lubricación.
Cambie el aceite del cárter; consulte Cómo cambiar el aceite del motor.
Compruebe la presión de los neumáticos; consulte Comprobación de la presión de los neumáticos.
Cambie los filtros hidráulicos; consulte Cambio del fluido hidráulico y los filtros.
Cargue la batería; consulte Cómo cargar la batería.
Rasque cualquier acumulación importante de hierba y suciedad de los bajos del cortacésped, luego lávelo con una manguera de jardín.
Note: Haga funcionar la máquina con el mando de control de las cuchillas (TDF) engranado y el motor en ralentí alto durante 2 a 5 minutos después del lavado.
Compruebe la condición de las cuchillas; consulte Mantenimiento de las cuchillas de corte.
Prepare la máquina para su almacenamiento cuando no la vaya a utilizar durante más de 30 días. Prepare la máquina para el almacenamiento de la manera siguiente:
Agregue un estabilizador/acondicionador a base de petróleo al combustible del depósito. Siga las instrucciones de mezcla del fabricante del estabilizador. No use un estabilizador a base de alcohol (etanol o metanol).
Note: Un estabilizador/acondicionador de combustible es más eficaz cuando se mezcla con combustible fresco y se utiliza en todo momento.
Haga funcionar el motor para distribuir el combustible con acondicionador por todo el sistema de combustible durante 5 minutos.
Pare el motor, deje que se enfríe y drene el depósito de combustible.
Arranque el motor y hágalo funcionar hasta que se pare.
Deseche el combustible adecuadamente. Recicle el combustible según la normativa local.
Important: No guarde combustible que contenga estabilizador/acondicionador durante más tiempo que el recomendado por el fabricante del estabilizador de combustible.
Retire la(s) bujía(s) y verifique su condición; consulte Mantenimiento del motor. Con la(s) bujía(s) retirada(s) del motor, vierta 30 ml (2 cucharadas soperas) de aceite de motor en el orificio de la bujía. Utilice el motor de arranque para hacer girar el motor y distribuir el aceite dentro del cilindro. Instale la(s) bujía(s). No instale los cables en la(s) bujía(s).
Revise y apriete todos los pernos, tuercas y tornillos. Repare o sustituya cualquier pieza dañada.
Pinte las superficies que estén arañadas o donde esté visible el metal. Puede adquirir la pintura en su Servicio Técnico Autorizado.
Guarde la máquina en un garaje o almacén seco y limpio. Retire la llave del interruptor y guárdela fuera del alcance de niños u otros usuarios no autorizados. Cubra la máquina para protegerla y para conservarla limpia.
| Problem | Possible Cause | Corrective Action |
|---|---|---|
| Se enciende el indicador de avería multifunción (IAM). |
|
|
| El motor de arranque no gira. |
|
|
| El motor no arranca, arranca con dificultad, o no sigue funcionando. |
|
|
| El motor pierde potencia. |
|
|
| El motor se sobrecalienta. |
|
|
| El cortacésped se desvía a la derecha o a la izquierda (con las palancas totalmente hacia adelante) |
|
|
| No es posible conducir la máquina. |
|
|
| La máquina vibra de manera anormal. |
|
|
| La altura de corte no es homogénea. |
|
|
| Las cuchillas no giran. |
|
|
| El embrague no se engrana. |
|
|
