Denna produkt uppfyller alla relevanta europeiska direktiv. Mer information finns i försäkran om inbyggnad i slutet av det här dokumentet.
Important: Skanna rutkoden på serienummerdekalen (i förekommande fall) med en mobil enhet för att få tillgång till information om garanti, reservdelar och annat.

Innan du stickluftar greener bör du leta upp ett tomt område och öva på att starta, stanna, höja upp, sänka ned och rulla med stickluftaren.
Inspektera greenen och avgör om det finns några hinder som kan skadas eller som kan skada stickluftarna, t.ex. sprinklerhuvuden eller andra utstickande föremål.
Håll en rak linje när du stickluftar. Sväng inte maskinen när stickluftarna är på marken.
När du kommer fram till greenens kant höjer du upp stickluftarna eller stannar maskinen.
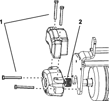
Tryck ut motorfäststaget från motorns skåror och mot stickluftarenheten, och ta bort motorn från stickluftarenheten.

Flytta motorn till förvaringsutrymmet framför upphängningsarmen.
Important: Höj inte upp fjädringen till transportläget när cylindermotorerna sitter i hållarna på maskinens ram. Underlåtenhet att följa detta råd kan leda till skador på motorerna eller slangarna.
Lossa spärrarna från stickluftarenhetsstången.
Rulla ut stickluftarenheten under upphängningsarmen.
Upprepa steg 2 till 6 för de övriga stickluftarenheterna vid behov.