Dette produktet er i samsvar med alle relevante europeiske direktiver. Hvis du vil ha mer informasjon, kan du se sammenstillingserklæringen (DOI) på baksiden av denne publikasjonen.
Important: Du kan skanne QR-koden på serienummermerket (hvis det finnes) med den mobile enheten for å få tilgang til garantien, deler og annen produktinformasjon.

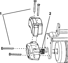
Sett piggeren under hjulopphengsarmen.
Åpne låsene på hjulopphengsarmbøylen (Figur 2), og trykk hjulopphengsarmen ned så den ligger over piggerens bøyle (Figur 3).


Flytt låsene til lukket stilling for å låse piggeren på plass (Figur 2)
Note: Du hører og kjenner et klikk når låsene er godt lukket.
Sett motoren inn på piggerens venstre side (sett fra brukerens synspunkt), og dra motorholdebøylen på piggeren mot motoren til du hører et klikk på begge sider av motoren (Figur 4).

Note: Hvis du monterer dette settet på trekkenhetsmodellene nummer 04530 eller 04540 med en trippelvalse montert, må du bruke en ekstra hybridmotvekt.
Fjern og kast motvektsboltene.
Monter to bolter (5/16-18 x 2¾ tomme) som vist i Figur 5.
Note: Boltene (delenr. 322–33) er ikke inkludert med dette settet.

Monter fire avstandsstykker (⅛ tomme) per bolt mellom motvekten og sideplaten for trippelvalsen (Figur 5).
Note: Avstandsstykkene (delenr. 63-8410) er ikke inkludert med dette settet.
Monter den hybride ekstravekten som følger med trekkenheten, med de medfølgende boltene.
Før pigging av greener, finn et tomt område for å øve på start, stopp, heving, senking og rulling av piggeren. Denne opplæringen vil gi føreren erfaring og trygghet i bruk av piggeren før den brukes på greenen.
Undersøk greenen for å avgjøre om det finnes hindringer som vil bli skadet eller vil skade piggerne, som f.eks. sprinklerhoder eller andre gjenstander som stikker ut.
Kjør i rette linjer når du pigger. Ikke snu maskinen med piggerne i bakken.
Når du når kanten av greenen, hev piggerne før du snur eller stopper maskinen. Du må heve piggerne helt opp før du svinger.
Serviceintervall: Hver 15. time.
Smør de to smøreniplene (Figur 6) på hver pigger etter hver 15. driftstime med et litiumbasert smørefett nr. 2. En manuell fettsprøyte anbefales for best mulig resultat.

Parker maskinen på en jevn flate, senk piggerne ned på bakken til hjulopphengets hydraulikk er fullstendig utstrakt, sett på parkeringsbremsen, stopp motoren og ta ut nøkkelen.
Tørk av alle smøreniplene (Figur 6) med en ren fille.
Smør piggeraksellagrene til du kjenner trykk.
Tørk vekk overflødig fett.
Parker maskinen på en jevn flate, senk piggerne ned på bakken til hjulopphengets hydraulikk er fullstendig utstrakt, sett på parkeringsbremsen, stopp motoren og ta ut nøkkelen.
Skyv motorholdebøylen ut av sporene på motoren mot piggeren, og fjern motoren.

Flytt motoren til lagringsplassen foran på hjulopphengsarmen.
Important: Ikke hev hjulopphenget til transportstilling når spoledrevet er i holderne på maskinrammen. Dette kan føre til skade på motorer eller slanger.Fest motorene til hjulopphengsarmene med kabelfester hvis du må flytte trekkenheten uten å ha montert piggerne først.
Åpne låsene på hjulopphengsarmbøylen til piggeren du skal fjerne.
Koble låsene fra piggerbøylen.
Rull piggeren ut fra under hjulopphengsarmen.
Gjenta trinn 2 til og med 6 for de andre piggerne etter behov.