| Vedlikeholdsintervall | Vedlikeholdsprosedyre |
|---|---|
| For hver bruk eller daglig |
|
Denne plentraktoren med roterende kniver er beregnet på bruk av profesjonelle, innleide operatører. Den er hovedsakelig beregnet på å klippe gress på godt vedlikeholdte plener på private eller kommersielle eiendommer. Hvis du bruker dette produktet til andre formål enn det er beregnet på, kan du utsette deg selv eller andre for fare.
Les denne håndboken nøye, slik at du lærer å bruke og vedlikeholde produktet på riktig måte og unngår person- eller produktskade. Du har ansvar for å bruke produktet på en riktig og sikker måte.
Gå til www.Toro.com for mer informasjon, inkludert sikkerhetstips, opplæringsmateriale og informasjon om tilbehør, hjelp til å finne en forhandler eller for å registrere produktet ditt.
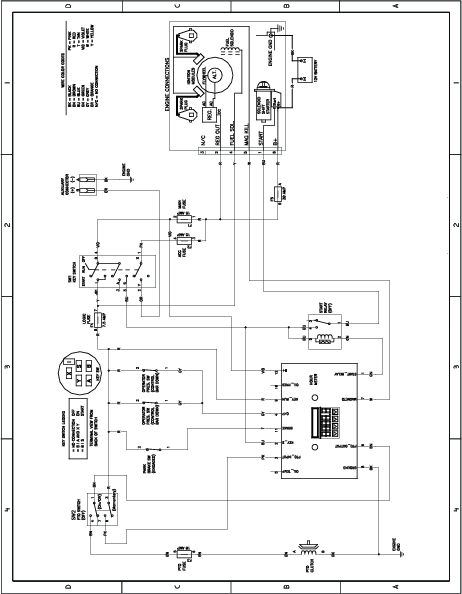
Hvis maskinen må repareres eller du trenger originale Toro-deler eller mer informasjon, kan du kontakte et autorisert forhandlerverksted eller Toros kundeserviceavdeling. Ha modell- og serienummer for hånden når du tar kontakt. Figur 1 identifiserer plasseringen av modell- og serienummer på produktet. Skriv inn numrene i de tomme feltene.
Important: Du kan skanne QR-koden på serienummermerket (hvis det finnes) med den mobile enheten for å få tilgang til garantien, deler og annen produktinformasjon.

Denne brukerhåndboken identifiserer mulige farer, og markerer sikkerhetsbeskjeder gjennom sikkerhetsvarslingssymbolet (Figur 2) som varsler om en fare som kan føre til alvorlige skader eller dødsfall hvis du ikke følger de anbefalte forholdsreglene.

I tillegg brukes to ord for å utheve informasjon. Viktig gjør oppmerksom på spesiell mekanisk informasjon og Obs henviser til generell informasjon som er verdt å huske.
Dette produktet er i samsvar med alle relevante europeiske direktiver. Se eget samsvarserklæringsskjema for produktet for detaljert informasjon.
Se motorprodusentens informasjon som følger med maskinen.
Denne maskinen er laget i henhold til EN ISO-standard 5395.
Dette produktet kan amputere hender og føtter og slynge gjenstander opp i luften. Følg alltid alle sikkerhetsinstruksjoner for å unngå alvorlige skader.
Les og forstå innholdet i denne brukerhåndboken før du starter motoren.
Hold hender og føtter borte fra roterende deler på maskinen.
Bruk aldri maskinen uten at alle verneplater og andre sikkerhetsanordninger sitter på plass og fungerer som tiltenkt.
Hold avstand fra utslippsåpningen.
Hold andre personer, spesielt små barn, borte fra arbeidsområdet. Barn skal ikke bruke maskinen. Maskinen skal kun brukes av ansvarlige personer som har opplæring, er kjent med instruksjonene og er fysisk i stand til å bruke den.
Stopp maskinen, slå av motoren og ta ut nøkkelen før du utfører service, fyller drivstoff på eller fjerner materiale fra maskinen.
Feilaktig bruk og vedlikehold av maskinen kan føre til
personskade. For å redusere muligheten for skader bør
du følge disse sikkerhetsinstruksjonene og alltid være
oppmerksom på sikkerhetsalarmsymbolet (
) som betyr Forsiktig, Advarsel
eller Fare – personsikkerhetsinstruks. Hvis ikke disse instruksjonene
tas hensyn til, kan det føre til alvorlige personskader eller
dødsfall.
![]() |
Sikkerhetsmerker og instruksjoner er lett synlige og er plassert i nærheten av alle områder som representerer en potensiell fare. Skift merker som er skadet eller mangler. |


















Gjør deg kjent med alle kontroller før du starter motoren og bruker maskinen.

Bruk kraftuttaksbryteren for å slå av og på knivene eller starte og stoppe strømdrevet tilbehør (Figur 4). Se Bruke gressklipperens knivkontrollbryter (kraftuttak).
Timemåleren registrerer antallet timer som motoren har vært i bruk. Den er i gang når motoren er i gang. Bruk tidene for å planlegge vanlig vedlikehold (Figur 5).

Symboler på timetelleren indikerer med et svart triangel at sperrekomponenten er i riktig posisjon (Figur 5).
Hvis du vrir tenningsnøkkelen til På-stillingen i noen få sekunder, vises batterispenningen i området hvor klokkeslettet vanligvis vises.
Batterilyset slår seg på når tenningen er slått På og når ladenivået er under riktig bruksnivå (Figur 5).
Gassen kontrollerer motorhastigheten og den har en kontinuerlig variabel innstilling fra SAKTE til HURTIG (Figur 4).
Bruk chokekontrollen for å starte en kald motor. Dra i chokekontrollen for å aktivere den. Trykk ned på chokekontrollen for å deaktivere den.
Bruk knivkontrollbryteren (kraftuttaket) for å koble gressklipperknivene til og fra (Figur 4).
Tenningsbryteren som brukes til å starte og stoppe motoren, har tre stillinger: AV, KJøR og START. Se Starte motoren.
Bruk bevegelseskontrollspakene til å kjøre maskinen fremover, rygge og svinge i alle retninger (Figur 4).
Steng drivstoffvelgerventilen før du transporterer eller lagrer maskinen. Se Bruke drivstoffavstengingsventilen.
Note: Spesifikasjoner og konstruksjon kan forandres uten varsel.
| Klippebredde | 122 cm |
| Bredde | 127 cm |
| Lengde med plattform ned | 191 cm |
| Lengde med oppreist plattform | 155 cm |
| Høyde | 122 cm |
| Vekt | 415 kg |
Et utvalg av Toro-godkjent tilbehør som kan brukes sammen med maskinen for å forbedre og utvide dens funksjoner er tilgjengelig. Ta kontakt med en autorisert serviceforhandler eller Toro-forhandler, eller gå til www.Toro.com for å få en liste over godkjent tilbehør og utstyr.
For å oppnå optimal ytelse og holde maskinen i sikkerhetsgodkjent stand bruker du bare ekte Toro-reservedeler og -tilbehør. Reservedeler og tilbehør som er laget av andre produsenter kan være farlige, og de kan derfor føre til at garantien blir ugyldig.
Ikke la barn, eller personer som ikke er opplært kjøre eller utføre vedlikehold på maskinen. Det kan hende at lokale forskrifter setter en aldersgrense for bruk. Eieren er ansvarlig for opplæring av alle operatører og mekanikere.
Gjør deg kjent med sikker bruk av utstyret, driftskontrollene og sikkerhetssymbolene.
Lær deg å stanse maskinen og slå av motoren raskt.
Kontroller at dødmannskontrollene, sikkerhetsbryterne og verneplatene er montert og fungerer på korrekt måte. Ikke bruk maskinen hvis disse ikke fungerer som de skal.
Før du klipper, må du alltid undersøke maskinen for å sikre at knivene, knivboltene og klippeenhetene er i god stand.
Undersøk området der du skal bruke maskinen, og fjern alle gjenstander som kan slynges ut av maskinen.
Vurder terrenget for å avgjøre det passende utstyret og eventuelt tilbehør som er nødvendig for å bruke maskinen korrekt og sikkert.
Drivstoff er svært brannfarlig og eksplosivt. Brann eller eksplosjon forårsaket av drivstoff kan påføre deg og andre brannskader samt ødelegge eiendom.
Når du fyller tanken, må drivstoffkannen og/eller maskinen være plassert direkte på bakken og ikke i et kjøretøy eller på en gjenstand, for å hindre at statisk elektrisitet antenner drivstoffet.
Fyll opp drivstofftanken utendørs på et åpent område når motoren er nedkjølt. Tørk opp eventuelt drivstoffsøl.
Ikke håndter drivstoff når du røyker eller er i nærheten av åpen ild eller gnister.
Ikke ta lokket av drivstofftanken eller fyll på drivstofftanken mens motoren går eller er varm.
Ikke prøv å starte motoren hvis du har sølt drivstoff. Unngå antenningskilder til all drivstoffdamp er forsvunnet.
Drivstoff må oppbevares på en godkjent kanne, utenfor barns rekkevidde.
Drivstoff kan føre til skader eller dødsfall hvis det svelges. Hvis du utsettes for damp fra drivstoff over lengre tid, kan dette føre til alvorlig skade og sykdom.
Unngå innånding av damp fra drivstoff over lengre tid.
Hold hendene og ansiktet unna dysen og drivstofftankåpningen.
Hold drivstoffet unna øyne og hud.
Oppbevar aldri maskinen eller bensinkannen hvor det er åpen ild, gnist eller kontrollampe som på en varmtvannstank eller andre apparater.
Ikke fyll opp kanner inne i en maskin, på en lastebil eller på en tilhenger med plastfôring. Sett alltid beholdere på bakken, vekk fra kjøretøyet, når det fylles på.
Fjern utstyret fra lastebilen eller tilhengeren, og fyll på drivstoff mens det er på bakken. Hvis dette ikke lar seg gjøre, fyll drivstoff fra en bærbar kanne i stedet for direkte fra en drivstoffpumpe.
Ikke bruk maskinen uten at hele eksossystemet er på plass og i fungerende tilstand.
Påfyllingstuten må være i kontakt med kanten på drivstofftanken eller kannens åpning hele tiden, helt til du er ferdig med å fylle. Ikke bruk utstyr for låsing av munnstykket i åpen stilling.
Hvis du søler drivstoff på klærne dine, bytt klær umiddelbart. Tørk opp eventuelt drivstoffsøl.
Aldri fyll for mye i drivstofftanken. Sett på igjen lokket på drivstofftanken og stram godt til.
For best resultat bør du kun bruke ren, fersk (mindre enn 30 dager gammel) og blyfri bensin med oktankvalitet på 87 eller høyere (vurderingsmetode (R+M)/2).
Etanol: Bensin med opptil 10 % etanol (alkoholbensin) eller 15 % MTBE (metyltertiærbutyleter) i volum er akseptabelt. Etanol og MTBE er ikke det samme. Bensin med 15 % etanol (E15) i volum er ikke godkjent for bruk. Ikke bruk bensin som inneholder mer enn 10 % etanol i volum, som f.eks. E15 (inneholder 15 % etanol), E20 (inneholder 20 % etanol) eller E85 (inneholder opptil 85 % etanol). Bruk av bensin som ikke er godkjent, kan forårsake problemer og/eller motorskade som kanskje ikke dekkes av garanti.
Ikke bruk metanolholdig bensin.
Ikke oppbevar drivstoff i drivstofftanken eller i drivstoffbeholdere over vinteren, med mindre du bruker drivstoffstabilisator.
Ikke bland olje i drivstoffet.
Bruk drivstoffstabiliserings- /kondisjoneringsmiddel i maskinen for å holde drivstoffet ferskt lenger under bruk, som anvist av produsenten for drivstoffstabiliseringsmiddelet.
Important: Ikke bruk tilsettingsmidler som inneholder metanol eller etanol i drivstoffet.
Tilsett mengden drivstoffstabiliserings-/kondisjoneringsmiddel i ferskt drivstoff som anvist av produsenten for drivstoffstabiliseringsmiddelet.
Parker maskinen på en jevn flate, koble fra kraftuttaket, flytt bevegelseskontrollspakene til NøYTRAL, LåST stilling, og aktiver parkeringsbremsen.
Før du forlater førerplassen må du slå av motoren, ta ut nøkkelen og vente til alle bevegelige deler står stille.
Rengjør rundt lokket på drivstofftanken og ta det av.
Fyll drivstoff på tanken til nivået når opp til bunnen av påfyllingshalsen.
Note: Tanken må ikke fylles helt opp. Dette tomrommet i tanken gir drivstoffet plass til å utvide seg.
Fest drivstofftanklokket ordentlig. Tørk opp eventuelt drivstoffsøl.

Før du starter maskinen hver dag, må du utføre prosedyrene for hver bruk / daglige prosedyrer, som angitt i .
Nye motorer trenger tid til å utvikle full styrke. Klippeenheter og drivverk har høyere friksjon når de er nye, som fører til ekstra belastning på motoren. Beregn 40 til 50 timers innkjøringstid slik at nye maskiner kan utvikle full styrke og best mulig ytelse.
Hvis sikkerhetssperrebryterne frakobles eller ødelegges, kan maskinen fungere uventet og forårsake personskader.
Ikke rør sperrebryterne.
Kontroller sperrebryterne daglig, og bytt ut ødelagte brytere før du bruker maskinen.
Sikkerhetssperresystemet er konstruert slik at det forhindrer kraftuttaket i å starte hvis du ikke gjør ett av følgende trinn:
Flytte en av bevegelseskontrollspakene til den midtre, frie stillingen.
Sette kraftuttaksbryteren til På-stillingen.
Sikkerhetssperresystemet er konstruert slik at det stopper knivene/tilbehøret hvis du beveger eller frigjør begge bevegelseskontrollspakene inn i NøYTRAL, LåST stilling.
Timetelleren har symboler som varsler brukeren når hver av sperrekomponentene er i riktig stilling. Når komponenten er i riktig stilling, lyser et triangel opp i tilsvarende felt (Figur 7).

| Vedlikeholdsintervall | Vedlikeholdsprosedyre |
|---|---|
| For hver bruk eller daglig |
|
Sikkerhetssperresystemet må testes hver gang maskinen skal brukes.
Note: Hvis systemet ikke fungerer slik som beskrevet nedenunder, må du be et autorisert forhandlerverksted om å reparere det omgående.
Start motoren. Se Starte motoren.
Flytt bevegelseskontrollspakene til den midtre, frie stillingen.
Note: Knivene/tilbehøret skal stoppe og motoren skal stoppe.
Start motoren og frigjør parkeringsbremsen.
Flytte en av bevegelseskontrollspakene til den midtre, frie stillingen.
Fortsett å holde bevegelseskontrollspaken i midtstilling (ulåst stilling), dra opp kraftuttakbryteren og frigjør bryteren.
Note: Clutchen og knivene/tilbehøret skal kobles inn.
Flytt eller frigjør bevegelseskontrollspakene til NøYTRAL, LåST stilling.
Note: Knivene/tilbehøret skal stoppe å rotere, og motoren skal fortsette å gå.
Skyv kraftuttaksbryteren ned, og sett en av bevegelseskontrollspakene til midtstilt, ulåst stilling.
Fortsett å holde bevegelseskontrollspaken i midtstilling (ulåst stilling), dra opp kraftuttakbryteren og frigjør bryteren.
Note: Clutchen og knivene/tilbehøret skal kobles inn.
Sett kraftuttaksbryteren i AV-stillingen.
Note: Knivene/tilbehøret skal stoppe.
Mens motoren går, dra kraftuttakbryteren opp og frigjør den uten å holde noen av bevegelseskontrollspakene i midtstilling (ulåst stilling).
Note: Knivene/tilbehøret skal ikke kobles inn.
Eieren/brukeren kan forhindre og er ansvarlig for ulykker som kan forårsake personskader eller materielle skader.
Ha på deg passende klær, inkludert vernebriller, vernebukser, sklisikkert og kraftig fottøy og hørselsvern. Sett opp langt hår, ikke bruk løstsittende klær eller fritthengende smykker.
Vær alltid fokusert på oppgaven når du bruker maskinen. Ikke delta i aktiviteter som forårsaker distraksjoner, da dette kan føre til personskade eller materiell skade.
Ikke bruk maskinen når du er syk, trett eller påvirket av alkohol eller andre rusmidler.
Ha aldri med passasjerer på maskinen, og hold mennesker og kjæledyr borte fra maskinen under drift.
Maskinen skal kun brukes under forhold med god sikt og egnede værforhold. Ikke bruk maskinen hvis det er fare for lynnedslag.
Vått gress eller løv kan føre til alvorlig personskade hvis du mister fotfestet og kommer i kontakt med kniven. Unngå klipping i våte forhold.
Påse at alle drivverk står i nøytral stilling, at parkeringsbremsen er aktivert og at du er i førerposisjon før du starter motoren.
Sørg for å ha godt fotfeste ved bruk av denne maskinen, spesielt når du rygger.
Hold hendene og føttene borte fra klippeenhetene. Hold deg unna åpningen på utløpssjakten til enhver tid.
Se bak- og nedover før du rygger, slik at du ikke kjører på noen.
Vær spesielt forsiktig når du nærmer deg hjørner, busker, trær eller andre objekter som kan hindre sikten din.
Stopp knivene når du ikke klipper.
Stopp maskinen, ta nøkkelen og vent til alle bevegelige deler har stanset før du undersøker klippeenheten eller tilbehøret, hvis du har truffet gjenstander eller hvis maskinen begynner å vibrere unormalt. Foreta alle nødvendige reparasjoner før du gjenopptar bruk.
Kjør sakte, og vær forsiktig når du svinger og krysser veier og fortau med maskinen. Overhold alltid vikeplikten.
Koble ut klippeenheten og slå av motoren før du justerer klippehøyden (med mindre du kan justere den fra driftsstillingen).
Kjør motoren kun i godt ventilerte områder. Eksosen inneholder karbonmonoksid, som er dødelig ved innånding.
La aldri maskinen stå uten tilsyn når den er i gang.
Før du forlater førersetet (inkludert for å tømme gressoppsamlerene eller rense sjakten), gjør følgende:
Parker maskinen på en jevn flate.
Deaktiver kraftuttaket.
Sett på parkeringsbremsen.
Slå av motoren og ta ut tenningsnøkkelen.
Vent til alle bevegelige deler har stanset.
Steng av maskinen, og koble ut drivkraften til klippeenhetene i følgende situasjoner:
før du fyller drivstoff
før du fjerner eventuelle tilstoppinger
før du sjekker, rengjør og vedlikeholder klippeenheten
etter at du har truffet en gjenstand eller hvis det oppstår unormal vibrasjon. Undersøk om klippeenheten ble skadet, og reparer den før du starter opp og bruker maskinen
Gjør følgende før du forlater førersetet
Ikke bruk maskinen til tauing.
Bruk bare utstyr og tilbehør som er godkjent av The Toro® Company.
Skråninger er en ledende årsak til tap av kontroll og velting. Dette kan føre til alvorlige skader eller dødsfall. Du er ansvarlig for trygg drift i skråninger. Bruk av maskinen i skråninger krever ekstra forsiktighet. Før du bruker maskinen i en skråning, må du gjøre følgende:
Les og forstå instruksjonene for bruk i skråninger i denne brukerhåndboken og på maskinen.
Vurder forholdene på stedet på dagen for å avgjøre om det er trygt å bruke maskinen i skråningen. Bruk alltid sunn fornuft og god dømmekraft når du utfører denne kontrollen. Endringer i terrenget, som for eksempel fuktighet, kan påvirke bruken av maskinen i skråninger.
Kjør på tvers av skråninger, aldri oppover og nedover. Unngå bruk i svært bratte eller våte skråninger.
Identifiser farer ved bunnen av skråningen. Maskinen må ikke brukes ved kanter grøfter, voller, vann eller andre farer. Maskinen kan velte hvis et hjul går over kanten eller hvis kanten gir etter. Hold en sikker avstand (to ganger maskinens bredde) mellom maskinen og eventuelle farer. Bruk en skyvegressklipper eller et håndholdt verktøy i disse områdene.
Ikke start, stopp eller sving maskinen i skråninger. Ikke foreta brå endringer i hastighet eller retning. Sving forsiktig og gradvis.
En maskin hvor trekkraften, styringen eller stabiliteten er i tvil, skal ikke brukes under noen omstendigheter. Vær oppmerksom på at maskinen kan den begynne å gli dersom den brukes på vått gress, på tvers av skråninger eller i nedoverbakker. Hvis drivhjulene mister taket, kan det føre til at maskinen sklir og at bremse- og styringsevnen reduseres. Maskinen kan gli selv om drivhjulene er stanset.
Fjern eller marker hindringer som grøfter, hull, hjulspor, ujevnheter, steiner eller andre skjulte objekter. Gjenstander kan ligge skjult i høyt gress. Maskinen kan velte i ujevnt terreng.
Vær svært forsiktig når du bruker maskinen med ekstrautstyr eller tilbehør. Disse kan endre maskinens stabilitet og føre til tap av kontroll. Følg anvisningene for motvekter.
Hvis du mister kontroll over maskinen, stig av og vekk fra maskinens kjøreretning.
Parkeringsbremsen må alltid settes på når du stopper eller forlater maskinen. Kontroller at parkeringsbremsen fungerer som den skal før hvert bruk.
Hvis parkeringsbremsen ikke holder maskinen sikkert på plass, må den justeres. Se Justere bremsene.
Trekk parkeringsbremsespaken bakover for å aktivere den (Figur 8).
Skyv parkeringsbremsespaken forover for å deaktivere den.

Du kan flytte gasskontrollen mellom HURTIG- og LANGSOM-stillingene (Figur 12).
Bruk alltid HURTIG-stillingen når du aktiverer kraftuttaket.

Important: Ikke hold tenningsnøkkelen vridd rundt i mer enn fem sekunder om gangen. Hvis motoren ikke vil starte, vent 15 sekunder mellom startforsøkene. Hvis du ikke følger disse instruksjonene, kan startmotoren bli ødelagt.
Note: Det kan hende du må gjenta syklusen for å starte motoren når du starter den første gang etter at du har fylt et fullstendig tomt drivstoffsystem med drivstoff.


Important: Ikke hold tenningsnøkkelen vridd rundt i mer enn fem sekunder om gangen. Hvis motoren ikke vil starte, vent 15 sekunder mellom startforsøkene. Hvis du ikke følger disse instruksjonene, kan startmotoren bli ødelagt.
Note: Det kan hende du må gjenta syklusen for å starte motoren når du starter den første gang etter at du har fylt et fullstendig tomt drivstoffsystem med drivstoff.

Barn og andre personer kan skades hvis de flytter på eller prøver å kjøre maskinen uten oppsyn.
Ta alltid ut nøkkelen og sett på parkeringsbremsen når du forlater førerstillingen.
La motoren gå på tomgang med lav gass (skilpadde) i 60 sekunder før du vris nøkkelbryteren til AV-posisjon.

Important: Kontroller at drivstoffavstengingsventilen er stengt før du transporterer eller oppbevarer maskinen, da det kan oppstå drivstofflekkasje. Før du oppbevarer maskinen, koble fra tennpluggen(e) for å hindre at den starter ved et uhell.
Du kan bruke maskinen med plattformen i hevet eller senket stilling. Hvilken stilling som skal brukes, er opp til deg.
Førerplattformen er tung og kan forårsake personskader når du hever eller senker den. Senk og hev operatørens plattform forsiktig, da plutselig fall kan påføre deg skade.
Plasser ikke hendene eller fingrene i plattformtappområdet ved senking eller heving av førerplattformen.
Pass på at plattformen støttes når du drar låsestiften ut.
Kontroller at låsen sikrer plattformen når den løftes opp. Dra den tett opp mot puten slik at låsestiften sitter fast.
Hold andre på avstand fra maskinen når du hever eller senker plattformen.
Kjør maskinen med oppreist plattform under følgende forhold:
Bruke maskinen i nærheten av bratte kanter
Bruke maskinen på små områder når den er for stor
Områder med lavthengende grener eller hindringer
Du laster maskinen for transport
Du kjører opp bakker
For å heve plattformen drar du baksiden av plattformen opp slik at låsestiften og knotten låser den på plass. Dra den tett opp mot puten slik at låsestiften sitter fast.
Kjør maskinen med senket plattform under følgende forhold:
Bruke maskinen i de fleste områder
Kjøre på tvers av bakker
Du kjører ned bakker
For å senke plattformen skyver du plattformen fremover mot puten for å frigjøre presset på låsestiften, deretter drar du ut knotten og senker plattformen (Figur 18).

Gasskontrollen regulerer omdreiningstallet (o/min – omdreininger per minutt). Sett gasskontrollen i HURTIG-stillingen for best ytelse.
Important: Rygg maskinen over fortauskanter med ett hjul om gangen. Du kan skade maskinen hvis du kjører den fremover over fortauskanter.
Maskinen kan rotere svært hurtig, og du kan miste kontroll over maskinen og skade både deg og maskinen.
Reduser hastigheten før du foretar skarpe svinger.
Koble fra parkeringsbremsen. Se Bruke parkeringsbremsen.
Flytt bevegelseskontrollspakene til den midtre, frie stillingen.

Skyv bevegelseskontrollspakene langsomt fremover (Figur 20).
Note: Motoren stanser dersom en bevegelseskontrollspak beveges mens parkeringsbremsen er aktivert.
Note: Jo lengre du beveger trekkontrollspakene i en av retningene, desto raskere beveger maskinen seg i den retningen.
Note: Sett bevegelseskontrollspakene tilbake til FRI for å stanse.

Flytt begge bevegelseskontrollspakene til den midtre, frie stillingen.
Dra bevegelseskontrollspakene langsomt bakover (Figur 21).

Klippehøyden kan justeres fra 38 til 127 mm i trinn på 6 mm.
Note: Bruk av klippehøyde under 51 mm øker slitasjen på klipperemmen. Bruk en klippehøyde som er større enn 51 mm om mulig.

Monter vekter for å forbedre balansen. Du kan legge til eller fjerne vekter for optimal ytelse under ulike klippeforhold og etter egne preferanser.
Legg til eller fjern én vekt om gangen til du oppnår ønsket håndtering og balanse.
Se brukerhåndboken for anbefalte vekter til tilbehøret.
Note: Kontakt et autorisert forhandlerverksted for å bestille et vektsett.
Store vektforandringer kan påvirke håndteringen og bruken av maskinen. Dette kan medføre alvorlige skader for deg eller andre.
Foreta kun små vektjusteringer om gangen.
Vurder gressklipperen etter hvert vektbytte for å sikre at du kan bruke maskinen trygt.
Slå alltid av motoren, ta ut nøkkelen, vent til alle bevegelige deler har stoppet, og la maskinen kjøle seg ned før du justerer, utfører service på, rengjør eller setter maskinen til oppbevaring.
Fjern gress og rusk fra klippeenhetene, drivverk, lyddemperne og motorrommet for å unngå at det begynner å brenne. Tørk opp eventuelt olje- eller drivstoffsøl.
Steng drivstofftilførselen før oppbevaring eller transport av maskinen.
Koble fra kraftuttaket når du transporterer eller ikke bruker maskinen.
Oppbevar aldri maskinen eller bensinkannen hvor det er åpen ild, gnist eller kontrollampe som på en varmtvannstank eller andre apparater.
Bruk en bred rampe når du laster maskinen på en tilhenger eller lastebil.
Fest maskinen godt med stropper, kjetting, kabel eller tau. Både de fremre og bakre stroppene må ledes nedover og utover fra maskinen.
Lukk bensinkranen ved transport, vedlikehold og oppbevaring (Figur 23).
Pass på at drivstoffavstengingsventilen er åpen når du starter motoren.


Omløpsventilene gjør at du kan skyve maskinen for hånd uten at motoren går.
Important: Skyv alltid maskinen for hånd. Ikke tau maskinen, da dette kan føre til skade på hydraulikken.
Important: Start eller bruk ikke maskinen med åpne omløpsventiler. Dette kan forårsake skade på systemet.

Bruk en kraftig tilhenger eller lastebil for å transportere maskinen. Bruk en rampe med full bredde. Sikre at tilhengeren eller lastebilen har alle nødvendige bremser, lys og markeringer som kreves ved lov. Les alle sikkerhetsinstruksjonene nøye. Kunnskap om dette kan forhindre personskader. Se lokale bestemmelser for krav til tilhenger og festing.
Det å kjøre i trafikken uten blinklys, lys, reflekser eller merking for saktegående kjøretøy er farlig og kan føre til ulykker, som igjen forårsaker personskader.
Ikke bruk maskinen på offentlige veier.
Lasting av maskinen på en tilhenger eller lastebil øker muligheten for at den velter og kan føre til alvorlig skader eller dødsulykker (Figur 25).
Bruk en rampe med full bredde. Ikke bruk individuelle ramper for hver side av maskinen.
Påse at rampen er minst fire ganger så lang som høyden til tilhengeren eller lasteplanet i forhold til bakken.

Lasting av maskinen på en tilhenger eller lastebil øker muligheten for at den velter og kan føre til alvorlig skader eller dødsulykker.
Vær svært forsiktig når du kjører maskinen på en rampe.
Rygg maskinen opp rampen, og skyv den fremover ned rampen.
Unngå plutselig akselerasjon eller bremsing mens du kjører maskinen på en rampe da det kan føre til tap av kontroll eller en situasjon der maskinen velter.
Hvis du bruker en tilhenger, koble den til tauekjøretøyet og sett på sikkerhetskjettingene.
Koble til tilhengerbremsene og lysene, hvis aktuelt.
Senk rampen (Figur 25).
Hev plattformen.
Important: Hold plattformen oppe ved lasting og lossing av maskinen.
Rygg maskinen opp på rampen (Figur 26).

Stopp motoren, ta ut nøkkelen og sett på parkeringsbremsen.
Fest maskinen nær de fremre styrehjulene og den bakre støtfangeren med stropper, kjettinger, kabler eller tau (Figur 27). Se lokale bestemmelser for krav om festing.

Note: Fastslå hva som er høyre og venstre side på maskinen, ved å stå i normal arbeidsstilling.
Dersom du lar tenningsnøkkelen stå i bryteren, kan noen starte motoren uten at det er tilsiktet, noe som kan påføre deg eller personer i nærheten alvorlige skader.
Fjern tenningsnøkkelen før du begynner med eventuelt vedlikeholdsarbeid.
Før du justerer, rengjør, utfører service på eller forlater maskinen, må du gjøre følgende:
Parker maskinen på en jevn flate.
Koble fra drivverket.
Sett på parkeringsbremsen.
Slå av motoren og ta ut tenningsnøkkelen.
Vent til alle bevegelige deler har stanset.
La maskinen kjøle seg ned før du utfører vedlikehold.
Ikke la personer uten opplæring vedlikeholde eller reparere maskinen.
Hold hendene og føttene borte fra bevegelige deler. Du må aldri foreta justeringer mens motoren går hvis du kan unngå det.
Vær forsiktig når du slipper ut trykket i komponenter med lagret energi.
Kontroller regelmessig at parkeringsbremsen virker. Juster og vedlikehold bremsen etter behov.
Ikke tukle med sikkerhetsenhetene. Kontroller regelmessig at de virker tilfredsstillende.
Fjern gress og rusk fra klippeenhetene, drivverk, lyddemperne og motoren for å unngå at det begynner å brenne. Tørk opp eventuelt olje- eller drivstoffsøl.
Kontroller gressoppsamlingskomponentene regelmessig, og skift dem ut når de er slitte eller skadde.
Ikke stol på hydraulikksystemet for å støtte maskinen. Støtt opp maskinen med jekkstøtter når du arbeider under den.
Hold alle delene i god stand, og maskindelene og hydraulikkoblingene tette. Skift ut slitte, skadde eller manglende deler og merker. Sørg for at alle fester er godt tilstrammet, for å være sikker på at maskinen er trygg å bruke.
For å oppnå optimal ytelse og holde maskinen i sikkerhetsgodkjent stand bruker du bare ekte Toro-reservedeler og -tilbehør. Reservedeler og tilbehør som er laget av andre produsenter kan være farlige, og de kan derfor føre til at garantien blir ugyldig.
| Vedlikeholdsintervall | Vedlikeholdsprosedyre |
|---|---|
| Etter de 8 første timene |
|
| Etter de 50 første timene |
|
| Etter de 100 første timene |
|
| For hver bruk eller daglig |
|
| Hver 50. driftstime |
|
| Hver 100. driftstime |
|
| Hver 200. driftstime |
|
| Hver 250. driftstime |
|
| Hver 300. driftstime |
|
| Hver 500. driftstime |
|
| Hver 800. driftstime |
|
| Hver 1000. driftstime |
|
| Før lagring |
|
| Årlig |
|
Important: Se eierhåndboken for motoren for mer informasjon om vedlikeholdsprosedyrer.
Du kan frigjøre puten for å få tilgang på baksiden av maskinen ved vedlikehold eller justeringer.
Senk plattformen.
Løsne skruknottene på hver side av maskinen (Figur 28).

Fjern puten og senk den til plattformen.
Utfør ev. vedlikehold eller justeringer på maskinen.
Hev puten og skyv den inn på boltene på begge sider av maskinen.
Stram til skruknottene.
Fjern bolten og skuldermutteren som fester motorvernet på verneplateforlengelsen (Figur 29).

Roter motorvernet fremover som vist i Figur 30.

Fjern de to boltene (5/16 x 1 tomme) og remvernet (Figur 31).

Fjern sekskantmutteren (5/16 tomme) som fester verneplateforlengelsen til låseboltene (Figur 32). Fjern verneplateforlengelsen.

Monter det bakre vernet som vist i Figur 32. Trekk til mutterne med et moment på 20–25 Nm.
Monter remvernet som vist i Figur 31. Trekk til boltene med et moment på 20–25 Nm.
Roter motorvernet tilbake som vist i Figur 33.

Fest motorvernet til forlengelsesvernet med bolten og skuldermutteren, som vist i Figur 29.
Fjern de to flenshodeskruene som fester remstrammerdekslet til venstre remdeksel, og fjern remstrammerdekslet (Figur 34).

Fjern bolten som fester remdekslets flenser som vist i Figur 35.

Fjern de to låseskruene og to låsemutterne som fester venstre CE-deksel til venstre remdeksel (Figur 36).

Fjern de tre boltene som fester det høyre sidedekslet til maskinen, og fjern sidedekslet (Figur 37).

Monter høyre remdekselet til klippeenheten (Figur 40) med de to boltene du fjernet i Fjerne venstre remdeksel.

Monter høyre CE-deksel til høyre remdeksel (Figur 41) med de to låseboltene og to låsemutterne du fjernet i Fjerne venstre remdeksel.

Monter venstre remdeksel til klippeenheten (Figur 42) med de tre boltene du fjernet i Fjerne venstre remdeksel.

Monter venstre CE-deksel til venstre remdeksel (Figur 43) med de to låseboltene og to låsemutterne du fjernet i Fjerne venstre remdeksel.

Fest remdekselflensene med flenshodeskruen (Figur 44) som du fjernet i Fjerne venstre remdeksel.

Monter strammerdekslet til venstre remdeksel med de to flenshodeskruene du fjernet i Fjerne venstre remdeksel, som vist i Figur 45.

Smør med nr. 2 litium- eller molybdensmørefett.
Koble fra kraftuttaket og aktiver parkeringsbremsen.
Før du forlater førerplassen må du stanse motoren, ta ut nøkkelen og vente til alle bevegelige deler står stille.
Tørk av smøreniplene med en fille.
Note: Pass på at du ikke skraper av lakken foran på anordningen(e).
Sett en fettsprøyte på anordningen.
Påfør smørefett i smøreniplene til det tyter ut av lagrene.
Tørk opp overflødig fett.
Important: Bruk kun smørefett for høy temperatur. Bruk ikke smørefett til generell bruk.
Åpne motorvernet. Se Åpne motorvernet og verneplateutvidelse.
Fjern venstre remdeksel. Se Fjerne venstre remdeksel.
Smør torsjonslederullen på klippeenheten med høytemperaturfett i smøreniplene vist i Figur 46.

Monter venstre remdeksel. Se Montere venstre remdeksel.
Lukk motorvernet. Se Lukke motorvernet og verneplateutvidelsen.
| Vedlikeholdsintervall | Vedlikeholdsprosedyre |
|---|---|
| Årlig |
|
Smørefett: litium- eller molybdensmørefett
Fjern støvkoppen og juster styrehjulene. Se Justere styrehjulslageret.
Note: Ikke sett på igjen støvhetten før du har smurt styrehjulene.
Fjern kontrollpluggen.
Skru en smørenippel (¼ tomme – 28 koniske gjenger) inn i hullet.
Pump fett inn i smørenippelen til det flyter ut rundt topplageret.
Fjern smørenippelen fra hullet.
Sett på plass sekskantpluggen og støvdekslet.
| Vedlikeholdsintervall | Vedlikeholdsprosedyre |
|---|---|
| Årlig |
|
Smørefett: litium- eller molybdensmørefett
Parker maskinen på en jevn overflate, koble fra kraftuttaket, og sett på parkeringsbremsen.
Før du forlater førerplassen må du slå av motoren, ta ut nøkkelen og vente til alle bevegelige deler står stille.
Fjern styrehjulet fra styrehjulsgaflene.
Fjern beskyttelsespakningene fra hjulnavet (Figur 47).

Fjern en avstandsmutter fra akselenheten i styrehjulet.
Note: Det er brukt gjengeforseglingslim for å låse avstandsmutrene til akselen. Fjern akselen (med den andre avstandsmutteren fortsatt montert på den) fra hjulenheten.
Lirk ut pakningene, og se etter slitasje eller skade på lagrene. Bytt ut ved behov.
Fyll lagrene med et universalsmøremiddel.
Sett ett lager og én ny pakning inn i hjulet.
Note: Du må skifte ut pakningene.
Hvis begge avstandsmutterne på akselenheten er fjernet (eller har løsnet), må du bruke gjengeforseglingslim på én avstandsmutter og gjenge den på akselen med anleggene for skrunøkkelen vendt utover.
Note: Ikke skru avstandsmutteren helt inn på enden av akselen. La det være igjen ca. 3 mm fra avstandsmutterens ytre overflate til enden av akselen inne i mutteren.
Sett den sammenmonterte bolten og akselen inn på hjulet på den siden av hjulet hvor den nye pakningen og lageret står.
Fyll området inne i hjulet rundt akselen fullt med universalsmørefett mens den åpne enden på hjulet vender opp.
Sett det andre lageret og den nye pakningen på hjulet.
Bruk gjengeforseglingslim på den andre avstandsmutteren og gjeng den inn på akselen med anleggene for skrunøkkelen vendt utover.
Trekk til mutteren med et moment på 8–9 N∙m, løsne mutteren og trekk den til igjen med et moment på 2–3 N∙m.
Note: Pass på at akselen ikke stikker ut lengre enn noen av mutrene.
Sett på igjen beskyttelsespakningene over hjulnavet og sett hjulet inn på styrehjulsgaffelen.
Sett på igjen styrehjulsbolten og stram til mutteren helt.
Important: Kontroller lagerjusteringen ofte ved å snurre på styrehjulet for å forhindre skade på pakning og lager. Hjulet skal ikke snurre fritt (mer enn en eller to omdreininger) eller vise tegn til sideslark. Hvis hjulet snurrer helt fritt, må du justere momentet på avstandsmutteren til det blir litt motstand, og påføre gjengeforseglingslim.
| Vedlikeholdsintervall | Vedlikeholdsprosedyre |
|---|---|
| Årlig |
|
Smør dødmannskontrollens kuleledd og bevegelseskontrollhylsen for begge spakene.
Note: Bruk en oljedrypper mellom spaken for å smøre hylsen i svingrøret.

Slå av motoren før du sjekker oljen eller tilsetter olje til veivhuset.
Hold hender, føtter, ansiktet, klær og andre kroppsdeler borte fra lyddemperen og andre varme overflater.
| Vedlikeholdsintervall | Vedlikeholdsprosedyre |
|---|---|
| Hver 250. driftstime |
|
| Hver 300. driftstime |
|
| Hver 500. driftstime |
|
Koble fra kraftuttaket, flytt bevegelseskontrollspakene til den NøYTRALE LåSESTILLINGEN og sett på parkeringsbremsen.
Før du forlater førerplassen må du slå av motoren, ta ut nøkkelen og vente til alle bevegelige deler står stille.
Åpne motorvernet. Se Åpne motorvernet og verneplateutvidelse.
Åpne låsene på luftrenserdekslet og trekk luftrenserdekslet av luftrenserkroppen (Figur 49).

Rengjør innsiden av luftrenserdekslet med trykkluft.
Skyv hovedfilteret forsiktig ut av luftrenserkroppen (Figur 49).
Note: Pass på at filteret ikke slår bort i luftrenserkroppen.
Ikke fjern det indre filteret med mindre du skal skifte det ut.
Kontroller sikkerhetsfilteret. Hvis det er skittent, bytt ut både sikkerhets- og hovedfiltrene.
Important: Ikke prøv å rengjøre sikkerhetsfilteret. Hvis sikkerhetsfilteret er skittent, er hovedfilteret skadet.
Kontroller hovedfilteret for skader ved å se inn i filteret mens du lyser med en lykt på utsiden av filteret. Hvis hovedluftfilteret er skittent, bøyd eller skadet, bytt det ut.
Note: Hull i filteret vises som lyse flekker. Ikke rengjør hovedfilteret.
Important: For å unngå at motoren skades må alltid begge luftfiltrene og dekselet sitte på plass under bruk.
Hvis du installerer nye filtre, må du kontrollere at de ikke har blitt skadet under frakten.
Note: Ikke bruk et ødelagt filter.
Hvis du bytter ut sikkerhetsfilteret, skyv det forsiktig inn i filterenheten (Figur 49).
Skyv hovedfilteret forsiktig inn over sikkerhetsfilteret (Figur 49).
Note: Forsikre at hovedfilteret er satt korrekt på plass, ved å skyve på ytterkanten mens det settes inn.
Important: Ikke trykk på det elastiske midtpunktet til filteret.
Monter luftrenserdekslet med ventilatorlokket ned og vri det slik at låsene låser dekslet på plass (Figur 49).
Lukk motorvernet. Se Lukke motorvernet og verneplateutvidelsen.
Oljetype: Renseolje (API-serviceklassifisering eller høyere)
Motoroljekapasitet: 2,1 l med filteret, 1,8 l uten filteret
Viskositet: Se tabellen nedenfor.

| Vedlikeholdsintervall | Vedlikeholdsprosedyre |
|---|---|
| For hver bruk eller daglig |
|
Note: Sjekk oljen når motoren er kald.
Kontakt med varme overflater kan føre til personskader.
Hold hender, føtter, ansiktet, klær og andre kroppsdeler borte fra lyddemperen og andre varme overflater.
Important: Veivhuset må ikke overfylles med olje, da dette kan skade motoren. Kjør ikke motoren med oljenivået under lavmerket, da dette kan føre til skade på motoren.
Parker maskinen på en jevn overflate, koble fra kraftuttaket, og sett på parkeringsbremsen.
Før du forlater førerplassen må du slå av motoren, ta ut nøkkelen og vente til alle bevegelige deler står stille.
Kontroller motoroljenivået, som vist i (Figur 51).


| Vedlikeholdsintervall | Vedlikeholdsprosedyre |
|---|---|
| Etter de 8 første timene |
|
| Hver 100. driftstime |
|
Note: Den gamle oljen må kasseres eller gjenvinnes i henhold til lokale forskrifter.
Parker maskinen slik at den siden hvor du tapper står litt lavere enn motsatt side, for å være sikker på at all bensinen tømmes ut.
Koble fra kraftuttaket, flytt bevegelseskontrollspakene til den NøYTRALE LåSESTILLINGEN og sett på parkeringsbremsen.
Før du forlater førerplassen må du slå av motoren, ta ut nøkkelen og vente til alle bevegelige deler står stille.
Skift motoroljen som vist i Figur 52.


Slå langsomt cirka 80 % av den spesifiserte oljen ned i påfyllingsrøret, og tilfør sakte resten av oljen til den når Full-merket (Figur 53).

Start motoren og kjør til et flatt område.
Kontroller oljenivået på nytt.
| Vedlikeholdsintervall | Vedlikeholdsprosedyre |
|---|---|
| Hver 200. driftstime |
|
Note: Bytt ut motoroljefilteret oftere når driftsforholdene er svært støvete eller sandete.
Tapp olje fra motoren. Se Skifte motorolje.
Skift motoroljefilteret (Figur 54).


Note: Pass på at oljefilterpakningen berører motoren, og drei deretter filteret en ekstra 3/4 omdreining.
Fyll på ny olje av riktig sort i veivhuset. Se Motoroljespesifikasjoner.
| Vedlikeholdsintervall | Vedlikeholdsprosedyre |
|---|---|
| Hver 100. driftstime |
|
Påse at elektrodeavstanden (avstanden mellom elektroden på midten og elektroden på siden) er korrekt før tennpluggen settes inn.
Tennpluggen(e) monteres/demonteres ved hjelp av en tennpluggnøkkel, og elektrodeavstanden justeres ved hjelp av et spesialverktøy/følerblad. Monter ny(e) tennplugg(er) dersom det er nødvendig.
Type: NGK® BPR4ES eller tilsvarende
Luftgap: 0,75 mm
Parker maskinen på en jevn overflate, koble fra kraftuttaket, og sett på parkeringsbremsen.
Før du forlater førerplassen må du slå av motoren, ta ut nøkkelen og vente til alle bevegelige deler står stille.
Fjern tennpluggen som vist i Figur 55.


Important: Ikke rens tennpluggen(e). Kontroller alltid tennpluggen når den har et svart belegg, slitte elektroder, et oljebelegg eller sprekker.
Hvis du ser en lysebrun eller grå farge på isolatoren, fungerer motoren som den skal. Et svart belegg på isolatoren betyr som regel at luftfilteret er skittent.
Still avstanden til 0,76 mm.


| Vedlikeholdsintervall | Vedlikeholdsprosedyre |
|---|---|
| Hver 50. driftstime |
|
Varme eksosanleggkomponenter kan antenne drivstoffdamp, selv etter at motoren er slått av. Varme partikler som kommer ut fra eksosanlegget mens motoren går, kan antenne brennbare materialer og forårsake personskader eller skader på eiendom.
Ikke fyll bensin eller kjør motoren uten at det er montert en gnistfanger.
Parker maskinen på en jevn overflate, koble fra kraftuttaket, og sett på parkeringsbremsen.
Før du forlater førerplassen må du slå av motoren, ta ut nøkkelen og vente til alle bevegelige deler står stille.
Vent til lyddemperen har blitt nedkjølt.
Hvis du ser sprekker i skjermen eller sveiseskjøtene, bytt ut gnistfangeren.
Hvis skjermen er tilstoppet, må du fjerne gnistfangeren, riste løs partikler fra gnistfangeren og rengjøre skjermen med en stålbørste (bløt opp skjermen med løsningsmiddel ved behov).
Sett gnistfangeren på eksosåpningen igjen.
Du kan tømme drivstofftanken ved å fjerne den og helle drivstoff ut av påfyllingshalsen. Se Fjerne drivstofftanken. Du kan også tømme drivstofftanken ved hjelp av en hevert og den følgende prosedyren.
Under visse forhold er drivstoff er meget brannfarlig og svært eksplosivt. Brann eller eksplosjon forårsaket av drivstoff kan påføre deg og andre brannskader samt ødelegge eiendom.
Tøm drivstoff ut av drivstofftanken når motoren er kald. Dette skal gjøres utendørs på et åpent sted. Tørk opp eventuelt drivstoffsøl.
Du må aldri røyke når du tømmer drivstoff, og du må holde deg unna åpen ild eller steder der en gnist kan antenne drivstoffdamp.
Koble fra kraftuttaket, flytt bevegelseskontrollspakene til den NøYTRALE LåSESTILLINGEN og sett på parkeringsbremsen.
Før du forlater førerplassen må du slå av motoren, ta ut nøkkelen og vente til alle bevegelige deler står stille.
Rengjør rundt drivstofflokket for å hindre at det kommer rusk inn i drivstofftanken (Figur 58).
Ta av drivstofflokket.
Sett en hevertpumpe inn i drivstofftanken.
Bruk hevertpumpen til å tømme drivstoffet ut i en bensinkanne.
Tørk opp eventuelt drivstoffsøl.

Senk plattformen.
Frigjør puten. Se Frigjøre puten for tilgang bak.
Fjern kryssbraketten.

Fjern drivstofftanken og sett den på førerplattformen.
Note: Hvis du vil flytte tanken enda lengre bort fra maskinen, fjern drivstoff- og ventilasjonsslangene fra toppen av tanken.
| Vedlikeholdsintervall | Vedlikeholdsprosedyre |
|---|---|
| Hver 800. driftstime |
|
Et skittent filter som er tatt av drivstoffslangen, må aldri monteres på nytt.
Note: Tørk opp eventuelt drivstoffsøl.
Parker maskinen på en jevn overflate, koble fra kraftuttaket, og sett på parkeringsbremsen.
Før du forlater førerplassen må du slå av motoren, ta ut nøkkelen og vente til alle bevegelige deler står stille.
Steng drivstoffavstengingsventilen. Se Bruke drivstoffavstengingsventilen.
Skift ut drivstoffilteret som vist i Figur 60.

Koble fra batteriet, eller ta ledningen av tennpluggen, før du foretar reparasjoner. Koble kabelen fra den negative polen først, og koble deretter den andre kabelen fra den positive polen. Koble til den positive polen først og den negative polen sist.
Lad opp batteriet på et åpent sted med god ventilasjon og borte fra gnister eller åpen ild. Koble laderen fra strømuttaket før du kobler den til eller fra batteriet. Ha på deg beskyttelsesklær og bruk verktøy som er isolert.
| Vedlikeholdsintervall | Vedlikeholdsprosedyre |
|---|---|
| Hver 100. driftstime |
|
Batteriet må alltid holdes rent og fulladet. Bruk papirhåndklær til å rengjøre batterikassen. Hvis batteriklemmene er korroderte, må de rengjøres med en oppløsning av fire deler vann og én del natron. Smør litt fett på batteriklemmene for å beskytte dem mot korrosjon.
Spenning: 12 V
Parker maskinen på en jevn overflate, koble fra kraftuttaket, og sett på parkeringsbremsen.
Før du forlater førerplassen må du slå av motoren, ta ut nøkkelen og vente til alle bevegelige deler står stille.
Fjern batteriet, som vist i Figur 61.

Når batteriet lades, utvikles det gasser som kan eksplodere.
Røyk aldri i nærheten av batteriet, og hold gnister og åpen ild borte fra batteriet.
Important: Hold alltid batteriet fulladet (1,265 egenvekt) for å forhindre batteriskade når temperaturen er under 0 °C.
Fjern batteriet fra chassiset, se Fjerne batteriet.
Kontroller elektrolyttnivået i batteriet.
Påse at påfyllingslokkene er montert på batteriet.
Lad opp batteriet i 1 time på 25 til 30 A, eller i 6 timer på 4 til 6 A.
Når batteriet er helt oppladet, kobler du laderen fra strømuttaket, og deretter laderledningene fra batteripolene (Figur 62).
Monter batteriet i maskinen og koble til batterikabelen. Se Installere batteriet.
Note: Kjør ikke maskinen med batteriet frakoblet, da dette kan føre til elektrisk skade.

Monter fjæren, som vist i Figur 63.

Det elektriske systemet er beskyttet av sikringer. Det krever ikke vedlikehold. Hvis en sikring ryker, kontroller om det er funksjonsfeil eller kortslutning i en komponent eller krets.
Parker maskinen på en jevn overflate, koble fra kraftuttaket, og sett på parkeringsbremsen.
Før du forlater førerplassen må du slå av motoren, ta ut nøkkelen og vente til alle bevegelige deler står stille.
Fjern operatørputen fra baksiden av maskinen.
Trekk ut sikringen og skift den ut (Figur 64).
Monter operatørputen.

Hvis du skyver begge bevegelseskontrollspakene like langt fremover og maskinen trekker til én side, juster sporingen på følgende måte.
Parker maskinen på en jevn overflate, koble fra kraftuttaket, og sett på parkeringsbremsen.
Før du forlater førerplassen må du slå av motoren, ta ut nøkkelen og vente til alle bevegelige deler står stille.
Fjern puten fra baksiden av maskinen. Se Frigjøre puten for tilgang bak.
Note: For enklere tilgang kan du også fjerne drivstofftanken. Se Fjerne drivstofftanken.
Drei venstre kontrollstag et kvart trinn om gangen til maskinen sporer rett (Figur 65).
Note: Hvis maskinen trekker til høyre, gjør kontrollstaget kortere ved å rotere det mot høyre. Hvis maskinen trekker til venstre, forleng staget ved å dreie det mot venstre.
Note: Juster kun venstre kontrollstag, slik at hastigheten på venstre hjul tilsvarer hastigheten på høyre hjul. Ikke juster hastigheten for høyre hjul, da dette vil posisjonere høyre bevegelseskontrollspak utenfor midten av nøytral, låst stilling på kontrollpanelet.
Important: Ikke drei kontrollstaget for langt, da dette kan få maskinen til å bevege seg i fri.

Kontroller at den sporer skikkelig, og juster staget som nødvendig.
Note: Hvis du ikke klarer å oppnå riktig sporing ved å justere det venstre kontrollstaget, kontakt en autorisert serviceforhandler.
Kontroller at maskinen ikke beveger seg fra nøytral stilling når parkeringsbremsene er deaktivert.
Monter drivstofftanken hvis du fjernet denne.
Monter puten.
| Vedlikeholdsintervall | Vedlikeholdsprosedyre |
|---|---|
| Hver 50. driftstime |
|
Oppretthold et lufttrykk på 0,83 til 0,97 bar i bakhjulene.
Important: Forskjellig trykk i hjulene kan føre til ujevn klipping.
Note: Forhjulene har delvis luftfylte dekk som ikke trenger justering av lufttrykk.

| Vedlikeholdsintervall | Vedlikeholdsprosedyre |
|---|---|
| Hver 500. driftstime |
|
Koble fra knivkontrollbryteren (kraftuttaket), flytt bevegelseskontrollspakene til NøYTRAL, LåST stilling, og aktiver parkeringsbremsen.
Før du forlater førerplassen må du stanse motoren, ta ut nøkkelen og vente til alle bevegelige deler står stille.
Fjern støvhetten fra styringen og trekk til låsemutteren (Figur 67).
Trekk til låsemutteren inntil fjærskivene er flate og gå deretter tilbake 1/4 omdreining for å stille forbelastningen på lagrene korrekt (Figur 67).
Important: Påse at fjærskivene er montert korrekt slik det vises i Figur 67.
Sett på støvhetten (Figur 67).

Styrehjulene roterer på et valselager som støttes av en skruhylse. Hvis lageret smøres godt, vil slitasjen være minimal. Hvis du ikke holder lageret smurt, slites lageret hurtig. Et vinglete styrehjul er vanligvis et tegn på et slitt lager.
Fjern låsemutteren og hjulbolten som holder styrehjulet festet til styrehjulsgaffelen (Figur 68).

Fjern én hylse, og dra deretter skruhylsen og valselageret ut av hjulnavet (Figur 68).
Fjern den andre hylsen fra hjulnavet og rengjør ev. fett og smuss fra hjulnavet (Figur 68).
Kontroller valselageret, hylsene, skruhylsen og hjulnavets innside for slitasje.
Note: Erstatt ev. defekte eller slitte deler (Figur 68).
Plasser én hylse i hjulnavet (Figur 68).
Smør valselageret og skruhylsen og skyv dem inn i hjulnavet (Figur 68).
Plasser den andre hylsen i hjulnavet (Figur 68).
Monter styrehjulet i styrehjulsgaffelen og sikre med hjulbolten og låsemutteren (Figur 68).
Stram låsemutteren til skruhylsen sitter mot innsiden av styrehjulsgaflene (Figur 68).
Smør niplen på styrehjulet.
| Vedlikeholdsintervall | Vedlikeholdsprosedyre |
|---|---|
| Hver 100. driftstime |
|
Når clutchbremsen er så slitt at clutchen ikke lenger har jevn kontakt, kan du fjerne mellomlegget for å forlenge clutchens levetid (Figur 69).

Parker maskinen på en jevn overflate, koble fra kraftuttaket, og sett på parkeringsbremsen.
Før du forlater førerplassen må du slå av motoren, ta ut nøkkelen og vente til alle bevegelige deler står stille.
Bruk en luftkompressor, blås ut ev. rusk fra under bremsestangen og rundt bremseavstandsstykkene.

Kontroller tilstanden til ledningene, konnektorene og terminalene til ledningsfastspenneren. Rengjør eller reparer dem etter behov.
Kontroller at det finnes 12 V ved clutchkonnektoren når du aktiverer kraftuttaksbryteren.
Mål avstanden mellom rotoren og armaturen. Hvis avstanden er større enn 1 mm, fortsett med de følgende trinnene:
Løsne begge bremsemonteringsboltene en halv til én full omdreining som vist i Figur 71.
Note: Ikke fjern bremsestangen fra feltkledningen/armaturen. Bremsestangen har blitt slitt for å passe til armaturen og må fortsatt passe etter at du har fjernet mellomlegget for å sikre korrekt bremsemoment.

Bruk nebbtang, eller hendene, til å fjerne mellomlegget.
Note: Ikke kast mellomlegget før du har bekreftet at clutchen fungerer som den skal.

Bruk en luftledning til å blåse ut ev. rusk under bremsestangen og rundt bremseavstandsstykkene.
Trekk hver bolt (M6 x 1) til mellom 12,3 og 13,7 Nm.
Bruk et 0,25 mm tykt følerblad til å bekrefte at det er et mellomrom mellom rotoren og armaturoverflaten på begge sider av bremsestangen, som vist i Figur 73 og Figur 74.
Note: Som en følge av måten rotoren og armaturoverflaten slites (forhøyninger og fordypninger) kan det være vanskelig å måle korrekt avstand.


Hvis avstanden er mindre enn 0,25 mm, skal du montere mellomlegget igjen og se i .
Hvis det er stort nok mellomrom, fortsett til sikkerhetssjekken i trinn 6.
Utfør følgende sikkerhetssjekk:
Start motoren fra førerstillingen.
Påse at knivene ikke aktiveres når kraftuttaksbryteren er i AV og clutchen er utkoblet.
Note: Hvis clutchen ikke kobles ut, monter mellomlegget og se .
Aktiver og deaktiver kraftuttaksbryteren ti etterfølgende ganger for å kontrollere at clutchen fungerer som den skal.
Note: Hvis clutchen ikke kobler inn som den skal, se .
| Vedlikeholdsintervall | Vedlikeholdsprosedyre |
|---|---|
| Etter de 100 første timene |
|
Kontroller og stram til hjulmutterne med et moment på 115–142 Nm.
| Vedlikeholdsintervall | Vedlikeholdsprosedyre |
|---|---|
| For hver bruk eller daglig |
|
Før bruk fjerner du eventuell oppsamling av gress, skitt eller annet rusk fra sylinderen og sylinderhodets kjøleribber, luftinntaksskjermen i svinghjulsenden og forgasserregulatorens spaker og koblinger. Dette vil bidra til tilstrekkelig kjøling av motoren og riktig motorhastighet, og vil redusere muligheten for overoppheting eller mekanisk skade på motoren.
| Vedlikeholdsintervall | Vedlikeholdsprosedyre |
|---|---|
| For hver bruk eller daglig |
|
| Hver 100. driftstime |
|
Parker maskinen på en jevn overflate, koble fra kraftuttaket, og sett på parkeringsbremsen.
Før du forlater førerplassen må du slå av motoren, ta ut nøkkelen og vente til alle bevegelige deler står stille.
Fjern luftinntaksskjermen og viftehuset (Figur 75).
Fjern rusk og gress fra motordelene.
Monter luftinntaksskjermen og viftehuset (Figur 75).

| Vedlikeholdsintervall | Vedlikeholdsprosedyre |
|---|---|
| For hver bruk eller daglig |
|
Kontroller bremsene på både en jevn flate og i en skråning før bruk.
Parkeringsbremsen må alltid settes på når du stopper eller forlater maskinen. Hvis parkeringsbremsen ikke holder maskinen sikkert på plass, må den justeres.
Koble fra kraftuttaket, og sett på parkeringsbremsen
Før du forlater førerplassen må du slå av motoren, ta ut nøkkelen og vente til alle bevegelige deler står stille.
Koble fra parkeringsbremsen.
Aktiver bremsespaken og sikre at maskinen ikke beveger seg.
Juster bremsen hvis nødvendig.
Fjern drivstofftanken. Se Fjerne drivstofftanken.
Løsne bolten på kabelklemmen på venstre side av maskinen.

Trekk ned i kablene til de er stramme.
Trekk til mutteren.
Monter drivstofftanken, kryssbraketten og pute.
| Vedlikeholdsintervall | Vedlikeholdsprosedyre |
|---|---|
| Hver 100. driftstime |
|
Kontroller at remmen ikke har sprekker, frynsete kanter, brennmerker, slitasje, tegn på overoppheting eller andre skader.
Tegn på at gressklipperremmen er slitt er hvining når remmen roterer, knivene glipper når du klipper gresset, frynsete kanter, brennmerker og sprekker. Skift remmen hvis du oppdager noen av disse tegnene.
Parker maskinen på en jevn overflate, koble fra kraftuttaket, og sett på parkeringsbremsen.
Før du forlater førerplassen må du slå av motoren, ta ut nøkkelen og vente til alle bevegelige deler står stille.
Åpne motorvernet og verneplateforlengelsen. Se Åpne motorvernet og verneplateutvidelse.
Fjern venstre remdeksel. Se Fjerne venstre remdeksel.
Fjern høyre remdeksel. Se Fjerne høyre remdeksel.
Dra lederullen og lederulldekslet mot motoren, og la remmen skli av rullene (Figur 77).

Fjern remmen fra maskinen.
Monter remmen i klippeenheten (Figur 78).

Skift remmen som vist i Figur 79.

Monter høyre remdeksel. Se Montere høyre remdeksel.
Monter venstre remdeksel. Se Montere venstre remdeksel.
Lukk motorvernet og verneplateforlengelsen. Se Lukke motorvernet og verneplateutvidelsen.
| Vedlikeholdsintervall | Vedlikeholdsprosedyre |
|---|---|
| Hver 1000. driftstime |
|
Fjern drivstofftanken. Se Fjerne drivstofftanken.
Ta av hydraulikktanklokket.
Finn tappepluggene i bunnen av girkassen og plasser et tappefat under pluggen (Figur 80).

La hydraulikkvæsken tømmes fra maskinen.
Fjern den nedre hydraulikkslangen (Figur 81).

Fjern spennfjæren (Figur 81).
Fjæren er under spenning når den monteres og den kan forårsake personskade.
Bruk vernebriller og vær forsiktig når du fjerner fjæren.
Fjern drivremmen fra clutchen og clutchsperren (Figur 81).
Monter det nye remmen.
Monter spennfjæren og den nedre hydraulikkslangen.
Sett på plass tappepluggene, og stram til med et moment på 22–27 Nm.
Fyll på hydraulikkvæske til full-nivå.
Sett på hydraulikktanklokket.
Kjør maskinen i 10 minutter og kontroller at hydraulikkvæsken er ved korrekt nivå.
Hvis bevegelseskontrollspakene ikke står i vannrett linje, juster bevegelseskontrollspakene.
Parker maskinen på en jevn overflate, koble fra kraftuttaket, og sett på parkeringsbremsen.
Før du forlater førerplassen må du slå av motoren, ta ut nøkkelen og vente til alle bevegelige deler står stille.
Skyv bevegelseskontrollspakene ned ut av NøYTRAL, LåST stilling (Figur 82).
Kontroller om den høyre bevegelseskontrollspaken står på vannrett linje med den venstre bevegelseskontrollspaken (Figur 82).

Note: For å justere høyre bevegelseskontrollspak vannrett, juster kammen.
Fjern puten fra baksiden av maskinen.
Løsne mutteren som holder kammen (Figur 83).

Juster kammen til den står på linje med venstre bevegelseskontrollspak, og stram mutteren på kammen.
Note: Når du flytter kammen med urviseren (i den vertikale stillingen), senkes håndtaket, og hvis du flytter kammen mot urviseren (i den vertikale stillingen), heves håndtaket.
Important: Påse at den flate delen av kammen ikke går over en vertikal stilling (høyre eller venstre), ellers kan du påføre skade på bryteren.
Gjenta trinn 3 til og med 7 for venstre bevegelseskontrollspak.
Oppsøk legehjelp øyeblikkelig hvis olje kommer i direkte kontakt med huden. Innsprøytet væske må fjernes kirurgisk innen få timer av en lege.
Kontroller at alle hydraulikkslanger og ledninger er i god stand, og at alle hydrauliske koblinger og beslag er tette, før det hydrauliske systemet settes under trykk.
Hold kropp og hender borte fra hull eller dyser som sprøyter ut hydraulisk olje under høyt trykk.
Bruk kartong eller papir til å finne lekkasjer.
Før du utfører vedlikehold eller reparasjoner på det hydrauliske systemet, må du forsiktig slippe ut alt trykket.
Hydraulikkvæsketype: Toro® HYPR-OIL™ 500-hydraulikkvæske
Væskekapasitet for hydraulikksystem: 4.7 l
Important: Bruk den angitte væsken. Andre væsker kan skade systemet.
| Vedlikeholdsintervall | Vedlikeholdsprosedyre |
|---|---|
| Etter de 8 første timene |
|
| Hver 500. driftstime |
|
Note: Kontroller nivået på hydraulikkvæsken når væsken er kald.
Parker maskinen på en jevn overflate, koble fra kraftuttaket, og sett på parkeringsbremsen.
Før du forlater førerplassen må du slå av motoren, ta ut nøkkelen og vente til alle bevegelige deler står stille.
Rengjør rundt lokket og påfyllingshalsen på tanken for hydraulisk olje (Figur 84).

Ta lokket av påfyllingshalsen (Figur 84).
Note: Se på innsiden for å kontrollere oljenivået i beholderen.
Hell væske i beholderen til den når minimumsnivået.
Monter lokket på påfyllingshalsen.
| Vedlikeholdsintervall | Vedlikeholdsprosedyre |
|---|---|
| Etter de 50 første timene |
|
| Hver 500. driftstime |
|
Skift ut hydraulikkvæske oftere under vanskeligere forhold eller i et varmt klima. Kontakt den autoriserte serviceforhandleren for å få et hydraulikksett for å skifte ut hydraulikkfiltrene.
Varm hydraulisk væske kan føre til alvorlige brannskader.
La den hydrauliske væsken avkjøle seg før du utfører eventuelt vedlikehold på det hydrauliske systemet.
Parker maskinen på en jevn overflate, koble fra kraftuttaket, og sett på parkeringsbremsen.
Før du forlater førerplassen må du slå av motoren, ta ut nøkkelen og vente til alle bevegelige deler står stille.
Fjern drivstofftanken. Se Fjerne drivstofftanken.
Ta av hydraulikktanklokket.
Finn tappepluggen i bunnen av hvert drivverk og plasser et tappefat under pluggene (Figur 85).

Fjern tappepluggene.
La hydraulikkvæsken tømmes helt fra maskinen.
Fjern hydraulikkfilterlokket og filteret fra hvert gir.
Monter nye hydrauliske filtre med fjærsiden vendt utover, og monter filterhettene.
Sett på plass tappepluggene, og stram til med et moment på 22–27 Nm.
Løsne utluftingspluggen på hvert gir slik at den sitter løst på (Figur 86).
Note: Dette gjør at luften kan slippe ut hydraulikksystemet når du fyller på hydraulikkvæske.

Tilsett væske langsomt til hydraulikktanken til den begynner å komme ut av en av utluftingspluggene.
Important: Bruk væssken som er spesifisert i Spesifikasjoner for hydraulikksystem eller tilsvarende. Andre væsker kan skade systemet.
Important: Overvåk væskenivået i hydraulikktanken, slik at du ikke overfyller den.
Stram til utluftingspluggene.
Monter hydraulikktanklokket.
Monter drivstofftanken.
Start motoren, og la den gå i omtrent to minutter for å blåse luft ut fra systemet.
Stopp motoren og kontroller om det finnes lekkasjer.
Note: Se Tømme det hydrauliske systemet hvis én eller begge hjulene ikke kjører.
Trekksystemet tappes automatisk. Det kan imidlertid være nødvendig å tappe systemet hvis væsken skiftes eller etter at det har blitt utført arbeid på systemet.
Parker maskinen på en jevn overflate, koble fra kraftuttaket, og sett på parkeringsbremsen.
Før du forlater førerplassen må du slå av motoren, ta ut nøkkelen og vente til alle bevegelige deler står stille.
Hev baksiden av maskinen på jekkstøtter som er høye nok til å heve drivhjulene fra bakken.
Start motoren og flytt gasskontrollen til tomgangsposisjon.
Note: Hvis drivhjulet ikke går rundt, hjelp med utblåsingen av systemet ved å forsiktig rotere hjulet fremover.
Kontroller det hydrauliske væskenivået når det går ned og fyll på olje som nødvendig for å opprettholde korrekt nivå.
Gjenta prosedyren på motsatt hjul.
Sørg for å få best mulig klipperesultat ved å holde knivene skarpe. For å kunne bytte ut knivblader når de ikke lenger er skarpe nok, bør du ha ekstra knivblader tilgjengelig.
En slitt eller skadet kniv kan brekke, og en del av kniven kan slynges ut mot deg eller andre og føre til alvorlige personskader eller en dødsulykke.
Inspiser knivene regelmessig for slitasje eller skade.
Vær forsiktig når du kontrollerer knivene. Legg noe rundt knivene eller bruk hansker, og vær svært forsiktig når du håndterer knivene. Bare skift ut eller slip knivene. Du må aldri rette eller sveise dem.
Undersøk alltid maskinen for å sikre at knivene og knivboltene er fri for slitasje og skade. Skadde eller slitte knivblader og bolter må skiftes ut i sett for å opprettholde balansen.
Vær forsiktig hvis maskinen har flere knivblader, da resten av knivene kan begynne å rotere når det ene knivbladet roteres.
Parker maskinen på en jevn overflate, koble fra kraftuttaket, og sett på parkeringsbremsen.
Slå av motoren, ta ut nøkkelen, og koble tennpluggkablene fra tennpluggene.
| Vedlikeholdsintervall | Vedlikeholdsprosedyre |
|---|---|
| For hver bruk eller daglig |
|
Undersøk kniveggene (Figur 87).
Hvis kniven er sløv eller hvis det er hakk i den, må den tas av og slipes. Se Slipe knivbladene.
Undersøk knivbladene, spesielt buen.
Hvis du finner sprekker, slitasje eller ser at det begynner å dannes spor i denne delen av kniven, må den skiftes ut øyeblikkelig (Figur 87).

Roter knivene til endene vender fremover og bakover.
Mål fra en jevn overflate til kniveggen, posisjon A, på kniven (Figur 88).

Roter den motsatte enden av kniven fremover.
Mål fra en jevn overflate til kniveggen i samme posisjon som i trinn 2 ovenfor.
Note: Forskjellen mellom avstanden i trinn 2 og 3 må ikke være over 3 mm.
Note: Hvis dette målet overskrider 3 mm, erstatter du kniven.
En kniv som er bøyd eller ødelagt kan brekke og forårsake alvorlig skade på deg eller andre i nærheten.
Bytt alltid ut bøyde eller ødelagte kniver.
Du må ikke file eller lage skarpe hakk i kanten eller overflaten på kniven.
Bytt ut kniven hvis den treffer en hard gjenstand, er ute av balanse eller er bøyd. For best mulig ytelse og for å holde maskinen i sikkerhetsgodkjent stand bruker du bare ekte Toro-reservekniver. Hvis du bruker reservedeler fra andre produsenter, kan det være i uoverensstemmelse med sikkerhetsstandardene.
Hold knivenden med en fille eller en tykk hanske.
Fjern knivbolten, bueskiven og kniven fra spindelakselen (Figur 89).

Bruk en fil til å slipe eggen i begge ender av kniven (Figur 90).
Note: Oppretthold den opprinnelige vinkelen.
Note: Kniven opprettholder balansen hvis like mye materiale fjernes fra begge kniveggene.

Sjekk knivens balanse ved å legge den på en balanseringsinnretning (Figur 91).
Note: Hvis kniven holder seg i horisontal stilling, har den riktig balanse og kan brukes.
Note: Hvis kniven ikke er i balanse, filer du bort litt av metallet på enden av vingeområdet (Figur 90).

Fortsett med dette helt til kniven er balansert.
| Vedlikeholdsintervall | Vedlikeholdsprosedyre |
|---|---|
| Årlig |
|
Inspiser knivbolten for skadde gjenger. Skift ut bolten og bueskiven om nødvendig.
Monter kniven på spindelakselen (Figur 92).
Important: Buen på kniven må vende oppover mot innsiden av klippeenheten, for å sikre riktig klipping.
Monter bueskiven og knivbolten (Figur 92).
Note: Bueskivekonusen må installeres mot bolthodet (Figur 92).
Trekk til knivbolten til 115–150 Nm.

Sjekk at klippeenheten er i vater hver gang du monterer klippeenheten eller du ser at plenen blir klippet ujevnt.
Rett opp klippeenheten på tvers før du justerer hellingsvinkel på langs.
Parker maskinen på en jevn overflate, koble fra kraftuttaket, og sett på parkeringsbremsen.
Slå av motoren, ta ut nøkkelen, og koble tennpluggkablene fra tennpluggene.
Kontroller dekktrykket på begge drivdekkene. Se Kontrollere trykket i dekkene.
Klippeenheten må sjekkes for bøyde kniver. Eventuelle bøyde kniver må fjernes og skiftes ut. SeSjekke om en kniv er bøyd.
Senk klippeenheten til en klippehøyde på 76 mm.
Juster trykket i bakhjulene.
Påse at knivene ikke er bøyd. Se Sjekke om en kniv er bøyd.
Plasser knivene sidelengs.
Mål ved punktene B og C på en jevn flate til knivtuppenes knivegg (Figur 93).

Forskjellen mellom målingene B og C skal ikke være på mer enn 6 mm.
Note: Se Rette opp gressklipperenheten på tvers hvis den ikke er korrekt.
Løsne sidemutteren og låsemutteren på stengene du vil justere (Figur 94).

Drei den øverste bolten på stengene for å justere klippeenhetens høyde (Figur 94).
Note: Drei bolten med klokken for å heve klippeenheten, og roter bolten mot klokken for å senke den.
Stram låsemutterne og sideboltene.
Kontroller høyden på sidene. Se Kontrollere høyden på sidene.
Juster lufttrykket i bakdekkene i henhold til de korrekte spesifikasjonene.
Plasser én kniv på langs. Mål ved punktene A og B på en jevn flate til knivtuppenes knivegg (Figur 95).
Note: Gressklipperkniven skal være 6 mm lavere foran ved A enn bak ved B.
Roter knivene og gjenta for de andre knivene.

Hvis stigningen på langs er ikke riktig, se Rette opp klippeenheten på langs.
Løsne låsemutteren og sidebolten i stengene du vil justere (Figur 96).

Drei den øverste bolten på stengene for å justere klippeenhetens høyde (Figur 96).
Note: Drei bolten med klokken for å heve klippeenheten, og roter bolten mot klokken for å senke den.
Stram låsemutterne og sideboltene.
Kontroller stigning på langs. Se Kontrollere gressklipperstigningen på langs.
Kontroller trykket i bakdekkene.
Sett klippehøyden til posisjonen 76 mm. Se Justere klippehøyden.
Når maskinen står på en jevn flate, plasserer du en kniv på langs.
Mål ved A og på en jevn flate til knivtuppenes knivegg (Figur 97).
Note: Riktig avstand er 76 mm.

Hvis avstanden ikke stemmer, finn de to fremre stengene på maskinen (Figur 96).
Løsne sidebolten og låsemutteren på stengene.
Juster den øverste bolten på stengene til knivtuppene tilsvarer 76 mm.
Stram låsemutterne og sideboltene.
Note: Når du justerer kompresjonsfjæren, vil det endre hvor mye av klippeenheten som vil flyte og hvor tungt det er å løfte klippeenheten når du bruker klippehøydespaken.
Mer fjærkompresjon gjør at du trenger mindre løftekraft på spaken og vil gjøre at klippeenheten flyter mer.
Mindre fjærkompresjon gjør at du trenger mer løftekraft på spaken og vil gjøre at klippeenheten flyter mindre.
Hev klippehøydespaken og lås i transportposisjon.
Kontroller lengden mellom fjærmutteren og den bakre siden av den sveiset monteringsbraketten (Figur 98).
Påse at lengden er mellom 47 og 50 mm (Figur 98).
Hvis nødvendig, juster avstanden ved å justere bolten foran på monteringsbraketten (Figur 98).

Gjenta prosedyren på motsatt kompresjonsfjær.
| Vedlikeholdsintervall | Vedlikeholdsprosedyre |
|---|---|
| For hver bruk eller daglig |
|
Fjern oppsamling av gress under enhetens underside hver dag.
Koble fra kraftuttaket, flytt bevegelseskontrollspakene til den NøYTRALE LåSESTILLINGEN og sett parkeringsbremsen på.
Før du forlater førerplassen må du stanse motoren, ta ut nøkkelen og vente til alle bevegelige deler står stille.
Hev fremsiden av maskinen og bruk jekkstøtter til å støtte gressklipperen.
Motorolje, batterier, hydraulikkvæske og motorkjølemiddel er forurensende for miljøet. Avhend disse i henhold til nasjonale eller lokale regelverk.
La motoren bli kald før lagring av maskinen.
Ikke oppbevar maskinen eller drivstoff i nærheten av flammer eller tapp av drivstoff innendørs.
| Vedlikeholdsintervall | Vedlikeholdsprosedyre |
|---|---|
| Før lagring |
|
Koble fra kraftuttaket, aktiver parkeringsbremsen, slå av motoren, og ta ut nøkkelen.
Rengjør hele maskinen utvendig, spesielt motoren, og fjern gressrester, smuss osv.
Important: Du kan vaske maskinen med skånsomt vaskemiddel og vann. Maskinen må ikke trykkvaskes. Unngå overdreven bruk av vann, spesielt nær drivverket og motoren. Trykkvasking kan tvinge smuss og vann inn i viktige deler, slik som spindellagre og elektriske brytere.
Fjern utvendige gressrester og smuss på motorens sylindertoppribber og viftehus.
Sjekk bremsen. Se Kontrollere parkeringsbremsen.
Vedlikehold luftrenseren, se Overhale luftrenseren.
Smøre maskinen. Se Smøre maskinen.
Bytte motorolje, se Skifte motorolje.
Kontroller trykket i dekkene. Se Kontrollere trykket i dekkene.
Utfør følgende trinn ved langvarig oppbevaring:
Tilsett drivstoffstabiliserings- /kondisjoneringsmiddel i drivstoffet på tanken som anvist av produsenten for drivstoffstabiliseringsmiddelet.
Kjør motoren i fem minutter for å fordele det behandlede drivstoffet i drivstoffsystemet.
Du må enten slå av motoren, la den bli kald og tømme drivstofftanken, eller kjøre motoren til den stopper. Se Tømme drivstofftanken.
Start motoren igjen og kjør den til den stopper. Gjenta med choke aktivert (hvis aktuelt) til motoren ikke starter.
Kasser drivstoff korrekt. Resirkuler det i henhold til lokale forskrifter.
Important: Ikke oppbevar drivstoff som inneholder stabiliserings- /kondisjoneringsmiddel, lenger enn anbefalt av produsenten av middelet.
Ta ut tennpluggen(e) og sjekk tilstanden. Se Fjerne tennpluggen.
Når tennpluggen(e) er fjernet fra motoren, hell 15 ml (to spiseskjeer) med motorolje inn i hvert tennplugghull, og ved hjelp av starteren la motoren ta noen tørninger for å fordele oljen inne i sylinderen.
Sett tennpluggen tilbake på plass, men koble ikke kabelen til tennpluggen(e).
Kontroller og stram alle fester. Reparer eller bytt ut alle skadde eller manglende deler.
Mal over riper eller bare metalloverflater med lakk som fås kjøpt hos autoriserte forhandlerverksteder.
Maskinen må oppbevares rent og tørt i en garasje eller på et lager. Ta nøkkelen ut av tenningen og legg den på et sted der du vil finne den igjen. Legg en presenning over maskinen for å beskytte den og holde den ren.
| Problem | Possible Cause | Corrective Action |
|---|---|---|
| Motoren vil ikke starte, er vanskelig å starte eller går ikke. |
|
|
| Motoren mister kraft. |
|
|
| Motoren overopphetes. |
|
|
| Maskinen kjører ikke. |
|
|
| Det er unormal vibrasjon. |
|
|
| Klippehøyden er ujevn. |
|
|
| Knivene roterer ikke. |
|
|
| Clutchen kobles ikke inn. |
|
|
