Note: Fastslå hva som er venstre og høyre side på maskinen ut fra normal arbeidsstilling.
Note: Maskiner av årsmodell 2019 og nyere har eksisterende hull i radiatorstøtten.
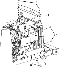
Kontroller at maskinen har eksisterende hull i radiatorstøtten (Figur 1).
Hvis maskinen ikke har eksisterende hull, må du bestille en radiatorstøtte, delenr. 139–0952–03, fra din autoriserte Toro-distributør.

Utfør følgende prosedyre for å klargjøre maskinen for montering av dette settet.
Parker maskinen på en jevn overflate, koble fra kraftuttaket, og sett på parkeringsbremsen.
Vri nøkkelbryteren til AV-stillingen, ta ut nøkkelen, og vent til all bevegelse har stoppet, før du forlater førersetet.
Reparer alle bøyde eller skadde områder på klippeenheten, og erstatt eventuelle deler som mangler.
Fjern eventuell rusk fra maskinen for å forenkle monteringen.
Hvis du utsettes for damp fra drivstoff over lengre tid, kan dette føre til alvorlig skade og sykdom.
Unngå innånding av damp fra drivstoff over lengre tid.
Hold ansiktet unna dyse og drivstofftank og åpningen til kondisjonsmiddelet.
Hold drivstoffet unna øyne og hud.
Under visse forhold er drivstoff er meget brannfarlig og svært eksplosivt. Brann eller eksplosjon forårsaket av drivstoff kan påføre deg og andre brannskader samt ødelegge eiendom.
Tørk opp eventuelt drivstoffsøl.
Fyll aldri på drivstofftanken i et innelukket rom.
Røyk aldri når du håndterer drivstoff, og hold deg borte fra åpen ild eller steder der drivstoffgass kan antennes av gnister.
Fjern den eksisterende drivstoffslangen som vist i Figur 2.

Note: Følgende trinn er kun for maskiner som ikke har eksisterende hull i radiatorstøtten. Se Figur 1 for å finne de eksisterende hullene.
Fjern radiatorbraketten på toppen av radiatoren (Figur 3).

Fjern de to boltene på hver side av radiatoren (Figur 3).
Fjern de tre boltene nederst på hver side av radiatoren (Figur 3).
Løft radiatoren opp nok til å skyve ut den eksisterende radiatorstøtten (uten eksisterende hull). Se Figur 1 for å finne eksisterende hull.
Skyv radiatorstøtten ut mot baksiden av maskinen.
Løft opp radiatoren, skyv den nye radiatorstøtten under radiatoren, og monter den med boltene som ble fjernet i Figur 3.
Deler som er nødvendige for dette trinnet:
| Drivstoffkjøler | 1 |
| Slangeklemme | 2 |
| Bolt (1/4 x 5/8 tomme) | |
| Drivstoffkjølebrakett | 1 |
| Slange (lang) | 1 |
| Slange (kort) | 1 |
| Skum (kort) | 2 |
| Skum (lang) | 2 |
| Slangeklemme med skyvefeste | 2 |
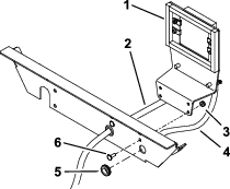
Monter en slangeklemme med skyvefeste på enden av hver slange (Figur 4).
Monter en slangeklemme på enden av hver slange (Figur 4).
Koble slangeendene til drivstoffkjøleren, og monter dem med slangeklemmene.
Monter drivstoffkjøleren til drivstoffkjølebraketten med fire bolter (¼ x ⅝ tomme) som vist i Figur 4.
Fjern baksiden av skumbitene, og fest dem til drivstoffkjølebraketten (Figur 4).

Deler som er nødvendige for dette trinnet:
| Snekkeklemme | 2 |
| Låsebolt (¼ x ¾ tomme) | 4 |
| Mutter (¼ tomme) | 4 |
| Gummitetning | 2 |
Monter gummitetningene inn i radiatorstøtten (Figur 5).

Før slangene gjennom gummitetningene (Figur 5).
Før slangene langs siden av motoren vekk fra klempunkter og varme områder.
Note: Påse at drivstoffslangene ikke har kontakt med varme, bevegelige eller skarpe deler av maskinen.
Monter den korte slangen til drivstoffiltertilkoblingen med en snekkeklemme, og den lange slangen til tanktilkoblingen med en snekkeklemme (Figur 6).

Lukk panseret og kontroller forseglingen rundt radiatoren. Sørg for at forseglingen har kontakt med rammen rundt radiatoren.
Important: Sørg for at panseret åpnes og lukkes uten å være i kontakt med drivstoffkjøleren.
Kjør maskinen og se etter lekkasjer. Sikre at klemmene sitter godt fast.
Stram klemmene etter 50 timers drift.