Note: Les côtés gauche et droit de la machine sont déterminés d'après la position d'utilisation normale.
Note: Les machines année-modèle 2019 et suivantes sont déjà munies de trous dans le support de radiateur.
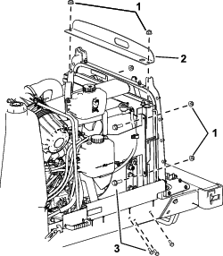
Vérifiez si le support de radiateur de votre machine est déjà muni de trous (Figure 1).
Si la machine n'a pas de trous, commandez un support de radiateur, réf. 139–0952–03, après de votre concessionnaire Toro agréé.

Effectuez la procédure suivante pour préparer la machine pour installer ce kit.
Garez la machine sur un sol plat et horizontal, désengagez la PDF et serrez le frein de stationnement.
Tournez la clé à la position ARRêT, retirez-la du commutateur et attendez l'arrêt complet de tout mouvement avant de quitter la position d'utilisation.
Réparez toutes les parties faussées ou endommagées sur la machine et remplacez les pièces manquantes.
Nettoyez les débris présents sur la machine pour faciliter l'installation.
L'exposition prolongée aux vapeurs de carburant peut causer des blessures et des maladies graves.
Évitez de respirer les vapeurs de carburant de façon prolongée.
N'approchez pas le visage du pistolet ni de l'ouverture du réservoir de carburant ou de conditionneur.
N'approchez pas le carburant des yeux et de la peau.
Dans certaines circonstances, le carburant est extrêmement inflammable et hautement explosif. Un incendie ou une explosion par du carburant peut vous brûler, ainsi que les personnes se tenant à proximité, et causer des dommages matériels.
Essuyez tout carburant répandu.
Ne faites jamais le plein du réservoir de carburant à l'intérieur d'un local fermé.
Ne fumez jamais en manipulant du carburant et tenez-vous à l'écart des flammes nues ou sources d'étincelles qui pourraient enflammer les vapeurs de carburant.
Retirez le flexible de carburant existant, comme montré à la Figure 2.

Note: Les étapes suivantes ne concernent que les machines dont le support de radiateur n'est pas déjà percé de trous. Voir sur la Figure 1 l'emplacement des trous existants.
Déposez le support en haut du radiateur (Figure 3).

Retirez les 2 boulons de chaque côté du radiateur (Figure 3).
Retirez les 3 boulons au bas du radiateur, de chaque côté (Figure 3).
Soulevez le radiateur jusqu'à ce qu'il soit possible de le glisser hors du support existant (sans trous). Voir sur la Figure 1 l'emplacement des trous existant.
Sortez le support du radiateur en le faisant glisser vers l'arrière de la machine.
Soulevez le radiateur, glissez le nouveau support dessous et fixez-le en place avec les boulons retirés sur la Figure 3.
Pièces nécessaires pour cette opération:
| Refroidisseur de carburant | 1 |
| Collier | 2 |
| Boulon (1/4" x 5/8") | |
| Support de refroidisseur de carburant | 1 |
| Flexible (long) | 1 |
| Flexible (court) | 1 |
| Barrette en mousse (courte) | 2 |
| Barrette en mousse (longue) | 2 |
| Collier à enfoncer | 2 |
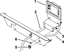
Glissez un collier à enfoncer chaque extrémité du flexible (Figure 4).
Glissez un collier à l'extrémité de chaque flexible (Figure 4).
Branchez les extrémités des flexibles sur le refroidisseur de carburant et fixez-les en place avec les colliers.
Fixez le refroidisseur de carburant sur son support à l'aide de 4 boulons (1/4" x 5/8"), comme montré à la Figure 4.
Retirez la pellicule au dos des barrettes en mousse et collez celles-ci sur le support du radiateur de carburant (Figure 4).

Pièces nécessaires pour cette opération:
| Collier à vis | 2 |
| Boulon de carrosserie (1/4" x 3/4") | 4 |
| Écrou (1/4") | 4 |
| Bague | 2 |
Placez les bagues dans le support du radiateur (Figure 5).

Faites passer les flexibles dans les bagues (Figure 5).
Acheminez les flexibles le long du côté du moteur, à l'écart des points de pincement et des surfaces chaudes.
Note: Prenez soin de pas mettre les flexibles de carburant en contact avec des pièces chaudes, mobiles ou coupantes sur la machine.
Fixez le flexible court au raccord du filtre à carburant au moyen d'un collier à vis et le flexible long au raccord du réservoir de carburant avec un autre collier à vis (Figure 6).

Refermez le capot et vérifiez le joint d'étanchéité autour du radiateur. Vérifiez que le joint touche bien le cadre autour du radiateur.
Important: Vérifiez que le capot s'ouvre et se ferme sans toucher le refroidisseur de carburant.
Mettez la machine en marche et recherchez des fuites éventuelles. Vérifiez que les colliers sont bien serrés.
Après 50 heures de fonctionnement, serrez les colliers.