Note: Determine os lados direito e esquerdo da máquina a partir da posição normal de operação.
Note: Máquinas do modelo do ano de 2019 e mais recentes possuem furos no suporte do radiador.
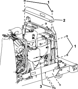
Verifique se a sua máquina tem furos no suporte do radiador (Figura 1).
Se a sua máquina não tiver furos, encomende um suporte de radiador, peça n.º 139-0952-03, no seu distribuidor autorizado Toro.

Realize o procedimento seguinte para preparar a máquina para instalar o kit.
Pare a máquina numa superfície nivelada, desengate a PTO e engate o travão de estacionamento.
Rode o interruptor para a posição DESLIGAR, retire a chave e aguarde até que todas as partes em movimento parem antes de sair da posição de operação.
Repare todas as áreas dobradas ou danificadas na máquina e substitua as peças que faltem.
Limpe todos os detritos da máquina para facilitar a instalação.
A exposição prolongada a vapores do combustível pode provocar lesões graves ou doenças.
Evite inalar vapores durante muito tempo.
Mantenha a cara afastada do bico e do depósito de combustível ou da abertura do condicionador.
Mantenha o combustível afastado dos olhos e da pele.
Em determinadas circunstâncias, o combustível é extremamente inflamável e altamente explosivo. Um incêndio ou explosão de combustível pode resultar em queimaduras e danos materiais.
Limpe todo o combustível derramado.
Nunca encha o depósito de combustível num espaço fechado.
Não fume quando estiver a manusear combustível e mantenha-se afastado de chamas abertas ou faíscas que possam inflamar os vapores de combustível existentes nesse meio.
Remova o tubo de combustível existente mostrado na Figura 2.

Note: Os passos seguintes são apenas para máquinas que não possuem furos existentes no suporte do radiador. Consulte a Figura 1 para localizar os furos existentes.
Remova o suporte do radiador na parte superior do radiador (Figura 3).

Retire os dois parafusos de cada lado do radiador (Figura 3).
Remova os três parafusos na parte inferior do radiador em cada lado (Figura 3).
Eleve o radiador o suficiente para deslizar o suporte do radiador existente (sem furos) para fora. Consulte a Figura 1 para localizar os furos existentes.
Deslize o suporte do radiador para fora para a traseira da máquina.
Eleve o radiador, deslize o novo suporte do radiador sob o radiador e prenda-o com os parafusos removidos em Figura 3.
Peças necessárias para este passo:
| Refrigerador de combustível | 1 |
| Dispositivo de abraçadeira de tubos | 2 |
| Parafuso (¼ pol. x ⅝ pol.) | |
| Suporte do refrigerador de combustível | 1 |
| Tubo (comprido) | 1 |
| Tubo (curto) | 1 |
| Esponja (curto) | 2 |
| Esponja (comprido) | 2 |
| Abraçadeira de tubos de pressão | 2 |
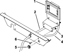
Deslize uma abraçadeira de tubos de pressão para a extremidade de cada tubo (Figura 4).
Deslize uma abraçadeira de tubos para a extremidade de cada tubo (Figura 4).
Ligue as extremidades dos tubos ao refrigerador de combustível e fixe-as com as abraçadeiras.
Aperte o refrigerador de combustível ao suporte do refrigerador de combustível com quatro parafusos (1/4 x 5/8 pol.) como se mostra na Figura 4.
Remova a parte de trás das peças de esponja e cole-as ao suporte do refrigerador de combustível (Figura 4).

Peças necessárias para este passo:
| Abraçadeira | 2 |
| Parafuso de carroçaria (¼ pol. x ¾ pol.) | 4 |
| Porca (¼") | 4 |
| Olhal | 2 |
Instale os olhais no suporte do radiador (Figura 5).

Encaminhe os tubos através dos olhais (Figura 5).
Encaminhe os tubos ao longo da lateral do motor afastando-os de pontos de aperto e áreas quentes.
Note: Certifique-se de que os tubos de combustível não entram em contacto com partes quentes, móveis ou afiadas na máquina.
Prenda o tubo curto à ligação do filtro de combustível com uma abraçadeira e o tubo comprido à ligação do depósito de combustível com uma abraçadeira (Figura 6).

Feche o capot e verifique o vedante em redor do radiador. Certifique-se de que o vedante entra em contacto com a estrutura em redor do radiador.
Important: Certifique-se de que o capot abre e fecha sem entrar em contacto com o refrigerador de combustível.
Coloque a máquina a trabalhar para verificar se há fugas. Certifique-se de que as abraçadeiras estão apertadas.
Após 50 horas de funcionamento, aperte as abraçadeiras.