Note: Vänster och höger sida på maskinen är lika med förarens vänstra respektive högra sida vid normal körning.
Note: Årsmodellen från 2019 och nyare maskiner har befintliga hål i kylarstödet.
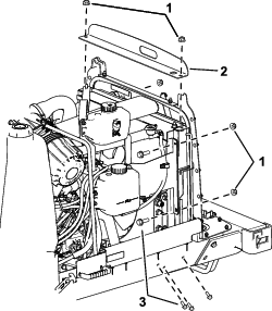
Kontrollera om maskinen har befintliga hål i kylarstödet (Figur 1).
Om maskinen inte har några befintliga hål beställer du ett kylarstöd (artikelnr 139–0952–03) från en auktoriserad Toro-återförsäljare.

Utför nedanstående procedur för att förbereda maskinen för monteringen av denna sats.
Ställ maskinen på ett plant underlag, koppla ur kraftuttaget och koppla in parkeringsbromsen.
Vrid tändningslåset till läget AV, ta ut nyckeln och vänta tills alla rörliga delar har stannat innan du kliver ur förarsätet.
Reparera alla böjda delar eller skadade områden på maskinen och ersätt de delar som eventuellt saknas.
Ta bort allt skräp från maskinen för att underlätta monteringen.
Längre exponering för bränsleångor kan orsaka allvarliga skador och sjukdom.
Undvik att andas in bränsleångor under en längre tid.
Håll ansiktet borta från munstycket och bränsletanken eller stabilisatoröppningen.
Håll bränsle borta från ögon och hud.
Under vissa förhållanden är bränsle extremt brandfarligt och mycket explosivt. Brand eller explosion i bränsle kan orsaka brännskador och materiella skador.
Torka upp utspillt bränsle.
Fyll aldrig på bränsletanken i ett slutet utrymme.
Rök aldrig när du handskas med bensin och håll dig borta från öppen eld eller platser där bensinångor kan antändas av gnistor.
Ta bort den befintliga bränsleslangen enligt Figur 2.

Note: Nedanstående steg är endast avsedda för maskiner som inte har befintliga hål i kylarstödet. Mer information om hur du lokaliserar de befintliga hålen finns i Figur 1.
Ta bort kylarfästet ovanpå kylaren (Figur 3).

Ta bort de två skruvarna på kylarens båda sidor (Figur 3).
Ta bort de tre skruvarna längst ned på kylaren på båda sidor (Figur 3).
Höj upp kylaren tillräckligt för att dra ut det befintliga kylarstödet (utan befintliga hål). Mer information om hur du lokaliserar befintliga hål finns i Figur 1.
Skjut ut kylarstödet mot maskinens baksida.
Höj upp kylaren, skjut in det nya kylarstödet under kylaren och fäst det med skruvarna som du tog bort i Figur 3.
Delar som behövs till detta steg:
| Bränslekylare | 1 |
| Slangklämma | 2 |
| Skruv (¼ x 5/8 tum) | |
| Bränslekylarfäste | 1 |
| Slang (lång) | 1 |
| Slang (kort) | 1 |
| Skum (kort) | 2 |
| Skum (långt) | 2 |
| Insticksslangklämma | 2 |
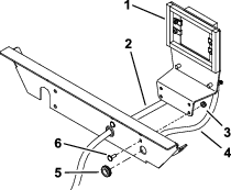
För in en insticksslangklämma i änden av varje slang (Figur 4).
Trä på en slangklämma i änden av varje slang (Figur 4).
Anslut slangändarna till bränslekylaren och fäst dem med slangklämmorna.
Fäst bränslekylaren på bränslekylarfästet med fyra skruvar (¼ x ⅝ tum) enligt Figur 4.
Ta bort skyddet från skumbitarna och fäst dem på bränslekylarfästet (Figur 4).

Delar som behövs till detta steg:
| Slangklämma | 2 |
| Vagnsskruv (¼ x ¾ tum) | 4 |
| Mutter (1/4 tum) | 4 |
| Hylsa | 2 |
Montera hylsorna i kylarstödet (Figur 5).

Dra slangarna genom hylsorna (Figur 5).
Dra slangarna längs med motorns sida, på avstånd från klämpunkter och heta ytor.
Note: Se till att bränsleslangarna inte kommer i kontakt med heta, rörliga eller vassa delar på maskinen.
Fäst den korta slangen på bränslefilteranslutningen med en slangklämma och den långa slangen på bränsletanksanslutningen med en slangklämma (Figur 6).

Stäng huven och kontrollera tätningen runt kylaren. Säkerställ att tätningen är i kontakt med ramen runt kylaren.
Important: Säkerställ att du kan öppna och stänga huven utan att den kommer i kontakt med bränslekylaren.
Kör maskinen och kontrollera att det inte finns några läckor. Säkerställ att klämmorna sitter åt ordentligt.
Dra åt klämmorna när maskinen har använts i 50 timmar.