Note: Maskinens venstre og højre side er som set fra den normale betjeningsposition.
Note: Maskiner fra år 2019 og derefter leveres med eksisterende huller i kølerbeslaget.
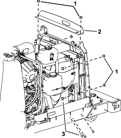
Kontroller, om din maskine har eksisterende huller i kølerbeslaget (Figur 1).
Hvis din maskine ikke har eksisterende huller, skal du bestille et kølerbeslag (delnr. 139–0952–03) fra din autoriserede Toro-forhandler.

Udfør følgende procedure for at klargøre maskinen til montering af dette sæt.
Parker maskinen på en plan overflade, udkobl kraftudtaget, og aktiver parkeringsbremsen.
Drej afbryderen til positionen OFF (fra), tag nøglen ud, og vent, indtil al bevægelse er standset, før du forlader betjeningspositionen.
Reparer alle bøjede eller beskadigede områder på maskinen, og udskift evt. manglende dele.
Rengør maskinen for snavs for at lette monteringen.
Længere tids eksponering for brændstofdampe kan forårsage alvorlige skader og sygdomme.
Undgå længere tids indånding af dampe.
Hold ansigtet væk fra spidsen af slangen og brændstoftanken eller stabilisatoråbningen.
Undgå at få brændstof i øjnene eller på huden.
Under visse forhold er brændstof meget brandfarligt og yderst eksplosivt. En brand eller eksplosion forårsaget af brændstof kan give dig eller andre forbrændinger samt medføre tingsskade.
Tør eventuelt spildt brændstof op.
Fyld aldrig brændstoftanken op i et aflukket område.
Ryg aldrig under håndtering af brændstof, og hold afstand til åben ild eller steder, hvor brændstofdampe kan antændes af en gnist.
Fjern den eksisterende brændstofslange, der er vist i Figur 2.

Note: Følgende trin gælder kun for maskiner, der ikke har eksisterende huller i kølerbeslaget. Se Figur 1 for at finde de eksisterende hullers placering.
Fjern kølerbeslaget oven på køleren (Figur 3).

Fjern de 2 bolte på hver side af køleren (Figur 3).
Fjern de 3 bolte i bunden af køleren på hver side (Figur 3).
Hæv køleren højt nok til, at det eksisterende kølerbeslag (uden eksisterende huller) kan skubbes ud. Se Figur 1 for at finde eksisterende huller.
Skub kølerbeslaget ud mod maskinens bagende.
Hæv køleren, skub det nye kølerbeslag ind under køleren, og fastgør det med boltene, du fjernede i Figur 3.
Dele, der skal bruges til dette trin:
| Brændstofkøler | 1 |
| Slangeklemme | 2 |
| Bolt (1/4 x 5/8 tomme) | |
| Brændstofkølerbeslag | 1 |
| Slange (lang) | 1 |
| Slange (kort) | 1 |
| Skum (kort) | 2 |
| Skum (lang) | 2 |
| Skubbeslangeklemme | 2 |
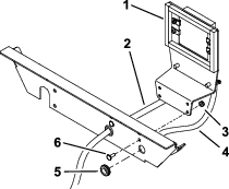
Sæt en skubbeslangeklemme på enden af hver slange (Figur 4).
Sæt en slangeklemme på enden af hver slange (Figur 4).
Tilslut slangeenderne til brændstofkøleren, og fastgør dem med slangeklemmerne.
Fastgør brændstofkøleren til brændstofkølerbeslaget med 4 bolte (¼" x ⅝") som vist i Figur 4.
Fjern bagbeklædningen fra skumstykkerne, og klæb dem fast til brændstofkølerbeslaget (Figur 4).

Dele, der skal bruges til dette trin:
| Spændebånd | 2 |
| Bræddebolt (¼" x ¾") | 4 |
| Møtrik (¼ tomme) | 4 |
| Krans | 2 |
Monter kransene i kølerbeslaget (Figur 5).

Før slangerne gennem kransene (Figur 5).
Før slangerne langs motorens side og på afstand af klemmepunkter og varme områder.
Note: Sørg for, at brændstofslangerne ikke kommer i kontakt med maskinens varme, bevægelige eller skarpe dele.
Fastgør den korte slange til brændstoffilterforbindelsen med et spændebånd, og fastgør den lange slange til brændstoftankens forbindelse med et spændebånd (Figur 6).

Luk motorhjelmen, og efterse tætningen rundt om køleren. Sørg for, at tætningen slutter til stellet rundt om køleren.
Important: Sørg for, at motorhjelmen åbnes og lukkes uden at komme i kontakt med brændstofkøleren.
Start maskinen, og kontroller for lækager. Sørg for, at spændebåndene er stramme.
Tilspænd spændebåndene efter 50 timers drift.