Note: Stabilite i lati sinistro e destro della macchina dalla normale posizione di guida.
Note: Le macchine modello anno 2019 e successive sono dotate di fori preesistenti nel supporto del radiatore.
Verificate se la vostra macchina è dotata di fori preesistenti nel supporto del radiatore (Figura 1).
Se la vostra macchina non è dotata di fori preesistenti, ordinate un supporto del radiatore, n. cat. 139–0952–03, dal vostro distributore Toro autorizzato.

Effettuate la seguente procedura per preparare la macchina all’installazione del presente kit.
Parcheggiate la macchina su una superficie pianeggiante, disinnestate la PDF e inserite il freno di stazionamento.
Prima di scendere dalla postazione di guida, girate l'interruttore in posizione di SPEGNIMENTO, togliete la chiave e attendete che tutte le parti in movimento si arrestino.
Riparate tutte le sezioni piegate o danneggiate sulla macchina e sostituite le parti smarrite.
Pulite eventuali detriti dalla macchina per facilitare l’installazione.
L'esposizione a lungo termine ai vapori di carburante può causare gravi danni e malattie.
Evitate di respirare a lungo i vapori.
Tenete il viso lontano dall'ugello e dall'apertura del serbatoio di benzina o del condizionatore.
Tenete il carburante lontano dagli occhi e dalla pelle.
In talune condizioni, il carburante è estremamente infiammabile ed altamente esplosivo. Un incendio o un'esplosione causati dal carburante possono ustionare voi ed altre persone, e provocare danni.
Tergete il carburante versato.
Non riempite mai il serbatoio del carburante all'interno di uno ambiente chiuso.
Non fumate mai quando maneggiate il carburante, e state lontani da fiamme libere o dove i fumi di carburante possano essere accesi da una scintilla.
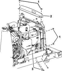
Rimuovete il flessibile del carburante esistente illustrato nella Figura 2.

Note: I seguenti passaggi sono intesi solo per le macchine non dotate di fori preesistenti nel supporto del radiatore. Fate riferimento alla Figura 1 per l’individuazione dei fori preesistenti.
Rimuovete la staffa del radiatore sulla parte superiore del radiatore (Figura 3).

Rimuovete i 2 bulloni su ciascun lato del radiatore (Figura 3).
Rimuovete i 3 bulloni nella parte inferiore del radiatore su ciascun lato (Figura 3).
Sollevate il radiatore a sufficienza in modo da far scorrere fuori il supporto del radiatore esistente (senza fori preesistenti). Fate riferimento alla Figura 1 per trovare i fori preesistenti.
Fate scorrere il supporto del radiatore in fuori verso la parte posteriore della macchina.
Sollevate il radiatore, fate scorrere il nuovo supporto del radiatore sotto il radiatore e fissatelo con i bulloni rimossi nella Figura 3.
Parti necessarie per questa operazione:
| Refrigeratore del carburante | 1 |
| Fascetta stringitubo | 2 |
| Bullone (¼" x ⅝") | |
| Staffa del refrigeratore del carburante | 1 |
| Flessibile (lungo) | 1 |
| Flessibile (corto) | 1 |
| Elemento in schiuma (corto) | 2 |
| Elemento in schiuma (lungo) | 2 |
| Fascetta stringitubo a spinta | 2 |
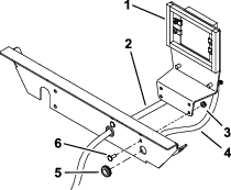
Fate scorrere una fascetta stringitubo a spinta sull’estremità di ciascun flessibile (Figura 4).
Fate scorrere una fascetta stringitubo sull’estremità di ciascun flessibile (Figura 4).
Collegate le estremità dei flessibili al refrigeratore del carburante e fissateli con le fascette stringitubo.
Fissate il refrigeratore del carburante alla relativa staffa con 4 bulloni (¼" x ⅝") come illustrato nella Figura 4.
Rimuovete il supporto dagli elementi in schiuma e applicateli alla staffa del refrigeratore del carburante (Figura 4).

Parti necessarie per questa operazione:
| Fascetta stringitubo senza fine | 2 |
| Bullone a testa tonda (¼" x ¾") | 4 |
| Dado (¼") | 4 |
| Gommino | 2 |
Montate i gommini nel supporto del radiatore (Figura 5).

Disponete i flessibili attraverso i gommini (Figura 5).
Disponete i flessibili lungo il lato del motore, lontano dai punti di schiacciamento e dalle aree calde.
Note: Assicuratevi che i flessibili del carburante non vengano a contatto con parti calde, mobili o affilate sulla macchina.
Fissate il flessibile corto al raccordo del filtro del carburante con una fascetta stringitubo senza fine e il flessibile lungo al raccordo del serbatoio del carburante con una fascetta stringitubo senza fine (Figura 6).

Chiudete il cofano e controllate la tenuta attorno al radiatore. Assicuratevi che la tenuta sia a contatto con il telaio attorno al radiatore.
Important: Assicuratevi che il cofano si apra e si chiuda senza venire a contatto con il refrigeratore del carburante.
Azionate la macchina e verificate che non ci siano fuoriuscite. Assicuratevi che le fascette siano serrate.
Dopo 50 ore di funzionamento, serrate le fascette.