Note: Los lados derecho e izquierdo de la máquina se determinan desde la posición normal del operador.
Note: Las máquinas del año 2019 y posteriores tienen orificios existentes en el soporte del radiador.
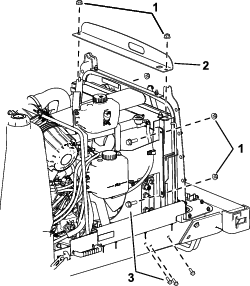
Compruebe si su máquina tiene orificios existentes en el soporte del radiador (Figura 1).
Si su máquina no tiene taladros existentes, pida un soporte del radiador, Pieza Nº 139–0952–03, a su distribuidor autorizado Toro.

Realice el procedimiento siguiente para preparar la máquina para la instalación de este kit.
Aparque la máquina en una superficie nivelada, desengrane la TDF y ponga el freno de estacionamiento.
Gire el interruptor a la posición de DESCONECTADO, retire la llave y espere a que se detenga todo movimiento antes de abandonar el puesto del operador.
Repare cualquier zona doblada o dañada de la máquina y reponga cualquier pieza que falte.
Limpie cualquier residuo de la máquina para facilitar la instalación.
La exposición a los vapores del combustible a largo plazo puede causar lesiones y enfermedades graves.
Evite la respiración prolongada de los vapores.
Mantenga la cara alejada de la boquilla y de la abertura del depósito de combustible o acondicionador.
Mantenga alejada la gasolina de los ojos y la piel.
En ciertas condiciones, el combustible es extremadamente inflamable y altamente explosivo. Un incendio o una explosión provocados por el combustible puede causarle quemaduras a usted y a otras personas así como daños materiales.
Limpie cualquier combustible derramado.
No llene nunca el depósito de combustible dentro de un espacio cerrado.
No fume nunca mientras maneja el combustible, y aléjese de llamas desnudas o lugares donde los vapores del combustible pueden incendiarse con una chispa.
Retire la manguera de combustible existente indicada en la Figura 2.

Note: Los pasos siguientes son solamente para máquinas que no tengan orificios existentes en el soporte del radiador. Consulte la Figura 1 para localizar los orificios existentes.
Retire el soporte del radiador, situado encima del radiador (Figura 3).

Retire los 2 pernos de cada lado del radiador (Figura 3).
Retire los 3 pernos de la parte inferior del radiador en cada lado (Figura 3).
Levante el radiador lo suficiente para poder retirar el soporte del radiador existente (sin orificios existentes). Consulte la Figura 1 para localizar los orificios existentes.
Deslice el soporte del radiador hacia fuera, hacia la parte trasera de la máquina.
Levante el radiador, deslice el soporte nuevo del radiador por debajo del radiador y sujételo con los pernos que retiró en la Figura 3.
Piezas necesarias en este paso:
| Enfriador de combustible | 1 |
| Abrazadera | 2 |
| Perno (¼" x ⅝") | |
| Soporte del enfriador de combustible | 1 |
| Manguera (larga) | 1 |
| Manguera (corta) | 1 |
| Espuma (corta) | 2 |
| Espuma (larga) | 2 |
| Abrazadera a presión | 2 |
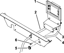
Coloque una abrazadera a presión en el extremo de cada manguera (Figura 4).
Coloque una abrazadera sobre el extremo de cada manguera (Figura 4).
Conecte los extremos de las mangueras al enfriador de combustible y sujételos con las abrazaderas.
Sujete el enfriador de combustible al soporte del enfriador de combustible con 4 pernos (¼" x ⅝"), como se muestra en la Figura 4.
Retire el papel protector de las piezas de espuma y sujételos al soporte del enfriador de combustible (Figura 4).

Piezas necesarias en este paso:
| Abrazadera sinfín | 2 |
| Perno de cuello cuadrado (¼" x ¾") | 4 |
| Tuerca (1/4") | 4 |
| Anillo de goma | 2 |
Instale los anillos de goma en el soporte del radiador (Figura 5).

Pase las mangueras por los anillos de goma (Figura 5).
Enrute las mangueras por el lado del motor, lejos de cualquier punto de aprisionamiento o zona caliente.
Note: Asegúrese de que las mangueras de combustible no están en contacto con las piezas calientes, móviles o afiladas de la máquina.
Sujete la manguera corta al conector del filtro de combustible con una abrazadera sinfín, y la manguera larga al conector del depósito de combustible con una abrazadera sinfín (Figura 6).

Cierre el capó y compruebe la junta alrededor del radiador. Asegúrese de que la junta toca el bastidor alrededor del radiador.
Important: Asegúrese de que el capó se abre y se cierra sin entrar en contacto con el enfriador de combustible.
Ponga la máquina en marcha y compruebe que no hay fugas. Asegúrese de que las abrazaderas están bien apretadas.
Después de 50 horas de operación, apriete las abrazaderas.