Note: Bepaal vanuit de normale bedieningspositie de linker- en rechterzijde van de machine.
Note: Machines met modeljaar 2019 en later hebben openingen in de radiateursteun.
Controleer of uw machine openingen heeft in de radiateursteun (Figuur 1).
Als uw machine nog geen openingen heeft, bestel dan een radiateursteun, onderdeelnr. 139-0952-03 bij uw erkende Toro verdeler.

Voer de volgende procedure uit om de machine klaar te maken voor de montage van deze set.
Parkeer de maaimachine op een horizontaal oppervlak, schakel de aftakas uit en stel de parkeerrem in werking.
Draai het contactsleuteltje naar UIT, verwijder het sleuteltje en wacht totdat alle bewegende onderdelen tot stilstand zijn gekomen alvorens de bestuurderspositie te verlaten.
Herstel alle gebogen of beschadigde delen van de machine en vervang eventuele ontbrekende onderdelen.
Verwijder vuil van de machine om de montage te vergemakkelijken
Langdurige blootstelling aan brandstofdampen kan leiden tot ernstig letsel en ziekte.
Voorkom dat u dampen lange tijd inademt.
Houd uw gezicht uit de buurt van een vulpijp en de opening van een tank of een blik met conditioner.
Houd brandstof uit de buurt van ogen en huid.
In bepaalde omstandigheden is brandstof uiterst ontvlambaar en zeer explosief. Brand of explosie van brandstof kan brandwonden bij u of anderen en materiële schade veroorzaken.
Eventueel gemorste brandstof opnemen.
Vul de brandstoftank nooit als de machine in een afgesloten ruimte staat.
Rook nooit wanneer u met brandstof bezig bent en houd de brandstof weg van open vlammen of vonken.
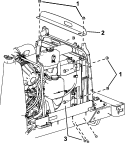
Verwijder de bestaande brandstofslang die wordt getoond in Figuur 2.

Note: De volgende stappen zijn alleen voor machines die geen openingen hebben in de radiateursteun. Zie Figuur 1 om de openingen te vinden.
Verwijder de radiateurbeugel aan de bovenkant van de radiateur (Figuur 3).

Verwijder de 2 bouten aan elke kant van de radiateur (Figuur 3).
Verwijder de 3 bouten aan de onderkant van de radiateur aan elke kant (Figuur 3).
Til de radiateur voldoende op om de bestaande radiateursteun (zonder openingen) eruit te schuiven. Zie Figuur 1 om de openingen te vinden.
Schuif de radiateursteun eruit, naar de achterkant van de machine toe.
Breng de radiateur omhoog, schuif de nieuwe radiateursteun onder de radiateur en bevestig deze met de bouten die u hebt verwijderd in Figuur 3.
Benodigde onderdelen voor deze stap:
| Brandstofkoeler | 1 |
| Slangklem | 2 |
| Bout (¼" x ⅝") | |
| Beugel van brandstofkoeler | 1 |
| Slang (lang) | 1 |
| Slang (kort) | 1 |
| Schuimrubber (kort) | 2 |
| Schuimrubber (lang) | 2 |
| Drukslangklem | 2 |
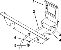
Plaats een drukslangklem op het uiteinde van elke slang (Figuur 4).
Plaats een slangklem op het uiteinde van elke slang (Figuur 4).
Sluit de slanguiteinden aan op de brandstofkoeler en zet deze vast met de slangklemmen.
Bevestig de brandstofkoeler met 4 bouten (¼" x ⅝") aan de beugel van de brandstofkoeler; zie Figuur 4.
Verwijder de achterkantbedekking van de schuimrubbers en bevestig ze aan de beugel van de brandstofkoeler (Figuur 4).

Benodigde onderdelen voor deze stap:
| Wormklem | 2 |
| Slotbout (¼" x ¾") | 4 |
| Moer (¼") | 4 |
| Pakkingring | 2 |
Monteer de pakkingringen in de radiateursteun (Figuur 5).

Leid de slangen door de pakkingringen (Figuur 5).
Leid de slangen langs de zijkant van de motor, uit de buurt van warme delen en plekken waar ze geklemd kunnen worden.
Note: Zorg ervoor dat de brandstofslangen geen warme, bewegende of scherpe onderdelen van de machine raken.
Bevestig de korte slang met een wormklem aan de brandstoffilteraansluiting en de lange slang met een wormklem aan de brandstoftankaansluiting (Figuur 6).

Sluit de motorkap en controleer de afdichting rond de radiateur. Zorg ervoor dat de afdichting het frame rond de radiateur raakt.
Important: Zorg ervoor dat de motorkap opent en sluit zonder dat ze de brandstofkoeler raakt.
Start de motor en controleer op lekkages. Zorg dat de klemmen stevig vastzitten.
Maak de klemmen opnieuw vast na 50 bedrijfsuren.