Техническое обслуживание
Предупреждение
Невыполнение требований по надлежащему техническому обслуживанию машины может привести к преждевременному отказу систем машины и возможным травмам оператора или находящихся рядом посторонних лиц.
Своевременно обслуживайте машину и поддерживайте ее в исправном рабочем состоянии, как описано в данном руководстве.
Note: Определите левую и правую стороны машины относительно места оператора. Повесьте на машину предупреждающую табличку о выполнении технического обслуживания.Установите на свои места все крышки и ограждения после обслуживания или очистки машины. Не эксплуатируйте машину без установленных в рабочем положении крышек или ограждений.
Note: Загрузите бесплатную электрическую или гидравлическую схему, посетив веб-сайт www.Toro.com, где можно найти модель своей машины, перейдя по ссылке Manuals (Руководства) с главного экрана.
Important: Для получения информации о дополнительном техническом обслуживании см. руководство владельца двигателя.
Рекомендуемый график(и) технического обслуживания
| Периодичность технического обслуживания | Порядок технического обслуживания |
|---|---|
| Через первые 100 часа |
|
| Через первые 250 часа |
|
| Перед каждым использованием или ежедневно |
|
| Через каждые 50 часов |
|
| Через каждые 250 часов |
|
| Через каждые 300 часов |
|
| Через каждые 500 часов |
|
| Через каждые 800 часов |
|
| Через каждые 1000 часов |
|
| Через каждые 2000 часов |
|
| Ежегодно, или до помещения на хранение |
|
| Через каждые 2 года |
|
Предупреждение
Неправильное техническое обслуживание или ремонт машины могут стать причиной травмы или гибели.
Если вы не понимаете процедуры технического обслуживания данной машины, свяжитесь с ближайшим сервисным центром официального дилера или см. руководство по техническому обслуживанию данной машины.
Предупреждение
Эксплуатация машины без крышек и ограждений, установленных на штатных местах, может привести к травмированию или гибели персонала.
Установите на свои места все крышки и ограждения после обслуживания или очистки машины. Не эксплуатируйте машину без установленных в рабочем положении крышек или ограждений.
Действия перед техническим обслуживанием
Правила техники безопасности перед техобслуживанием
-
Прежде чем регулировать, чистить, ремонтировать машину или покидать рабочее место, выполните следующее:
-
Переместите машину на ровную поверхность.
-
Выключите двигатель машины.
-
Установите выключатель массы аккумулятора в положение ВЫКЛ.
-
Дождитесь остановки всех движущихся частей.
-
Прежде чем выполнять техническое обслуживание, дайте компонентам машины остыть.
-
-
По возможности не выполняйте техническое обслуживание машины с работающим двигателем. Держитесь на безопасном расстоянии от движущихся частей.
-
При необходимости используйте подъемные опоры для поддержки машины и компонентов.
-
Осторожно сбрасывайте давление из компонентов с накопленной энергией.
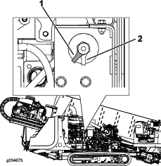
Открывание переднего капота
-
Установите машину на горизонтальной поверхности, выключите двигатель и извлеките ключ из замка зажигания.
-
Поднимите защелку, как показано на Рисунок 69.
Note: Убедитесь, что ключ находится в открытом (горизонтальном) положении, как показано на Рисунок 69.

-
Потяните вверх за защелку капота, как показано на Рисунок 70.

-
Держите защелку капота (Рисунок 70) поднятой вверх и поднимите вверх ручку, как показано на Рисунок 71.

Откройте заднюю дверцу доступа
-
Установите машину на горизонтальной поверхности, остановите двигатель и выньте ключ зажигания.
-
Нажмите на левую сторону ручки панели и потяните панель для открывания, когда ручка будет отпущена (Рисунок 72).

Использование механизма блокировки цилиндра
Предупреждение
Опорная рама может опуститься, если она находится в поднятом положении, это может стать причиной травмы или гибели.
Если для выполнения технического обслуживания нужно, чтобы опорная рама была поднята, установите замок гидроцилиндра.
Установка замка гидроцилиндра
-
Запустите двигатель.
-
Опустите опорную раму в самое нижнее положение до упора.
-
Выключите двигатель.
-
Установите замок на шток гидроцилиндра (Рисунок 73).
-
Закрепите замок гидроцилиндра посредством штифта с головкой и шплинта (Рисунок 73).
-
Запустите двигатель (положение Вкл.) и поднимайте опорную раму, пока она не опустится на замок гидроцилиндра.

Снятие и помещение на хранение замка гидроцилиндра
-
Запустите двигатель.
-
Опустите опорную раму в самое нижнее положение до упора.
-
Выключите двигатель.
-
Снимите штифт с головкой и шплинт, закрепляющие замок гидроцилиндра (Рисунок 73).
-
Снимите замок гидроцилиндра.
-
Запустите двигатель (положение ВКЛ) и поднимите опорную раму.
-
Храните замок гидроцилиндра в задней части держателя трубы (Рисунок 74).

Смазка
Смазывание машины
| Периодичность технического обслуживания | Порядок технического обслуживания |
|---|---|
| Перед каждым использованием или ежедневно |
|
Тип консистентной смазки: консистентная смазка общего назначения.
-
Установите машину на горизонтальной поверхности, остановите двигатель и выньте ключ зажигания.
-
Очистите пресс-масленки, используя для этого ветошь.
-
Присоедините к каждой масленке смазочный шприц.
-
Нагнетайте смазку в масленки до тех пор, пока смазка не начнет вытекать из подшипников (примерно 3 рабочих хода шприца).
-
Удалите все излишки смазочных материалов.











Техническое обслуживание двигателя
Правила техники безопасности при обслуживании двигателя
-
Перед проверкой уровня масла или добавлением масла в картер выключите двигатель.
-
Не изменяйте настройку регулятора оборотов двигателя и не превышайте допустимую частоту вращения двигателя.
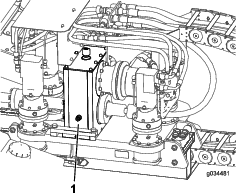
Очистка вентиляционной трубки картера двигателя
| Периодичность технического обслуживания | Порядок технического обслуживания |
|---|---|
| Перед каждым использованием или ежедневно |
|
Техническое обслуживание системы очистки воздуха
Important: Не извлекайте элементы из машины для проверки загрязнения фильтров; вместо этого используйте следующую процедуру.
Important: Не заменяйте старый фильтр воздухоочистителя фильтром, который изготовлен более 5 лет назад; проверьте дату изготовления на торцевой крышке фильтрующего элемента.
Note: При каждом обслуживании системы воздухоочистителя убедитесь в герметичности всех шланговых соединений и фланцев. Замените все поврежденные детали.
-
Проверьте корпус воздухоочистителя на наличие повреждений, которые могут вызвать утечку воздуха. Замените его в случае повреждения. Проверьте всю систему воздухозабора на наличие утечек, повреждений или ослабления шланговых хомутов. Также проверьте резиновые впускные соединения шлангов воздухоочистителя и турбонагнетателя, чтобы убедиться в надежности всех соединений.
-
Обслуживайте фильтр воздухоочистителя только, если на дисплее отображается сообщение «Check Air Filter» («Проверьте воздушный фильтр»). Замена воздушного фильтра без необходимости только увеличивает вероятность попадания грязи в двигатель при извлечении фильтра.
-
Убедитесь, что крышка установлена правильно и плотно прилегает к корпусу воздухоочистителя.
Проверка индикатора воздухоочистителя
| Периодичность технического обслуживания | Порядок технического обслуживания |
|---|---|
| Перед каждым использованием или ежедневно |
|
-
Запустите двигатель.
-
Проверьте на экране дисплея индикатор засорения воздухоочистителя, см. Руководство по программному обеспечению для данной машины.
-
Замените элемент(ы) воздухоочистителя следующим образом:
-
Замените воздушный фильтр грубой очистки; см. Техническое обслуживание фильтра воздухоочистителя.
-
Повторите действия, описанные в пунктах 1 и 2; если индикатор засорения воздухоочистителя все еще отображается на дисплее, замените воздушный фильтр тонкой очистки, см. Техническое обслуживание фильтра воздухоочистителя.
-
Очистка пылезащитного клапана
| Периодичность технического обслуживания | Порядок технического обслуживания |
|---|---|
| Через каждые 50 часов |
|
-
Установите машину на горизонтальной поверхности, остановите двигатель и выньте ключ зажигания.
-
Откройте заднюю дверцу доступа, см. Откройте заднюю дверцу доступа.
-
Сожмите пылезащитный клапан на крышке воздухоочистителя, чтобы удалить любые скопления воды, пыли или грязи из клапана. (Рисунок 87).
Note: Убедитесь в отсутствии засорений внутри пылезащитного клапана.

Техническое обслуживание крышки воздухоочистителя
| Периодичность технического обслуживания | Порядок технического обслуживания |
|---|---|
| Через каждые 50 часов |
|
Снятие крышки воздухоочистителя
-
Установите машину на горизонтальной поверхности, остановите двигатель и выньте ключ зажигания.
-
Откройте заднюю дверцу доступа, см. Откройте заднюю дверцу доступа.
-
Очистите наружную поверхность корпуса воздухоочистителя чистой влажной ветошью.
-
Проверьте крышку воздухоочистителя на отсутствие повреждений, которые могли бы вызвать утечку воздуха. Замените поврежденный корпус воздухоочистителя.
Important: Обслуживайте фильтр воздухоочистителя только, если на дисплее отображается сообщение «Check Air Filter» («Проверьте воздушный фильтр»). Замена воздушного фильтра без необходимости только увеличивает вероятность попадания грязи в двигатель при извлечении фильтра.
-
Потяните 4 защелки крышки воздухоочистителя наружу (Рисунок 88).

-
Оттяните крышку воздухоочистителя от корпуса фильтра и снимите крышку.
-
Удалите весь мусор с внутренней стороны крышки.
Important: Не снимайте воздушный фильтр, если на дисплее нет сообщения «Check Air Filter» («Проверьте воздушный фильтр»).
Установка крышки воздухоочистителя
-
Установите машину на горизонтальной поверхности, остановите двигатель и выньте ключ зажигания.
-
Выровняйте пылезащитную крышку на крышке фильтра воздухоочистителя.
-
Совместите крышку воздухоочистителя с корпусом фильтра.
-
Установите крышку воздухоочистителя внутрь до полной посадки и зафиксируйте ее защелками (Рисунок 88).
Техническое обслуживание фильтра воздухоочистителя
| Периодичность технического обслуживания | Порядок технического обслуживания |
|---|---|
| Через каждые 250 часов |
|
Заменяйте фильтры только в случае, если на дисплее появляется сообщение «Check Air Filter» («Проверьте воздушный фильтр»); см. Проверка индикатора воздухоочистителя.
Note: Для заказа сменных фильтров обращайтесь к официальному дилеру компании Toro.
-
Установите машину на горизонтальной поверхности, остановите двигатель и выньте ключ зажигания.
-
Откройте заднюю дверцу доступа.
-
Перед снятием фильтра очистите любые загрязнения с внутренней стороны корпуса фильтра, используя сжатый воздух под небольшим давлением 2,76 Бар.
Important: Избегайте пользоваться сжатым воздухом высокого давления, который может занести грязь из фильтра в воздухозаборный тракт. Описанный процесс очистки предотвращает проникновение мусора в воздухозабор при снятии фильтра грубой очистки.
-
Используя ручки воздушного фильтра, снимите фильтр грубой очистки с крышки воздухоочистителя (Рисунок 89).
Important: Не очищайте использованный фильтр.

-
Проверьте новый фильтр на отсутствие повреждений при транспортировке, осмотрев уплотнительный конец фильтра и корпус.
Note: Не используйте поврежденный фильтрующий элемент.
-
Вставьте новый фильтр грубой очистки, нажимая на наружный обод фильтра, чтобы посадить его в крышку воздухоочистителя.
-
Извлеките из крышки резиновый выпускной клапан, очистите полость и замените выпускной клапан; см. Очистка пылезащитного клапана.
-
Установите крышку, см. Установка крышки воздухоочистителя.
Замена масла и масляного фильтра в двигателе
Двигатель поставляется с заправленным маслом картером, однако до и после первого пуска двигателя необходимо проверить уровень масла.
Емкость картера: 7,5 л с фильтром.
Используйте только высококачественное малозольное моторное масло для тяжелых условий эксплуатации типа SAE 15W-40, соответствующее классификации CJ-4 (ACEA E9) по API или выше.
Для большинства климатических условий рекомендуется использовать малозольное масло SAE 15W-40 по разработанной институтом API классификации CJ-4 (ACEA E9); см. рекомендации по вязкости масла для экстремальных условий в Рисунок 90.

Note: Для облегчения запуска и обеспечения достаточного потока масла при температуре ниже -5°C можно ограниченно использовать масла низкой вязкости, такие как SAE 10W-30, соответствующие классификации CJ-4 (ACEA E9) или выше по API. Однако при постоянном использовании масла низкой вязкости может снизиться срок службы двигателя из-за износа (Рисунок 90).
Официальный дилер по техобслуживанию компании Toro может предложить высококачественное моторное масло Toro с вязкостью 15W-40 или 10W-30, соответствующее классификации CJ-4 (ACEA E9) или выше по API. Номера масла см. в каталоге запчастей.
Проверка уровня масла в двигателе
| Периодичность технического обслуживания | Порядок технического обслуживания |
|---|---|
| Перед каждым использованием или ежедневно |
|
-
Установите машину на горизонтальной поверхности, остановите двигатель и выньте ключ зажигания.
-
Откройте передний капот.
-
Извлеките масломерный щуп (Рисунок 91) и тщательно протрите его.

-
Вставьте масломерный щуп в маслозаливную горловину, снова извлеките его и посмотрите уровень масла по щупу.
Note: Уровень масла по щупу должен быть на отметке High (Высокий) или между отметками Low (Низкий) и High (Высокий). Если уровень масла ниже отметки Low (Низкий), выполните следующие действия:
-
Снимите крышку заливной горловины (Рисунок 92) и добавьте масло, пока его уровень не достигнет отметки High (Высокий). Не допускайте переполнения.
Important: Используйте корпус фильтра с гибким шлангом или воронку для заправки масла в машину.

-
Установите крышку маслозаливной горловины и масломерный щуп.
-
Замена масляного фильтра двигателя
| Периодичность технического обслуживания | Порядок технического обслуживания |
|---|---|
| Через каждые 250 часов |
|
-
Установите машину на горизонтальной поверхности, остановите двигатель и выньте ключ зажигания.
-
Откройте передний капот.
-
Установите поддон для слива или несколько отрезков ткани под масляный фильтр и переходник масляного фильтра (Рисунок 93).

-
Поверните масляный фильтр против часовой стрелки и снимите его (Рисунок 93).
Note: Удалите в отходы масляный фильтр.
-
Используя чистую ветошь, тщательно протрите поверхность переходника в зоне посадки масляного фильтра чистой ветошью.
-
Заполните новый масляный фильтр моторным маслом указанного типа.
-
Нанесите тонкий слой моторного масла указанного типа на уплотнение масляного фильтра.
-
Совместите масляный фильтр с переходником и поверните его по часовой стрелке, пока уплотнение масляного фильтра не войдет в контакт с переходником (Рисунок 93).
Important: Не используйте ленточный ключ для установки нового масляного фильтра. Этот ключ может сделать вмятины в корпусе масляного фильтра и привести к утечке.
-
От руки затяните масляный фильтр еще на 1/2 оборота (Рисунок 93).
-
Удалите поддон для слива масла или ветошь, которую вы поместили при выполнении действий, указанных в пункте 3, и удалите отработанное масло в отходы в соответствии с местными правилами.
Замена масла в двигателе
| Периодичность технического обслуживания | Порядок технического обслуживания |
|---|---|
| Через каждые 250 часов |
|
-
Установите машину на горизонтальной поверхности, остановите двигатель и выньте ключ зажигания.
Предупреждение
Перед сливом масла дайте двигателю и маслу остыть. Горячее масло может привести к серьезным травмам.
-
Убедитесь, что сливной шланг (Рисунок 94) аккуратно вытянут вверх и что конец шланга помещен в сливной поддон.

-
Откройте сливной кран (Рисунок 94).
-
Слейте масло в сливной поддон.
-
Когда масло перестанет течь, закройте сливной клапан (Рисунок 94).
-
Установите сливной шланг обратно в исходное положение (Рисунок 94).
-
Замените масляный фильтр двигателя, см. Замена масляного фильтра двигателя.
-
Снимите крышку с маслозаливной горловины, потянув крышку вверх.

Note: Используйте воронку с гибким присоединенным шлангом, чтобы залить моторное масло в двигатель.
-
Залейте в картер двигателя приблизительно 7,5 литров (7.9 кварт США) моторного масла указанного типа; см. Замена масла и масляного фильтра в двигателе.
-
Установите крышку маслозаливной горловины.
-
Запустите двигатель и дайте ему поработать без нагрузки примерно две минуты, проверьте отсутствие утечки масла.
-
Выключите двигатель и выньте ключ зажигания.
-
Подождите 2-3 минуты и проверьте уровень масла, см. Проверка уровня масла в двигателе.
Регулировка зазоров в клапанах двигателя
| Периодичность технического обслуживания | Порядок технического обслуживания |
|---|---|
| Через первые 250 часа |
|
| Через каждые 2000 часов |
|
См. информацию по процедуре регулировки в Руководстве владельца двигателя, прилагаемом к машине.
Если вы не можете отрегулировать зазоры в клапанах, обратитесь к вашему официальному дилеру компании Toro по техобслуживанию.
Техническое обслуживание топливной системы
Опасно
При определенных условиях дизельное топливо и пары топлива являются легковоспламеняющимися и взрывоопасными. Возгорание или взрыв топлива могут вызвать ожоги у людей и повредить имущество.
-
Пользуйтесь воронкой и заправляйте топливный бак вне помещения, на открытом месте, когда двигатель выключен и холодный. Сразу же вытирайте пролитое топливо.
-
Не заправляйте топливный бак до предела. Заливайте топливо в топливный бак до уровня, не доходящего 25 мм до нижнего края заливной горловины. Это пустое пространство в баке позволит топливу расширяться.
-
Запрещается курить при работе с топливом. Держитесь подальше от открытого пламени и от мест, где пары топлива могут воспламениться от искр.
-
Храните топливо в чистой, разрешенной правилами техники безопасности емкости с закрытой крышкой.
Слив воды из топливного фильтра
| Периодичность технического обслуживания | Порядок технического обслуживания |
|---|---|
| Через каждые 50 часов |
|
-
Установите машину на горизонтальной поверхности, остановите двигатель и выньте ключ зажигания.
-
Откройте передний капот.
-
Поместите сливной поддон под топливный фильтр грубой очистки (Рисунок 96).

-
Поверните сливной клапан в нижней части топливного фильтра грубой очистки на 2-3 оборота против часовой стрелки и слейте воду и осадки (при наличии) из топливного фильтра (Рисунок 96).
Note: Если в водоотделителе имеется какое-либо количество воды или осадка, также слейте воду и осадок из топливного бака; см. Слив воды из топливного бака.
-
После начала выхода чистого топлива поверните сливной клапан по часовой стрелке для закрытия.
Note: Не допускайте чрезмерной затяжки сливного клапана.
-
Прокачайте топливную систему; см. раздел Прокачка топливной системы.
Слив воды из топливного бака
-
Установите машину на горизонтальной поверхности, остановите двигатель и выньте ключ зажигания.
-
Подставьте сливной поддон под сливную пробку топливного бака.
-
Ослабляйте сливную пробку, пока из отверстия не начнет выходить вода и осадок (Рисунок 97).

-
Очистите резьбовую поверхность сливной пробки и нанесите 3 слоя уплотнительной ленты из тефлона.
-
Очистите уплотнительное кольцо, если оно отсоединяется.
-
Когда начнет выходить чистое топливо, установите уплотнительное кольцо и сливную пробку, надежно затяните ее.
-
Проверьте сливную пробку топливного бака на отсутствие утечек.
Прокачка топливной системы
Note: Прокачивайте топливную систему в любом из следующих случаев:
-
Вы слили воду из топливного фильтра.
-
Вы заменили топливный фильтр.
-
Вы дали двигателю поработать до полного опорожнения топливного бака или слили топливо из топливного бака.
-
Установите машину на горизонтальной поверхности, остановите двигатель и выньте ключ зажигания.
-
Откройте передний капот.
-
Убедитесь, что двигатель и выхлопная система остыли.
-
Убедитесь, что топливный бак заполнен по крайней мере на 1/4.
-
Поверните выключатель массы аккумулятора по часовой стрелке в положение ВКЛ.
-
Найдите кнопку прокачки в верхней части переходника топливного фильтра грубой очистки (Рисунок 98).

-
Нажимайте и отпускайте кнопку прокачки до тех пор, пока не почувствуете сопротивление при ее нажатии (Рисунок 98).
-
Если двигатель не запускается после прокачки топливной системы и нескольких попыток запуска, стравите воздух из топливных линий высокого давления, см. Руководство владельца двигателя или свяжитесь с официальным дилером по техобслуживанию компании Toro.
Предупреждение
Топливная система находится под высоким давлением. Стравливание воздуха из системы без соблюдения мер предосторожности и обучения может привести к травмированию струей жидкости под высоким давлением, воспламенению или взрыву.
Прочитайте о правильной процедуре стравливания в Руководстве для владельца двигателя или свяжитесь с официальным дилером компании Toro.
Замена топливных фильтров
| Периодичность технического обслуживания | Порядок технического обслуживания |
|---|---|
| Через каждые 250 часов |
|
Замена топливного фильтра грубой очистки
-
Установите машину на горизонтальной поверхности, остановите двигатель и выньте ключ зажигания.
-
Откройте передний капот, см. Открывание переднего капота.
-
Подложите чистую ветошь под топливный фильтр грубой очистки (Рисунок 98).
-
Ослабьте хомуты шлангов и отсоедините топливный фильтр грубой очистки от топливных шлангов (Рисунок 98).
Note: Не снимайте хомуты с шлангов.
Note: Удалите топливный фильтр в отходы.
-
Совместите новый топливный фильтр грубой очистки со шлангами, ориентируясь по стрелке, нанесенной на фильтре и направленной вперед.
-
Наденьте шланги на шланговые фитинги топливного фильтра грубой очистки и затяните хомуты шлангов (Рисунок 98).
-
Замените топливный фильтр тонкой очистки; см. Замена топливного фильтра тонкой очистки.
Замена топливного фильтра тонкой очистки
-
Установите машину на горизонтальной поверхности, остановите двигатель и выньте ключ зажигания.
-
Откройте передний капот, см. Открывание переднего капота.
-
Установите поддон для слива или уложите ветошь под топливный фильтр тонкой очистки и переходник топливного фильтра (Рисунок 99).

-
Поверните топливный фильтр против часовой стрелки и снимите его (Рисунок 99).
Note: Удалите топливный фильтр в отходы.
-
Тщательно протрите поверхность переходника в зоне посадки топливного фильтра чистой ветошью.
-
Заполните новый топливный фильтр топливом указанного типа.
-
Совместите топливный фильтр с переходником и поверните его по часовой стрелке, пока уплотнение топливного фильтра не войдет в контакт с переходником (Рисунок 99).
Important: Не используйте ленточный ключ для установки нового топливного фильтра. Этот ключ может сделать вмятины в корпусе топливного фильтра и привести к утечке.
-
От руки затяните топливный фильтр еще на 1/2 оборота (Рисунок 99).
-
Удалите поддон для слива или ветошь, уложенную при выполнении действий, указанных в пункте 3, и удалите использованное топливо в отходы в соответствии с местными правилами.
Проверка топливных трубопроводов и соединений
| Периодичность технического обслуживания | Порядок технического обслуживания |
|---|---|
| Через каждые 500 часов |
|
Проверьте топливные трубопроводы и соединения на ухудшение качества, повреждения или ослабление соединений.
Опорожнение и очистка топливного бака
| Периодичность технического обслуживания | Порядок технического обслуживания |
|---|---|
| Через каждые 1000 часов |
|
Слейте топливо из топливного бака и очистите его, если система загрязнена или если машина будет храниться в течение длительного периода времени. Для промывки бака используйте чистое топливо. Указания по сливу см. в Слив воды из топливного бака.
Note: Выполните эту процедуру при низком уровне топлива, чтобы не потребовалось сливать большой объем топлива.
Техническое обслуживание электрической системы
Правила техники безопасности при работе с аккумуляторами
-
Прежде чем ремонтировать машину, установите выключатель массы аккумулятора в положение ВЫКЛ.
-
Заряжайте аккумулятор в открытом, хорошо проветриваемом месте, вдали от искр и открытого огня. Отсоединяйте зарядное устройство перед подсоединением или отсоединением аккумулятора. Используйте защитную одежду и электроизолированный инструмент.
Обслуживание аккумулятора
| Периодичность технического обслуживания | Порядок технического обслуживания |
|---|---|
| Через каждые 50 часов |
|
Important: Перед выполнением на машине сварочных работ отсоедините от аккумуляторной батареи отрицательный кабель для предотвращения повреждения электрической системы. Также отсоедините контроллеры двигателя и машины перед проведением сварки на машине.
Note: Проверяйте состояние аккумулятора еженедельно или после каждых 50 часов работы. Содержите клеммы и весь аккумулятор в чистоте, потому что грязный аккумулятор медленно разряжается. Для очистки аккумулятора промойте весь его корпус раствором питьевой соды в воде. Промойте чистой водой. Для предотвращения коррозии нанесите на оба полюсных штыря аккумуляторной батареи и на кабельные наконечники смазку Grafo 112X (покровную), № по каталогу Toro 505-47 или технический вазелин.
Предупреждение
Воздействие кислоты из аккумулятора или его взрыв могут привести к серьезной травме.
Перед техническим обслуживанием аккумулятора оденьте средство защиты лица, защитные перчатки и одежду.
Предупреждение
Аккумулятор содержит серную кислоту, которая может вызвать серьезные ожоги; а также аккумуляторы могут выделять взрывоопасные газы.
-
Не допускайте попадания кислоты на кожу, в глаза, и на одежду; промойте места, подверженные воздействию, водой.
-
Если кислота попала внутрь, выпейте большое количество воды или молока. Не вызывайте рвоту. Немедленно обратитесь за медицинской помощью.
-
Следите, чтобы вблизи аккумуляторной батареи не было искр, открытого пламени, зажженных сигарет и сигар.
-
Провентилируйте аккумуляторную батарею, когда вы заряжаете ее или используете в закрытом помещении.
-
Используйте средства глаз при работе рядом с аккумуляторной батареей.
-
После любых действий с аккумулятором вымойте руки.
-
Держите аккумулятор вне доступа детей.
Предупреждение
Если вы попытаетесь зарядить замерзший аккумулятор или произвести запуск двигателя от внешнего источника, аккумулятор может взорваться и нанести травмы вам или находящимся рядом людям.
Для предотвращения замерзания электролита в аккумуляторе храните его полностью заряженным.
Предупреждение
-
Искры или пламя могут вызвать взрыв газообразного водорода в аккумуляторе.
-
При отсоединении кабелей от аккумулятора сначала отсоединяйте отрицательный (-) кабель.
-
При подсоединении кабелей к аккумулятору подсоединяйте отрицательный (-) кабель последним.
-
Не замыкайте накоротко штыри аккумулятора металлическим предметом.
-
Не производите сварку, шлифование и не курите рядом с аккумуляторной батареей.
Note: Напряжение в электрической системе данной машины составляет 12 Вольт.
Зарядка аккумулятора
Предупреждение
При зарядке аккумулятора выделяются взрывоопасные газы.
Не курите вблизи аккумуляторной батареи и следите, чтобы вблизи батареи не было источников искр или пламени.
Important: Храните аккумулятор полностью заряженным. Это особенно важно для предотвращения повреждения аккумуляторной батареи при температуре ниже 0 °C.
-
Установите машину на горизонтальной поверхности, остановите двигатель и выньте ключ зажигания.
-
Откройте передний капот.
-
Очистите внешнюю поверхность корпуса аккумулятора и штыри.
Note: Перед подсоединением зарядного устройства к источнику электропитания подсоедините провода зарядного устройства к полюсным штырям аккумуляторной батареи.
-
Посмотрите на аккумулятор и определите положительный и отрицательный штыри аккумулятора.
-
Подсоедините положительный провод зарядного устройства к положительному штырю аккумулятора (Рисунок 100).

-
Подсоедините отрицательный провод зарядного устройства к отрицательному штырю аккумуляторной батареи (Рисунок 100).
-
Подсоедините зарядное устройство к источнику электропитания и зарядите аккумуляторную батарею, как показано в приведенной ниже таблице зарядки аккумуляторных батарей.
Important: Не допускайте избыточного заряда аккумулятора.
Таблица зарядки аккумуляторных батарей
Настройка зарядного устройства Время зарядки 4–6 Ампер 30 минут 25–30 Ампер 10–15 минут -
После полной зарядки аккумулятора отсоедините зарядное устройство от источника электропитания и штырей аккумулятора (Рисунок 100).
Запуск двигателя машины от внешнего источника
Предупреждение
При запуске от внешнего источника из аккумулятора могут выделяться газы, которые могут взорваться.
Не курите около аккумулятора и не допускайте появления искр или пламени поблизости от аккумулятора.
Note: Для выполнения данной процедуры требуется два человека. Убедитесь, что человек, который подсоединяет кабели, использует подходящие средства защиты лица, защитные перчатки и одежду.
-
Установите машину на горизонтальной поверхности, остановите двигатель и выньте ключ зажигания.
-
Откройте передний капот.
-
Убедитесь, что все органы управления находятся в нейтральном положении.
-
Сядьте в сиденье оператора, другой человек выполняет соединения.
Note: Убедитесь, что напряжение внешнего аккумулятора составляет 12 В.
Important: Если вы используете другую машину в качестве источника питания, убедитесь, что машины не касаются друг друга.
-
Подготовьтесь к запуску двигателя; см. Пуск и останов двигателя.
-
Снимите крышку со штыря запуска от внешнего источника (Рисунок 101).

-
Подсоедините положительный (+) соединительный кабель к положительному штырю внешнего источника (Рисунок 101).
-
Подсоедините отрицательный (-) соединительный кабель к точке заземления, такой как неокрашенный болт или деталь шасси (Рисунок 101).
-
Запустите двигатель; см. Пуск и останов двигателя.
Important: Если двигатель запускается, а затем останавливается, не включайте стартер до тех пор, пока он не перестанет вращаться. Не включайте стартер более чем на 30 секунд за одну попытку. Подождите 30 секунд, прежде чем включать стартер, чтобы охладить его электродвигатель и накопить заряд в аккумуляторе.
-
Когда двигатель запустится, другой человек должен отсоединить отрицательный (-) соединительный кабель от рамы и затем положительный (+) соединительный кабель (Рисунок 101).
Техническое обслуживание приводной системы
Проверка уровня масла в планетарном редукторе опускаемой стойки
| Периодичность технического обслуживания | Порядок технического обслуживания |
|---|---|
| Через первые 100 часа |
|
| Через каждые 500 часов |
|
Характеристики масла: SAE 85W-140, уровень GL4 по классификации API
Заправочный объем масла планетарного редуктора: приблизительно 1,2 л
Сервисный центр официального дилера Toro может предложить высококачественное масло для зубчатых передач Toro. Номера масла см. в каталоге запчастей.
-
Проверьте уровень масла по смотровому стеклу на каждом планетарном редукторе опускаемой стойки (Рисунок 102).
Note: Уровень масла должен доходить до середины смотрового стекла.

-
Снимите крышку сапуна и долейте масло в планетарный редуктор так, чтобы уровень масла доходил как минимум до середины смотрового стекла (Рисунок 102).
-
Повторите эти действия для другого планетарного редуктора опускаемой стойки.
Проверка уровня масла в планетарном редукторе гусеничного привода
| Периодичность технического обслуживания | Порядок технического обслуживания |
|---|---|
| Через каждые 50 часов |
|
Характеристики масла: SAE 85W-140, уровень GL4 по классификации API
Заправочный объем масла планетарного редуктора: приблизительно 1,4 л
Сервисный центр официального дилера Toro может предложить высококачественное масло для зубчатых передач Toro. Номера масла см. в каталоге запчастей.
-
Установите машину на горизонтальной поверхности, остановите двигатель и выньте ключ зажигания.
-
Очистите поверхность вокруг контрольной пробки уровня масла с помощью очищающего растворителя (Рисунок 103).

-
Отверните контрольную пробку уровня масла (Рисунок 103).
Note: Уровень масла правильный, когда оно доходит до нижней части отверстия для контрольной пробки уровня масла.
-
Если масло ниже нижней части отверстия, долейте масло указанного типа, пока оно не станет на уровне нижней части отверстия.
-
Установите и затяните контрольную пробку уровня масла.
Замена масла в планетарном редукторе гусеничного привода
| Периодичность технического обслуживания | Порядок технического обслуживания |
|---|---|
| Через первые 250 часа |
|
| Через каждые 800 часов |
|
Note: Если возможно, замените масло, пока оно теплое.
-
Установите машину на ровной поверхности.
-
Очистите поверхность вокруг контрольной пробки уровня масла (Рисунок 103).
-
Поверните планетарный редуктор так, чтобы пробка маслосливного отверстия находилась прямо под контрольной пробкой уровня масла (Рисунок 103).
-
Остановите двигатель и извлеките ключ из замка зажигания.
-
Подставьте сливной поддон под сливное отверстие.
-
Отверните контрольную пробку уровня масла и пробку маслосливного отверстия.
-
Установите пробку маслосливного отверстия.
-
Заполните маслом планетарный редуктор с цепной передачей так, чтобы масло находилось на одном уровне с нижним краем отверстия под контрольную пробку уровня масла.
-
Установите контрольную пробку уровня масла.
-
Повторите действия, описанные в пунктах 1 – 9, чтобы заменить масло в планетарном редукторе с другой стороны машины.
Проверка уровня масла в редукторе планетарно-роторного гидромотора
| Периодичность технического обслуживания | Порядок технического обслуживания |
|---|---|
| Через первые 100 часа |
|
| Через каждые 500 часов |
|
Характеристики масла: SAE 85W-140, уровень GL4 по классификации API
Заправочный объем масла планетарного редуктора: приблизительно 0,24 л
Сервисный центр официального дилера Toro может предложить высококачественное масло для зубчатых передач Toro. Номера масла см. в каталоге запчастей.
-
Установите машину на горизонтальной поверхности, остановите двигатель и выньте ключ зажигания.
-
Проверьте уровень масла по смотровому стеклу на редукторе планетарно-роторного гидромотора (Рисунок 104).
Note: Уровень масла должен доходить до 3/4 смотрового стекла.

-
Если уровень масла низкий, снимите контрольную пробку уровня масла (Рисунок 104).
-
Установите и затяните контрольную пробку уровня масла.
Проверка уровня масла в планетарном мотор-редукторе напорного механизма
| Периодичность технического обслуживания | Порядок технического обслуживания |
|---|---|
| Через первые 100 часа |
|
| Через каждые 500 часов |
|
Характеристики масла: SAE 85W-140, уровень GL4 по классификации API
Заправочный объем масла планетарного редуктора: приблизительно 0,24 л
-
Установите машину на горизонтальной поверхности, выключите двигатель и извлеките ключ из замка зажигания.
-
Проверьте уровень масла по смотровому стеклу на каждом планетарном мотор-редукторе напорного механизма (Рисунок 106).
Note: Уровень масла должен доходить до середины смотрового стекла.

-
Снимите крышку сапуна и долейте масло в планетарный редуктор так, чтобы уровень масла доходил как минимум до середины смотрового стекла (Рисунок 106).
-
Повторите эти действия для всех четырех планетарных мотор-редуктор напорного механизма.
Проверка уровня масла в редукторном приводе
| Периодичность технического обслуживания | Порядок технического обслуживания |
|---|---|
| Через первые 100 часа |
|
| Через каждые 500 часов |
|
Характеристики масла: SAE 85W-140, уровень GL4 по классификации API
Заправочный объем масла планетарного редуктора: приблизительно 2,7 л
-
Установите машину на горизонтальной поверхности, выключите двигатель и извлеките ключ из замка зажигания.
-
Проверьте уровень масла по смотровому стеклу на редукторном приводе (Рисунок 106).
Note: Уровень масла должен доходить до середины смотрового стекла.

-
Снимите крышку сапуна и долейте масло в редукторный привод так, чтобы уровень масла доходил как минимум до середины смотрового стекла (Рисунок 106).
Замена масла в редукторном приводе
| Периодичность технического обслуживания | Порядок технического обслуживания |
|---|---|
| Через первые 100 часа |
|
| Через каждые 500 часов |
|
Note: Если возможно, замените масло, пока оно теплое.
-
Установите машину на горизонтальной поверхности и переместите каретку до упора назад.

-
Остановите двигатель и извлеките ключ из замка зажигания.
-
Удалите два болта с шайбами в ограждении каретки (вид B на Рисунок 107).
-
Удалите два болта с шайбами и гайками в боковой части ограждения каретки (вид C на Рисунок 107).
-
Сдвиньте ограждение каретки вперед (вид D на Рисунок 107).
-
Отверните 6 болтов на редукторе (вид E на Рисунок 107).
-
Снимите крышку на редукторе и откачайте масло ручным насосом (вид F на Рисунок 107).
-
Залейте масло в редуктор так, чтобы его уровень поднялся выше середины смотрового стекла (Рисунок 106).
-
Очистите картер редуктора и крышку от герметика (Рисунок 108).

-
Нанесите по краю крышки новый автомобильный герметик, вулканизирующийся при комнатной температуре (RTV) (вид B на Рисунок 108).
-
Установите снова крышку на редуктор и вставьте, не затягивая, 6 болтов (вид E на Рисунок 107).
-
Установите ограждение каретки на место и вставьте, не затягивая, два болта (вид C на Рисунок 107).
-
Установите два болта, крепящие ограждение каретки на редуктор (вид B на Рисунок 107).
-
Затяните 6 болтов на редукторе и два болта в боковой части ограждения каретки.
Обслуживание гусениц
| Периодичность технического обслуживания | Порядок технического обслуживания |
|---|---|
| Перед каждым использованием или ежедневно |
|
Предупреждение
Консистентная смазка в гусеницах с гидравлическим приводом находится под очень высоким давлением; следите за тем, чтобы не отворачивать клапан консистентной смазки для регулировки натяжения гусениц более чем на один оборот за раз.
Если вы снимете клапан консистентной смазки для натяжения гусениц (находящийся в гидравлическом устройстве натяжения гусениц) или слишком сильно ослабите его затяжку, может произойти выброс консистентной смазки под высоким давлением наружу, что может стать причиной серьезной травмы или гибели.
Увеличение натяжения гусеницы
Если гусеницы кажутся ослабленными, увеличьте их натяжение следующим образом:
-
Установите машину на горизонтальной поверхности, выключите двигатель и извлеките ключ из замка зажигания.
-
Удалите грязь и мусор вокруг клапана консистентной смазки для натяжения гусениц (Рисунок 109).
Important: Убедитесь, что зона вокруг клапана консистентной смазки для регулировки натяжения гусениц очищена, прежде чем начать регулировать натяжение.
-
Снимите оставшиеся болты и крышку, закрывающую клапан консистентной смазки для натяжения гусениц.
-
Заправляйте консистентную смазку в масленку, пока натяжение не достигнет 310,26 бар, как показано на Рисунок 109.

-
Удалите излишки смазки вокруг клапана.
-
Установите крышку и крепежные болты.
-
Чтобы увеличить натяжение гусеницы с другой стороны, повторите действия, указанные в пунктах 2 – 6.
Уменьшение натяжения гусеницы
Если гусеницы кажутся сильно натянутыми, уменьшите их натяжение следующим образом:
-
Установите машину на горизонтальной поверхности, выключите двигатель и извлеките ключ из замка зажигания.
-
Удалите грязь и мусор вокруг клапана консистентной смазки для натяжения гусениц (Рисунок 109).
Important: Убедитесь, что зона вокруг клапана консистентной смазки для регулировки натяжения гусениц очищена, прежде чем начать регулировать натяжение.
-
Снимите оставшиеся болты и крышку, закрывающую клапан консистентной смазки для натяжения гусениц.
-
Поверните клапан консистентной смазки для натяжения гусеницы в направлении против часовой стрелки не более чем на 1 оборот (Рисунок 109).
Note: При одном обороте будет выпущена консистентная смазка и уменьшится натяжение гусеницы.
-
Когда натяжение достигнет 310,26 бар, поверните клапан консистентной смазки для натяжения гусеницы по часовой стрелке, чтобы затянуть его.
-
Удалите излишки смазки вокруг клапана.
-
Установите крышку и крепежные болты.
-
Чтобы уменьшить натяжение гусеницы с другой стороны, повторите действия, указанные в пунктах 2 – 7.
Техническое обслуживание системы охлаждения
Характеристики охлаждающей жидкости: раствор этиленгликолевого антифриза в воде или его эквивалент в соотношении 50/50
Объем заправки охлаждающей жидкости в двигатель и радиатор: 16,8 л
Предупреждение
Если вы снимете крышку радиатора на горячем двигателе, может произойти выброс горячей охлаждающей жидкости, что может вызвать ожог.
-
Используйте средство защиты лица при открывании крышки радиатора.
-
Подождите, пока система охлаждения не остынет до температуры ниже 50 °C, прежде чем открывать крышку радиатора.
-
Следуйте указаниям по проверке и техническому обслуживанию системы охлаждения двигателя.
Предупреждение
Охлаждающая жидкость ядовитая.
-
Храните охлаждающую жидкость в месте, недоступном для детей и домашних животных.
-
Если вы не будете использовать ту же охлаждающую жидкость снова, удалите ее в отходы в соответствии с местными правилами охраны окружающей среды.
Правила техники безопасности при работе с системой охлаждения
-
Проглатывание охлаждающей жидкости двигателя может вызвать отравление. Храните ее в месте, недоступном для детей и домашних животных.
-
Выброс под давлением горячей охлаждающей жидкости или прикосновение к горячему радиатору и расположенным рядом деталям могут привести к тяжелым ожогам.
-
Прежде чем снимать крышку радиатора, подождите не менее 15 минут, чтобы двигатель остыл.
-
При открывании крышки радиатора используйте ветошь; открывайте крышку медленно, чтобы выпустить пар.
-
Проверка уровня охлаждающей жидкости в радиаторе
| Периодичность технического обслуживания | Порядок технического обслуживания |
|---|---|
| Перед каждым использованием или ежедневно |
|
Предупреждение
Если двигатель работал, радиатор будет находиться под давлением и охлаждающая жидкость внутри него будет горячей. При снятии крышки охлаждающая жидкость может выплеснуться и причинить тяжелые ожоги.
Снимать крышку радиатора при разогретом двигателе запрещено. Дайте двигателю остыть в течение не менее 15 минут или дождитесь, пока крышка радиатора не остынет до такой степени, чтобы к ней можно было прикасаться без риска получить ожог.
Note: Система охлаждения заправляется раствором этиленгликолевого антифриза в воде в соотношении 50/50.
-
Установите машину на горизонтальной поверхности, выключите двигатель и извлеките ключ из замка зажигания.
-
Дайте двигателю остыть.
-
Откройте заднюю дверцу доступа.
-
Проверьте уровень охлаждающей жидкости по указателю на торцевой поверхности бака радиатора (Рисунок 110).

-
Если уровень охлаждающей жидкости низкий, добавьте охлаждающую жидкость до низа заливной горловины; см. Заполнение системы охлаждающей жидкостью.
Important: Не переполняйте радиатор.
-
Если уровень охлаждающей жидкости нормальный, закройте заднюю дверцу доступа.
-
Проверка состояния компонентов системы охлаждения
| Периодичность технического обслуживания | Порядок технического обслуживания |
|---|---|
| Через каждые 300 часов |
|
Проверьте состояние системы охлаждения, убедитесь в отсутствии протечек, повреждений, загрязнений или ослабления крепления шлангов и хомутов. Очистите, отремонтируйте, затяните и замените компоненты при необходимости.
Проверка концентрации охлаждающей жидкости
| Периодичность технического обслуживания | Порядок технического обслуживания |
|---|---|
| Через каждые 1000 часов |
|
Проверьте концентрацию этиленгликолевого антифриза в охлаждающей жидкости. Убедитесь, что охлаждающая жидкость представляет собой смесь 50% этиленгликоля и 50% воды или эквивалентную смесь.
Note: Смесь 50% этиленгликоля и 50% воды защитит двигатель до температуры -37°C в течение всего года.
Используя прибор для проверки концентрации, проверьте концентрацию смеси охлаждающей жидкости, чтобы убедиться, что она представляет собой смесь 50% этиленгликоля и 50% воды или эквивалентную смесь; см. указания изготовителя по проведению проверки.
Очистка системы охлаждения
| Периодичность технического обслуживания | Порядок технического обслуживания |
|---|---|
| Через каждые 1000 часов |
|
Слив охлаждающей жидкости из системы
Important: Не сливайте охлаждающую жидкость на землю или в неутвержденную к применению емкость, которая может протечь.
-
Установите машину на горизонтальной поверхности, выключите двигатель и извлеките ключ из замка зажигания.
-
Дайте двигателю остыть.
-
Откройте заднюю дверцу доступа.
Note: Посмотрите влево, когда вы откроете заднюю дверцу доступа; там вы найдете сливную пробку, скрытую в заднем левом углу.
-
Подставьте под сливную пробку сливной поддон (Рисунок 111).
Note: Заправочный объем охлаждающей жидкости для двигателя и радиатора составляет в общей сложности 16,8 л.

-
Откройте пробку сливного отверстия радиатора и дождитесь полного слива жидкости из системы охлаждения.
Note: Утилизируйте использованную охлаждающую жидкость надлежащим образом в соответствии с местными правилами.
-
Очистите резьбовую поверхность сливной пробки и нанесите 3 слоя уплотнительной ленты из тефлона.
-
Закройте пробку сливного отверстия (Рисунок 111).
Промывка системы охлаждения
Объем заправки охлаждающей жидкости в двигатель и радиатор: 16,8 л.
-
Установите машину на горизонтальной поверхности, выключите двигатель и извлеките ключ из замка зажигания.
-
Очистите систему охлаждения следующим образом:
-
Убедитесь, что охлаждающая жидкость слита из радиатора и что пробка сливного отверстия закрыта; см. Слив охлаждающей жидкости из системы.
-
Залейте чистящий раствор для системы охлаждения в радиатор через заливную горловину (Рисунок 112).
Note: Используйте чистящий раствор, содержащий 21 г (12 сухих унций) соды на каждые 17 л воды; или же используйте имеющуюся в продаже эквивалентную жидкость. Следуйте указаниям изготовителя чистящего раствора.

-
Закройте пробку сливного отверстия (Рисунок 111).
Important: Не устанавливайте крышку радиатора.
-
Дайте двигателю поработать в течение 5 минут или пока температура охлаждающей жидкости не достигнет 82 °C по индикатору, затем остановите двигатель.
Предостережение
Чистящий раствор горячий, он может вызвать ожоги.
Держитесь подальше от места слива охлаждающей жидкости на сливной пробке.
-
Откройте пробку сливного отверстия радиатора и слейте чистящий раствор в сливной поддон.
-
Очистите резьбовую поверхность сливной пробки и нанесите 3 слоя уплотнительной ленты из тефлона.
-
Закройте пробку сливного отверстия.
-
-
Промойте систему охлаждения следующим образом:
-
Откройте крышку заливной горловины.
-
Заполните радиатор чистой водой (Рисунок 113).

-
Закройте крышку заливной горловины.
-
Дайте двигателю поработать в течение 5 минут или пока температура охлаждающей жидкости не достигнет 82 °C по индикатору, затем остановите двигатель.
Предостережение
Вода горячая, она может вызвать ожоги.
Держитесь подальше от места слива охлаждающей жидкости на сливной пробке.
-
Откройте пробку сливного отверстия и слейте воду в сливной поддон.
-
Очистите резьбовую поверхность сливной пробки и нанесите 3 слоя уплотнительной ленты из тефлона.
-
Если вода, слитая из радиатора, грязная, выполните действия, описанные в пунктах 31 – 35, пока сливаемая из радиатора вода не будет чистой.
-
Закройте пробку сливного отверстия (Рисунок 111).
-
Заполнение системы охлаждающей жидкостью
Important: Необходимо правильно заполнить систему охлаждения, чтобы предотвратить образование воздушных пробок в каналах прохода охлаждающей жидкости. Несоблюдение требования о правильном удалении воздуха из системы охлаждения может привести к повреждению системы охлаждения и двигателя.
Important: Используйте смесь 50% этиленгликоля и 50% воды или ее эквивалент в машине. Самая низкая рабочая температура для этой смеси составляет выше -37 °C. Если температура окружающей среды ниже, скорректируйте смесь. Используйте смесь этиленгликоля и воды в машине круглый год.
-
Установите машину на горизонтальной поверхности, выключите двигатель и извлеките ключ из замка зажигания.
-
Отверните болты крышки доступа к охлаждающей жидкости между передним капотом и задней крышкой.

-
Снимите крышку радиатора (Рисунок 115).

-
Залейте в радиатор охлаждающую жидкость так, чтобы ее уровень дошел до низа заливной горловины (Рисунок 116).
Note: Заправочный объем охлаждающей жидкости для двигателя и радиатора составляет в общей сложности 16,8 л.

-
Установите на место крышку заливной горловины радиатора и убедитесь, что она надежно уплотнена (Рисунок 115).
-
Запустите двигатель и дайте ему поработать в режиме половины максимальной частоты вращения в течение пяти минут.
-
Выключите двигатель и выньте ключ зажигания.
-
Подождите 30 минут, затем проверьте уровень жидкости по визуальному указателю радиатора; см. Проверка уровня охлаждающей жидкости в радиаторе.
Note: Если он низкий, добавьте охлаждающую жидкость.
Техническое обслуживание ремней
Техническое обслуживание приводного ремня двигателя
Предупреждение
Контакт с вращающимся ремнем может стать причиной тяжелых травм и гибели.
Остановите двигатель и выньте ключ зажигания, прежде чем работать рядом с ремнями.
Проверка состояния ремня
| Периодичность технического обслуживания | Порядок технического обслуживания |
|---|---|
| Через каждые 250 часов |
|
-
Установите машину на горизонтальной поверхности, выключите двигатель и извлеките ключ из замка зажигания.
-
Откройте передний капот.
-
Осмотрите ремень на наличие порезов, трещин, ослабленных нитей корда, масла, перекручивания или признаков чрезмерного износа (Рисунок 117).
Note: Замените ремень в случае чрезмерного износа или повреждения.
Проверка натяжения ремня
| Периодичность технического обслуживания | Порядок технического обслуживания |
|---|---|
| Через каждые 1000 часов |
|
-
Установите машину на горизонтальной поверхности, выключите двигатель и извлеките ключ из замка зажигания.
-
Откройте передний капот.
-
Установите проверочную линейку на приводной ремень и шкивы, как показано на Рисунок 117.

-
Нажмите на ремень вниз в точке, расположенной посередине между шкивом вентилятора и шкивом генератора, как показано на Рисунок 117.
Note: Отклонение ремня от линейки должно составлять от 7 до 9 мм под нагрузкой 10 кг.
-
Если натяжение приводного ремня выше или ниже указанных пределов, отрегулируйте его; см. Регулировка натяжения ремня.
Регулировка натяжения ремня
-
Установите машину на горизонтальной поверхности, выключите двигатель и извлеките ключ из замка зажигания.
-
Откройте передний капот.
-
Ослабьте гайку и болт в шарнирном креплении генератора (Рисунок 118).

-
Ослабьте затяжку регулировочного болта на генераторе (Рисунок 118).
-
Отведите генератор в сторону от двигателя, чтобы увеличить натяжение ремня; подведите генератор ближе к двигателю, чтобы снизить натяжение ремня (Рисунок 118).
-
Затяните регулировочный болт генератора (Рисунок 118).
-
Проверьте натяжение ремня; см. Проверка натяжения ремня.
-
Если натяжение ремня правильное, затяните гайку и болт в шарнирном креплении генератора (Рисунок 118); в противном случае повторите действия, указанные в пунктах 4 – 7.
Техническое обслуживание гидравлической системы
Правила техники безопасности при работе с гидравлической системой
-
При попадании жидкости под кожу немедленно обратитесь к врачу. Если жидкость оказалась впрыснута под кожу, необходимо, чтобы врач удалил ее хирургическим путем в течение нескольких часов.
-
Перед подачей давления в гидравлическую систему убедитесь, что все гидравлические шланги и трубопроводы исправны, а все гидравлические соединения и штуцеры герметичны.
-
Не приближайтесь к местам точечных утечек или штуцерам, из которых под высоким давлением выбрасывается гидравлическая жидкость.
-
Для обнаружения гидравлических утечек используйте картон или бумагу.
-
Перед выполнением любых работ на гидравлической системе полностью сбросьте давление в гидравлической системе безопасным способом.
Обслуживание гидравлической жидкости
В бак гидросистемы заливается на заводе примерно 170 л высококачественной гидравлической жидкости. Перед первым запуском двигателя и затем ежедневно проверяйте уровень гидравлической жидкости. Рекомендуемая жидкость для замены:
Высококачественная всесезонная гидравлическая жидкость Toro (выпускается в 5-галлонных ведрах (19 литра) или 55-галлонных бочках (208 литра); обратитесь к официальному дилеру компании Toro для получения номеров по каталогу).
Альтернативные жидкости: При отсутствии жидкости Toro допускается использование других жидкостей при условии, что они соответствуют всем указанным далее характеристикам материала и требованиям отраслевых ТУ. Мы не рекомендуем использовать синтетическую жидкость. Для определения подходящего продукта проконсультируйтесь у местного дилера по смазочным материалам.
Note: Компания Toro не несет ответственность за повреждения, вызванные применением неподходящей рабочей жидкости, поэтому используйте только продукты признанных изготовителей, рекомендациям которых можно доверять.
| Свойства материалов: | ||
| Вязкость, ASTM D445 | 42,2 сСт при 40 °C | |
| 7,8 сСт при 100 °C | ||
| Индекс вязкости по ASTM D2270 | 158 | |
| Температура текучести, ASTM D97 | -6 °C | |
| Отраслевые ТУ: | Vickers I-286-S (уровень качества), Vickers M-2950-S (уровень качества), Denison HF-0 | |
Note: Многие гидравлические жидкости почти бесцветны, что затрудняет обнаружение точечных утечек. Красный краситель для добавки в жидкость для гидравлических систем поставляется в флаконах емкостью 20 мл. Одного флакона достаточно для 15–22 л гидравлического масла. Закажите гидравлическое масло у вашего официального дилера компании Toro.
Note: Если температура окружающей среды при работе превышает 43 °C, свяжитесь с компанией Toro для получения рекомендаций по рабочим жидкостям.
Проверка гидравлической жидкости
| Периодичность технического обслуживания | Порядок технического обслуживания |
|---|---|
| Перед каждым использованием или ежедневно |
|
Проверьте уровень гидравлической жидкости следующим образом:
-
Установите машину на горизонтальной поверхности, выключите двигатель и извлеките ключ из замка зажигания.
-
Подождите 10 минут, чтобы двигатель остыл и уровень гидравлического масла стабилизировался.
-
Откройте заднюю дверцу доступа.
-
Посмотрите на визуальный указатель в баке гидравлической жидкости и проверьте ее уровень (Рисунок 119).

-
Если уровень низкий, откройте крышку гидравлического бака Рисунок 120, добавьте небольшое количество масла и подождите в течение 2 минут, пока уровень масла в визуальном указателе не стабилизируется (Рисунок 119).
Note: Если температура масла соответствует температуре окружающей среды, или если двигатель в этот день еще не запускался, уровень масла должен находиться в пределах от 1/2 до 2/3 расстояния до отметки «Full» («Полный») визуального указателя.

-
Продолжайте добавлять рабочую жидкость указанного типа небольшими объемами, пока ее уровень не достигнет отметки «Full» («Полный») по указателю уровня.
-
Установите крышку на горловину заливного отверстия.
Замена гидравлической жидкости
| Периодичность технического обслуживания | Порядок технического обслуживания |
|---|---|
| Через каждые 1000 часов |
|
Important: В случае загрязнения рабочей жидкости обратитесь к официальному дилеру компании Toro, поскольку систему необходимо промыть. По сравнению с чистой загрязненная жидкость может выглядеть белесоватой или черной.
Important: Использование любого другого фильтра может привести к аннулированию гарантии на некоторые компоненты.
-
Установите машину на горизонтальной поверхности, выключите двигатель и извлеките ключ из замка зажигания.
-
Откройте заднюю дверцу доступа.
-
Поднимите машину с помощью подходящего оборудования.
Предупреждение
Подъем машины с использованием исключительно механических или гидравлических домкратов может быть опасным. Механические или гидравлические домкраты могут оказаться недостаточно прочными или выйти из строя, что приведет к падению машины и серьезной травме или гибели.
Не полагайтесь исключительно на механические или гидравлические домкраты для подъема машины.
Используйте подходящие подъемные или эквивалентные опоры.
-
Установите большую сливную емкость под бак с гидравлической жидкостью.
-
Удалите сливную пробку в днище бака.
-
Очистите резьбовую поверхность сливной пробки и нанесите 3 слоя уплотнительной ленты из тефлона.
-
Слейте гидравлическую жидкость в емкость.
Important: Вместимость бака гидравлической жидкости составляет 170 л, поэтому для слива жидкости у вас должна быть емкость с вместимостью как минимум 182 л.
-
Когда гидравлическая жидкость перестанет вытекать, установите на место сливную пробку.
-
Залейте гидравлическую жидкость в бак.
Important: Используйте только указанные гидравлические жидкости. Другие жидкости могут вызвать повреждение системы.
-
Поставьте крышку бака на место.
-
Запустите двигатель и поработайте всеми органами управления гидравликой, чтобы тщательно распределить гидравлическую жидкость по всей системе.
-
Проверьте на отсутствие утечек, затем остановите двигатель.
-
Проверьте уровень жидкости и добавьте необходимое количество, чтобы уровень поднялся до метки Full (Полный) на масломерном щупе.
Note: Не допускайте переполнения.
Замена фильтра линии нагнетания гидравлической жидкости
| Периодичность технического обслуживания | Порядок технического обслуживания |
|---|---|
| Через каждые 500 часов |
|
-
Установите машину на горизонтальной поверхности, выключите двигатель и извлеките ключ из замка зажигания.
-
Откройте передний капот.
-
Поместите сливной поддон или уложите ветошь под фильтр линии нагнетания гидравлической жидкости (Рисунок 121).

-
Поверните фильтр линии нагнетания гидравлической жидкости против часовой стрелки и снимите его (Рисунок 121).
Note: Удалите фильтр линии нагнетания гидравлической жидкости в отходы.
-
Тщательно протрите поверхность переходника в зоне посадки фильтра линии нагнетания гидравлической жидкости чистой ветошью.
-
Совместите фильтр линии нагнетания гидравлической жидкости с местом его посадки и поверните его по часовой стрелке, пока уплотнение фильтра не войдет в контакт с переходником (Рисунок 121).
Замена фильтра высокого давления гидросистемы
| Периодичность технического обслуживания | Порядок технического обслуживания |
|---|---|
| Через каждые 1000 часов |
|
Предупреждение
Прежде чем снимать фильтр высокого давления гидросистемы, убедитесь, что двигатель заглушен (положение OFF (Выкл.)) . В фильтре высокого давления гидросистемы имеется очень высокое давление, которое может стать причиной травмы или вызвать повреждение машины при выбросе наружу во время работы двигателя.
-
Установите машину на горизонтальной поверхности, выключите двигатель и выньте ключ из замка зажигания.
-
Откройте передний капот.
-
Поместите сливной поддон или уложите ветошь под фильтр линии нагнетания (Рисунок 122).

-
Поверните фильтр линии высокого давления гидросистемы против часовой стрелки и снимите его (Рисунок 122).
-
Тщательно протрите поверхность в зоне посадки фильтра высокого давления гидросистемы чистой ветошью.
-
Совместите фильтр высокого давления гидросистемы с местом его посадки и поверните его по часовой стрелке до достижения момента затяжки 61 Н-м (45 фунт-футов), как показано на (Рисунок 122).
Замена фильтра линии возврата гидросистемы
| Периодичность технического обслуживания | Порядок технического обслуживания |
|---|---|
| Через каждые 1000 часов |
|
-
Установите машину на горизонтальной поверхности, выключите двигатель и выньте ключ из замка зажигания.
-
Откройте заднюю дверцу доступа.
-
Поместите сливной поддон или уложите ветошь под фильтр линии нагнетания (Рисунок 123).

-
Держа одну руку под фильтром линии возврата гидросистемы, отверните 4 болта, как показано на Рисунок 123.
Note: На задней стороне есть еще два болта, которые нужно отвернуть.
-
Потяните вниз и снимите фильтр.
-
Тщательно протрите поверхность в зоне посадки фильтра линии возврата гидросистемы чистой ветошью.
-
Совместите новый фильтр линии возврата гидросистемы с местом его посадки и затяните 4 болта (Рисунок 123).
Проверка гидропроводов и шлангов
| Периодичность технического обслуживания | Порядок технического обслуживания |
|---|---|
| Через каждые 2 года |
|
Ежедневно проверяйте гидравлические линии и шланги на наличие утечек, перекрученных шлангов, незакрепленных опор, износа, незакрепленной арматуры, погодной и химической коррозии. Перед началом эксплуатации отремонтируйте все, что необходимо.
Предупреждение
Гидравлическая жидкость, выброшенная под давлением, может проникнуть под кожу и нанести травму.
-
Перед подачей давления в гидравлическую систему убедитесь, что все гидравлические шланги и трубопроводы исправны, а все гидравлические соединения и штуцеры герметичны.
-
Не приближайтесь к местам точечных утечек или штуцерам, из которых под высоким давлением выбрасывается гидравлическая жидкость.
-
Для обнаружения гидравлических утечек используйте картон или бумагу.
-
Перед выполнением любых работ на гидравлической системе полностью сбросьте давление в гидравлической системе безопасным способом.
-
При попадании жидкости под кожу немедленно обратитесь к врачу.
Проверка контрольных отверстий гидравлической системы
Контрольные отверстия используются для проверки давления в гидравлических контурах. Обратитесь в ближайший сервисный центр официального дилера для получения помощи.
Техническое обслуживание насоса бурового раствора
Техническое обслуживание масла в насосе бурового раствора
Насос бурового раствора отгружается с заправленным маслом в картере, однако до и после первого запуска двигателя необходимо проверить уровень масла.
Вместимость картера двигателя 3,8 л.
Используйте только высококачественное моторное масло, удовлетворяющее следующим техническим условиям:
-
Требуемый уровень по классификации API: CH-4, CI-4 или выше
-
Масло: SAE 80W-90, масло без моющих присадок при температуре выше 0 °C.
В сервисном центре официального дилера можно приобрести высококачественное моторное масло Toro. Номера масла см. в каталоге запчастей. Также смотрите дополнительные рекомендации в Руководстве по двигателю для оператора, прилагаемом к машине.
Проверка уровня масла в насосе бурового раствора
| Периодичность технического обслуживания | Порядок технического обслуживания |
|---|---|
| Перед каждым использованием или ежедневно |
|
-
Установите машину на горизонтальной поверхности, выключите двигатель и выньте ключ из замка зажигания.
-
Отверните контрольную пробку уровня масла в картере (Рисунок 124).
-
Если масло вытекает из контрольного отверстия уровня масла, заверните контрольную пробку проверки уровня.
Note: Уровень масла считается достаточным, если масло выливается из отверстия или по крайней мере находится на уровне контрольной пробки.
-
Если масло не вытекает из контрольного отверстия уровня или не находится на уровне контрольной пробки, установите контрольную пробку и откройте крышку маслозаливной горловины, чтобы долить масло указанного типа.

-
-
Убедитесь, что уровень масла находится на отметке заполнения, как показано на Рисунок 124.
Note: Если уровень масла ниже отметки заполнения, см. пункт 8 в Замена масла в насосе бурового раствора и долейте необходимое количество масла.
Замена масла в насосе бурового раствора
| Периодичность технического обслуживания | Порядок технического обслуживания |
|---|---|
| Через каждые 500 часов |
|
-
Установите машину на горизонтальной поверхности, выключите двигатель и извлеките ключ из замка зажигания.
-
Дайте двигателю остыть.
-
Опустите опорную раму и убедитесь, что установлен замок гидроцилиндра; см. Использование механизма блокировки цилиндра.
-
Удалите сливную пробку и подставьте сливной поддон под сливное отверстие (Рисунок 125).

-
Очистите резьбовую поверхность сливной пробки и нанесите 3 слоя уплотнительной ленты из тефлона.
-
Дайте маслу стечь из сливного отверстия в сливной поддон (Рисунок 125).
-
Установите сливную пробку.
-
Снимите крышку маслозаливной горловины (Рисунок 125) и залейте приблизительно 1,8 л масла или пока его уровень не достигнет контрольной пробки, как показано на Рисунок 124.
Замена фильтра линии нагнетания насоса бурового раствора
-
Установите машину на горизонтальной поверхности, выключите двигатель и извлеките ключ из замка зажигания.
-
Откройте передний капот.
-
Поместите сливной поддон или уложите ветошь под фильтр линии нагнетания (Рисунок 126).

-
Поверните фильтр линии нагнетания против часовой стрелки и снимите его (Рисунок 126).
Note: Удалите фильтр линии нагнетания в отходы.
-
Тщательно протрите поверхность в зоне посадки фильтра линии нагнетания чистой ветошью.
-
Совместите фильтр линии нагнетания с местом его посадки и поверните его по часовой стрелке, пока уплотнение фильтра не войдет в контакт с переходником (Рисунок 126).
Подготовка системы подачи бурового раствора к холодной погоде
Подготовьте машину следующим образом после бурения, если температура будет ниже 0 °C.
-
Установите машину на горизонтальной поверхности, выключите двигатель и извлеките ключ из замка зажигания.
-
Подготовьте машину к циркуляции антифриза следующим образом:
-
Подставьте сливной поддон под буровой шпиндель для сбора утечки антифриза (Рисунок 127).

-
Убедитесь, что крышка установлена на впускном отверстии насоса бурового раствора (Рисунок 128).

-
Снимите крышку бака антифриза насоса бурового раствора (Рисунок 129).

-
Убедитесь, что бак заполнен антифризом (Рисунок 129).
-
-
Произведите циркуляцию антифриза следующим образом:
-
Откройте клапан антифриза внутри заднего отсека (Рисунок 130).

-
Откройте клапан рядом с задним отсеком (Рисунок 131).

-
Запустите машину и включите насос бурового раствора.
-
Заправляйте бак антифризом по мере необходимости (Рисунок 129).
-
Когда антифриз будет выходить из бурового шпинделя (Рисунок 127), выключите насос.
-
-
Выключите машину.
-
Установите крышку бака антифриза (Рисунок 129).
-
Закройте клапан антифриза (Рисунок 130).
Техническое обслуживание кабины
Замена воздушного фильтра кабины
-
Откройте дверь кабины, см. Открытие двери (только для модели с кабиной).
-
Установите машину на горизонтальной поверхности, выключите двигатель и извлеките ключ из замка зажигания.
-
Отверните винт и снимите крышку воздушного фильтра (Рисунок 132).

-
Снимите воздушный фильтр с корпуса и замените фильтрующий элемент (Рисунок 133).

Заполнение бачка омывателя ветрового стекла
-
Откройте дверь кабины, см. Открытие двери (только для модели с кабиной).
-
Откройте крышку бачка омывателя ветрового стекла (Рисунок 134).

-
Полностью заполните бачок жидкостью для омывателя ветрового стекла (Рисунок 134).
-
Закройте крышку бачка омывателя ветрового стекла (Рисунок 134).
Очистка
Очистка с помощью съемного поливного шланга
| Периодичность технического обслуживания | Порядок технического обслуживания |
|---|---|
| Перед каждым использованием или ежедневно |
|
Машина поставляется со съемным поливным шлангом, который можно использовать для очистки машины и труб.
Important: Не распыляйте жидкость на какие-либо электронные компоненты машины и убедитесь, что капот закрыт, прежде чем очищать машину с помощью поливного шланга.
Important: Если температура наружного воздуха ниже точки замерзания, см. Подготовка системы подачи бурового раствора к холодной погоде, прежде чем очищать машину.
Чтобы использовать съемный поливной шланг, выполните следующие действия:
-
Установите машину на ровной поверхности.
-
С помощью правого джойстика отключите насос бурового раствора (положение ВЫКЛ), см. раздел Правый джойстик.
-
Убедитесь в наличии источника чистой воды, необходимого для подсоединения к насосу бурового раствора.
-
Убедитесь, что клапан рядом с задним отделением находится в закрытом положении (Рисунок 135).

-
Подсоедините съемный поливной шланг к штуцеру (Рисунок 136).

-
С помощью правого джойстика включите насос бурового раствора (положение ВКЛ).
-
Отрегулируйте расход бурового раствора, используя тумблерный переключатель, чтобы изменить требуемое давление воды.
Note: См. раздел Правый джойстик или Правый джойстик для получения информации о том, как увеличить или уменьшить расход бурового раствора.
-
Используя съемный поливной шланг, удерживайте рычаг нажатым вниз и произведите распыление на машину и трубы.
Очистка пластмассовых и композитных частей
Не используйте бензин, керосин, растворитель для красок и т.п. при очистке пластмассовых окон, консоли, блока приборов, монитора, манометров и т.п.
Использование бензина, керосина, растворителя для красок и т.п. для очистки пластмассовых или композитных частей может привести к потере окраски, трещинам или деформации этих частей.















































































































