Údržba
Důležité upozornění
V případě nesprávné údržby stroje může dojít k předčasnému selhání systémů stroje, což by mohlo vám nebo jiným osobám způsobit vážné zranění.
O stroj důkladně pečujte a udržujte jej v dobrém provozním stavu podle pokynů v této příručce.
Note: Levou a pravou stranu stroje určete vzhledem k běžné provozní poloze. Během provádění postupů údržby umístěte na stroj servisní značku.Po provedení údržby nebo čištění stroje vraťte zpět všechny krycí dveře a kryty. Pokud nejsou krycí dveře nebo kryty ve svých polohách, stroj nepoužívejte.
Note: Bezplatnou kopii elektrického nebo hydraulického schématu si můžete stáhnout na stránkách www.Toro.com, kde na domovské stránce vyhledáte svůj stroj v odkazech na návody.
Important: Další pokyny k postupům údržby naleznete v návodu k obsluze motoru.
Doporučený harmonogram údržby
| Servisní interval | Postup při údržbě |
|---|---|
| Po prvních 100 hodinách |
|
| Po prvních 250 hodinách |
|
| Při každém použití nebo denně |
|
| Po každých 50 hodinách provozu |
|
| Po každých 250 hodinách provozu |
|
| Po každých 300 hodinách provozu |
|
| Po každých 500 hodinách provozu |
|
| Po každých 800 hodinách provozu |
|
| Po každých 1000 hodinách provozu |
|
| Po každých 2000 hodinách provozu |
|
| Každý rok nebo před uskladněním |
|
| Každé 2 roky |
|
Důležité upozornění
V případě nesprávné údržby nebo opravy stroje hrozí nebezpečí zranění nebo smrti.
Pokud nerozumíte postupům údržby tohoto stroje, obraťte se na autorizované servisní středisko nebo si prostudujte servisní příručku pro tento stroj.
Důležité upozornění
Je-li stroj provozován bez krytů a štítů umístěných v příslušné poloze, hrozí vážné zranění nebo smrt.
Po provedení údržby nebo čištění stroje vraťte zpět všechny krycí dveře a kryty. Pokud nejsou krycí dveře nebo kryty ve svých polohách, stroj nepoužívejte.
Postupy před údržbou stroje
Bezpečnost před prováděním úkonů údržby
-
Před nastavováním, čištěním, opravou nebo opuštěním stroje proveďte následující:
-
Přepravte stroj na rovný povrch.
-
Vypněte stroj.
-
Otočte odpojovač akumulátoru do VYPNUTé polohy.
-
Počkejte, dokud se nezastaví všechny pohybující se části.
-
Před prováděním údržby nechejte vychladnout všechny součásti stroje.
-
-
Je-li to možné, neprovádějte údržbu se spuštěným motorem. Nepřibližujte se k pohybujícím se částem.
-
Pokud je třeba stroj nebo jeho součásti podepřít, použijte vhodné podstavce.
-
Opatrně uvolněte tlak z dílů s akumulovanou energií.
Otevření přední kapoty
-
Umístěte stroj na rovný povrch, vypněte motor a vyjměte klíč ze zapalování.
-
Zvedněte západku, viz Obrázek 69.
Note: Přesvědčte se, zda je klíč v OTEVřENé (vodorovné) poloze, viz Obrázek 69.

-
Vytáhněte nahoru západku kapoty, viz Obrázek 70.

-
Západku kapoty (Obrázek 70) držte vytaženou nahoře a zvedněte rukojeť, viz Obrázek 71.

Otevření zadních přístupových dveří
-
Umístěte stroj na rovný povrch, vypněte motor a vyjměte klíč ze zapalování.
-
Zatlačte na levou stranu rukojeti panelu a po uvolnění rukojeti panel otevřete (Obrázek 72).

Použití zámku válce
Důležité upozornění
Přítlačný rám se může snížit, je-li ve zvednuté poloze, což může vést k vážnému zranění nebo smrti.
Nainstalujte zámek válce před tím, než začnete provádět údržbu, jež vyžaduje zvednutý přítlačný rám.
Instalace zámku válce
Odstranění a uložení zámku válce
Mazání
Mazání vozidla
| Servisní interval | Postup při údržbě |
|---|---|
| Při každém použití nebo denně |
|
Typ maziva: Univerzální mazivo.
-
Umístěte stroj na rovný povrch, vypněte motor a vyjměte klíč ze zapalování.
-
Hadrem očistěte maznice.
-
Do každé maznice zasuňte mazací pistoli.
-
Pumpujte mazivo do maznice, dokud z ložisek nezačne vytékat mazivo (pumpujte přibližně 3x).
-
Otřete přebytečné mazivo.











Údržba motoru
Bezpečnost při údržbě motoru
-
Před kontrolou hladiny oleje a doplňováním oleje do klikové skříně vypněte motor.
-
Neměňte otáčky regulátoru a nepřekračujte maximální otáčky motoru.
Čištění odvětrávací trubky klikové skříně
| Servisní interval | Postup při údržbě |
|---|---|
| Při každém použití nebo denně |
|
Údržba systému vzduchového filtru
Important: Při kontrole znečištěných filtrů nevyjímejte čisticí vložky, ale postupujte následujícím způsobem.
Important: Nevyměňujte starý vzduchový filtr za filtr, který je starší než 5 let; zkontrolujte datum výroby na koncovém uzávěru čisticí vložky.
Note: Při každé údržbě systému vzduchového filtru zajistěte, aby byly řádně utaženy všechny spojky hadic a příruby. Vyměňte všechny poškozené součásti.
-
Přesvědčte se, zda není plášť vzduchového filtru poškozen, což by mohlo způsobit únik vzduchu. Je-li poškozen, vyměňte jej za nový. Zkontrolujte v celém sacím systému, zda se v něm nevyskytují netěsnosti, poškození nebo uvolněné hadicové svorky. Zkontrolujte také připojení pryžové sací hadice ke vzduchovému filtru a turbodmychadlu a přesvědčte se, zda je připojení pevné.
-
Údržbu vzduchového filtru provádějte jen, když se na obrazovce objeví nápis Check Air Filter“ (zkontrolujte vzduchový filtr). Předčasná výměna vzduchového filtru pouze zvyšuje nebezpečí vniknutí nečistot do motoru při demontáži filtru.
-
Kryt musí být správně usazen a utěsněn pláštěm vzduchového filtru.
Kontrola indikátoru vzduchového filtru
| Servisní interval | Postup při údržbě |
|---|---|
| Při každém použití nebo denně |
|
-
Spusťte motor.
-
Zkontrolujte indikátor ucpaného vzduchového filtru na displeji obrazovky; viz část Obrazovka indikátoru vzduchového filtru v softwarové příručce pro tento stroj.
-
Výměnu vložek vzduchového filtru provedete podle následujícího postupu:
-
Výměna primárního vzduchového filtru, viz Údržba vzduchového filtru.
-
Zopakujte kroky 1 a 2; je-li indikátor ucpaného filtru stále zobrazen na displeji, vyměňte sekundární vzduchový filtr, viz Údržba vzduchového filtru.
-
Čištění prachového ventilu
| Servisní interval | Postup při údržbě |
|---|---|
| Po každých 50 hodinách provozu |
|
-
Umístěte stroj na rovný povrch, vypněte motor a vyjměte klíč ze zapalování.
-
Otevřete zadní přístupové dveře; viz Otevření zadních přístupových dveří.
-
Stiskněte strany prachového ventilu na plášti vzduchového filtru, čímž vypustíte veškerou usazenou vodu, prach a nečistoty z ventilu (Obrázek 87).
Note: Přesvědčte se, zda nejsou v prachovém ventilu žádné cizí materiály.

Údržba pláště vzduchového filtru
| Servisní interval | Postup při údržbě |
|---|---|
| Po každých 50 hodinách provozu |
|
Demontáž pláště vzduchového filtru
-
Umístěte stroj na rovný povrch, vypněte motor a vyjměte klíč ze zapalování.
-
Otevřete zadní přístupové dveře; viz Otevření zadních přístupových dveří.
-
Vyčistěte vnější povrch pláště vzduchového filtru čistým vlhkým hadrem.
-
Zkontrolujte, zda není kryt vzduchového filtru poškozen, což by mohlo způsobit únik vzduchu. Poškozené těleso vzduchového filtru vyměňte.
Important: Údržbu vzduchového filtru provádějte jen, když se na obrazovce objeví nápis Check Air Filter“ (zkontrolujte vzduchový filtr). Předčasná výměna vzduchového filtru pouze zvyšuje nebezpečí vniknutí nečistot do motoru při demontáži filtru.
-
Vytáhněte 4 západky krytu vzduchového filtru směrem ven (Obrázek 88).

-
Odtáhněte kryt vzduchového filtru od pláště filtru a kryt demontujte.
-
Odstraňte z vnitřního krytu veškeré nečistoty.
Important: Pokud není na displeji zobrazen nápis Check Air Filter“ (zkontrolujte vzduchový filtr), vzduchový filtr nedemontujte.
Instalace krytu vzduchového filtru
-
Umístěte stroj na rovný povrch, vypněte motor a vyjměte klíč ze zapalování.
-
Vyrovnejte protiprachový uzávěr na krytu vzduchového filtru.
-
Vyrovnejte kryt vzduchového filtru s pláštěm filtru.
-
Vložte kryt vzduchového filtru dovnitř tak, aby byl správně usazen, a zajistěte jej západkami (Obrázek 88).
Údržba vzduchového filtru
| Servisní interval | Postup při údržbě |
|---|---|
| Po každých 250 hodinách provozu |
|
Filtry měňte jen, když se zobrazí indikátor Check Air Filter“ (zkontrolujte vzduchový filtr) na displeji obrazovky, viz Kontrola indikátoru vzduchového filtru.
Note: Náhradní filtry je možné objednat u autorizovaného prodejce Toro.
-
Umístěte stroj na rovný povrch, vypněte motor a vyjměte klíč ze zapalování.
-
Otevřete zadní přístupové dveře.
-
Před demontáží filtru odstraňte všechny nečistoty z vnitřního prostoru tělesa filtru pomocí nízkotlakého vzduchu (275 kPa).
Important: Nepoužívejte vysokotlaký vzduch, který by mohl nečistoty protlačit přes filtr do sacího potrubí. Tento postup čištění zabrání vniknutí nečistot do systému sání, je-li primární filtr demontován.
-
Vyjměte primární filtr za rukojeti z krytu vzduchového filtru (Obrázek 89).
Important: Použitý filtr nečistěte.

-
Kontrolou těsnicího konce filtru a pláště zjistěte, zda nový filtr nebyl poškozen při přepravě.
Note: Nepoužívejte poškozený filtr.
-
Zasuňte nový primární filtr tlakem na vnější obrubu filtru a zatlačením jej usaďte v krytu vzduchového filtru.
-
Vyjměte z krytu pryžový výtlačný ventil, vyčistěte dutinu a výtlačný ventil nasaďte zpět, viz Čištění prachového ventilu.
-
Namontujte kryt, viz Instalace krytu vzduchového filtru.
Výměna motorového oleje a filtru
Motor je dodáván s olejovou náplní v klikové skříni, avšak před a po prvním spuštění motoru zkontrolujte hladinu oleje.
Objem klikové skříně: 7,5 l včetně filtru.
Používejte vysoce kvalitní motorový olej SAE 15W-40 s nízkým obsahem popelu pro vysoká zatížení s označením podle klasifikace API CJ-4 (ACEA E9) nebo vyšším.
Olej SAE 15W-40 s nízkým obsahem popelu s označením podle klasifikace API CJ-4 (ACEA E9) nebo vyšším se doporučuje pro většinu klimatických podmínek. Doporučená viskozita olejů do extrémních klimatických podmínek viz Obrázek 90.

Note: Pro snazší startování a zajištění dostatečného průtoku oleje při okolní teplotě pod –5 °C je možné omezeně používat oleje s nízkou viskozitou, jako je například SAE 10W-30 s označením podle klasifikace API CJ-4 (ACEA E9) nebo vyšším. Nepřetržité používání oleje s nízkou viskozitou však může způsobit snížení životnosti motoru v důsledku opotřebení (Obrázek 90).
Motorový olej Toro Premium je k dispozici u autorizovaného prodejce společnosti Toro s viskozitou buď 15W-40 nebo 10W-30 s označením podle klasifikace API CJ-4 (ACEA E9) nebo vyšším. Čísla dílů naleznete v katalogu náhradních dílů.
Kontrola hladiny motorového oleje
| Servisní interval | Postup při údržbě |
|---|---|
| Při každém použití nebo denně |
|
-
Umístěte stroj na rovný povrch, vypněte motor a vyjměte klíč ze zapalování.
-
Otevřete přední kapotu.
-
Vytáhněte měrku oleje (Obrázek 91) a otřete ji do čista.

-
Zasuňte měrku do plnicí trubky oleje, opět ji vytáhněte a zkontrolujte na měrce hladinu oleje.
Note: Hladina oleje na měrce by měla být u značky High“ (horní) nebo mezi značkami Low“ (nízká) a High“ (horní). Jestliže se hladina oleje nachází pod značkou Low“ (nízká), postupujte následovně:
-
Sejměte uzávěr plnicího hrdla (Obrázek 92) a doplňte olej tak, aby jeho hladina sahala ke značce High“ (horní). Nádrž nepřeplňujte.
Important: K naplnění stroje olejem použijte kanystr na olej s ohebnou hadicí nebo trychtýř.

-
Nainstalujte uzávěr plnicího hrdla oleje a měrku.
-
Výměna filtru motorového oleje
| Servisní interval | Postup při údržbě |
|---|---|
| Po každých 250 hodinách provozu |
|
-
Umístěte stroj na rovný povrch, vypněte motor a vyjměte klíč ze zapalování.
-
Otevřete přední kapotu.
-
Pod olejový filtr a adaptér olejového filtru umístěte vypouštěcí nádobu a několik hadrů (Obrázek 93).

-
Otočte olejovým filtrem proti směru hodinových ručiček a vyjměte jej (Obrázek 93).
Note: Olejový filtr zlikvidujte.
-
Čistým hadrem otřete do čista povrch adaptéru olejového filtru v místě, kde dosedá olejový filtr.
-
Naplňte nový olejový filtr specifikovaným motorovým olejem.
-
Potřete těsnění olejového filtru tenkou vrstvou specifikovaného motorového oleje.
-
Vyrovnejte olejový filtr s adaptérem olejového filtru a otáčejte jím ve směru hodinových ručiček, dokud těsnění olejového filtru nepřijde do styku s adaptérem (Obrázek 93).
Important: Nový olejový filtr neinstalujte s použitím pásového klíče na olejové filtry. Klíčem se může filtr promáčknout, což může vést k úniku oleje.
-
Ručně utáhněte olejový filtr o další 1/2 otáčky (Obrázek 93).
-
Vyjměte olejovou nádrž a hadry, jež jste rozmístili v kroku 3, a zlikvidujte použitý olej podle místních předpisů.
Výměna motorového oleje
| Servisní interval | Postup při údržbě |
|---|---|
| Po každých 250 hodinách provozu |
|
-
Umístěte stroj na rovný povrch, vypněte motor a vyjměte klíč ze zapalování.
Důležité upozornění
Před vypuštěním oleje počkejte, dokud motor a olej nevychladnou. Horký olej může způsobit vážné zranění.
-
Opatrně vytáhněte vypouštěcí hadici (Obrázek 94) a konec hadice zasuňte do sběrné nádoby.

-
Otevřete vypouštěcí ventil (Obrázek 94).
-
Vypusťte olej do sběrné nádoby.
-
Jakmile olej přestane téci, zavřete vypouštěcí ventil (Obrázek 94).
-
Umístěte vypouštěcí hadici zpět do původní polohy (Obrázek 94).
-
Vyměňte filtr motorového oleje; viz Výměna filtru motorového oleje.
-
Demontujte uzávěr z plnicího hrdla oleje tak, že jej vytáhnete nahoru.

Note: K usměrnění toku oleje do motoru použijte trychtýř s nasazenou ohebnou hadicí.
-
Nalijte do klikové skříně přibližně 7,5 l specifikovaného motorového oleje, viz Výměna motorového oleje a filtru.
-
Nasaďte uzávěr plnicího otvoru oleje.
-
Spusťte motor a nechejte jej pracovat na volnoběh po dobu přibližně 2 minut, poté zkontrolujte možné úniky oleje.
-
Zastavte motor a vytáhněte klíč.
-
Počkejte 2 až 3 minuty a zkontrolujte hladinu oleje, viz Kontrola hladiny motorového oleje.
Nastavení vůle ventilů
| Servisní interval | Postup při údržbě |
|---|---|
| Po prvních 250 hodinách |
|
| Po každých 2000 hodinách provozu |
|
Postup nastavení naleznete v provozní příručce k motoru, která je součástí vybavení stroje.
Pokud nemůžete nastavit vůli ventilů, požádejte o tento úkon autorizovaného prodejce společnosti Toro.
Údržba palivového systému
Nebezpečí
Za určitých podmínek jsou dieselové palivo a jeho výpary vysoce hořlavé a výbušné. Požár nebo výbuch způsobený palivem může popálit vás i jiné osoby a způsobit škody na majetku.
-
Palivo doplňujte do nádrže pomocí trychtýře, a to venku na otevřeném prostranství a při vypnutém a studeném motoru. Rozlité palivo utřete.
-
Neplňte palivovou nádrž až po horní okraj. Doplňujte palivo do okamžiku, kdy hladina paliva v nádrži dosáhne úrovně 25 mm pod spodní hranou hrdla palivové nádrže. Tento prázdný prostor v nádrži umožňuje expanzi paliva.
-
Při manipulaci s palivem nikdy nekuřte, držte se dále od otevřeného ohně nebo od míst, kde by mohlo jiskřením dojít ke vznícení palivových výparů.
-
Palivo skladujte v čisté bezpečnostní nádobě a s nasazeným uzávěrem.
Odstranění vody z palivového filtru
| Servisní interval | Postup při údržbě |
|---|---|
| Po každých 50 hodinách provozu |
|
-
Umístěte stroj na rovný povrch, vypněte motor a vyjměte klíč ze zapalování.
-
Otevřete přední kapotu.
-
Pod primární palivový filtr umístěte sběrnou nádobu (Obrázek 96).

-
Otočte vypouštěcí ventil na spodní části primárního palivového filtru o 2 až 3 otáčky proti směru hodinových ručiček a vypusťte veškerou vodu a sediment v palivovém filtru (Obrázek 96).
Note: Jestliže je v odlučovači vody/paliva nějaká voda nebo sediment, vypusťte také vodu a sediment z palivové nádrže, viz Vypuštění vody z palivové nádrže.
-
Jakmile začne vytékat čisté palivo, uzavřete vypouštěcí ventil jeho otočením ve směru hodinových ručiček.
Note: Vypouštěcí ventil nadměrně neutahujte.
-
Odvzdušněte palivový systém, viz Nastřikování palivového systému.
Vypuštění vody z palivové nádrže
-
Umístěte stroj na rovný povrch, vypněte motor a vyjměte klíč ze zapalování.
-
Pod vypouštěcí zátku palivové nádrže umístěte sběrnou nádobu.
-
Demontujte vypouštěcí zátku a počkejte, dokud nevyteče voda a sediment (Obrázek 97).

-
Vyčistěte závit na vypouštěcí zátce a aplikujte na něj 3 vrstvy těsnicí pásky PTFE.
-
Jestliže se vysune kruhové těsnění, vyčistěte jej.
-
Jakmile začne vytékat čisté palivo, nainstalujte zpět kruhové těsnění a vypouštěcí zátku a pevně ji utáhněte.
-
Přesvědčte se, zda vypouštěcí zátka paliva dobře těsní.
Nastřikování palivového systému
Note: Nastříkněte palivo do palivového systému pokaždé, když dojde k následujícímu:
-
vypustíte vodu z palivového filtru;
-
vyměníte palivový filtr;
-
necháte spuštěný motor tak dlouho, že dojde k vyčerpání palivové nádrže, nebo když vypustíte palivovou nádrž.
-
Umístěte stroj na rovný povrch, vypněte motor a vyjměte klíč ze zapalování.
-
Otevřete přední kapotu.
-
Přesvědčte se, zda jsou motor a výfukový systém studené.
-
Přesvědčte se, zda palivo sahá alespoň do 1/4 objemu palivové nádrže.
-
Otočením ODPOJOVAčE AKUMULáTORU ve směru hodinových ručiček jej ZAPNěTE.
-
Vyhledejte tlačítko NASTřIKOVáNí paliva v horní části adaptéru filtru pro primární palivový filtr (Obrázek 98).

-
Opakovaně stiskněte a uvolněte tlačítko NASTřIKOVáNí paliva, dokud při stisku tlačítka NASTřIKOVáNí nepocítíte odpor (Obrázek 98).
-
Jestliže se motor nespustí po nastříknutí paliva do palivového systému a několika pokusech o jeho spuštění, odvzdušněte vysokotlaké palivové vedení. To proveďte podle pokynů v provozní příručce k motoru nebo se obraťte na autorizovaného servisního prodejce společnosti Toro.
Důležité upozornění
Palivový systém je pod vysokým tlakem. V případě provedení odvzdušnění systému bez příslušných opatření a řádného školení hrozí nebezpečí zranění vstříknutou kapalinou, vzniku požáru nebo výbuchu.
Postup správného odvzdušnění naleznete v provozní příručce k motoru nebo se obraťte na autorizovaného prodejce společnosti Toro.
Výměna palivových filtrů
| Servisní interval | Postup při údržbě |
|---|---|
| Po každých 250 hodinách provozu |
|
Výměna primárního palivového filtru
-
Umístěte stroj na rovný povrch, vypněte motor a vyjměte klíč ze zapalování.
-
Otevřete přední kapotu; viz Otevření přední kapoty.
-
Pod primární palivový filtr rozmístěte čisté hadry (Obrázek 98).
-
Povolte hadicové svorky a odpojte palivové hadice od primárního palivového filtru (Obrázek 98).
Note: Neodstraňujte hadicové svorky z hadic.
Note: Palivový filtr zlikvidujte.
-
Umístěte nový primární palivový filtr do správné polohy vůči hadicím tak, aby šipka na filtru směřovala dopředu.
-
Navlékněte hadice na spojku hadice primárního palivového filtru a utáhněte hadicové svorky (Obrázek 98).
-
Vyměňte sekundární palivový filtr, viz Výměna sekundárního palivového filtru.
Výměna sekundárního palivového filtru
-
Umístěte stroj na rovný povrch, vypněte motor a vyjměte klíč ze zapalování.
-
Otevřete přední kapotu; viz Otevření přední kapoty.
-
Pod sekundární palivový filtr a adaptér palivového filtru umístěte sběrnou nádobu a několik hadrů (Obrázek 99).

-
Otočte palivovým filtrem proti směru hodinových ručiček a vyjměte jej (Obrázek 99).
Note: Palivový filtr zlikvidujte.
-
Čistým hadrem otřete do čista povrch adaptéru palivového filtru v místě, kde palivový filtr dosedá.
-
Naplňte nový palivový filtr specifikovaným palivem.
-
Vyrovnejte palivový filtr s adaptérem palivového filtru a otáčejte jím ve směru hodinových ručiček, dokud těsnění palivového filtru nepřijde do styku s adaptérem palivového filtru (Obrázek 99).
Important: Nový palivový filtr neinstalujte s použitím pásového klíče na palivové filtry. Klíčem se může filtr promáčknout a způsobit únik paliva.
-
Ručně utáhněte palivový filtr o další 1/2 otáčky (Obrázek 99).
-
Vyjměte sběrnou nádobu, odstraňte hadry, jež jste rozmístili v kroku 3, a zlikvidujte použité palivo podle místních předpisů.
Kontrola palivového potrubí a spojek
| Servisní interval | Postup při údržbě |
|---|---|
| Po každých 500 hodinách provozu |
|
Zkontrolujte, zda palivové potrubí a spoje nejsou narušené nebo poškozené a spojky nejsou uvolněné.
Vypuštění a vyčištění palivové nádrže
| Servisní interval | Postup při údržbě |
|---|---|
| Po každých 1000 hodinách provozu |
|
Palivovou nádrž vypusťte a vyčistěte, pokud je znečištěn palivový systém nebo pokud stroj byl dlouhodobě odstaven mimo provoz. K propláchnutí nádrže použijte čisté palivo. Pokyny k vypuštění viz Vypuštění vody z palivové nádrže.
Note: Tento postup provádějte, je-li hladina paliva nízká, aby nebylo nutné vypouštět nadměrné množství paliva.
Údržba elektrického systému
Bezpečnost při manipulaci s akumulátorem
-
Před opravou stroje vypněte odpojovač akumulátoru.
-
Akumulátor dobíjejte v dobře větraném otevřeném prostoru a v dostatečné vzdálenosti od zdroje jiskření nebo ohně. Před připojením nebo odpojením akumulátoru nejprve odpojte nabíječku. Noste ochranný oděv a používejte izolované nástroje.
Údržba akumulátoru
| Servisní interval | Postup při údržbě |
|---|---|
| Po každých 50 hodinách provozu |
|
Important: Před tím, než zahájíte svařování na stroji, odpojte záporný kabel z akumulátoru, abyste předešli poškození elektrického systému. Před svařováním na stroji také odpojte řídicí jednotku motoru a stroje.
Note: Stav akumulátoru kontrolujte každý týden nebo po každých 50 hodinách provozu. Udržujte svorky a celou skříň akumulátoru v čistotě, neboť znečištěný akumulátor se pomalu vybíjí. Chcete-li akumulátor vyčistit, umyjte celou skříň roztokem jedlé sody a vody. Opláchněte čistou vodou. Na vývody akumulátoru a svorky kabelů naneste mazivo Grafo 112X (obj. č. Toro 505-47) nebo vazelínu, abyste zabránili korozi.
Důležité upozornění
V případě vystavení vlivům kyseliny z akumulátoru nebo exploze akumulátoru hrozí vážné zranění.
Při údržbě akumulátoru použijte prostředky k ochraně obličeje, ochranné rukavice a ochranný oděv.
Důležité upozornění
Akumulátor obsahuje kyselinu sírovou, která může způsobit vážné popáleniny; z akumulátoru mohou také unikat výbušné plyny.
-
Zabraňte kontaktu s pokožkou, očima nebo oděvem; zasažená místa opláchněte vodou.
-
V případě požití vypijte velké množství vody nebo mléka. Nevyvolávejte zvracení. Neprodleně vyhledejte lékařskou pomoc.
-
K akumulátoru se nepřibližujte s jiskrami, plamenem a zapálenými cigaretami.
-
Při nabíjení nebo používání akumulátoru v uzavřeném prostoru zajistěte dostatečnou ventilaci.
-
Při práci v blízkosti akumulátoru používejte ochranu očí.
-
Po manipulaci s akumulátorem si umyjte ruce.
-
Akumulátor uchovávejte mimo dosah dětí.
Důležité upozornění
Pokud se pokusíte nabít zmrzlý akumulátor, nebo pokud se jej pokusíte připojit k pomocnému akumulátoru, hrozí nebezpečí výbuchu s následkem zranění osob v blízkosti stroje.
Aby nedošlo k zamrznutí elektrolytu akumulátoru, udržujte jej maximálně nabitý.
Důležité upozornění
-
V případě kontaktu vodíkového plynu s jiskrami nebo plamenem hrozí nebezpečí exploze akumulátoru.
-
Při odpojování kabelů akumulátoru nejdříve odpojte záporný (–) kabel.
-
Při připojování kabelů akumulátoru připojte záporný kabel (-) jako poslední.
-
Nezkratujte vývody akumulátoru kovovým předmětem.
-
V blízkosti akumulátoru nesvářejte, nebruste a nekuřte.
Note: Elektrický systém tohoto stroje je pod napětím 12 V.
Nabíjení akumulátoru
Důležité upozornění
Při nabíjení akumulátoru vznikají plyny, které mohou explodovat.
V blízkosti akumulátoru nikdy nekuřte a uchovávejte jej v dostatečné vzdálenosti od jisker a otevřeného ohně.
Important: Udržujte akumulátor maximálně nabitý. Toto je obzvláště důležité proto, aby nedošlo k poškození akumulátoru při teplotě nižší než 0 °C.
-
Umístěte stroj na rovný povrch, vypněte motor a vyjměte klíč ze zapalování.
-
Otevřete přední kapotu.
-
Vyčistěte vnější prostor skříně akumulátoru a vývody akumulátoru.
Note: Před připojením nabíječky ke zdroji elektrické energie připojte kabely nabíječky akumulátoru k vývodům akumulátoru.
-
Podívejte se na akumulátor a zjistěte polohu kladného a záporného vývodu akumulátoru.
-
Připojte kladný kabel nabíječky akumulátorů ke kladnému vývodu akumulátoru (Obrázek 100).

-
Připojte záporný kabel nabíječky akumulátorů k zápornému vývodu akumulátoru (Obrázek 100).
-
Připojte nabíječku akumulátoru ke zdroji napětí a nabijte akumulátor podle následující tabulky nabíjení akumulátorů.
Important: Akumulátor nepřebíjejte.
Tabulka nabíjení akumulátoru
Nastavení nabíječky Doba nabíjení 4 až 6 ampér 30 minut 25 až 30 ampér 10 až 15 minut -
Jakmile je akumulátor zcela nabitý, odpojte nabíječku od zdroje napájení a potom odpojte kabely nabíječky od vývodů akumulátoru (Obrázek 100).
Použití startovacích kabelů
Důležité upozornění
Při připojení akumulátoru k pomocnému akumulátoru vznikají plyny, které mohou explodovat.
V blízkosti akumulátoru nikdy nekuřte a uchovávejte jej v dostatečné vzdálenosti od jisker a otevřeného ohně.
Note: K tomuto postupu jsou zapotřebí dvě osoby. Přesvědčte se, že osoba, která provádí připojení, používá řádnou ochranu obličeje, ochranné rukavice a oděv.
-
Umístěte stroj na rovný povrch, vypněte motor a vyjměte klíč ze zapalování.
-
Otevřete přední kapotu.
-
Přesvědčte se, zda jsou všechny ovládací prvky v NEUTRáLNí poloze.
-
Posaďte se na sedadlo obsluhy a požádejte druhou osobu o provedení připojení.
Note: Přesvědčte se, zda je napětí pomocného akumulátoru 12 V.
Important: Pokud k napájení použijete jiný stroj, zajistěte, aby se oba stroje navzájem nedotýkaly.
-
Připravte se k nastartování motoru, viz Spuštění a zastavení motoru.
-
Demontujte kryt z vývodu pomocného akumulátoru (Obrázek 101).

-
Připojte kladný (+) startovací kabel k vývodu pomocného akumulátoru (Obrázek 101).
-
Připojte záporný startovací kabel (–) k místu ukostření, jako je šroub bez laku nebo nosník rámu (Obrázek 101).
-
Nastartujte motor, viz Spuštění a zastavení motoru.
Important: Pokud se motor spustí a hned se opět zastaví, nepoužívejte znovu startér, dokud se motor startéru nepřestane otáčet. Nespouštějte motor startéru na více než 30 sekund při jednom pokusu o nastartování. Před spuštěním motoru startéru počkejte 30 sekund, aby mohl vychladnout motor a došlo k navýšení startovacího napětí v akumulátoru.
-
Pokud se motor nastartuje, požádejte druhou osobu o odpojení nejdříve záporného (–) startovacího kabelu od rámu, poté kladného (+) startovacího kabelu (Obrázek 101).
Údržba hnací soustavy
Kontrola hladiny oleje pohonu s planetovými koly spouštěcího sloupu
| Servisní interval | Postup při údržbě |
|---|---|
| Po prvních 100 hodinách |
|
| Po každých 500 hodinách provozu |
|
Specifikace oleje: SAE 85W-140 úroveň GL4 podle klasifikace API
Množství oleje v pohonu s planetovými koly: přibližně 1,2 l
Převodový olej Toro Premium Gear Oil je k dispozici u autorizovaného servisního prodejce Toro. Čísla dílů naleznete v katalogu náhradních dílů.
-
Hladinu oleje kontrolujte pomocí průzoru na každém pohonu s planetovými koly spouštěcího sloupu (Obrázek 102).
Note: Hladina oleje musí být v polovině průzoru.

-
Sejměte krytku odvzdušňovače a doplňujte olej do pohonu s planetovými koly, dokud hladina oleje nevystoupá alespoň do poloviny průzoru (Obrázek 102).
-
Stejný postup zopakujte na druhém planetovém převodu spouštěcího sloupu.
Kontrola hladiny oleje pohonu s planetovými koly pásů
| Servisní interval | Postup při údržbě |
|---|---|
| Po každých 50 hodinách provozu |
|
Specifikace oleje: SAE 85W-140 úroveň GL4 podle klasifikace API
Množství oleje v pohonu s planetovými koly: přibližně 1,4 l
Převodový olej Toro Premium Gear Oil je k dispozici u autorizovaného servisního prodejce Toro. Čísla dílů naleznete v katalogu náhradních dílů.
-
Umístěte stroj na rovný povrch, vypněte motor a vyjměte klíč ze zapalování.
-
Vyčistěte prostor v okolí kontrolní zátky hladiny oleje pomocí čisticího rozpouštědla (Obrázek 103).

-
Demontujte kontrolní zátku hladiny oleje (Obrázek 103).
Note: Hladina oleje je správná, pokud sahá ke spodní části otvoru kontrolní zátky hladiny oleje.
-
Je-li hladina oleje pod spodním okrajem otvoru, doplňte specifikovaný olej tak, aby hladina oleje sahala ke spodnímu okraji kontrolního otvoru.
-
Zašroubujte a utáhněte kontrolní zátku hladiny oleje.
Výměna oleje pohonu s planetovými koly pásů
| Servisní interval | Postup při údržbě |
|---|---|
| Po prvních 250 hodinách |
|
| Po každých 800 hodinách provozu |
|
Note: Olej měňte, je-li teplý (pokud je to možné).
-
Zaparkujte stroj na rovném povrchu.
-
Očistěte prostor kolem kontrolní zátky hladiny oleje (Obrázek 103).
-
Otáčejte pohonem s planetovými koly, dokud nebude vypouštěcí zátka oleje přímo pod kontrolní zátkou hladiny oleje (Obrázek 103).
-
Zastavte motor a vytáhněte klíč.
-
Pod vypouštěcí zátku oleje umístěte sběrnou nádobu.
-
Demontujte kontrolní zátku hladiny oleje a vypouštěcí zátku oleje.
-
Nainstalujte vypouštěcí zátku oleje.
-
Naplňte řetězový pohon s planetovými koly olejem tak, aby jeho hladina byla na spodním okraji otvoru kontrolní zátky hladiny oleje.
-
Nainstalujte kontrolní zátku hladiny oleje.
-
Zopakujte kroky 1 až 9, abyste vyměnili olej pohonu s planetovými koly také na druhé straně stroje.
Kontrola hladiny oleje pohonu s planetovými koly rotačního motoru
| Servisní interval | Postup při údržbě |
|---|---|
| Po prvních 100 hodinách |
|
| Po každých 500 hodinách provozu |
|
Specifikace oleje: SAE 85W-140 úroveň GL4 podle klasifikace API
Množství oleje v pohonu s planetovými koly: přibližně 0,24 l
Převodový olej Toro Premium Gear Oil je k dispozici u autorizovaného servisního prodejce Toro. Čísla dílů naleznete v katalogu náhradních dílů.
-
Umístěte stroj na rovný povrch, vypněte motor a vyjměte klíč ze zapalování.
-
Hladinu oleje kontrolujte pomocí průzoru na pohonu s planetovými koly rotačního motoru (Obrázek 104).
Note: Hladina oleje musí být ve 3/4 průzoru.

-
Je-li hladina oleje nízká, sejměte kontrolní zátku hladiny oleje (Obrázek 104).
-
Zašroubujte a utáhněte kontrolní zátku hladiny oleje.
Kontrola hladiny oleje pohonu s planetovými koly motoru přítlaku.
| Servisní interval | Postup při údržbě |
|---|---|
| Po prvních 100 hodinách |
|
| Po každých 500 hodinách provozu |
|
Specifikace oleje: SAE 85W-140 úroveň GL4 podle klasifikace API
Množství oleje v pohonu s planetovými koly: přibližně 0,24 l
-
Umístěte stroj na rovný povrch, vypněte motor a vyjměte klíč ze zapalování.
-
Hladinu oleje kontrolujte pomocí průzoru na každém pohonu s planetovými koly motoru přítlaku (Obrázek 106).
Note: Hladina oleje musí být v polovině průzoru.

-
Sejměte krytku odvzdušňovače a doplňujte olej do pohonu s planetovými koly, dokud hladina oleje nevystoupá alespoň do poloviny průzoru (Obrázek 106).
-
Zopakujte pro všechny 4 pohony s planetovými koly motoru přítlaku.
Kontrola hladiny oleje pohonu převodovky
| Servisní interval | Postup při údržbě |
|---|---|
| Po prvních 100 hodinách |
|
| Po každých 500 hodinách provozu |
|
Specifikace oleje: SAE 85W-140 úroveň GL4 podle klasifikace API
Množství oleje v pohonu s planetovými koly: přibližně 2,7 l
-
Umístěte stroj na rovný povrch, vypněte motor a vyjměte klíč ze zapalování.
-
Hladinu oleje kontrolujte pomocí průzoru na pohonu převodovky (Obrázek 106).
Note: Hladina oleje musí být v polovině průzoru.

-
Sejměte krytku odvzdušňovače a doplňujte olej do pohonu převodovky, dokud hladina oleje nevystoupá alespoň do poloviny průzoru (Obrázek 106).
Výměna oleje pohonu převodovky
| Servisní interval | Postup při údržbě |
|---|---|
| Po prvních 100 hodinách |
|
| Po každých 500 hodinách provozu |
|
Note: Olej měňte, je-li teplý (pokud je to možné).
-
Odstavte stroj na rovném povrchu a přesuňte vozík až na zadní doraz.

-
Zastavte motor a vytáhněte klíč zapalování.
-
Demontujte 2 šrouby a matice na krytu vozíku (pole B, Obrázek 107).
-
Demontujte 2 šrouby a matice na straně krytu vozíku (pole C, Obrázek 107).
-
Posuňte kryt vozíku dopředu (pole D, Obrázek 107).
-
Demontujte 6 šroubů na převodovce (pole E, Obrázek 107).
-
Demontujte kryt na převodovce a vyčerpejte olej (pole F, Obrázek 107).
-
Naplňte převodovku olejem tak, aby jeho hladina byla nad polovinou průzoru (Obrázek 106).
-
Odstraňte těsnění ze skříně a krytu převodovky (Obrázek 108).

-
Kolem okraje krytu aplikujte nové těsnění RTV pro automobilový průmysl (pole B, Obrázek 108).
-
Nasuňte kryt zpět na převodovku a volně namontujte 6 šroubů (pole E, Obrázek 107).
-
Nasaďte kryt vozíku zpět do původního místa a volně namontujte 2 šrouby (pole C, Obrázek 107).
-
Namontujte 2 šrouby, jež upevňují kryt vozíku na převodovku (pole B, Obrázek 107).
-
Utáhněte 6 šroubů na převodovce a 2 šrouby na straně krytu vozíku.
Údržba pásů
| Servisní interval | Postup při údržbě |
|---|---|
| Při každém použití nebo denně |
|
Důležité upozornění
Mazivo v hydraulickém pásu je pod vysokým tlakem, takže je nutné, aby se napínací maznice pásu v rámci jednoho úkonu nepovolovala o více než o 1 otáčku.
Pokud demontujete napínací maznici pásu, jež se nachází na napínáku hydraulického pásu, nebo ji nadměrně povolíte, může mazivo uniknout a způsobit vážné zranění nebo smrt.
Zvýšení napnutí pásu
Pokud se pás zdá být volný, zvyšte napnutí pásu následujícím způsobem.
-
Umístěte stroj na rovný povrch, vypněte motor a vyjměte klíč ze zapalování.
-
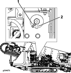
Odstraňte nečistoty v okolí napínací maznice pásu (Obrázek 109).
Important: Před nastavením napnutí pásu se přesvědčte, zda je prostor kolem napínací maznice pásu čistý.
-
Demontujte přídržné šrouby a kryt, ve kterém se nachází napínací maznice pásu.
-
Aplikujte mazivo do maznice, dokud napnutí nedosáhne hodnoty 31 026 kPa, viz Obrázek 109.

-
Odstraňte nadbytečné mazivo v okolí maznice.
-
Nainstalujte kryt a přídržné šrouby.
-
Podle kroků 2 až 6 zvyšte napnutí pásu na druhé straně.
Snížení napnutí pásu
Pokud se pás zdá být příliš napnutý, snižte napnutí pásu následujícím způsobem.
-
Umístěte stroj na rovný povrch, vypněte motor a vyjměte klíč ze zapalování.
-
Odstraňte nečistoty v okolí napínací maznice pásu (Obrázek 109).
Important: Před nastavením napnutí pásu se přesvědčte, zda je celý prostor kolem napínací maznice pásu čistý.
-
Demontujte přídržné šrouby a kryt, ve kterém se nachází napínací maznice pásu.
-
Otočte napínací maznici pásu proti směru hodinových ručiček maximálně o 1 otáčku (Obrázek 109).
Note: Jakmile se maznicí otočí o 1 otáčku, mazivo se začne uvolňovat a dojde k povolení pásu.
-
Když hodnota napnutí dosáhne 31 026 kPa, otočením napínací maznice pásu ve směru hodinových ručiček maznici utáhněte.
-
Odstraňte nadbytečné mazivo v okolí maznice.
-
Nainstalujte kryt a přídržné šrouby.
-
Podle kroků 2 až 7 snižte napnutí pásu na druhé straně.
Údržba chladícího systému
Specifikace chladicí kapaliny: roztok nemrznoucí směsi na bázi ethylenglykolu a vody v poměru 50:50 nebo ekvivalentní.
Množství chladicí kapaliny v motoru a chladiči: 16,8 l
Důležité upozornění
Pokud se odstraní uzávěr chladiče při teplém motoru, může vystříknout horká chladicí kapalina a způsobit opaření.
-
Při odstraňování uzávěru chladiče používejte ochranu obličeje.
-
Před odstraněním uzávěru chladiče nechejte vychladnout chladicí systém na teplotu nižší než 50 °C.
-
Kontrolu a údržbu chladicího systému motoru provádějte podle daných pokynů.
Důležité upozornění
Chladicí kapalina je jedovatá.
-
Skladujte chladicí kapalinu mimo dosah dětí a domácích zvířat.
-
Pokud stejnou chladicí kapalinu nepoužijete znovu, zlikvidujte ji v souladu s místními předpisy pro ochranu životního prostředí.
Bezpečnost při práci s chladicím systémem
-
Po požití chladicí kapaliny motoru hrozí otrava; uchovávejte ji mimo dosah dětí a zvířat.
-
Vypuštění horké chladicí kapaliny pod tlakem nebo kontakt s horkým chladičem a okolními částmi mohou způsobit vážná popálení.
-
Před otevřením uzávěru chladiče nechejte motor vychladnout po dobu alespoň 15 minut.
-
Při otevírání uzávěru chladiče použijte hadr a uzávěr otevírejte pomalu, aby mohla uniknout pára.
-
Kontrola hladiny chladicí kapaliny v chladiči
| Servisní interval | Postup při údržbě |
|---|---|
| Při každém použití nebo denně |
|
Důležité upozornění
Pokud byl spuštěn motor, chladič bude pod tlakem a chladicí kapalina uvnitř bude horká. Při odstraňování uzávěru může chladivo vystříknout a způsobit vážné popáleniny.
Uzávěr chladiče neodstraňujte, pokud je motor horký. Počkejte alespoň 15 minut, až motor vychladne, případně počkejte, až bude uzávěr chladiče dostatečně chladný, abyste se jej mohli bezpečně dotknout.
Note: Chladicí systém je naplněn roztokem vody a nemrznoucí směsi ethylenglykolu v poměru 50:50.
-
Umístěte stroj na rovný povrch, vypněte motor a vyjměte klíč ze zapalování.
-
Nechejte motor vychladnout.
-
Otevřete zadní přístupové dveře.
-
Zkontrolujte hladinu chladicí kapaliny na průhledovém hladinoměru na konci nádrže chladiče (Obrázek 110).

-
Pokud je hladina chladicí kapaliny nízká, doplňte ji až po spodní okraj plnicího hrdla, viz Naplnění systému chladicí kapalinou.
Important: Chladič nepřeplňujte.
-
Je-li hladina chladicí kapaliny ve správné výši, zavřete zadní přístupové dveře.
-
Kontrola stavu součástí chladicího systému
| Servisní interval | Postup při údržbě |
|---|---|
| Po každých 300 hodinách provozu |
|
Zkontrolujte stav chladicího systému a přesvědčte se, zda z něj neuniká kapalina, zda není znečištěný ani poškozený a zda nejsou uvolněné svorky a objímky hadic. V případě potřeby součásti vyčistěte, opravte, utáhněte nebo vyměňte.
Kontrola koncentrace chladicí kapaliny
| Servisní interval | Postup při údržbě |
|---|---|
| Po každých 1000 hodinách provozu |
|
Zkontrolujte koncentraci nemrznoucí směsi na bázi ethylenglykolu v hladicí kapalině: Přesvědčte se, zda chladicí kapalina obsahuje 50 % ethylenglykolu a 50 % vody nebo zda je kapalina ekvivalentní.
Note: Chladicí kapalina s obsahem 50 % ethylenglykolu a 50 % vody bude zajišťovat ochranu motoru do teploty –37 °C po celý rok.
Pomocí měřicího přístroje koncentrace změřte koncentraci směsi chladicí kapaliny, abyste se ujistili, že směs obsahuje 50 % ethylenglykolu a 50 % vody, nebo zda je kapalina ekvivalentní. Postup kontroly viz pokyny výrobce.
Čištění chladicího systému
| Servisní interval | Postup při údržbě |
|---|---|
| Po každých 1000 hodinách provozu |
|
Vypuštění chladicí kapaliny ze systému
Important: Chladicí kapalinu nevypouštějte na zem ani do neschválené nádoby, ze které může chladicí kapalina unikat.
-
Umístěte stroj na rovný povrch, vypněte motor a vyjměte klíč ze zapalování.
-
Nechejte motor vychladnout.
-
Otevřete zadní přístupové dveře.
Note: Při otevírání zadních přístupových dveří se podívejte vlevo; zde je v levém zadním rohu umístěna vypouštěcí zátka.
-
Pod zátku vypouštěcího otvoru umístěte sběrnou nádobu (Obrázek 111).
Note: Množství chladicí kapaliny v motoru a chladiči je 16,8 l.

-
Demontujte vypouštěcí zátku chladiče a vypusťte veškerou chladicí kapalinu ze systému chlazení.
Note: Použitou chladicí kapalinu zlikvidujte řádným způsobem podle místních předpisů.
-
Vyčistěte závit na vypouštěcí zátce a aplikujte na něj 3 vrstvy těsnicí pásky PTFE.
-
Nainstalujte zpět vypouštěcí zátku (Obrázek 111).
Vypláchnutí chladicího systému
Množství chladicí kapaliny v motoru a chladiči: 16,8 l.
-
Umístěte stroj na rovný povrch, vypněte motor a vyjměte klíč ze zapalování.
-
Chladicí systém vyčistěte následujícím způsobem:
-
Přesvědčte se, zda je vypuštěna chladicí kapalina z chladiče a zda je nainstalována vypouštěcí zátka, viz Vypuštění chladicí kapaliny ze systému.
-
Nalijte čisticí roztok chladicího systému plnicím hrdlem do chladiče (Obrázek 112).
Note: Použijte čisticí roztok s obsahem 21 g uhličitanu sodného na každých 17 l vody nebo běžně dostupný ekvivalentní prostředek. Řiďte se pokyny dodávanými s čisticím roztokem.

-
Nainstalujte zpět vypouštěcí zátku (Obrázek 111).
Important: Neinstalujte uzávěr chladiče.
-
Spusťte motor a nechejte jej pracovat po dobu 5 minut, nebo dokud teplota chladicí kapaliny nestoupne na 82 °C, poté motor vypněte.
Výstraha
Čisticí roztok je horký a může způsobit opaření.
Stůjte mimo výtokovou stranu vypouštěcí zátky chladicí kapaliny.
-
Demontujte vypouštěcí zátku z chladiče a vypusťte čisticí roztok do sběrné nádoby.
-
Vyčistěte závit na vypouštěcí zátce a aplikujte na něj 3 vrstvy těsnicí pásky PTFE.
-
Nainstalujte zpět vypouštěcí zátku.
-
-
Chladicí systém vypláchněte následujícím způsobem:
-
Sejměte uzávěr plnicího hrdla.
-
Naplňte chladič čistou vodou (Obrázek 113).

-
Nasaďte uzávěr plnicího hrdla.
-
Spusťte motor a nechejte jej pracovat po dobu 5 minut, nebo dokud teplota chladicí kapaliny nestoupne na 82 °C, poté motor vypněte.
Výstraha
Voda je horká a může způsobit opaření.
Stůjte mimo výtokovou stranu vypouštěcí zátky chladicí kapaliny.
-
Demontujte vypouštěcí zátku a vypusťte vodu do sběrné nádoby.
-
Vyčistěte závit na vypouštěcí zátce a aplikujte na něj 3 vrstvy těsnicí pásky PTFE.
-
Je-li voda vypuštěná z chladiče znečištěná, proveďte postup 3-1 až 3-5, dokud nebude voda vypouštěná z chladiče čistá.
-
Nainstalujte zpět vypouštěcí zátku (Obrázek 111).
-
Naplnění systému chladicí kapalinou
Important: Musíte správně naplnit chladicí systém, aby nedošlo k zachycení vzduchu v chladicích kanálech. V případě nesprávného odvzdušnění chladicího systému hrozí vážné poškození chladicího systému a motoru.
Important: Použijte ve stroji směs s obsahem 50 % ethylenglykolu a 50 % vody nebo ekvivalentní. Nejnižší provozní teplota okolí, ve které je možné používat tuto směs, je –37 °C. Je-li okolní teplota nižší, upravte poměr směsi. Směs s obsahem 50 % ethylenglykolu a 50 % vody nebo ekvivalentní používejte ve stroji po celý rok.
-
Umístěte stroj na rovný povrch, vypněte motor a vyjměte klíč ze zapalování.
-
Demontujte šrouby přístupového krytu k chladicí kapalině mezi přední kapotou a zadním krytem.

-
Demontujte uzávěr chladiče (Obrázek 115).

-
Naplňte chladicí kapalinu do chladiče tak, aby hladina sahala ke spodnímu okraji plnicího hrdla (Obrázek 116).
Note: Množství chladicí kapaliny v motoru a chladiči je 16,8 l.

-
Nainstalujte zpět uzávěr plnicího hrdla chladiče a přesvědčte se, že je pevně zajištěný (Obrázek 115).
-
Spusťte motor a nechejte jej pracovat ve středním rozsahu otáček po dobu 5 minut.
-
Zastavte motor a vytáhněte klíč.
-
Počkejte 30 minut, poté zkontrolujte hladinu kapaliny v chladiči na průhledovém hladinoměru; viz Kontrola hladiny chladicí kapaliny v chladiči.
Note: Je-li nízká, doplňte chladicí kapalinu.
Údržba řemenů
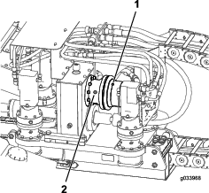
Údržba klínového řemene motoru
Důležité upozornění
V případě doteku rotujícího klínového řemene může dojít k vážnému zranění nebo smrti.
Před zahájením práce v blízkosti řemenů vypněte motor a vytáhněte klíč zapalování.
Kontrola stavu řemene
| Servisní interval | Postup při údržbě |
|---|---|
| Po každých 250 hodinách provozu |
|
-
Umístěte stroj na rovný povrch, vypněte motor a vyjměte klíč ze zapalování.
-
Otevřete přední kapotu.
-
Přesvědčte se, zda nejsou řemeny potrhané, prasklé, zda nemají volná vlákna, zda nejsou znečištěné mazivem nebo olejem, pokroucené nebo nadměrně opotřebované (Obrázek 117).
Note: Je-li řemen poškozený nebo nadměrně opotřebený, vyměňte jej.
Kontrola napnutí řemene
| Servisní interval | Postup při údržbě |
|---|---|
| Po každých 1000 hodinách provozu |
|
-
Umístěte stroj na rovný povrch, vypněte motor a vyjměte klíč ze zapalování.
-
Otevřete přední kapotu.
-
Umístěte pravítko na hnací řemen a přes řemenice, viz Obrázek 117.

-
Stlačte řemen ve střední části mezi řemenicí ventilátoru a řemenicí alternátoru, viz Obrázek 117.
Note: Rozmezí průvěsu mezi pravítkem a řemenem pod zatížením 10 kg musí být 7 až 9 mm.
-
Je-li napnutí řemene nad nebo pod specifikovaným rozmezím, nastavte napnutí hnacího řemene, viz Nastavení napnutí řemene.
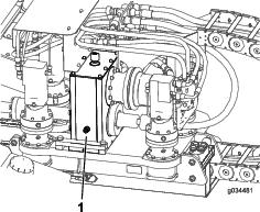
Nastavení napnutí řemene
-
Umístěte stroj na rovný povrch, vypněte motor a vyjměte klíč ze zapalování.
-
Otevřete přední kapotu.
-
Povolte matici a šroub na otočném bodu alternátoru (Obrázek 118).

-
Povolte stavěcí šroub alternátoru (Obrázek 118).
-
Odtažením alternátoru od motoru zvýšíte napnutí řemenu a přitažením alternátoru k motoru napnutí řemenu snížíte (Obrázek 118).
-
Utáhněte stavěcí šroub alternátoru (Obrázek 118).
-
Zkontrolujte napnutí řemene, viz Kontrola napnutí řemene.
-
Je-li napnutí správné, utáhněte matici a šroub na otočném bodu alternátoru (Obrázek 118); v opačném případě zopakujte krok 4 až 7.
Údržba hydraulického systému
Bezpečnost při práci s hydraulickým systémem
-
Pokud kapalina pronikne kůží, vyhledejte okamžitě lékařskou pomoc. Vstříknutou kapalinu musí lékař chirurgicky odstranit během několika hodin.
-
Před natlakováním hydraulické soustavy zkontrolujte bezvadný stav všech hydraulických hadic a potrubí a utažení všech hydraulických spojek a přípojek.
-
Udržujte tělo a ruce v dostatečné vzdálenosti od netěsných otvorů nebo trysek, ze kterých uniká hydraulická kapalina pod vysokým tlakem.
-
K nalezení úniků hydraulické kapaliny použijte karton nebo papír.
-
Před prováděním jakékoli práce na hydraulické soustavě bezpečně uvolněte tlak v této soustavě.
Údržba hydraulické kapaliny
Nádrž hydraulické kapaliny je při výrobě naplněna přibližně 170 litry vysoce kvalitní hydraulické kapaliny. Zkontrolujte hladinu hydraulické kapaliny před prvním nastartováním motoru a poté každý den. Jako náhradní kapalina se doporučuje:
Hydraulická kapalina Toro Premium All Season Hydraulic Fluid (K dispozici v 19litrových kbelících nebo 208litrových sudech. Čísla dílů vám poskytne autorizovaný prodejce společnosti Toro.)
Alternativní kapaliny: Není-li k dispozici kapalina Toro, lze použít jiné kapaliny, pokud splňují veškeré následující materiálové vlastnosti a oborové specifikace. Nedoporučujeme používat syntetickou kapalinu. Požádejte prodejce maziv o doporučení vhodného výrobku.
Note: Společnost Toro nepřebírá žádnou odpovědnost za škody způsobené nevhodnými náhražkami, proto používejte jen výrobky od osvědčených výrobců, kteří zaručují kvalitu svých produktů.
| Materiálové vlastnosti: | ||
| Viskozita, ASTM D445 | 42,2 cSt při 40 °C | |
| 7,8 cSt při 100 °C | ||
| Index viskozity ASTM D2270 | 158 | |
| Teplota tuhnutí, ASTM D97 | –6 °C | |
| Oborové specifikace: | Vickers I-286-S (úroveň kvality), Vickers M-2950-S (úroveň kvality), Denison HF-0 | |
Note: Mnoho hydraulických kapalin je téměř čirých, takže zjišťování úniků může být obtížné. Pro hydraulický olej je k dispozici přísada s červeným barvivem v lahvičkách o objemu 20 ml. Jedna lahvička postačí na 15–22 l hydraulického oleje. Hydraulický olej objednávejte u autorizovaného prodejce Toro.
Note: Pokud okolní teplota přesahuje teplotu 43 °C, společnost Toro vám nabídne doporučené alternativy.
Kontrola hydraulické kapaliny
| Servisní interval | Postup při údržbě |
|---|---|
| Při každém použití nebo denně |
|
Hydraulickou kapalinu zkontrolujte následovně:
-
Umístěte stroj na rovný povrch, vypněte motor a vyjměte klíč ze zapalování.
-
Počkejte 10 minut, aby mohl motor vychladnout a hladina hydraulického oleje se ustálila.
-
Otevřete zadní přístupové dveře.
-
Na průhledovém hladinoměru na nádrži hydraulického oleje zkontrolujte hladinu oleje (Obrázek 119).

-
Je-li hladina nízká, otevřete uzávěr nádrže hydraulického oleje (Obrázek 120), doplňte malé množství oleje a počkejte 2 minuty, aby se hladina oleje na průhledovém hladinoměru mohla ustálit (Obrázek 119).
Note: Hladina oleje je v rozmezí 1/2 až 2/3 průhledového hladinoměru, jestliže má olej teplotu okolního prostředí nebo pokud nebyl toho dne dosud spuštěn motor.

-
Dále doplňujte vhodnou kapalinu po malých dávkách, dokud hladina nedosáhne značky horní meze na průhledovém hladinoměru.
-
Nainstalujte zpět uzávěr na plnicí hrdlo.
Výměna hydraulické kapaliny
| Servisní interval | Postup při údržbě |
|---|---|
| Po každých 1000 hodinách provozu |
|
Important: Pokud je kapalina znečištěná, obraťte se na autorizovaného prodejce společnosti Toro a požádejte o propláchnutí systému. Znečištěná kapalina může mít ve srovnání s čistým olejem mléčnou nebo černou barvu.
Important: Použití jiného filtru může vyústit v ukončení platnosti záruky na některé součásti.
-
Umístěte stroj na rovný povrch, vypněte motor a vyjměte klíč ze zapalování.
-
Otevřete zadní přístupové dveře.
-
Zvedněte stroj pomocí vhodného zařízení.
Důležité upozornění
Pokud budou ke zvedání stroje použity pouze mechanické nebo hydraulické zvedáky, mohou vzniknout nebezpečné situace. Mechanické nebo hydraulické zvedáky nemusí zajišťovat dostatečné podpírání stroje, nebo mohou selhat, což může vést k pádu stroje a následnému zranění nebo smrti.
Při podpírání stroje se nespoléhejte pouze na mechanické nebo hydraulické zvedáky.
Použijte vhodné montážní podstavce nebo obdobné podpěry.
-
Pod nádrž hydraulické kapaliny umístěte velkou sběrnou nádobu.
-
Demontujte vypouštěcí zátku na spodní straně nádrže.
-
Vyčistěte závit na vypouštěcí zátce a aplikujte na něj 3 vrstvy těsnicí pásky PTFE.
-
Vypusťte hydraulickou kapalinu do nádoby.
Important: Objem nádrže hydraulické kapaliny je 170 l, takže je nutné, abyste použili sběrnou nádobu o objemu alespoň 182 l, do které budete olej vypouštět.
-
Jakmile hydraulická kapalina přestane vytékat, nainstalujte zpět vypouštěcí zátku.
-
Naplňte nádrž novou hydraulickou kapalinou.
Important: Používejte pouze určené hydraulické kapaliny. Jiné kapaliny by mohly systém poškodit.
-
Nasaďte uzávěr nádrže.
-
Spusťte motor a s použitím všech ovládacích prvků naplňte celý systém hydraulickou kapalinou.
-
Zkontrolujte, zda nejsou patrné netěsnosti; poté motor zastavte.
-
Zkontrolujte hladinu kapaliny a v případě potřeby doplňte kapalinu ke značce horní meze na měrce.
Note: Nádrž nepřeplňujte.
Výměna plnicího filtru hydrostatického pohonu
| Servisní interval | Postup při údržbě |
|---|---|
| Po každých 500 hodinách provozu |
|
-
Umístěte stroj na rovný povrch, vypněte motor a vyjměte klíč ze zapalování.
-
Otevřete přední kapotu.
-
Pod plnicí filtr hydrostatického pohonu umístěte sběrnou nádobu nebo rozmístěte několik hadrů (Obrázek 121).

-
Otáčením plnicího filtru hydrostatického pohonu proti směru hodinových ručiček filtr demontujte (Obrázek 121).
Note: Plnicí filtr hydrostatického pohonu zlikvidujte.
-
Čistým hadrem otřete do čista povrch v místě, kde plnicí filtr hydrostatického pohonu dosedá.
-
Vyrovnejte plnicí filtr hydrostatického pohonu s dosedací plochou a otáčejte jím ve směru hodinových ručiček, dokud těsnění filtru nepřijde do styku s adaptérem (Obrázek 121).
Výměna filtru vysokotlakého hydraulického oleje
| Servisní interval | Postup při údržbě |
|---|---|
| Po každých 1000 hodinách provozu |
|
Důležité upozornění
Před demontáží filtru vysokotlakého hydraulického oleje se přesvědčte, že je VYPNUTý motor. Ve filtru vysokotlakého hydraulického oleje se nachází olej pod velmi vysokým tlakem. Ten může způsobit poškození stroje nebo vážné zranění, pokud dojde k jeho úniku při spuštěném motoru.
-
Umístěte stroj na rovný povrch, vypněte motor a vyjměte klíč ze zapalování.
-
Otevřete přední kapotu.
-
Pod plnicí filtr umístěte sběrnou nádobu nebo rozmístěte několik hadrů (Obrázek 122).

-
Otáčením filtru vysokotlakého hydraulického oleje proti směru hodinových ručiček filtr demontujte (Obrázek 122).
-
Čistým hadrem otřete do čista povrch v místě, kde filtr vysokotlakého hydraulického oleje dosedá.
-
Vyrovnejte filtr vysokotlakého hydraulického oleje s dosedací plochou a otáčejte jím ve směru hodinových ručiček, až dosáhnete hodnoty utahovacího momentu 61 N·m, viz Obrázek 122.
Výměna filtru vratného hydraulického oleje
| Servisní interval | Postup při údržbě |
|---|---|
| Po každých 1000 hodinách provozu |
|
-
Umístěte stroj na rovný povrch, vypněte motor a vyjměte klíč ze zapalování.
-
Otevřete zadní přístupové dveře.
-
Pod plnicí filtr umístěte sběrnou nádobu nebo rozmístěte několik hadrů (Obrázek 123).

-
S jednou rukou pod filtrem vratného hydraulického oleje demontujte 4 šrouby, viz Obrázek 123.
Note: Na zadní straně je nutné demontovat další 2 šrouby.
-
Stáhněte filtr dolů a demontujte jej.
-
Čistým hadrem otřete do čista povrch v místě, kde filtr vratného hydraulického oleje dosedá.
-
Vyrovnejte nový filtr vratného hydraulického oleje s dosedací plochou a dotáhněte 4 šrouby (Obrázek 123).
Kontrola hydraulického potrubí a hadic
| Servisní interval | Postup při údržbě |
|---|---|
| Každé 2 roky |
|
Denně kontrolujte, zda se u hydraulického potrubí a hadic nevyskytují netěsnosti, zlomené potrubí, uvolněné montážní držáky, opotřebení, volné spoje nebo narušení vlivem počasí a chemikálií. Před zahájením provozu proveďte všechny nezbytné opravy.
Důležité upozornění
Hydraulická kapalina unikající pod tlakem může proniknout kůží, a způsobit tak poranění.
-
Před natlakováním hydraulického systému zkontrolujte bezvadný stav všech hydraulických hadic a potrubí a utažení všech hydraulických spojek a přípojek.
-
Mějte tělo a ruce v dostatečné vzdálenosti od malých otvorů nebo trysek, ze kterých pod vysokým tlakem uniká hydraulická kapalina.
-
K nalezení úniků hydraulické kapaliny použijte karton nebo papír.
-
Před prováděním jakékoli práce na hydraulické soustavě bezpečně uvolněte tlak v této soustavě.
-
Pokud kapalina pronikne kůží, vyhledejte okamžitě lékařskou pomoc.
Kontrola zkušebních otvorů hydraulického systému
Zkušební otvory se používají pro kontrolu tlaku v hydraulických okruzích. O pomoc požádejte autorizovaného prodejce společnosti Toro.
Údržba čerpadla výplachové kapaliny
Výměna oleje čerpadla výplachové kapaliny
Čerpadlo je dodáváno s olejovou náplní v klikové skříni, avšak před a po prvním spuštění motoru zkontrolujte hladinu oleje.
Objem klikové skříně je 3,8 l.
Používejte pouze vysoce kvalitní motorový olej, který splňuje následující požadavky:
-
Požadovaná úroveň klasifikace API: CH-4, CI-4 nebo vyšší
-
Olej: SAE 80W-90, olej bez obsahu rozpouštědel pro použití při teplotách nad 0 °C
Motorový olej Toro Premium Engine Oil je k dispozici u místního prodejce. Čísla dílů naleznete v katalogu náhradních dílů. Další doporučení naleznete v provozní příručce k motoru, který je součástí stroje.
Kontrola hladiny oleje čerpadla výplachové kapaliny
| Servisní interval | Postup při údržbě |
|---|---|
| Při každém použití nebo denně |
|
-
Umístěte stroj na rovný povrch, vypněte motor a vyjměte klíč ze zapalování.
-
Demontujte kontrolní zátku hladiny oleje na klikové skříni (Obrázek 124).
-
Jestliže olej vytéká z otvoru kontrolní zátky hladiny oleje, zasuňte kontrolní zátku hladiny oleje.
Note: Hladina oleje je dostatečná, pokud olej vytéká z otvoru nebo jeho hladina sahá alespoň do výše kontrolní zátky hladiny oleje.
-
Pokud olej z otvoru nevytéká nebo nesahá ke kontrolní zátce hladiny oleje, zasuňte kontrolní zátku hladiny oleje, otevřete uzávěr plnicího hrdla oleje a doplňte specifikovaný olej.

-
-
Přesvědčte se, zda olej sahá ke kontrolní rysce hladiny oleje, viz Obrázek 124.
Note: Pokud hladina oleje sahá pod tuto rysku, zopakujte krok 8 v části Výměna oleje čerpadla výplachové kapaliny a doplňte potřebné množství oleje.
Výměna oleje čerpadla výplachové kapaliny
| Servisní interval | Postup při údržbě |
|---|---|
| Po každých 500 hodinách provozu |
|
-
Umístěte stroj na rovný povrch, vypněte motor a vyjměte klíč ze zapalování.
-
Nechejte motor vychladnout.
-
Spusťte přítlačný rám a přesvědčte se, že zámek válce je nainstalován, viz Použití zámku válce.
-
Demontujte vypouštěcí zátku a pod výpustný otvor umístěte sběrnou nádobu (Obrázek 125).

-
Vyčistěte závit na vypouštěcí zátce a aplikujte na něj 3 vrstvy těsnicí pásky PTFE.
-
Vypusťte všechen olej z otvoru vypouštěcí zátky do sběrné nádoby (Obrázek 125).
-
Nainstalujte vypouštěcí zátku zpět.
-
Demontujte uzávěr plnicího hrdla oleje (Obrázek 125) a doplňte přibližně 1,8 l oleje tak, aby jeho hladina sahala ke kontrolní zátce hladiny oleje, viz Obrázek 124.
Výměna plnicího filtru čerpadla výplachové kapaliny
-
Umístěte stroj na rovný povrch, vypněte motor a vyjměte klíč ze zapalování.
-
Otevřete přední kapotu.
-
Pod plnicí filtr umístěte sběrnou nádobu nebo rozmístěte několik hadrů (Obrázek 126).

-
Otáčením plnicího filtru proti směru hodinových ručiček filtr demontujte (Obrázek 126).
Note: Plnicí filtr zlikvidujte.
-
Čistým hadrem otřete do čista povrch v místě, kde plnicí filtr dosedá.
-
Vyrovnejte plnicí filtr s dosedací plochou a otáčejte jím ve směru hodinových ručiček, dokud těsnění filtru nepřijde do styku s adaptérem (Obrázek 126).
Příprava systému výplachové kapaliny na chladné klimatické podmínky
Po vrtání připravte stroj následujícím způsobem, pokud klesne okolní teplota pod 0 °C.
-
Umístěte stroj na rovný povrch, vypněte motor a vyjměte klíč ze zapalování.
-
Připravte stroj na cirkulaci nemrznoucí směsi následovně:
-
Pod vrtací vřeteno umístěte vypouštěcí nádobu pro vytékající nemrznoucí směs (Obrázek 127).

-
Přesvědčte se, zda je na vstupním hrdle čerpadla výplachové kapaliny nainstalován uzávěr (Obrázek 128).

-
Demontujte uzávěr z nádrže nemrznoucí směsi pro čerpadlo výplachové kapaliny (Obrázek 129).

-
Přesvědčte se, zda je nádrž plná nemrznoucí směsi (Obrázek 129).
-
-
Zajistěte cirkulaci nemrznoucí směsi následovně:
-
Otevřete ventil nemrznoucí kapaliny v zadním prostoru (Obrázek 130).

-
Otevřete ventil poblíž zadního prostoru (Obrázek 131).

-
Nastartujte stroj a zapněte čerpadlo výplachové kapaliny.
-
V případě potřeby doplňte nemrznoucí směs (Obrázek 129).
-
Jakmile začne vytékat nemrznoucí směs z vrtacího vřetena (Obrázek 127), vypněte čerpadlo.
-
-
Vypněte stroj.
-
Nainstalujte uzávěr na nádrž nemrznoucí směsi (Obrázek 129).
-
Uzavřete ventil nemrznoucí směsi (Obrázek 130).
Údržba kabiny
Výměna vzduchového filtru kabiny
-
Otevřete dveře kabiny; viz Otevření dveří (pouze model s kabinou).
-
Umístěte stroj na rovný povrch, vypněte motor a vyjměte klíč ze zapalování.
-
Demontujte šroub a kryt vzduchového filtru (Obrázek 132).

-
Demontujte vzduchový filtr z pláště a vyměňte filtrační vložku (Obrázek 133).

Doplňování nádrže kapaliny do ostřikovačů předního okna
-
Otevřete dveře kabiny, viz Otevření dveří (pouze model s kabinou).
-
Otevřete uzávěr nádrže kapaliny do ostřikovačů předního okna (Obrázek 134).

-
Naplňte nádrž kapaliny do ostřikovačů předního okna až po okraj (Obrázek 134).
-
Zavřete uzávěr nádrže kapaliny do ostřikovačů předního okna (Obrázek 134).
Čištění
Čištění pomocí stříkacího nástavce hadice
| Servisní interval | Postup při údržbě |
|---|---|
| Při každém použití nebo denně |
|
Stroj je dodáván se stříkacím nástavcem hadice, který můžete použít k čištění stroje a trubek.
Important: Nestříkejte na žádné elektronické součásti stroje a před čištěním stroje pomocí stříkacího nástavce hadice se přesvědčte, zda je zavřená kapota.
Important: Je-li venkovní teplota pod bodem mrazu, před čištěním viz Příprava systému výplachové kapaliny na chladné klimatické podmínky.
Chcete-li použít stříkací nástavec hadice, postupujte následovně:
-
Zaparkujte stroj na rovném povrchu.
-
Pomocí pravého joysticku VYPNěTE čerpadlo výplachové kapaliny; viz Pravý joystick.
-
Přesvědčte se, zda je k dispozici zdroj čisté vody, ke které lze čerpadlo výplachové kapaliny připojit.
-
Přesvědčte se, zda je ventil poblíž zadního prostoru v ZAVřENé poloze (Obrázek 135).

-
Připojte stříkací nástavec hadice ke spojce (Obrázek 136).

-
Pomocí pravého joysticku ZAPNěTE čerpadlo výplachové kapaliny.
-
Nastavením průtokové rychlosti výplachové kapaliny pomocí přepínače upravte požadovaný tlak vody.
Note: Chcete-li zvýšit nebo snížit průtokovou rychlost výplachové kapaliny, postupujte podle informací v části Pravý joystick nebo Pravý joystick.
-
Při použití stříkacího nástavce hadice držte stisknutou páku a stříkejte na stroj a trubky.
Čištění plastových a resinových dílů
Při čištění plastových oken, panelu, přístrojové desky, monitoru, měřidel apod. se vyhněte použití benzinu, petroleje, ředidla atd. K čištění těchto dílů používejte pouze vodu, jemný čisticí prostředek a měkký hadr.
Pokud k čištění plastových nebo resinových dílů použijete benzin, petrolej, ředidlo a obdobné prostředky, dojde ke změně barvy, prasknutí nebo jejich deformaci.

















































































































