Coloque a máquina numa superfície nivelada.
Engate o travão de estacionamento.
Desligue o motor.
Retire o cabo da vela da vela; consulte o Manual do utilizador da sua máquina.
Peças necessárias para este passo:
| Montagem | 1 |
| Placa de montagem | 1 |
| Regulador | 1 |
| Porca flangeada | 4 |
| Cablagem | 1 |
| Tampa | 1 |
| Espaçador | 2 |
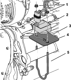
Instale a montagem, a placa de montagem e regulador na estrutura do tubo traseiro utilizando duas porcas flangeadas como se mostra na Figura 1.
Important: Instale o terminal de anel do conector do regulador entre o regulador e a placa de montagem (Figura 1).

Ligue o conector do regulador à cablagem do kit do contador de horas sem fios (Figura 2).

Retire e elimine os suportes de montagem da face do CHSF.
Ligue o contador de horas sem fios à cablagem do CHSF (Figura 3).

Instale os espaçadores e cobertura sobre o contador de horas sem fios e conexões da cablagem como se mostra na Figura 4.
Important: Encaminhe as restantes extremidades soltas da cablagem para fora do entalhe na cobertura do contador de horas sem fios.

Ligue a cablagem do contador de horas sem fios ao motor da seguinte forma:
Para máquinas com Kit de luzes não equipado:
Ligue a extremidade da cablagem rotulada J01 à extremidade branca da cablagem do motor.
Ligue a extremidade da cablagem rotulada J02 à extremidade verde da cablagem principal.
Ligue a extremidade da cablagem rotulada J03 ao parafuso de montagem do motor como ligação à terra.
Ligue a extremidade da cablagem rotulada J04 à extremidade branca da cablagem principal.
Ligue a extremidade da cablagem rotulada J05 à extremidade verde da cablagem do motor.
Para máquinas com Kit de luzes equipado:
Ligue a extremidade da cablagem rotulada J01 à extremidade branca da cablagem do motor.
Ligue a extremidade da cablagem rotulada J02 à extremidade preta da cablagem do - kit de luzes rotulado J02.
Ligue a extremidade da cablagem rotulada J03 ao parafuso de montagem do motor como ligação à terra.
Ligue a extremidade da cablagem rotulada J04 à extremidade branca da cablagem principal.
Ligue a extremidade da cablagem rotulada J05 à extremidade verde da cablagem do motor.
Ligue a extremidade branca do kit de luzes (rotulada J01) à extremidade verde da cablagem principal.