将机器停在水平地面上。
接合驻车刹车。
关闭发动机。
将火花塞电线从火花塞中拉出;请参阅机器《操作员手册》。
此程序中需要的物件:
| 安装 | 1 |
| 安装面板 | 1 |
| 调节器 | 1 |
| 凸缘螺母 | 4 |
| 线束 | 1 |
| 护罩 | 1 |
| 隔片 | 2 |
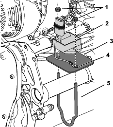
如图 1 所示,用 2 个凸缘螺母将支架、支架面板和调节器安装到后管道架上。
Important: 将调节器接头的环形端子安装到调节器与支架面板之间(图 1)。

将调节器接头连接至无线小时表套件线束(图 2)。

从无线小时表前面拆下并丢弃安装支架。
将无线小时表连接至无线小时表套件线束(图 3)。

将隔片和护盖安装到无线小时表上方,线束连接如图 4 所示。
Important: 将剩余的松散线束末端从无线小时表护盖的凹口中取出。

将无线小时表线束连接至发动机,如下所示:
适用于未配备灯具组件的机器:
将标有 J01 的线束端连接到发动机线束的白色端。
将标有 J02 的线束端连接到主线束的绿色端。
将标有 J03 的线束端连接到作为地线的发动机安装螺栓。
将标有 J04 的线束端连接到主线束的白色端。
将标有 J05 的线束端连接到发动机线束的绿色端。
适用于配备灯具组件的机器:
将标有 J01 的线束端连接到发动机线束的白色端。
将标有 J02 的线束端连接到标有 J02 的灯具组件线束的黑色端。
将标有 J03 的线束端连接到作为地线的发动机安装螺栓。
将标有 J04 的线束端连接到主线束的白色端。
将标有 J05 的线束端连接到发动机线束的绿色端。
将灯具组件线束的白色端(标有 J01)连接到主线束的绿色端。