Установите машину на ровной поверхности.
Включите стояночный тормоз.
Выключите двигатель.
Отсоедините провод от свечи зажигания; см. Руководство оператора для вашей машины.
Детали, требуемые для этой процедуры:
| Крепление | 1 |
| Монтажная пластина | 1 |
| Регулятор | 1 |
| Фланцевая гайка | 4 |
| Жгут проводов | 1 |
| Крышка | 1 |
| Разделитель | 2 |
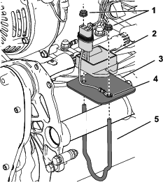
Установите крепление, монтажную пластину и регулятор на заднюю трубчатую раму с помощью 2 фланцевых гаек, как показано на Рисунок 1.
Important: Установите между регулятором и монтажной пластиной круглую клемму на проводе, идущем от разъема регулятора (Рисунок 1).

Подсоедините разъем регулятора к жгуту проводов из комплекта беспроводного счетчика моточасов (БСМ) (Рисунок 2).

Снимите и удалите в отходы монтажные кронштейны с лицевой поверхности БСМ.
Подсоедините беспроводной счетчик моточасов к жгуту проводов из комплекта БСМ (Рисунок 3).

Установите проставки и крышку на беспроводной счетчик моточасов и соединения жгута проводов, как показано на Рисунок 4.
Important: Выведите оставшиеся незакрепленные концы жгута проводов из выемки в крышке беспроводного счетчика моточасов.

Подсоедините жгут проводов беспроводного счетчика моточасов к двигателю следующим образом:
Для машин без установленного комплекта осветительных приборов:
Подсоедините конец жгута проводов с маркировкой J01 к белому концу жгута проводов двигателя.
Подсоедините конец жгута проводов с маркировкой J02 к зеленому концу главного жгута проводов.
Подсоедините конец жгута проводов с маркировкой J03 к монтажному болту двигателя для заземления.
Подсоедините конец жгута проводов с маркировкой J04 к белому концу главного жгута проводов.
Подсоедините конец жгута проводов с маркировкой J05 к зеленому концу жгута проводов двигателя.
Для машин с установленным комплектом осветительных приборов:
Подсоедините конец жгута проводов с маркировкой J01 к белому концу жгута проводов двигателя.
Подсоедините конец жгута проводов с маркировкой J02 к черному концу жгута проводов из комплекта осветительных приборов, имеющему маркировку J02.
Подсоедините конец жгута проводов с маркировкой J03 к монтажному болту двигателя для заземления.
Подсоедините конец жгута проводов с маркировкой J04 к белому концу главного жгута проводов.
Подсоедините конец жгута проводов с маркировкой J05 к зеленому концу жгута проводов двигателя.
Подсоедините белый конец жгута проводов из комплекта осветительных приборов (имеющий маркировку J01), к зеленому концу главного жгута проводов.