Parkera maskinen på en plan yta.
Koppla in parkeringsbromsen.
Stäng av motorn.
Ta bort tändkabeln från tändstiftet. Läs mer i maskinens bruksanvisning.
Delar som behövs till detta steg:
| Monteringsfäste | 1 |
| Fästplatta | 1 |
| Regulator | 1 |
| Flänsmutter | 4 |
| Kablage | 1 |
| Kåpa | 1 |
| Distansbricka | 2 |
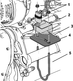
Montera fästet, fästplattan och regulatorn på den bakre rörramen med två flänsmuttrar enligt Figur 1.
Important: Montera ringkopplingen från regulatorkontakten mellan regulatorn och fästplattan (Figur 1).

Anslut regulatorkontakten till den trådlösa timmätarens satskablage (Figur 2).

Avlägsna och kassera monteringsfästena från den trådlösa timmätarens framsida.
Anslut den trådlösa timmätaren till den trådlösa timmätarens kablage (Figur 3).

Montera distansbrickorna och kåpan över den trådlösa timmätaren och kablageanslutningarna enligt Figur 4.
Important: Dra de återstående lösa kablageändarna ut ur skåran i den trådlösa timmätarens kåpa.

Anslut den trådlösa timmätarens kablage till motorn enligt följande:
För maskiner som inte är utrustade med lampsats:
Anslut kablageänden som är märkt J01 till motorkablagets vita ände.
Anslut kablageänden som är märkt J02 till motorkablagets gröna ände.
Anslut kablageänden som är märkt J03 till motorns monteringsskruv som jord.
Anslut kablageänden som är märkt J04 till huvudkablagets vita ände.
Anslut kablageänden som är märkt J05 till motorkablagets gröna ände.
För maskiner som är utrustade med lampsats:
Anslut kablageänden som är märkt J01 till motorkablagets vita ände.
Anslut kablageänden som är märkt J02 till den svarta änden på lampsatsens kablage som är märkt J02.
Anslut kablageänden som är märkt J03 till motorns monteringsskruv som jord.
Anslut kablageänden som är märkt J04 till huvudkablagets vita ände.
Anslut kablageänden som är märkt J05 till motorkablagets gröna ände.
Anslut den vita änden av lampsatsens kablage (märkt J01) till huvudkablagets gröna ände.