Ustaw maszynę na równym podłożu.
Zaciągnij hamulec postojowy.
Wyłącz silnik.
Odłącz przewód od świecy zapłonowej, patrz instrukcja obsługi maszyny.
Części potrzebne do tej procedury:
| Pręt mocujący | 1 |
| Płyta montażowa | 1 |
| Sterownik | 1 |
| Nakrętka kołnierzowa | 4 |
| Wiązka przewodów | 1 |
| Pokrywa | 1 |
| Przekładka | 2 |
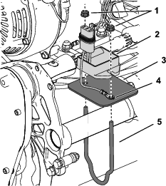
Używając 2 nakrętek kołnierzowych zamontuj do tylnej rury ramy pręt mocujący, płytę montażową oraz sterownik w sposób pokazany na Rysunek 1.
Important: Wychodzący ze złącza sterownika zacisk pierścieniowy umieść tak, aby łączył on sterownik z płytą montażową (Rysunek 1).

Podłącz złącze sterownika do wiązki przewodów z zestawu bezprzewodowego licznika godzin (Rysunek 2).

Odłącz wsporniki mocujące od przedniej powierzchni bezprzewodowego licznika godzin i wyrzuć je.
Podłącz bezprzewodowy licznik godzin do wiązki przewodów z zestawu bezprzewodowego licznika godzin WHM (Rysunek 3).

Zamontuj nad bezprzewodowym licznikiem godzin elementy dystansowe i pokrywę w sposób pokazany na Rysunek 4.
Important: Poprowadź pozostałe luźne końce wiązki przewodów przez wycięcie w pokrywie bezprzewodowego licznika godzin.

Podłącz wiązkę przewodów bezprzewodowego licznika godzin w następujący sposób:
W przypadku maszyn nie wyposażonych w zestaw oświetlenia:
Podłącz koniec wiązki przewodów oznaczony J01 do białego końca wiązki przewodów silnika.
Podłącz koniec wiązki przewodów oznaczony J02 do zielonego końca głównej wiązki przewodów.
Podłącz koniec wiązki przewodów oznaczony J03 do śruby mocującej silnik w celu uziemienia.
Podłącz koniec wiązki przewodów oznaczony J04 do białego końca głównej wiązki przewodów.
Podłącz koniec wiązki przewodów oznaczony J05 do zielonego końca wiązki przewodów silnika.
W przypadku maszyn wyposażonych w zestaw oświetlenia:
Podłącz koniec wiązki przewodów oznaczony J01 do białego końca wiązki przewodów silnika.
Podłącz koniec wiązki przewodów oznaczony J02 do czarnego końca wiązki przewodów zestawu oświetlenia oznaczonego J02.
Podłącz koniec wiązki przewodów oznaczony J03 do śruby mocującej silnik w celu uziemienia.
Podłącz koniec wiązki przewodów oznaczony J04 do białego końca głównej wiązki przewodów.
Podłącz koniec wiązki przewodów oznaczony J05 do zielonego końca wiązki przewodów silnika.
Podłącz biały koniec wiązki przewodów zestawu oświetlenia (oznaczony J01) do zielonego końca głównej wiązki przewodów.