Parker maskinen på en jevn flate.
Sett på parkeringsbremsen.
Slå av motoren.
Koble tennpluggledningen fra tennpluggen, se maskinens brukerhåndbok.
Deler som er nødvendige for dette trinnet:
| Feste | 1 |
| Monteringsplate | 1 |
| Regulator | 1 |
| Flensmutter | 4 |
| Ledningssats | 1 |
| Deksel | 1 |
| Avstandsstykke | 2 |
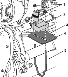
Monter festet, monteringsplaten og regulatoren til den bakre slangerammen med de to flensmutterne som vist i Figur 1.
Important: Monter ringterminalen fra regulatorkontakten mellom regulatoren og monteringsplaten (Figur 1).

Koble regulatorkontakten til ledningssatsen for det trådløse timetellersettet (Figur 2).

Fjern og kast monteringsbrakettene fra forsiden av WHM.
Koble den trådløse timetelleren til WHM-ledningssatssettet (Figur 3).

Monter avstandsstykkene og dekselet over den trådløse timetelleren og ledningssatskontaktene som vist i Figur 4.
Important: Før de gjenværende løse endene til ledningssatsene ut av hakket i det trådløse timetellerdekselet.

Koble den trådløse timetellerens ledningssats til motoren som følger:
For maskiner som ikke er utstyrt med lyssett:
Koble enden av ledningssatsen merket J01 til den hvite enden av motorens ledningssats.
Koble enden av ledningssatsen merket J02 til den grønne enden av hovedledningssatsen.
Koble enden av ledningssatsen merket J03 til motorens monteringsbolt som jording.
Koble enden av ledningssatsen merket J04 til den hvite enden av hovedledningssatsen.
Koble enden av ledningssatsen merket J05 til den grønne enden av motorens ledningsnett.
For maskiner som er utstyrt med lyssett:
Koble enden av ledningssatsen merket J01 til den hvite enden av motorens ledningssats.
Koble enden av ledningssatsen merket J02 til den svarte enden av lyssettledningssatsen merket J02.
Koble enden av ledningssatsen merket J03 til motorens monteringsbolt som jording.
Koble enden av ledningssatsen merket J04 til den hvite enden av hovedledningssatsen.
Koble enden av ledningssatsen merket J05 til den grønne enden av motorens ledningsnett.
Koble den hvite enden av ledningssatsen for lyssettet (merket J01) til den grønne enden av hovedledningssatsen.