Parkeer de machine op een horizontaal oppervlak.
Stel de parkeerrem in werking.
Zet de motor af.
Koppel de bougiekabel af van de bougie; raadpleeg de Gebruikershandleiding van uw machine.
Benodigde onderdelen voor deze stap:
| Montagebeugel | 1 |
| Bevestigingsplaat | 1 |
| Regelaar | 1 |
| Flensmoer | 4 |
| Kabelboom | 1 |
| Deksel | 1 |
| Afstandsstuk | 2 |
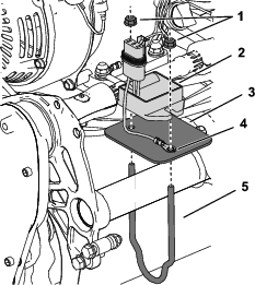
Monteer de montagebeugel, de bevestigingsplaat en de regelaar met 2 flensmoeren aan het achterste buisframe zoals getoond in Figuur 1.
Important: Monteer de ringconnector van de regelaarconnector tussen de regelaar en de bevestigingsplaat (Figuur 1).

Sluit de regelaarconnector aan op de kabelboom van de draadloze urenteller (DUT) (Figuur 2).

Verwijder de montagebeugels van de zijde van de DUT en gooi deze weg.
Sluit de draadloze urenteller aan op de kabelboom van de DUT (Figuur 3).

Monteer de afstandsstukken en de kap over de draadloze urenteller en de kabelboomaansluitingen zoals getoond in Figuur 4.
Important: Leid de resterende losse kabelboomuiteinden uit de inkeping in de kap van de draadloze urenteller.

Sluit de kabelboom van de draadloze urenteller als volgt aan op de motor:
Voor machines die niet uitgerust zijn met de verlichtingsset:
Sluit het uiteinde van de kabelboom met de aanduiding J01 aan op het witte uiteinde van de motorkabelboom.
Sluit het uiteinde van de kabelboom met de aanduiding J02 aan op het groene uiteinde van de hoofdkabelboom.
Sluit het uiteinde van de kabelboom met de aanduiding J03 aan op de montagebout van de motor als aarding.
Sluit het uiteinde van de kabelboom met de aanduiding J04 aan op het witte uiteinde van de hoofdkabelboom.
Sluit het uiteinde van de kabelboom met de aanduiding J05 aan op het groene uiteinde van de motorkabelboom.
Voor machines die uitgerust zijn met de verlichtingsset:
Sluit het uiteinde van de kabelboom met de aanduiding J01 aan op het witte uiteinde van de motorkabelboom.
Sluit het uiteinde van de kabelboom met de aanduiding J02 aan op het zwarte uiteinde van de kabelboom van de verlichtingsset met de aanduiding J02.
Sluit het uiteinde van de kabelboom met de aanduiding J03 aan op de montagebout van de motor als aarding.
Sluit het uiteinde van de kabelboom met de aanduiding J04 aan op het witte uiteinde van de hoofdkabelboom.
Sluit het uiteinde van de kabelboom met de aanduiding J05 aan op het groene uiteinde van de motorkabelboom.
Sluit het witte uiteinde van de kabelboom van de verlichtingsset (met de aanduiding J01) aan op het groene uiteinde van de hoofdkabelboom.