Garez la machine sur un sol plat et horizontal.
Serrez le frein de stationnement.
Coupez le moteur.
Débranchez le fil de la bougie ; voir le Manuel de l'utilisateur de la machine.
Pièces nécessaires pour cette opération:
| Support | 1 |
| Plaque de montage | 1 |
| Régulateur | 1 |
| Écrou à embase | 4 |
| Faisceau de câblage | 1 |
| Couvercle | 1 |
| Entretoise | 2 |
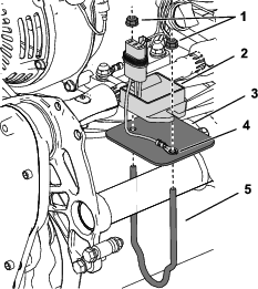
Montez le support, la plaque de montage et le régulateur sur le cadre tubulaire arrière avec 2 écrous à embase, comme montré à la Figure 1.
Important: Placez la cosse en anneau du régulateur entre le régulateur et la plaque de montage (Figure 1).

Branchez le connecteur du régulateur au faisceau du kit compteur horaire sans fil (Figure 2).

Déposez et mettez au rebut les supports de montage sur la face du compteur horaire sans fil.
Branchez le compteur horaire sans fil au faisceau du kit (Figure 3).

Placez les entretoises et le couvercle sur le compteur horaire sans fil et les connexions du faisceau, comme montré à la Figure 4.
Important: Faites passer les extrémités non connectées du faisceau par le cran dans le couvercle du compteur horaire sans fil.

Branchez le faisceau du compteur horaire sans fil au moteur comme suit :
Pour les machines non équipées du kit d'éclairage :
Branchez l'extrémité du faisceau étiquetée J01 à l'extrémité blanche du faisceau du moteur.
Branchez l'extrémité du faisceau étiquetée J02 à l'extrémité verte du faisceau principal.
Branchez l'extrémité du faisceau étiquetée J03 au boulon de montage du moteur, comme masse.
Branchez l'extrémité du faisceau étiquetée J04 à l'extrémité blanche du faisceau principal.
Branchez l'extrémité du faisceau étiquetée J05 à l'extrémité verte du faisceau du moteur.
Pour les machines équipées du kit d'éclairage :
Branchez l'extrémité du faisceau étiquetée J01 à l'extrémité blanche du faisceau du moteur.
Branchez l'extrémité du faisceau étiquetée J02 à l'extrémité noire du faisceau du kit d'éclairage étiquetée J02.
Branchez l'extrémité du faisceau étiquetée J03 au boulon de montage du moteur, comme masse.
Branchez l'extrémité du faisceau étiquetée J04 à l'extrémité blanche du faisceau principal.
Branchez l'extrémité du faisceau étiquetée J05 à l'extrémité verte du faisceau du moteur.
Branchez l'extrémité blanche du faisceau du kit d'éclairage (étiquetée J01) à l'extrémité verte du faisceau principal.