Parcheggiate la macchina su terreno pianeggiante.
Inserite il freno di stazionamento.
Spegnete il motore.
Rimuovete il cappellotto dalla candela; fate riferimento al Manuale dell’operatore della vostra macchina.
Parti necessarie per questa operazione:
| Supporto | 1 |
| Piastra di supporto | 1 |
| Regolatore | 1 |
| Dado flangiato | 4 |
| Cablaggio preassemblato | 1 |
| Coperchio | 1 |
| Distanziale | 2 |
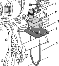
Montate il supporto, la piastra di supporto e il regolatore sul telaio del tubo posteriore, utilizzando 2 dadi flangiati, come illustrato nella Figura 1.
Important: Montate il terminale ad anello del connettore del regolatore tra il regolatore e la piastra di supporto (Figura 1).

Collegate il connettore del regolatore al cablaggio preassemblato del Kit contaore wireless (Figura 2).

Rimuovete ed eliminate le staffe di montaggio dalla superficie del WHM.
Collegate il contaore wireless al cablaggio del Kit WHM (Figura 3).

Montate i distanziali e il coperchio sui collegamenti del contaore wireless e del cablaggio preassemblato, come illustrato nella Figura 4.
Important: Disponete le estremità rimaste sfuse del cablaggio preassemblato fuori dalla tacca nel coperchio del contaore wireless.

Collegate il cablaggio preassemblato del contaore wireless al motore nel modo seguente:
Per le macchine con Kit luci non in dotazione:
Collegate l’estremità del cablaggio preassemblato indicata come J01 all’estremità bianca del cablaggio preassemblato del motore.
Collegate l’estremità del cablaggio preassemblato indicata come J02 all’estremità verde del cablaggio preassemblato principale.
Collegate l’estremità del cablaggio preassemblato indicata come J03 al bullone di montaggio del motore come messa a terra.
Collegate l’estremità del cablaggio preassemblato indicata come J04 all’estremità bianca del cablaggio preassemblato principale.
Collegate l’estremità del cablaggio preassemblato indicata come J05 all’estremità verde del cablaggio preassemblato del motore.
Per le macchine con Kit luci in dotazione:
Collegate l’estremità del cablaggio preassemblato indicata come J01 all’estremità bianca del cablaggio preassemblato del motore.
Collegate l’estremità del cablaggio preassemblato indicata come J02 all’estremità di colore nero del cablaggio preassemblato del Kit luci indicata come J02.
Collegate l’estremità del cablaggio preassemblato indicata come J03 al bullone di montaggio del motore come messa a terra.
Collegate l’estremità del cablaggio preassemblato indicata come J04 all’estremità bianca del cablaggio preassemblato principale.
Collegate l’estremità del cablaggio preassemblato indicata come J05 all’estremità verde del cablaggio preassemblato del motore.
Collegate l’estremità bianca del cablaggio preassemblato del Kit luci (indicata come J01) all’estremità verde del cablaggio preassemblato principale.