平らな場所に駐車する。
駐車ブレーキを掛ける。
エンジンを停止する。
点火プラグから点火コードを外す;各マシンンの オペレーターズマニュアルを参照。
この作業に必要なパーツ
| マウント | 1 |
| 取り付けプレート | 1 |
| レギュレータ | 1 |
| フランジナット | 4 |
| ワイヤハーネス | 1 |
| カバー | 1 |
| スペーサ | 2 |
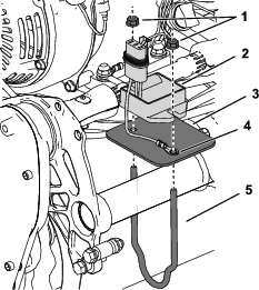
図 1のように、マウント、取り付けプレート、レギュレータを、後チューブフレームに取り付ける;フランジナット(2 個)を使用する。
Important: レギュレータのコネクタから来ているリング端子を、レギュレータと取り付けプレートの間に取り付けてください(図 1)。

レギュレータのコネクタを無線アワーメータキットのワイヤハーネスに接続する(図 2)。

WHM の面についている取り付けブラケットを外して捨てる。
WHM を WHM キットのハーネスに取り付ける(図 3)。

図 4のように、無線アワーメータとその接続部の上からスペーサとカバーを取り付ける。
Important: 余っているワイヤハーネス部分はノッチから引き出して適切に配設してください。

以下の要領で、無線アワーメータのワイヤハーネスをエンジンに接続する:
ライトキット非搭載機:
J01 というラベルがついているハーネス端部を、エンジンのハーネスの白色の端部に接続する。
J02 というラベルがついているハーネス端部を、メインのハーネスの緑色の端部に接続する。
J03 というラベルがついているハーネス端部を、エンジン取り付けボルトにアースする。
J04 というラベルがついているハーネス端部を、メインのハーネスの白色の端部に接続する。
J05 というラベルがついているハーネス端部を、エンジンのハーネスの緑色の端部に接続する。
ライトキット搭載機:
J01 というラベルがついているハーネス端部を、エンジンのハーネスの白色の端部に接続する。
J02 というラベルがついているハーネス端部を、ライトキットのハーネスの J02 というラベルがついている端部に接続する。
J03 というラベルがついているハーネス端部を、エンジン取り付けボルトにアースする。
J04 というラベルがついているハーネス端部を、メインのハーネスの白色の端部に接続する。
J05 というラベルがついているハーネス端部を、エンジンのハーネスの緑色の端部に接続する。
ライトキットのワイヤハーネスの白色端部(ラベルは J01)を、メインのワイヤハーネスの緑色端部に接続する。