Aparque la máquina en una superficie nivelada.
Ponga el freno de estacionamiento.
Pare el motor.
Desconecte el cable de la bujía; consulte el Manual del operador de la máquina.
Piezas necesarias en este paso:
| Soporte | 1 |
| Placa de soporte | 1 |
| Regulador | 1 |
| Tuerca con arandela prensada | 4 |
| Arnés de cables | 1 |
| Tapa | 1 |
| Espaciador | 2 |
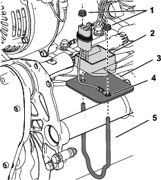
Instale el soporte, la placa de soporte y el regulador en el bastidor del tubo trasero con 2 tuercas con arandela prensada, tal y como se muestra en la Figura 1.
Important: Instale el terminal de anillo del conector del regulador entre el regulador y la placa de soporte (Figura 1).

Conecte el conector del regulador al arnés de cables del kit del contador de horas inalámbrico (Figura 2).

Retire y deseche los soportes de montaje de la cara del CHI.
Conecte el medidor de horas inalámbrico al arnés del kit del CHI (Figura 3).

Instale los espaciadores y la tapa sobre el contador de horas inalámbrico y las conexiones del arnés de cables, tal y como se muestra en la Figura 4.
Important: Enrute los extremos sueltos restantes del arnés de cables fuera de la muesca de la tapa del contador de horas inalámbrico.

Conecte el arnés de cables del contador de horas inalámbrico al motor del siguiente modo:
Para máquinas no equipadas con el kit de faros:
Conecte el extremo del arnés de cables con la etiqueta J01 en el extremo blanco del arnés de cables del motor.
Conecte el extremo del arnés de cables con la etiqueta J02 en el extremo verde del arnés de cables principal.
Conecte el extremo del arnés de cables con la etiqueta J03 en el perno de montaje del motor como conexión a tierra.
Conecte el extremo del arnés de cables con la etiqueta J04 en el extremo blanco del arnés de cables principal.
Conecte el extremo del arnés de cables con la etiqueta J05 en el extremo verde del arnés de cables del motor.
Para máquinas equipadas con el kit de faros:
Conecte el extremo del arnés de cables con la etiqueta J01 en el extremo blanco del arnés de cables del motor.
Conecte el extremo del arnés de cables con la etiqueta J02 en el extremo negro del arnés de cables del kit de faros con la etiqueta J02
Conecte el extremo del arnés de cables con la etiqueta J03 en el perno de montaje del motor como conexión a tierra.
Conecte el extremo del arnés de cables con la etiqueta J04 en el extremo blanco del arnés de cables principal.
Conecte el extremo del arnés de cables con la etiqueta J05 en el extremo verde del arnés de cables del motor.
Conecte el extremo blanco del arnés de cables del kit de faros (con la etiqueta J01) en el extremo verde del arnés de cables principal.