Parker maskinen på en plan flade.
Aktiver parkeringsbremsen.
Sluk for motoren.
Afmonter tændrørskablet fra tændrøret. Se maskinens betjeningsvejledning.
Dele, der skal bruges til dette trin:
| Monteringsbeslag | 1 |
| Monteringsplade | 1 |
| Regulator | 1 |
| Flangemøtrik | 4 |
| Ledningsnet | 1 |
| Dæksel | 1 |
| Afstandsbøsning | 2 |
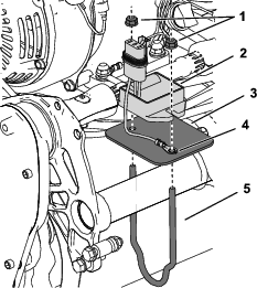
Monter monteringsbeslaget, monteringspladen og regulatoren på det bageste rørstel med 2 flangemøtrikker som vist i Figur 1.
Important: Monter ringklemmen fra regulatorstikket mellem regulatoren og monteringspladen (Figur 1).

Tilslut regulatorstikket til ledningsnettet fra sættet til trådløs timetæller (Figur 2).

Afmonter og kasser monteringsbeslagene fra den trådløse timetællers forside.
Tilslut den trådløse timetæller til ledningsnettet for sættet til trådløs timetæller (Figur 3).

Monter afstandsbøsningerne og dækslet på den trådløse timetæller og ledningsnettets tilslutninger som vist i Figur 4.
Important: Før de resterende løse ledningsnetender ud gennem hakket på den trådløse timetællers dæksel.

Tilslut den trådløse timetællers ledningsnet til motoren på følgende måde:
For maskiner uden lygtesættet:
Tilslut enden af ledningsnettet, der er mærket J01, til den hvide ende på motorens ledningsnet.
Tilslut enden af ledningsnettet, der er mærket J02, til den grønne ende på hovedledningsnettet.
Tilslut enden af ledningsnettet, der er mærket J03, til motorens monteringsbolt som jordtilslutning.
Tilslut enden af ledningsnettet, der er mærket J04, til den hvide ende på hovedledningsnettet.
Tilslut enden af ledningsnettet, der er mærket J05, til den grønne ende på motorens ledningsnet.
For maskiner med lygtesættet:
Tilslut enden af ledningsnettet, der er mærket J01, til den hvide ende på motorens ledningsnet.
Tilslut enden af ledningsnettet, der er mærket J02, til den sorte ende på lygtesættets ledningsnet, der er mærket J02.
Tilslut enden af ledningsnettet, der er mærket J03, til motorens monteringsbolt som jordtilslutning.
Tilslut enden af ledningsnettet, der er mærket J04, til den hvide ende på hovedledningsnettet.
Tilslut enden af ledningsnettet, der er mærket J05, til den grønne ende på motorens ledningsnet.
Tilslut den hvide ende af lygtesættets ledningsnet (mærket J01) til den grønne ende på hovedledningsnettet.