Parts needed for this procedure:
| Template | 1 |
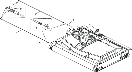
Note: This procedure is only for machines that do not have existing holes.
Note: Ensure the template is in the correct position on both sides of the front and rear rollers.
Park the machine on a level surface, shut off the engine, chock the wheels or set the parking brake if attached to a traction unit, and remove the key from the ignition switch.
Align the template as shown in Figure 1 and mark the holes.
Important: Ensure you have the template tight against the bearing housings.

Mark the position and drill 13/32 inch holes on each side at the end of the rollers (Figure 2).

Repeat this procedure on the left and right sides of each mower deck.
Parts needed for this procedure:
| Wire | 12 |
| Bushing | 6 |
| Lock washer | 6 |
| Washer | 6 |
| Nut | 6 |
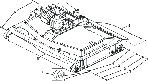
Note: Install a wire for each roller.
Install the wire into a bushing as shown in Figure 3.

Install the wire through the holes in the side of the mower deck.
Attach the wire to the side of the mower deck with a nut, lock washer, washer, and bushing (Figure 4).
Adjust the wire tension with the nut.
Note: Ensure the wire is taut and without slack.

Repeat this procedure for each mower deck.