| Maintenance Service Interval | Maintenance Procedure |
|---|---|
| Before each use or daily |
|
This rotary-blade, riding lawn mower is intended to be used by professional, hired operators. It is designed primarily for cutting grass on well-maintained lawns on residential or commercial properties. Using this product for purposes other than its intended use could prove dangerous to you and bystanders.
Read this information carefully to learn how to operate and maintain your product properly and to avoid injury and product damage. You are responsible for operating the product properly and safely.
Visit www.Toro.com for product safety and operation training materials, accessory information, help finding a dealer, or to register your product.
Whenever you need service, genuine Toro parts, or additional information, contact an Authorized Service Dealer or Toro Customer Service and have the model and serial numbers of your product ready. Figure 1 identifies the location of the model and serial numbers on the product. Write the numbers in the space provided.
Important: With your mobile device, you can scan the QR code (if equipped) on the serial number decal to access warranty, parts, and other product information.

This manual uses 2 words to highlight information. Important calls attention to special mechanical information and Note emphasizes general information worthy of special attention.
It is a violation of California Public Resource Code Section 4442 or 4443 to use or operate the engine on any forest-covered, brush-covered, or grass-covered land unless the engine is equipped with a spark arrester, as defined in Section 4442, maintained in effective working order or the engine is constructed, equipped, and maintained for the prevention of fire.
Gross or Net Torque: The gross or net torque of this engine was laboratory rated by the engine manufacturer in accordance with the Society of Automotive Engineers (SAE) J1940 or J2723. As configured to meet safety, emission, and operating requirements, the actual engine torque on this class of mower will be significantly lower. Please refer to the engine manufacturer’s information included with the machine.
CALIFORNIA
Proposition 65 Warning
The engine exhaust from this product contains chemicals known to the State of California to cause cancer, birth defects, or other reproductive harm.
Battery posts, terminals, and related accessories contain lead and lead compounds, chemicals known to the State of California to cause cancer and reproductive harm. Wash hands after handling.
Use of this product may cause exposure to chemicals known to the State of California to cause cancer, birth defects, or other reproductive harm.
This machine has been designed in accordance with ANSI standard B71.4-2017.
This Safety Alert Symbol (Figure 2) is used both in this manual and on the machine to identify important safety messages which must be followed to avoid accidents.
This symbol means: ATTENTION! BECOME ALERT! YOUR SAFETY IS INVOLVED!

The safety alert symbol appears above information which alerts you to unsafe actions or situations and will be followed by the word DANGER, WARNING, or CAUTION.
DANGER: Indicates an imminently hazardous situation which, if not avoided, Will result in death or serious injury.
WARNING: Indicates a potentially hazardous situation which, if not avoided, Could result in death or serious injury.
CAUTION: Indicates a potentially hazardous situation which, if not avoided, May result in minor or moderate injury.
This manual uses two other words to highlight information. Important calls attention to special mechanical information and Note emphasizes general information worthy of special attention.
This machine is capable of amputating hands and feet and of throwing objects. Toro designed and tested this lawn mower to offer reasonably safe service; however, failure to comply with safety instructions may result in injury or death.
Read, understand, and follow all instructions and warnings in the Operator’s Manual and other training material, on the machine, engine, and attachments. All operators and mechanics should be trained. If the operator(s) or mechanic(s) can not read this manual, it is the owner’s responsibility to explain this material to them; other languages may be available on our website.
Only allow trained, responsible, and physically capable operators that are familiar with the safe operation, operator controls, and safety signs and instructions to operate the machine. Never let children or untrained people operate or service the equipment. Local regulations may restrict the age of the operator.
Always keep the roll bar in the fully raised and locked position and use the seat belt.
Do not operate the machine near drop-offs, ditches, embankments, water, or other hazards, or on slopes greater than 15 degrees.
Do not put your hands or feet near moving components of the machine.
Never operate the machine with damaged guards, shields, or covers. Always have safety shields, guards, switches and other devices in place and in proper working condition.
Stop the machine, shut off the engine, and remove the key before servicing, fueling, or unclogging the machine.

![]() |
Safety decals and instructions are easily visible to the operator and are located near any area of potential danger. Replace any decal that is damaged or missing. |

























Become familiar with all the controls before you start the engine and operate the machine.

The key switch, used to start and shut off the engine, has 3 positions: OFF, RUN, and START. Refer to Starting the Engine.
The throttle controls the engine speed, and it has a continuous-variable setting from the SLOW to FAST position (Figure 5).
Use the choke control to start a cold engine.
The blade-control switch, represented by a power-takeoff (PTO) symbol, engages and disengages power to the mower blades (Figure 5).
The hour meter records the number of hours the engine has operated. It operates when the engine is running. Use these times for scheduling regular maintenance (Figure 6).

The fuel gauge is located within the hour meter, and the bars light up when the key switch is in the ON position (Figure 6).
The indicator light appears when the fuel level is low (approximately 1 gallon remaining in the fuel tank).
There are symbols on the hour meter that indicate with a black triangle that the interlock component is positioned correctly (Figure 6).
If you turn the key switch to the ON position for a few seconds, the battery voltage displays in the area where the hours are normally displayed.
The battery light turns on when the key switch is turned on and when the charge is below the correct operating level (Figure 6).
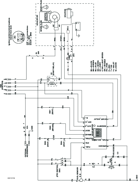
The electronic-control unit (ECU) continuously monitors the operation of the EFI system.
If a problem or fault within the system is detected, the malfunction-indicator light (MIL) illuminates.
The MIL is the red light located in the right console panel.
Once the MIL illuminates, make initial troubleshooting checks; refer to the MIL section under .
If these checks do not correct the problem, further diagnosis and servicing by an Authorized Service Dealer is necessary.
Use the motion-control levers to drive the machine forward, reverse, and turn either direction (Figure 4).
Move the motion-control levers outward from the center to the NEUTRAL-LOCK position when exiting the machine (Figure 22). Always position the motion-control levers into the NEUTRAL-LOCK position when you stop the machine or leave it unattended.
Whenever you shut off the engine, engage the parking brake to prevent accidental movement of the machine.
Close the fuel-shutoff valve when transporting or storing the machine; refer to Using the Fuel-Shutoff Valve.
A selection of Toro approved attachments and accessories is available for use with the machine to enhance and expand its capabilities. Contact your Authorized Service Dealer or authorized Toro distributor or go to www.Toro.com for a list of all approved attachments and accessories.
To ensure optimum performance and continued safety certification of the machine, use only genuine Toro replacement parts and accessories. Replacement parts and accessories made by other manufacturers could be dangerous, and such use could void the product warranty.
Note: Specifications and design are subject to change without notice.
Width:
| Without Deck | 135 cm (53 inches) |
| Deflector Up | 157 cm (62 inches) |
| Deflector Down | 192 cm (76 inches) |
Length:
| Roll Bar - Up | 211 cm (83 inches) |
| Roll Bar - Down | 215 cm (85 inches) |
Height:
| Roll Bar - Up | Roll Bar - Down |
|---|---|
| 179 cm (71 inches) | 119 cm (47 inches) |
Weight:
| Model | Weight |
| 72958 | 532 kg (1,172 lb) |
Note: Determine the left and right sides of the machine from the normal operating position.
Evaluate the terrain to determine what accessories and attachments are needed to properly and safely perform the job. Only use accessories and attachments approved by Toro.
Inspect the area where the equipment is to be used and remove all rocks, toys, sticks, wires, bones, and other foreign objects. These can be thrown or interfere with the operation of the machine and may cause personal injury to the operator or bystanders.
Wear appropriate personal protective equipment such as safety glasses, substantial slip-resistant footwear, and hearing protection. Tie back long hair and avoid loose clothing and loose jewelry which may get tangled in moving parts.
This machine produces sound levels in excess of 85 dBA at the operator’s ear and can cause hearing loss through extended periods of exposure.
Wear hearing protection when operating this machine.
Check that the operator presence controls, safety switches, and shields are attached and functioning properly. Do not operate unless they are functioning properly.
Do not operate the mower when people, especially children, or pets are in the area. Stop the machine and attachment(s) if anyone enters the area.
Do not operate the machine without the entire grass collection system, discharge deflector, or other safety devices in place and in proper working condition. Grass catcher components are subject to wear, damage and deterioration, which could expose moving parts or allow objects to be thrown. Frequently check for worn or deteriorating components and replace them with the manufacturer’s recommended parts when necessary.
Use extreme care when handling fuel.
In certain conditions gasoline is extremely flammable and vapors are explosive.
A fire or explosion from gasoline can burn you, others, and cause property damage.
Fill the fuel tank outdoors on level ground, in an open area, when the engine is cold. Wipe up any gasoline that spills.
Never refill the fuel tank or drain the machine indoors or inside an enclosed trailer.
Do Not fill the fuel tank completely full. Fill the fuel tank to the bottom of the filler neck. The empty space in the tank allows gasoline to expand. Overfilling may result in fuel leakage or damage to the engine or emission system.
Never smoke when handling gasoline, and stay away from an open flame or where gasoline fumes may be ignited by spark.
Store gasoline in an approved container and keep it out of the reach of children.
Add fuel before starting the engine. Never remove the cap of the fuel tank or add fuel when engine is running or when the engine is hot.
If fuel is spilled, Do Not attempt to start the engine. Move away from the area of the spill and avoid creating any source of ignition until fuel vapors have dissipated.
Do Not operate without entire exhaust system in place and in proper working condition.
In certain conditions during fueling, static electricity can be released causing a spark which can ignite gasoline vapors. A fire or explosion from gasoline can burn you and others and cause property damage.
Always place gasoline containers on the ground away from your vehicle before filling.
Do Not fill gasoline containers inside a vehicle or on a truck or trailer bed because interior carpets or plastic truck bed liners may insulate the container and slow the loss of any static charge.
When practical, remove gas-powered equipment from the truck or trailer and refuel the equipment with its wheels on the ground.
If this is not possible, then refuel such equipment on a truck or trailer from a portable container, rather than from a gasoline dispenser nozzle.
If a gasoline dispenser nozzle must be used, keep the nozzle in contact with the rim of the fuel tank or container opening at all times until fueling is complete. Do Not use a nozzle lock open device.
Gasoline is harmful or fatal if swallowed. Long-term exposure to vapors has caused cancer in laboratory animals. Failure to use caution may cause serious injury or illness.
Avoid prolonged breathing of vapors.
Keep face away from nozzle and gas tank/container opening.
Keep away from eyes and skin.
Never siphon by mouth.
Fuel tank vent is located inside the roll bar tube. Removing or modifying the roll bar could result in fuel leakage and violate emissions regulations.
Do Not remove roll bar.
Do Not weld, drill, or modify roll bar in any way.
To help prevent fires:
Keep engine and engine area free from accumulation of grass, leaves, excessive grease or oil, and other debris which can accumulate in these areas.
Clean up oil and fuel spills and remove fuel soaked debris.
Allow the machine to cool before storing the machine in any enclosure. Do Not store near flame or any enclosed area where open pilot lights or heat appliances are present.
For best results, use only clean, fresh (less than 30 days old), unleaded gasoline with an octane rating of 87 or higher ((R+M)/2 rating method).
Ethanol: Gasoline with up to 10% ethanol (gasohol) or 15% MTBE (methyl tertiary butyl ether) by volume is acceptable. Ethanol and MTBE are not the same. Gasoline with 15% ethanol (E15) by volume is not approved for use. Never use gasoline that contains more than 10% ethanol by volume, such as E15 (contains 15% ethanol), E20 (contains 20% ethanol), or E85 (contains up to 85% ethanol). Using unapproved gasoline may cause performance problems and/or engine damage which may not be covered under warranty.
Do not use gasoline containing methanol.
Do not store fuel either in the fuel tank or fuel containers over the winter unless you use a fuel stabilizer.
Do not add oil to gasoline.
Use a fuel stabilizer/conditioner in the machine to provide the following benefits:
Keeps fuel fresh longer when used as directed by the fuel-stabilizer manufacturer
Cleans the engine while it runs
Eliminates gum-like varnish buildup in the fuel system, which causes hard starting
Important: Do not use fuel additives containing methanol or ethanol.
Add the correct amount of fuel stabilizer/conditioner to the fuel.
Note: A fuel stabilizer/conditioner is most effective when mixed with fresh fuel. To minimize the chance of varnish deposits in the fuel system, use fuel stabilizer at all times.
Park the machine on a level surface.
Engage the parking brake.
Shut off the engine and remove the key.
Clean around the fuel-tank cap.
Fill the fuel tank to the bottom of the filler neck (Figure 7).
Note: Do not fill the fuel tank completely full. The empty space in the tank allows the fuel to expand.

Before starting the machine each day, perform the Each Use/Daily procedures listed in .
New engines take time to develop full power. Mower decks and drive systems have higher friction when new, placing additional load on the engine. Allow 40 to 50 hours of break-in time for new machines to develop full power and best performance.
To avoid injury or death from rollover, keep the roll bar in the fully raised, locked position and use the seat belt.
Ensure that the seat is secured to the machine.
There is no rollover protection when the roll bar is in the down position.
Lower the roll bar only when absolutely necessary.
Do not wear the seat belt when the roll bar is in the down position.
Drive slowly and carefully.
Raise the roll bar as soon as clearance permits.
Check carefully for overhead clearances (i.e., branches, doorways, electrical wires) before driving under any objects and do not contact them.
Important: Always use the seat belt with the roll bar in the raised position.
Raise the roll bar to the operating position and rotate the knobs until they move partially into the grooves (Figure 8).
Raise the roll bar to the full upright position while pushing on the upper roll bar so that the pins snap into position when the holes align with the pins (Figure 8).
Push on the roll bar and ensure that both pins are engaged.
If the safety-interlock switches are disconnected or damaged, the machine could operate unexpectedly, causing personal injury.
Do not tamper with the interlock switches.
Check the operation of the interlock switches daily and replace any damaged switches before operating the machine.
The safety-interlock system is designed to prevent the engine from starting unless the following occurs:
The parking brake is engaged.
The blade-control switch (PTO) is disengaged.
The motion-control levers are in the NEUTRAL-LOCK position.
The safety-interlock system also is designed to shut off the engine when the motion-control levers are moved from the NEUTRAL-LOCK position with the parking brake engaged or if you rise from the seat when the PTO is engaged.
The hour meter has indicators to notify the user when the interlock component is in the correct position. When the component is in the correct position, an indicator displays on the screen.

| Maintenance Service Interval | Maintenance Procedure |
|---|---|
| Before each use or daily |
|
Test the safety-interlock system before you use the machine each time. If the safety system does not operate as described below, have an Authorized Service Dealer repair the safety system immediately.
Sit on the seat, engage the parking brake, and move the blade-control switch (PTO) to the ON position. Try starting the engine; the engine should not start.
Sit on the seat, engage the parking brake, and move the blade-control switch (PTO) to the OFF position. Move either motion-control lever out of the NEUTRAL-LOCK position. Try starting the engine; the engine should not start. Repeat for the other control lever.
Sit on the seat, engage the parking brake, move the blade-control switch (PTO) to the OFF position, and move the motion-control levers to the NEUTRAL-LOCK position. Now start the engine. While the engine is running, disengage the parking brake, engage the blade-control switch (PTO), and rise slightly from the seat; the engine should shut off.
Sit on the seat, engage the parking brake, move the blade-control switch (PTO) to the OFF position, and move the motion-control levers to the NEUTRAL-LOCK position. Now start the engine. While the engine is running, center either motion control and move (forward or reverse); the engine should shut off. Repeat for other motion control.
Sit on the seat, disengage the parking brake, move the blade-control switch (PTO) to the OFF position, and move the motion-control levers to the NEUTRAL-LOCK position. Try starting the engine; the engine should not start.
The seat can move forward and backward. Position the seat where you have the best control of the machine and are most comfortable (Figure 10).

To unlatch the seat, push the seat latch forward (Figure 11).

The seat is adjustable to provide a smooth and comfortable ride. Position the seat where you are most comfortable.
To adjust it, turn the knob in front either direction to provide the best comfort (Figure 12).

The operator must use their full attention when operating the machine. Do Not engage in any activity that causes distractions; otherwise, injury or property damage may occur.
Operating engine parts, especially the muffler, become extremely hot. Severe burns can occur on contact and debris, such as leaves, grass, brush, etc. can catch fire.
Allow engine parts, especially the muffler, to cool before touching.
Remove accumulated debris from muffler and engine area.
Engine exhaust contains carbon monoxide, which is an odorless deadly poison that can kill you.
Do Not run engine indoors or in a small confined area where dangerous carbon monoxide fumes can collect.
The owner/user can prevent and is responsible for accidents or injuries occurring to himself or herself, other people or property.
This mower was designed for one operator only. Do not carry passengers and keep all others away from machine during operation.
Do not operate the machine while ill, tired, or under the influence of alcohol or drugs.
Operate only in daylight or good artificial light.
Lightning can cause severe injury or death. If lightning is seen or thunder is heard in the area, Do Not operate the machine; seek shelter.
Use extra care while operating with accessories or attachments, such as grass collection systems. These can change the stability of the machine and cause a loss of control. Follow directions for counter weights if required.
Keep away from holes, ruts, bumps, rocks, and other hidden hazards. Use care when approaching blind corners, shrubs, trees, tall grass or other objects that may hide obstacles or obscure vision. Uneven terrain could overturn the machine or cause the operator to lose their balance or footing.
Be sure all drives are in neutral and parking brake is engaged before starting engine. Use seat belts with the roll bar in the raised and locked position.
Start the engine carefully according to instructions with feet well away from the blades.
Never operate the mower with damaged guards, shields, or covers. Always have safety shields, guards, switches and other devices in place and in proper working condition.
Keep clear of the discharge opening at all times. Never mow with the discharge door raised, removed or altered unless there is a grass collection system or mulch kit in place and working properly.
Keep hands and feet away from moving parts. If possible, Do Not make adjustments with the engine running.
Hands, feet, hair, clothing, or accessories can become entangled in rotating parts. Contact with the rotating parts can cause traumatic amputation or severe lacerations.
Do Not operate the machine without guards, shields, and safety devices in place and working properly.
Keep hands, feet, hair, jewelry, or clothing away from rotating parts.
Never raise the deck with blades running.
Be aware of the mower discharge path and direct discharge away from others. Avoid discharging material against a wall or obstruction as the material may ricochet back toward the operator. Stop the blades, slow down, and use caution when crossing surfaces other than grass and when transporting the mower to and from the area to be mowed.
Be alert, slow down and use caution when making turns. Look behind and to the side before changing directions. Do Not mow in reverse unless absolutely necessary.
Do Not change the engine governor setting or overspeed the engine.
Park the machine on level ground. Stop engine, wait for all moving parts to stop, and remove the spark plug wire(s).
Before checking, cleaning or working on the mower.
After striking a foreign object or abnormal vibration occurs (inspect the mower for damage and make repairs before restarting and operating the mower).
Before clearing blockages.
Whenever you leave the mower. Do Not leave a running machine unattended.
Stop engine, wait for all moving parts to stop:
Before refueling.
Before dumping the grass catcher.
Before making height adjustments.
Tragic accidents can occur if the operator is not alert to the presence of children. Children are often attracted to the machine and the mowing activity. Never assume that children will remain where you last saw them.
Keep children out of the mowing area and under the watchful care of another responsible adult, not the operator.
Be alert and turn the machine off if children enter the area.
Before and while backing or changing direction, look behind, down, and side-to-side for small children.
Never allow children to operate the machine.
Do Not carry children, even with the blades shut off. Children could fall off and be seriously injured or interfere with the safe operation of the machine. Children that have been given rides in the past could suddenly appear in the working area for another ride and be run over or backed over by the machine.
Slopes are a major factor related to loss of control and rollover accidents, which can result in severe injury or death. The operator is responsible for safe slope operation. Operating the machine on any slope requires extra caution. Before using the machine on a slope, the operator must:
Review and understand the slope instructions in the manual and on the machine.
Use an angle indicator to determine the approximate slope angle of the area.
Never operate on slopes greater than 15 degrees.
Evaluate the site conditions of the day to determine if the slope is safe for machine operation. Use common sense and good judgment when performing this evaluation. Changes in the terrain, such as moisture, can quickly affect the operation of the machine on a slope.
Identify hazards at the base of the slope. Do Not operate the machine near drop offs, ditches, embankments, water or other hazards. The machine could suddenly roll over if a wheel goes over the edge or the edge collapses. Keep a safe distance (twice the width of the machine) between the machine and any hazard. Use a walk behind machine or a hand trimmer to mow the grass in these areas.

Avoid starting, stopping or turning the machine on slopes. Avoid making sudden changes in speed or direction; turn slowly and gradually.
Do Not operate a machine under any conditions where traction, steering or stability is in question. Be aware that operating the machine on wet grass, across slopes or downhill may cause the machine to lose traction. Loss of traction to the drive wheels may result in sliding and a loss of braking and steering. The machine can slide even if the drive wheels are stopped.
Remove or mark obstacles such as ditches, holes, ruts, bumps, rocks or other hidden hazards. Tall grass can hide obstacles. Uneven terrain could overturn the machine.
Use extra care while operating with accessories or attachments, such as grass collection systems. These can change the stability of the machine and cause a loss of control. Follow directions for counter weights.
If possible, keep the deck lowered to the ground while operating on slopes. Raising the deck while operating on slopes can cause the machine to become unstable.
A Rollover Protection System (roll bar) is installed on the machine.
There is no rollover protection when the roll bar is down. Wheels dropping over edges, ditches, steep banks, or water can cause rollovers, which may result in serious injury, death or drowning.
Do Not remove the ROPS.
Keep the roll bar in the raised and locked position and use seat belt.
Lower the roll bar only when absolutely necessary.
Do Not wear seat belt when the roll bar is down.
Drive slowly and carefully.
Raise the roll bar as soon as clearance permits.
Be certain that the seat belt can be released quickly in the event of an emergency.
Check carefully for overhead clearances (i.e. branches, doorways, and electrical wires) before driving under any objects and Do Not contact them.
In the event of a rollover, take the unit to an Authorized Service Dealer to have the ROPS inspected.
Replace a damaged ROPS. Do Not repair or revise.
Any accessories, alterations, or attachments added to the ROPS must be approved by Toro.
Always engage the parking brake when you stop the machine or leave it unattended.
Park the machine on a level surface.


The blade-control switch (PTO) starts and stops the mower blades and any powered attachments.
Note: Engaging the blade-control switch (PTO) with the throttle position at half or less causes excessive wear to the drive belts.


You can move the throttle control between FAST and SLOW positions (Figure 18).
Always use the FAST position when engaging the PTO.

Important: Do not engage starter for more than 5 seconds at a time. If the engine fails to start, wait 15 seconds between attempts. Failure to follow these instructions can burn out the starter motor.
Note: You may need multiple attempts to start the engine the first time after adding fuel to an empty fuel system.

Children or bystanders may be injured if they move or attempt to operate the machine while it is unattended.
Always remove the key and engage the parking brake when leaving the machine unattended.

Important: Make sure that the fuel-shutoff valve is closed before transporting or storing the machine, as fuel leakage may occur. Engage the parking brake before transporting. Make sure that you remove the key as the fuel pump may run and cause the battery to lose charge.

The drive wheels turn independently, powered by hydraulic motors on each axle. You can turn 1 side in reverse while you turn the other forward, causing the machine to spin rather than turn. This greatly improves the machine maneuverability but may require some time for you to adapt to how it moves.
The throttle control regulates the engine speed as measured in rpm (revolutions per minute). Place the throttle control in the FAST position for best performance. Always operate in the full throttle position when mowing.
The machine can spin very rapidly. You may lose control of the machine and cause personal injury or damage to the machine.
Use caution when making turns.
Slow the machine down before making sharp turns.
Note: The engine shuts off when you move the traction-control with the parking brake engaged.
To stop the machine, pull the motion-control levers to the NEUTRAL position.
Disengage the parking brake; refer to Disengaging the Parking Brake.
Move the levers to the center, unlocked position.
To go forward, slowly push the motion-control levers forward (Figure 23).

Move the levers to the center, unlocked position.
To go backward, slowly pull the motion-control levers rearward (Figure 24).

The mower has a hinged grass deflector that disperses clippings to the side and down toward the turf.
Without a grass deflector, discharge cover, or a complete grass-catcher assembly mounted in place, you and others are exposed to blade contact and thrown debris. Contact with rotating mower blade(s) and thrown debris will cause injury or death.
Never remove the grass deflector from the mower deck because the grass deflector routes material down toward the turf. If the grass deflector is ever damaged, replace it immediately.
Never put your hands or feet under the mower deck.
Never try to clear the discharge area or mower blades unless you move the blade-control switch (PTO) to the OFF position, rotate the key switch to the OFF position, and remove the key from the key switch.
Make sure that the grass deflector is in the down position.
The transport lock has 2 positions, and is used with the deck-lift pedal. There is a LOCK position and an UNLOCK position for the transport position of the mower deck (Figure 25).

The height-of-cut is adjusted from 25 to 140 mm (1 to 5-1/2 inches) in 6 mm (1/4 inch) increments by relocating the clevis pin into different hole locations.
Move the transport lock to the lock position.
Push on the deck-lift pedal with your foot, and raise the mower deck to the transport position (also the 140 mm (5-1/2 inch) cutting height position) as shown in Figure 26.
To adjust, rotate the pin 90 degrees and remove the pin from the height-of-cut bracket (Figure 26).
Select a hole in the height-of-cut bracket corresponding to the height-of-cut desired, and insert the pin (Figure 26).
Push on the deck lift, pull back on the transport lock, and slowly lower the mower deck.

Whenever you change the height-of-cut, adjust the height of the anti-scalp rollers.
This procedure applies only to machines with the flow baffle knob. Certain models have nuts and bolts instead of the flow baffle knob that you can adjust the same way.
You can adjust the mower discharge flow for different types of mowing conditions. Position the knob and baffle to give the best quality of cut.
Park the machine on a level surface, disengage the blade-control switch, and engage the parking brake.
Shut off the engine, remove the key, and wait for all moving parts to stop before leaving the operating position.
Loosen the knob.
Slide the knob to the desired position.
Tighten the knob.
The following figures are recommendations only. Adjustments vary by grass type, moisture content, and the height of the grass.
Note: If the engine power draws down and the mower ground speed is the same, open the baffle.
This is the fully-rear position. The suggested use for this position is as follows:
Short, light grass mowing conditions
Dry conditions
Smaller grass clippings
Propels grass clippings farther away from the mower

Use this position when bagging. Always align it with the blower opening.

This is the fully-forward position. The suggested use for this position is as follows:
Tall, dense grass mowing conditions
Wet conditions
Lowers the engine-power consumption
Allows increased ground speed in heavy conditions

For best mowing and maximum air circulation, operate the engine at the FAST position. Air is required to thoroughly cut grass clippings, so do not set the height-of-cut so low as to totally surround the mower deck in uncut grass. Always try to have 1 side of the mower deck free from uncut grass, which allows air to be drawn into the mower deck.
Cut grass slightly longer than normal to ensure that the cutting height of the mower deck does not scalp any uneven ground. However, the cutting height used in the past is generally the best one to use. When cutting grass longer than 15 cm (6 inches) tall, you may want to cut the lawn twice to ensure an acceptable quality of cut.
It is best to cut only about a third of the grass blade. Cutting more than that is not recommended unless grass is sparse, or it is late fall when grass grows more slowly.
Alternate the mowing direction to keep the grass standing straight. This also helps disperse clippings, which enhances decomposition and fertilization.
Grass grows at different rates at different times of the year. To maintain the same cutting height, mow more often in early spring. As the grass growth rate slows in mid summer, mow less frequently. If you cannot mow for an extended period, first mow at a high cutting height, then mow again 2 days later at a lower height setting.
To improve cut quality, use a slower ground speed in certain conditions.
When mowing uneven turf, raise the cutting height to avoid scalping the turf.
If you must stop the forward motion of the machine while mowing, a clump of grass clippings may drop onto your lawn. To avoid this, move onto a previously cut area with the blades engaged or you can disengage the mower deck while moving forward.
Clean clippings and dirt from the underside of the mower deck after each use. If grass and dirt build up inside the mower deck, cutting quality will eventually become unsatisfactory.
Maintain a sharp blade throughout the cutting season because a sharp blade cuts cleanly without tearing or shredding the grass blades. Tearing and shredding turns grass brown at the edges, which slows growth and increases the chance of disease. Check the mower blades after each use for sharpness, and for any wear or damage. File down any nicks and sharpen the blades as necessary. If a blade is damaged or worn, replace it immediately with a genuine Toro replacement blade.
Park machine on level ground, disengage drives, set parking brake, stop engine, remove key or disconnect spark plug wire. Wait for all movement to stop and allow the machine to cool before adjusting, cleaning, repairing, or storing. Never allow untrained personnel to service machine.
Clean the machine as stated in the Maintenance section. Keep engine and engine area free from accumulation of grass, leaves, excessive grease or oil, and other debris which can accumulate in these areas. These materials can become combustible and may result in a fire.
Frequently check for worn or deteriorating components that could create a hazard. Tighten loose hardware.
The fuel-shutoff valve is located under the seat. Move the seat forward to access it.
Close the fuel-shutoff valve for transport, maintenance, and storage.
Ensure that the fuel-shutoff valve is open when starting the engine.

Hands may become entangled in the rotating drive components below the engine deck, which could result in serious injury.
Shut off the engine, remove the key, and allow all moving parts to stop before accessing the drive-wheel-release valves.
The engine and hydraulic-drive units can become very hot. Touching a hot engine or hydraulic-drive units can cause severe burns.
Allow the engine and hydraulic-drive units to cool completely before accessing the drive-wheel-release valves.
The drive-wheel-release valves are located in the back of each hydraulic-drive unit, under the seat.
Note: Make sure that the release valves are in the fully horizontal position when operating the machine; otherwise, severe damage to the hydraulic system can occur.
Park the machine on a level surface, disengage the blade-control switch, and engage the parking brake.
Shut off the engine, remove the key, and wait for all moving parts to stop before leaving the operating position.
Rotate the release-valve levers vertically to push the machine (Figure 34).
Note: This allows hydraulic fluid to bypass the pump, enabling the wheels to turn.
Disengage the parking brake before pushing the machine.

Rotate the release valve levers horizontally to run the machine (Figure 34).
Use a heavy-duty trailer or truck to transport the machine. Use a full-width ramp. Ensure that the trailer or truck has all the necessary brakes, lighting, and marking as required by law. Please carefully read all the safety instructions. Knowing this information could help you or bystanders avoid injury. Refer to your local ordinances for trailer and tie-down requirements.
Driving on the street or roadway without turn signals, lights, reflective markings, or a slow-moving-vehicle emblem is dangerous and can lead to accidents, causing personal injury.
Do not drive the machine on a public street or roadway.
Loading a machine onto a trailer or truck increases the possibility of tip-over and could cause serious injury or death (Figure 35).
Use only a full-width ramp; do not use individual ramps for each side of the machine.
Do not exceed a 15-degree angle between the ramp and the ground or between the ramp and the trailer or truck.
Ensure that the length of the ramp is at least 4 times as long as the height of the trailer or truck bed to the ground. This ensures that the ramp angle does not exceed 15 degrees on flat ground.

Loading a machine onto a trailer or truck increases the possibility of tip-over and could cause serious injury or death.
Use extreme caution when operating a machine on a ramp.
Back the machine up the ramp and drive it forward down the ramp.
Avoid sudden acceleration or deceleration while driving the machine on a ramp as this could cause a loss of control or a tip-over situation.
If using a trailer, connect it to the towing vehicle and connect the safety chains.
If applicable, connect the trailer brakes and lights.
Lower the ramp, ensuring that the angle between the ramp and the ground does not exceed 15 degrees (Figure 35).
Back the machine up the ramp (Figure 36).

Shut off the engine, remove the key, and engage the parking brake.
Tie down the machine near the front caster wheels and the rear bumper with straps, chains, cable, or ropes (Figure 37). Refer to local regulations for tie-down requirements.

While maintenance or adjustments are being made, someone could start the engine. Accidental starting of the engine could seriously injure you or other bystanders.
Remove the key from the ignition switch, engage parking brake, and pull the wire(s) off the spark plug(s) before you do any maintenance. Also push the wire(s) aside so it does not accidentally contact the spark plug(s).
The engine can become very hot. Touching a hot engine can cause severe burns.
Allow the engine to cool completely before service or making repairs around the engine area.
Park machine on level ground, disengage drives, set parking brake, stop engine, remove key or disconnect spark plug wire. Wait for all movement to stop and allow the machine to cool before adjusting, cleaning or repairing. Never allow untrained personnel to service machine.
Disconnect battery or remove spark plug wire before making any repairs. Disconnect the negative terminal first and the positive last. Reconnect positive first and negative last.
Keep the machine, guards, shields and all safety devices in place and in safe working condition. Frequently check for worn or deteriorating components and replace them with the manufacturer’s recommended parts when necessary.
Removal or modification of original equipment, parts and/or accessories may alter the warranty, controllability, and safety of the machine. Unauthorized modifications to the original equipment or failure to use original Toro parts could lead to serious injury or death. Unauthorized changes to the machine, engine, fuel or venting system, may violate applicable safety standards such as: ANSI, OSHA and NFPA and/or government regulations such as EPA and CARB.
Hydraulic fluid escaping under pressure can penetrate skin and cause injury. Fluid accidentally injected into the skin must be surgically removed within a few hours by a doctor familiar with this form of injury or gangrene may result.
If equipped, make sure all hydraulic fluid hoses and lines are in good condition and all hydraulic connections and fittings are tight before applying pressure to hydraulic system.
Keep body and hands away from pinhole leaks or nozzles that eject high pressure hydraulic fluid.
Use cardboard or paper, not your hands, to find hydraulic leaks.
Safely relieve all pressure in the hydraulic system by placing the motion control levers in neutral and shutting off the engine before performing any work on the hydraulic system.
Fuel system components are under high pressure. The use of improper components can result in system failure, gasoline leakage and possible explosion.
Use only approved fuel lines and fuel filters for high pressure systems.
Use care when checking blades. Wrap the blade(s) or wear gloves, and use caution when servicing them. Only replace damaged blades. Never straighten or weld them.
Use jack stands to support the machine and/or components when required.
Raising the machine for service or maintenance relying solely on mechanical or hydraulic jacks could be dangerous. The mechanical or hydraulic jacks may not be enough support or may malfunction allowing the machine to fall, which could cause injury.
Do not rely solely on mechanical or hydraulic jacks for support. Use adequate jack stands or equivalent support.
Carefully release pressure from components with stored energy.
Keep hands and feet away from moving parts. If possible, Do Not make adjustments with the engine running. If the maintenance or adjustment procedure require the engine to be running and components moving, use extreme caution.
Contact with moving parts or hot surfaces may cause personal injury.
Keep your fingers, hands, and clothing clear of rotating components and hot surfaces.
Check all bolts frequently to maintain proper tightness.
| Maintenance Service Interval | Maintenance Procedure |
|---|---|
| After the first 100 hours |
|
| After the first 250 hours |
|
| Before each use or daily |
|
| Every 50 hours |
|
| Every 100 hours |
|
| Every 150 hours |
|
| Every 200 hours |
|
| Every 250 hours |
|
| Every 300 hours |
|
| Every 400 hours |
|
| Every 500 hours |
|
| Every 600 hours |
|
| Monthly |
|
| Yearly |
|
| Yearly or before storage |
|
Important: Refer to your engine owner's manual for additional maintenance procedures.
If you leave the key in the switch, someone could accidently start the engine and seriously injure you or other bystanders.
Shut off the engine and remove the key from the switch before you perform any maintenance.
Grease the machine more often in dirty or dusty conditions.
Grease Type: No. 2 lithium or molybdenum grease
Park the machine on a level surface, disengage the blade-control switch, and engage the parking brake.
Shut off the engine, remove the key, and wait for all moving parts to stop before leaving the operating position.
Clean the grease fittings with a rag.
Note: Scrape any paint off the front of the fitting(s).
Connect a grease gun to the fitting.
Pump grease into the fittings until grease begins to ooze out of the bearings.
Wipe up any excess grease.
| Maintenance Service Interval | Maintenance Procedure |
|---|---|
| Every 100 hours |
|
Use light oil or spray lubricant to lubricate the deck-lift pivots.

| Maintenance Service Interval | Maintenance Procedure |
|---|---|
| Yearly |
|
Park the machine on a level surface, disengage the blade-control switch, and engage the parking brake.
Shut off the engine, remove the key, and wait for all moving parts to stop before leaving the operating position.
Grease the mower deck idler-pulley pivot until grease comes out the bottom (Figure 39).

Grease the drive-belt-idler arm (Figure 40).

Remove the dust cap and adjust the caster pivots.
Note: Keep the dust cap off until greasing is done.
Remove the hex plug.
Thread a grease fitting into the hole.
Pump grease into the fitting until it oozes out around the top bearing.
Remove the grease fitting in the hole.
Install the hex plug and dust cap (Figure 41).

Grease the caster-wheel bearings (Figure 41).
| Maintenance Service Interval | Maintenance Procedure |
|---|---|
| Every 400 hours |
|
| Yearly |
|
Park the machine on a level surface, disengage the blade-control switch, and engage the parking brake.
Shut off the engine, remove the key, and wait for all moving parts to stop before leaving the operating position.
Remove the dust cap and adjust the caster pivots and keep the dust cap off until greasing is done; refer to Greasing the Mower Deck.
Remove the hex plug.
Thread a grease fitting into the hole.
Pump grease into the fitting until it oozes out around the top bearing.
Remove the grease fitting from the hole. Install the hex plug and cap.
| Maintenance Service Interval | Maintenance Procedure |
|---|---|
| Yearly |
|
Park the machine on a level surface, disengage the blade-control switch, and engage the parking brake.
Shut off the engine, remove the key, and wait for all moving parts to stop before leaving the operating position.
Raise the mower for access.
Remove the caster wheel from the caster forks.
Remove the seal guards from the wheel hub.

Remove a spacer nut from the axle assembly in the caster wheel.
Note: Thread-locking compound has been applied to lock the spacer nuts to the axle.
Remove the axle (with the other spacer nut still assembled to it) from the wheel assembly.
Pry out seals and inspect bearings for wear or damage and replace if necessary.
Pack the bearings with a general-purpose grease.
Insert 1 bearing and 1 new seal into the wheel.
If the axle assembly is missing both spacer nuts, apply a thread-locking compound to 1 spacer nut and thread it onto the axle with the wrench flats facing outward.
Note: Do not thread the spacer nut all of the way onto the end of the axle. Leave approximately 3 mm (1/8 inch) from the outer surface of the spacer nut to the end of the axle inside the nut.
Insert the assembled nut and axle into the wheel on the side with the new seal and bearing.
With the open end of the wheel facing up, fill the area inside the wheel around the axle full of general-purpose grease.
Insert the second bearing and new seal into the wheel.
Apply a thread-locking compound to the second spacer nut, and thread it onto the axle with the wrench flats facing outward.
Torque the nut to 8 to 9 N∙m (75 to 80 in-lb), loosen the nut, then torque it to 2 to 3 N∙m (20 to 25 in-lb).
Note: Make sure that the axle does not extend beyond either nut.
Install the seal guards over the wheel hub, and insert the wheel into the caster fork.
Install the caster bolt and tighten the nut fully.
Important: To prevent seal and bearing damage, check the bearing adjustment often. Spin the caster tire. The tire should not spin freely (more than 1 or 2 revolutions) or have any side play. If the wheel spins freely, adjust the torque on the spacer nut until there is a slight amount of drag. Apply another layer of thread-locking compound.
Shut off the engine before checking the oil or adding oil to the crankcase.
Keep your hands, feet, face, clothing, and other body parts away the muffler and other hot surfaces.
| Maintenance Service Interval | Maintenance Procedure |
|---|---|
| Every 150 hours |
|
| Every 300 hours |
|
| Every 600 hours |
|
Park the machine on a level surface, disengage the blade-control switch (PTO), and engage the parking brake.
Shut off the engine, remove the key, and wait for all moving parts to stop before leaving the operating position.
Release the latches on the air cleaner and pull the air-inlet cover off the air-cleaner body (Figure 43).
Clean the air-inlet screen and cover.
Install the air-inlet cover and secure it with the latches (Figure 43).

Release the latches on the air cleaner and pull the air-cleaner cover off the air-cleaner body (Figure 44).
Clean the inside of the air-cleaner cover with compressed air.
Gently slide the primary filter out of the air-cleaner body (Figure 44).
Note: Avoid knocking the filter into the side of the body.
Remove the inner filter only if you intend to replace it.
Important: Never attempt to clean the inner filter. If the safety filter is dirty, then the primary filter is damaged. Replace both filters.

Inspect the primary filter for damage by looking into the filter, while shining a bright light on the outside of the filter.
Note: Holes in the filter will appear as bright spots. If the filter is damaged, discard it.
Inspect the inner filter. If it is dirty, replace both the inner and primary filters.
Important: Do not attempt to clean the inner filter. If the inner filter is dirty, then the primary filter is damaged.
Inspect the primary filter for damage by looking into the filter while shining a bright light on the outside of the filter. If the primary filter is dirty, bent, or damaged, replace it.
Note: Holes in the filter appear as bright spots. Do not clean the primary filter.
Important: To prevent engine damage, always operate the engine with both air filters and the cover installed.
If you are installing new filters, check each filter for shipping damage.
Note: Do not use a damaged filter.
If you are replacing the safety filter, carefully slide it into the filter body (Figure 44).
Carefully slide the primary filter over the safety filter (Figure 44).
Note: Ensure that the primary filter is fully seated by pushing on the outer rim while installing it.
Important: Do not press on the soft, inside area of the filter.
Install the air-cleaner cover and secure the latches (Figure 44).
| Maintenance Service Interval | Maintenance Procedure |
|---|---|
| Before each use or daily |
|
| Every 100 hours |
|
| Every 200 hours |
|
Oil Type:: Detergent oil (API service SJ or higher)
Oil Capacity: 1.9 L (64 fl oz) with a filter change; 1.6 L (54 fl oz) without a filter change
Viscosity: See the table below.

Note: Check the oil when the engine is cold.
Important: If you overfill or underfill the engine crankcase with oil and run the engine, you may damage the engine.
Park the machine on a level surface, disengage the blade-control switch (PTO), and engage the parking brake.
Shut off the engine, remove the key, and wait for all moving parts to stop before leaving the operating position.
Note: Ensure that the engine is cool so that the oil has had time to drain into the sump.
To keep dirt, grass clippings, etc., out of the engine, clean the area around the oil-fill cap and dipstick before removing it (Figure 46).


Note: Dispose of the used oil at a recycling center.
Start the engine and let it run for 5 minutes.
Note: This warms the oil so that it drains better.
Park the machine so that the drain side is slightly lower than the opposite side to ensure that the oil drains completely.
Disengage the blade-control switch (PTO) and engage the parking brake.
Shut off the engine, remove the key, and wait for all moving parts to stop before leaving the operating position.
Drain the oil from the engine (Figure 47).


Slowly pour approximately 80% of the specified oil into the filler tube and slowly add the additional oil to bring it to the Full mark (Figure 48).

Start the engine and drive to a flat area.
Check the oil level again.
Drain the oil from the engine; refer to Changing the Engine Oil.
Change the engine-oil filter (Figure 49).


Note: Ensure that the oil-filter gasket touches the engine, and then turn the oil filter an extra 3/4 turn.
Fill the crankcase with the proper type of new oil; refer to Engine-Oil Specifications.
| Maintenance Service Interval | Maintenance Procedure |
|---|---|
| Every 200 hours |
|
| Every 500 hours |
|
Type: Champion XC12YC
Air Gap: 0.76 mm (0.03 inch)
Shut off the engine, remove the key, and wait for all moving parts to stop before leaving the operating position.
Disengage the PTO, move the motion-control levers to the NEUTRAL-LOCK position, and engage the parking brake.
Remove the left hydraulic-unit shroud in the order listed with Figure 50. This gives you access to the front spark plug.


Remove the spark plug.


Important: Do not clean the spark plug(s). Always replace the spark plug(s) when it has a black coating, worn electrodes, an oily film, or cracks.
If you see light brown or gray on the insulator, the engine is operating properly. A black coating on the insulator usually means the air cleaner is dirty.
Set the gap to 0.76 mm (0.03 inch).

| Maintenance Service Interval | Maintenance Procedure |
|---|---|
| Every 50 hours |
|
Hot exhaust-system components may ignite fuel vapors even after you shut off the engine. Hot particles exhausted during engine operation may ignite flammable materials, resulting in personal injury or property damage.
Do not refuel or run the engine unless the spark arrester is installed.
Park the machine on a level surface, disengage the PTO, and engage the parking brake.
Shut off the engine, remove the key, and wait for all moving parts to stop before leaving the operating position.
Wait for the muffler to cool.
If you see any breaks in the screen or welds, replace the arrester.
If the screen is plugged, remove the arrester, shake loose particles out of the arrester, and clean the screen with a wire brush (soak the screen in solvent if necessary).
Install the arrester on the exhaust outlet.
In certain conditions, fuel is extremely flammable and highly explosive. A fire or explosion from fuel can burn you and others and can damage property.
Refer to Fuel Safety for a complete list of fuel related precautions.
This machine contains an electronic fuel-injection system. It controls the fuel flow under different operating conditions.
The electronic-control unit (ECU) continuously monitors the operation of the EFI system.
If a problem or fault within the system is detected, the LED status light illuminates. The MIL is the red light located on the right side of the hour meter.
Once the light illuminates, make initial troubleshooting checks; refer to the LED status light section under .
If these checks do not correct the problem, further diagnosis and servicing by an Authorized Service Dealer is necessary.
| Maintenance Service Interval | Maintenance Procedure |
|---|---|
| Every 200 hours |
|
The fuel filter is located near the engine on the front or rear side of the engine.
Park the machine on a level surface, disengage the blade-control switch, and engage the parking brake.
Shut off the engine, remove the key, and wait for all moving parts to stop before leaving the operating position.
Wait for the machine to cool down.
Close the fuel-shutoff valve under the seat (Figure 54).

Squeeze the ends of the hose clamps together and slide them away from the filter (Figure 54).
Remove the filter from the fuel lines.
Install a new filter and move the hose clamps close to the filter (Figure 54).
Open the fuel-shutoff valve.
Important: Install the fuel line hoses and secure with plastic ties the same as they were originally installed at the factory to keep the fuel line away from components that can cause fuel line damage.
Do not attempt to service the high-pressure fuel filter. The high-pressure filter is integrated within the fuel-pump module. The fuel filter and other components inside the fuel-pump module are not serviceable.
Important: Do not attempt to open the fuel-pump module.
Ensure that an Authorized Service Dealer replaces the fuel-pump module with the high-pressure fuel filter.
Do not attempt to drain the fuel tank. Ensure that an Authorized Service Dealer drains the fuel tank and services any components of the fuel system.
Disconnect the battery before repairing the machine. Disconnect the negative terminal first and the positive last. Connect the positive terminal first and the negative last.
Charge the battery in an open, well-ventilated area, away from sparks and flames. Unplug the charger before connecting or disconnecting the battery. Wear protective clothing and use insulated tools.
| Maintenance Service Interval | Maintenance Procedure |
|---|---|
| Monthly |
|
Battery terminals or metal tools could short against metal machine components causing sparks. Sparks can cause the battery gasses to explode, resulting in personal injury.
When removing or installing the battery, do not allow the battery terminals to touch any metal parts of the machine.
Do not allow metal tools to short between the battery terminals and metal parts of the machine.
Incorrectly removing the cables from battery could damage the machine and cables, causing sparks. Sparks can cause the battery gasses to explode, resulting in personal injury.
Always disconnect the negative (black) battery cable before disconnecting the positive (red) cable.
Always connect the positive (red) battery cable before connecting the negative (black) cable.
Park the machine on a level surface, disengage the blade-control switch (PTO), and engage the parking brake.
Shut off the engine, remove the key, and wait for all moving parts to stop before leaving the operating position.
Remove the battery as shown in Figure 55.

Charging the battery produces gasses that can explode.
Never smoke near the battery and keep sparks and flames away from the battery.
Important: Always keep the battery fully charged (1.265 specific gravity). This is especially important to prevent battery damage when the temperature is below 0°C (32°F).
Remove the battery from the chassis; refer to Removing the Battery.
Charge the battery for 10 to 15 minutes at 25 to 30 A or for 30 minutes at 10 A.
Note: Do not overcharge the battery.
When the battery is fully charged, unplug the charger from the electrical outlet, then disconnect the charger leads from the battery posts (Figure 56).
Install the battery in the machine and connect the battery cables; refer to Installing the Battery.
Note: Do not run the machine with the battery disconnected; electrical damage may occur.

Note: Position the battery in the tray with the terminal posts opposite from the hydraulic tank (Figure 57).

The electrical system is protected by fuses. It requires no maintenance, however, if a fuse blows check the component/circuit for a malfunction or short.
The fuses are located on the console to the right of the seat (Figure 58).
To replace the fuses, pull out on the fuse to remove it.
Install a new fuse (Figure 58).

Check and clean corrosion from the battery terminals before jump-starting. Ensure that the connections are tight.
Corrosion or loose connections can cause unwanted electrical voltage spikes at any time during the jump-starting procedure.
Do not attempt to jump-start the machine with loose or corroded battery terminals, or damage to the engine or EFI may occur.
Jump-starting a weak battery that is cracked or frozen or has a low electrolyte level or an open/shorted battery cell can cause an explosion, resulting in serious personal injury.
Do not jump-start a weak battery if these conditions exist.
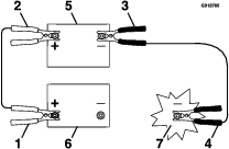
Make sure that the booster battery is a good and fully charged lead-acid battery at 12.6 V or greater.
Note: Use properly sized jumper cables with short lengths to reduce voltage drop between systems. Make sure that the cables are color coded or labeled for the correct polarity.
Connecting the jumper cables incorrectly (wrong polarity) can immediately damage the EFI system.
Be certain of battery-terminal polarity and jumper-cable polarity when hooking up the batteries.
Batteries contain acid and produce explosive gases.
Shield your eyes and face from the batteries at all times.
Do not lean over the batteries.
Note: Ensure that the vent caps are tight and level. Place a damp cloth, if available, over any vent caps on both batteries. Also ensure that the machines do not touch and that both electrical systems are off and at the same rated system voltage. These instructions are for negative ground systems only.
Connect the positive (+) cable to the positive (+) terminal of the discharged battery that is wired to the starter or solenoid as shown in Figure 59.

Connect the other end of the positive cable to the positive terminal of the booster battery.
Connect the black negative (–) cable to the other terminal (negative) of the booster battery.
Make the final connection on the engine block of the stalled machine (not to the negative battery post), away from the battery, and stand back (Figure 60).


Start the machine and remove the cables in the reverse order of connection (disconnect the negative cable from the engine block first).
| Maintenance Service Interval | Maintenance Procedure |
|---|---|
| Before each use or daily |
|
Inspect the seat belt for wear, cuts, and proper operation of the retractor and buckle. Replace the seat belt if it is damaged.
| Maintenance Service Interval | Maintenance Procedure |
|---|---|
| Before each use or daily |
|
To avoid injury or death from rollover, keep the roll bar in the fully raised, locked position and use the seat belt.
Ensure that the seat is secured to the machine.
Check that both the mounting hardware and the knobs are in good working condition.
Make sure that the knobs are fully engaged with the roll bar in the raised position.
Note: The upper hoop of the roll bar may need to be pushed forward or pulled rearward to fully engage both knobs (Figure 61 and Figure 62).


Disengage the blade-control switch (PTO).
Drive to an open flat area, move the motion-control levers to the NEUTRAL-LOCK position.
Move the throttle midway between the FAST and SLOW positions.
Move both motion-control levers all the way forward until they both hit the stops in the T-slot.
Check which way the machine tracks.
Engage the parking brake, shut off the engine, and remove the key.
Adjust the stop plates as needed.
If the machine tracks to the right, loosen the bolts and adjust the left stop plate rearward on the left T-slot until the machine tracks straight (Figure 63).
If the machine tracks to the left, loosen the bolts and adjust the right stop plate rearward on the right T-slot until the machine tracks straight (Figure 63).
Tighten the stop plate (Figure 63).

| Maintenance Service Interval | Maintenance Procedure |
|---|---|
| Every 50 hours |
|
Maintain the air pressure in the front and rear tires at 90 kPa (13 psi). Uneven tire pressure can cause uneven cut. Check the tires when they are cold to get the most accurate pressure reading.

| Maintenance Service Interval | Maintenance Procedure |
|---|---|
| After the first 100 hours |
|
| Every 500 hours |
|
Check and torque the wheel lug nuts to 122 to 129 N∙m (90 to 95 ft-lb).
| Maintenance Service Interval | Maintenance Procedure |
|---|---|
| After the first 100 hours |
|
| Every 500 hours |
|
Check and ensure that the torque of the slotted nut is 286 to 352 N∙m (211 to 260 ft-lb).
Note: Do not use anti-seize compound on wheel hub.

| Maintenance Service Interval | Maintenance Procedure |
|---|---|
| Every 500 hours |
|
Park the machine on a level surface, disengage the blade-control switch (PTO), and engage the parking brake.
Shut off the engine, remove the key, and wait for all moving parts to stop before leaving the operating position.
Remove the dust cap from caster and tighten the locknut (Figure 66).
Tighten the locknut until the spring washers are flat, and then back off a 1/4 turn to properly set the preload on the bearings (Figure 66).
Important: Make sure that the spring washers are installed correctly as shown in Figure 66.
Install the dust cap (Figure 66).

Some later model year units have been built with clutches that contain a brake shim. When the clutch brake has worn to the point where the clutch no longer engages consistently, you can remove the shim to extend the clutch life.

Park the machine on a level surface, disengage the blade-control switch (PTO), and engage the parking brake.
Shut off the engine, remove the key, and wait for all moving parts to stop before leaving the operating position.
Using an air compressor, blow out any debris from under the brake pole and around the brake spacers (Figure 68).

Check the condition of the wire-harness leads, connectors, and terminals.
Note: Clean or repair as necessary.
Verify that 12 V is present at the clutch connector when the blade-control switch (PTO) switch is engaged.
Measure the gap between the rotor and armature. If the gap is greater than 1 mm (0.04 inch), do the following steps:
Loosen both brake-mounting bolts 1/2 to 1 full turn as shown in Figure 69.
Note: Do not remove the brake pole from the field shell/armature. The brake pole has worn to match the armature and needs to continue to match after you remove the shim to ensure proper brake torque.

Using needle-nose pliers, or by hand, hold the tab and remove the shim (Figure 70).
Note: Do not discard the shim until the clutch is functioning properly.

Using a pneumatic line, blow out any debris from under the brake pole and around the brake spacers.
Torque each bolt (M6 x 1) to 12.3 to 13.7 N∙m (9.5 to 10.5 ft-lb).
Using a 0.25 mm (0.01 inch) thick feeler gauge, verify that a gap is present between the rotor and the armature face on both sides of the brake pole as shown in Figure 71 and Figure 72.
Note: Due to the way the rotor and the armature faces wear (peaks and valleys) it is sometimes difficult to measure the gap accurately.


If the gap is less than 0.25 mm (0.01 inch), then install the shim.
If the gap is sufficient, proceed to the safety check in step 6.
Perform the following safety check:
Sit on the seat and start the engine.
Make sure that the blades do not engage with the blade-control switch (PTO) in the OFF position, and that the clutch is disengaged.
If the clutch does not disengage, install the shim again.
Engage and disengage the blade-control switch (PTO) 10 consecutive times to ensure that the clutch is functioning properly.
| Maintenance Service Interval | Maintenance Procedure |
|---|---|
| Before each use or daily |
|
Remove any buildup of grass, dirt, or other debris from the oil cooler and the engine screen (Figure 73).


Remove any buildup of grass, dirt, or other debris from the engine screen. This helps ensure adequate cooling and correct engine speed and reduces the possibility of overheating and mechanical damage to the engine (Figure 70).
| Maintenance Service Interval | Maintenance Procedure |
|---|---|
| Every 100 hours |
|
Park the machine on a level surface, disengage the blade-control switch (PTO), and engage the parking brake.
Shut off the engine, remove the key, and wait for all moving parts to stop before leaving the operating position.
Remove the air-intake screen, the recoil starter, and the fan housing (Figure 74).
Clean the debris and grass from the engine parts.
Install the air-intake screen, the recoil starter, and the fan housing (Figure 74).

| Maintenance Service Interval | Maintenance Procedure |
|---|---|
| Before each use or daily |
|
Park the machine on a level surface, disengage the blade-control switch (PTO), and engage the parking brake.
Shut off the engine, remove the key, and wait for all moving parts to stop before leaving the operating position.
Move the seat forward.
Clean the debris and grass from the hydraulic-unit shrouds (Figure 75).
Position the seat.


| Maintenance Service Interval | Maintenance Procedure |
|---|---|
| After the first 100 hours |
|
| Every 500 hours |
|
Check to ensure that parking brake is adjusted properly. This procedure must be followed after the first 100 hours or when a brake component has been removed or replaced.
Park the machine on a level surface, disengage the blade-control switch, and engage the parking brake.
Shut off the engine, remove the key, and wait for all moving parts to stop before leaving the operating position.
Raise the rear of the machine up and support the machine with jack stands.
Remove the rear tires from the machine.
Remove any debris from the brake area.
Release the drive wheels; refer to Using the Drive-Wheel-Release Valves.
Disengage the parking brake.
Remove the spring clevis pin from the rear linkage and caliper (Figure 76).

Loosen the jam nut on the rear linkage.
Push the caliper lever forward with finger pressure until the brake pad contacts the hub rotor.
Adjust the rear linkage until the spring clevis pin can be inserted in the hole in the caliper lever.
Note: To lengthen the linkage, rotate the clevis 1 turn outward.
Tighten the jam nut on the rear linkage (Figure 76).
Ensure that the wheel hub moves freely between the caliper brake pads.
Repeats steps 8 to 13 for the right side.
Rotate the drive wheel release handle to the operating position; refer to Using the Drive-Wheel-Release Valves.
Install the rear tires and torque the lug nuts to 129 N∙m (95 ft-lb).
Remove the jack stands.
| Maintenance Service Interval | Maintenance Procedure |
|---|---|
| Every 50 hours |
|
Replace the belt if it is worn. The signs of a worn belt include squealing while the belt is rotating; the blades slipping while cutting grass; and frayed edges, burn marks, and cracks on the belt.
Park the machine on a level surface, disengage the blade-control switch (PTO), and engage the parking brake.
Shut off the engine, remove the key, and wait for all moving parts to stop before leaving the operating position.
Lower the mower to the 76 mm (3 inch) height of cut.
Remove the belt covers (Figure 77).

Use a ratchet in the square hole in the idler arm to remove tension on the idler spring (Figure 78).
Remove the belt from the mower-deck pulleys.
Remove the belt guide on the spring-loaded idler arm (Figure 78).
Remove the existing belt.
Install the new belt around the mower pulleys and the clutch pulley under the engine (Figure 78).

Install the belt guide on the idler arm (Figure 78).
Using the ratchet in the square hole, install the idler spring (Figure 78).
Note: Make sure that the spring ends are seated in the anchor grooves.
Install the belt covers (Figure 79).

Park the machine on a level surface, disengage the blade-control switch (PTO), and engage the parking brake.
Shut off the engine, remove the key, and wait for all moving parts to stop before leaving the operating position.
Remove the mower belt; refer to Replacing the Mower Belt.
Raise the machine and support it with jack stands (Figure 80).

Use a ratchet in the square hole in the idler arm to remove the idler spring (Figure 80).
Unhook the idler spring from the frame (Figure 80).
Remove the belt from the hydraulic-unit-drive pulleys and the engine pulley.
Install the new belt around engine pulley and the 2 drive pulleys.
Using a ratchet in the square hole in the idler arm, install the idler spring to the frame (Figure 80).
Install the mower belt; refer to Replacing the Mower Belt.
There are 2 height positions for the control levers—high and low. Remove the bolts to adjust the height for the operator.
Park the machine on a level surface, disengage the blade-control switch (PTO), and engage the parking brake.
Shut off the engine, remove the key, and wait for all moving parts to stop before leaving the operating position.
Loosen the bolts and flange nuts installed in the levers (Figure 81).
Align the levers in the front-to-rear position by bringing the levers together to the NEUTRAL position, and slide them until they are aligned, then tighten the bolts (Figure 82).


If the ends of the levers hit against each other, refer to Adjusting the Motion-Control Linkage.
Repeat to adjust the control levers.
Located on either side of the machine, below the seat, are the pump-control linkages. Rotating the end nut with a 1/2-inch deep socket wrench allows fine tuning adjustments so that the machine does not move in neutral. Any adjustments should be made for neutral positioning only.
The engine must be running and the drive wheels turning so that you can perform the adjustments. Contact with moving parts or hot surfaces may cause personal injury.
Keep your fingers, hands, and clothing clear of rotating components and hot surfaces.
Park the machine on a level surface, disengage the blade-control switch (PTO), move the motion-control levers to the NEUTRAL-LOCK position, and engage the parking brake.
Shut off the engine, remove the key, and wait for all moving parts to stop before leaving the operating position.
Push the deck-lift pedal, remove the height-of-cut pin, and lower the mower deck to the ground
Raise the rear of the machine up and support it with jack stands (or equivalent support) just high enough to allow the drive wheels to turn freely.
Remove the electrical connection from the seat safety switch, located under the bottom cushion of the seat.
Note: The switch is a part of the seat assembly.
Temporarily install a jumper wire across the terminals in the connector of the main wire harness.
Start the engine, run it at full throttle, and disengage the parking brake.
Note: Before starting the engine, ensure that the parking brake is engaged and that the motion-control levers are out. You do not have to be in the seat.
Run the machine at least 5 minutes with the drive levers at full forward speed to bring the hydraulic fluid up to the operating temperature.
Note: The motion-control levers must be in neutral while you are making any adjustments.
Bring the motion-control levers into the NEUTRAL position.
Adjust the pump-control-rod lengths by rotating the double nuts on the rod in the appropriate direction until the wheels slightly creep in reverse (Figure 83).

Move the motion-control levers to the REVERSE position and while applying slight pressure to the lever, allow the reverse-indicator springs to bring the levers back to neutral.
Note: The wheels should stop turning or slightly creep in reverse.
Shut off the machine.
Remove the jumper wire from the wire harness and plug the connector into the seat switch.
Remove the jack stands.
Raise the mower deck and install the height-of-cut pin.
Check and ensure that the machine does not creep in neutral with the parking brake disengaged.
You can adjust the top damper-mounting bolt to obtain the desired motion-control lever resistance. Refer to Figure 84 for mounting options.

You can adjust the flanged nut to obtain the desired motion-control lever resistance when moving it to the NEUTRAL-LOCK position. See Figure 85 for adjustment options.
Loosen the jam nut.
Tighten or loosen the flanged nut to the desired feel.
For more resistance, tighten the flanged nut.
For less resistance, loosen the flanged nut.
Tighten the jam nut.

Seek immediate medical attention if fluid is injected into skin. Injected fluid must be surgically removed within a few hours by a doctor.
Ensure that all hydraulic-fluid hoses and lines are in good condition and all hydraulic connections and fittings are tight before applying pressure to the hydraulic system.
Keep your body and hands away from pinhole leaks or nozzles that eject high-pressure hydraulic fluid.
Use cardboard or paper to find hydraulic leaks.
Safely relieve all pressure in the hydraulic system before performing any work on the hydraulic system.
Hydraulic-Fluid Type: Toro® HYPR-OIL™ 500 hydraulic fluid or Mobil® 1 15W-50.
Important: Use the specified fluid. Other fluids could damage the hydraulic system.
Each Hydraulic-System Fluid Capacity: 1.5 L (52 fl oz) per side with filter change
| Maintenance Service Interval | Maintenance Procedure |
|---|---|
| Every 50 hours |
|
Park the machine on a level surface, disengage the blade-control switch (PTO), and engage the parking brake.
Shut off the engine, remove the key, and wait for all moving parts to stop before leaving the operating position.
Allow the engine and the hydraulic system to cool for 10 minutes.
Note: The oil level on the dipstick is incorrect when the oil is checked and the machine is hot.
Move the seat forward.
Clean the area around the dipsticks of hydraulic-system reservoirs (Figure 86).
Remove 1 dipstick from the hydraulic reservoir (Figure 86).
Wipe the dipstick off and thread the dipstick into the reservoir.
Remove the dipstick and look at the end (Figure 86).
Important: Do not overfill the hydraulic units with fluid, as damage may occur. Do not run the machine with fluid below the add mark.
If the fluid level is at the add mark, slowly pour only enough fluid into the hydraulic reservoir to raise the level to the full or H line.
Install the dipstick.
Repeat the procedure for the opposite dipstick.

| Maintenance Service Interval | Maintenance Procedure |
|---|---|
| After the first 250 hours |
|
| Every 250 hours |
|
| Every 500 hours |
|
To replace the hydraulic fluid, the filters need to be removed. Replace both at the same time; refer to Hydraulic-Fluid Specifications for fluid specifications.
Park the machine on a level surface, disengage the blade-control switch, and engage the parking brake.
Shut off the engine, remove the key, and wait for all moving parts to stop before leaving the operating position.
Raise the machine and support it with jack stands (Figure 87).

Remove both the mower belt and the pump-drive belt; refer to Replacing the Mower Belt and Replacing the Hydraulic Pump-Drive Belt.
Note: This prevents fluid from getting on the belts.
Place a drain pan under the filter, remove the old filter, and wipe the surface clean (Figure 88).

Apply a thin coat of hydraulic fluid to the rubber gasket on the replacement filter (Figure 88).
Install the replacement hydraulic filter.
Install the pump-drive belt and the mower belt.
Remove the jack stands and lower the machine (Figure 87).
Add fluid to the hydraulic reservoir and check for any leaks.
Clean up any spilled fluid.
Start the engine and let it run for about 2 minutes to purge air from the system.
Shut off the engine and check for leaks.
Check the fluid level while the fluid is cold.
If required, add fluid to the hydraulic reservoir.
Note: Do not overfill.
A worn or damaged blade can break, and a piece of the blade could be thrown toward you or bystanders, resulting in serious personal injury or death. Trying to repair a damaged blade may result in discontinued safety certification of the product.
Inspect the blades periodically for wear or damage.
Use care when checking the blades. Wrap the blades or wear gloves, and use caution when servicing the blades. Only replace or sharpen the blades; never straighten or weld them.
On multi-bladed machines, take care as rotating 1 blade can cause other blades to rotate.
To ensure a superior quality of cut, keep the blades sharp. For convenient sharpening and replacement, you may want to keep extra blades on hand.
Park the machine on a level surface, disengage the blade-control switch (PTO), and engage the parking brake.
Shut off the engine, remove the key, and disconnect the spark-plug wires from the spark plugs.
| Maintenance Service Interval | Maintenance Procedure |
|---|---|
| Before each use or daily |
|
Inspect the cutting edges (Figure 89).
If the edges are not sharp or have nicks, remove and sharpen the blade; refer to Sharpening the Blades.
Inspect the blades, especially in the curved area.
If you notice any cracks, wear, or a slot forming in this area, immediately install a new blade (Figure 89).

Note: The machine must be on a level surface for the following procedure.
Raise the mower deck to the highest height-of-cut position.
While wearing thickly padded gloves, or other adequate hand protection, slowly rotate the blade into a position that allows you to measure the distance between the cutting edge and the level surface the machine is on (Figure 90).

Measure from the tip of the blade to the flat surface (Figure 91).

Rotate the same blade 180 degrees so that the opposing cutting edge is now in the same position (Figure 92).

Measure from the tip of the blade to the flat surface (Figure 93).
Note: The variance should be no more than 3 mm (1/8 inch).

If the difference between A and B is greater than 3 mm (1/8 inch), replace the blade with a new blade; refer to Removing the Blades and Installing the Blades.
Note: If a bent blade is replaced with a new blade, and the dimension obtained continues to exceed 3 mm (1/8 inch), the blade spindle could be bent. Contact an Authorized Service Dealer for service.
If the variance is within constraints, move to the next blade.
Repeat this procedure on each blade.
Replace the blades if they hit a solid object, or if the blade is out of balance or bent.
Place a wrench on the flat of the spindle shaft or hold the blade end using a rag or thickly padded glove.
Remove the blade bolt, bushing, and blade from the spindle shaft (Figure 94).

Use a file to sharpen the cutting edge at both ends of the blade (Figure 95).
Note: Maintain the original angle.
Note: The blade retains its balance if the same amount of material is removed from both cutting edges.

Check the balance of the blade by putting it on a blade balancer (Figure 96).
Note: If the blade stays in a horizontal position, the blade is balanced and can be used.
Note: If the blade is not balanced, file some metal off the end of the sail area only (Figure 95).

Repeat this procedure until the blade is balanced.
Install the bushing through the blade with the bushing flange on the bottom (grass) side of the blade (Figure 97).

Install the bushing/blade assembly into the spindle shaft (Figure 98).

Apply copper-based lubricant or grease to the threads of the blade bolt as needed to prevent seizing. Install the blade bolt finger-tight.
Place a wrench on the flat of the spindle shaft and torque the blade bolt to 75 to 81 N∙m (55 to 60 ft-lb).
Park the machine on a level surface, disengage the blade-control switch (PTO), and engage the parking brake.
Shut off the engine, remove the key, and wait for all moving parts to stop before leaving the operating position.
Check the tire pressure in the drive tires; refer to Checking the Tire Pressure.
Position the transport lock in the latching position.
Push the deck-lift pedal all the way forward and the deck latches at the 14 cm (5-1/2 inches) transport position (Figure 99).

Insert the height-adjustment pin into the 7.6 cm (3 inches) cutting-height location.
Release the transport lock and allow the deck to lower to the cutting height.
Raise the discharge chute.
On both sides of the deck, measure from the level surface to the front tip of the blade (Postion A) as shown in Figure 100.
Note: The measurement should read 7.6 mm (3 inches)

Fine-tune the adjustment nut on the front deck-lift assembly by turning it (Figure 101).
Note: To increase the height, turn the adjustment nut clockwise; to decrease the height, turn the nut counterclockwise.
Note: If the front deck links do not have enough adjustment to achieve accurate cut height, you can use the single-point adjustment to gain more adjustment.

To adjust the single-point system, loosen the 2 bolts at the bottom of the height-of-cut plate (Figure 102).

If the deck is too low, tighten the single-point-adjustment bolt by rotating it clockwise. If the deck is too high, loosen the single-point-adjustment bolt by rotating it counterclockwise (Figure 103).
Note: Loosen or tighten the single-point adjustment bolt enough to move the height-of-cut plate mounting bolts at least 1/3 the length of the available travel in their slots. This regains some up and down adjustment on each of the 4 deck links.

Tighten the 2 bolts at the bottom of the height-of-cut plate (Figure 102).
Note: In most conditions, the back blade tip should be adjusted 6.4 mm (1/4 inch) higher than the front.
Torque the 2 bolts to 37 to 45 N∙m (27 to 33 ft-lb).
On both sides of the deck, measure from the level surface to the back tip of the blade (postion B) as shown in Figure 100.
Note: The measurement should read 8.3 cm (3-1/4 inches)
Fine tune the screw adjuster by turning it to get 8.3 mm (3-1/4 inches) height (Figure 101).
To increase the height, turn the adjustment nut clockwise; to decrease, turn counterclockwise.
Measure until all 4 sides are the correct height.
Tighten all of the nuts on the deck-lift-arm assemblies.
Lower the discharge chute.
Lock out the spring-loaded deck arms before servicing or removing the mower deck.
Deck-lift arm assemblies have stored energy. Removing the deck with out releasing the stored energy can cause serious injury or death.
Do not attempt to disassemble the deck from the front frame without locking out the stored energy.
Park the machine on a level surface, disengage the blade-control switch (PTO), and engage the parking brake.
Shut off the engine, remove the key, and wait for all moving parts to stop before leaving the operating position.
Place the height adjustment pin in the 7.6 cm (3 inch) cutting-height location.
Note: This locks the deck-lift arms in the lowest position when the deck is removed and the stored energy in the deck spring is released.
Remove the belt covers.
Lift up the floor pan and insert a ratchet into the square hole in the deck idler (Figure 104).
Rotate the deck idler clockwise and remove the mower belt (Figure 104).

Remove and retain the hardware on both sides of the deck as shown in Figure 105.

Raise the deck struts and secure them in the raised position.
Slide the deck out to the right side of the machine.
An uncovered discharge opening could allow the machine to throw objects toward you or bystanders, resulting in serious injury. Also, contact with the blade could occur.
Never operate the machine unless you install a mulch plate, discharge deflector, or grass collection system.
Remove the locknut, bolt, spring, and spacer holding the deflector to the pivot brackets (Figure 106).
Remove the damaged or worn grass deflector (Figure 106).

Place the spacer and the spring onto grass deflector.
Place 1 J-hook end of the spring behind the deck edge.
Note: Make sure that 1 J-hook end of the spring is installed behind the deck edge before installing the bolt as shown in Figure 106.
Install the bolt and the nut.
Place 1 J-hook end of the spring around the grass deflector (Figure 106).
Important: The grass deflector must be able to rotate. Lift the deflector up to the full open position and ensure that it rotates into the full down position.
| Maintenance Service Interval | Maintenance Procedure |
|---|---|
| Before each use or daily |
|
Park the machine on a level surface, disengage the blade-control switch (PTO), and engage the parking brake.
Shut off the engine, remove the key, and wait for all moving parts to stop before leaving the operating position.
Raise the mower deck to the TRANSPORT position.
Engine oil, batteries, hydraulic fluid, and engine coolant are pollutants to the environment. Dispose of these according to your state and local regulations.
Shut off the engine, remove the key, wait for all moving parts to stop, and allow the machine to cool before storing it.
Do not store the machine or fuel near flames or drain the fuel indoors.
Remove the key and store it in a safe place out of the reach of children.
Disengage the blade-control switch (PTO), and engage the parking brake.
Shut off the engine, remove the key, and wait for all moving parts to stop before leaving the operating position.
Remove grass clippings, dirt, and grime from the external parts of the entire machine, especially the engine and hydraulic system. Clean dirt and chaff from the outside of the engine cylinder head fins and blower housing.
Important: You can wash the machine with mild detergent and water. Do not pressure wash the machine. Avoid excessive use of water, especially near the control panel, engine, hydraulic pumps, and motors.
Check the parking brake operation; refer to Adjusting the Parking Brake.
Service the air cleaner; refer to Servicing the Air Cleaner.
Grease the machine; refer to Lubrication.
Change the crankcase oil; refer to Servicing the Engine Oil.
Check the tire pressure; refer to Checking the Tire Pressure.
Change the hydraulic filters; refer to Changing the Hydraulic Fluid and Filters.
Charge the battery; refer to Charging the Battery.
Scrape any heavy buildup of grass and dirt from the underside of the mower, then wash the mower with a garden hose.
Note: Run the machine with the blade-control switch (PTO) engaged and the engine at high idle for 2 to 5 minutes after washing.
Check the condition of the blades; refer to Servicing the Cutting Blades.
Prepare the machine for storage when non-use occurs over 30 days. Prepare the machine for storage as follows:
Add a petroleum-based stabilizer/conditioner to fuel in the tank. Follow mixing instructions from the stabilizer manufacturer. Do not use an alcohol-based stabilizer (ethanol or methanol).
Note: A fuel stabilizer/conditioner is most effective when mixed with fresh fuel and used at all times.
Run the engine to distribute conditioned fuel through the fuel system for 5 minutes.
Shut off the engine, allow it to cool, and drain the fuel tank.
Start the engine and run it until it stops.
Dispose of fuel properly. Recycle the fuel according to local codes.
Important: Do not store fuel containing stabilizer/conditioner longer than the duration recommended by the fuel-stabilizer manufacturer.
Remove and check the condition of the spark plug(s); refer to Servicing the Spark Plug(s). With the spark plug(s) removed from the engine, pour 30 ml (2 tablespoons) of engine oil into the spark plug hole. Use the starter to crank the engine and distribute the oil inside the cylinder. Install the spark plug(s). Do not install the wire on the spark plug(s).
Check and tighten all bolts, nuts, and screws. Repair or replace any part that is damaged.
Paint all scratched or bare metal surfaces. Paint is available from your Authorized Service Dealer.
Store the machine in a clean, dry garage or storage area. Remove the key from the switch and keep it out of reach of children or other unauthorized users. Cover the machine to protect it and keep it clean.
| Problem | Possible Cause | Corrective Action |
|---|---|---|
| The malfunction-indicator light (MIL) comes on. |
|
|
| The starter does not crank. |
|
|
| The engine does not start, starts hard, or fails to keep running. |
|
|
| The engine loses power. |
|
|
| The engine overheats. |
|
|
| The machine pulls to the left or right (with the motion-control levers fully forward). |
|
|
| The machine does not drive. |
|
|
| The machine vibrates abnormally. |
|
|
| The cutting height is uneven. |
|
|
| The blades do not rotate. |
|
|
| The clutch does not engage. |
|
|
