Vedlikehold
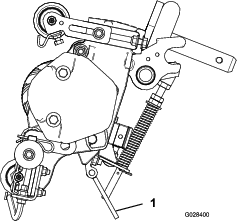
Bruke støtten når du tipper klippeenheten
Note: Når vertikalkutteren må vippes for å gi tilgang til vertikalklipperknivene, bruk støtten (følger med trekkenheten) (Figur 12).

Smøre vertikalkutteren
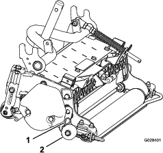
Hver vertikalkutter har fem smørenipler (Figur 13) som må smøres ukentlig med litiumbasert smørefett nr. 2.
Smørepunktene er fremre valse (2), bakre valse (2) og spolemotorkilene (1).
Important: Hvis du smører klippeenhetene rett etter at du har vasket dem, skylles vannet ut av lagrene og bidrar til at de får forlenget levetid.
-
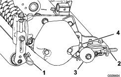
Tørk av alle smøreniplene med en ren fille.
-
Påfør smørefett til det kommer rent smørefett ut av valseforseglingene og avlastningsventilen på lageret (Figur 13).

-
Tørk vekk ev. overflødig fett.
Fjerne vertikalkutterknivene fra akselen
-
Fest enden av vertikalkutterakselen, som bare har en skive og mutter, i en skrutvinge.
-
På den andre siden av akselen, roter mutteren mot urviseren og fjern mutteren.
Forsiktig
Knivene er ekstremt skarpe og kan ha ru kanter som du kan skjære deg på.
Bruk hansker og vær forsiktig når du fjerner knivene fra akselen.
-
Fjern det lille avstandsstykket, skiven, knivene og de store avstandsstykkene. Rengjør og smør den firkantede akselen med et tynt lag smørefett for å gjøre monteringen enklere (Figur 14).

Important: Rekkefølgen på demonteringen er svært viktig. Ikke snu om på vertikalkutterens spolekniver ved demontering eller rekkefølgen ved montering. Legg merke til indekshullet i hver vertikalkutterkniv. Indekshullet er ment for montering, for å oppnå en korrekt spiral for vertikalkutterspolen.
Montere vertikalkutterknivene
-
Monter en kniv (Figur 15).
-
Monter et stort avstandsstykke.
-
Snu ikke om på spoleknivene ved montering på spoleakselen.
Note: Knivene i bruk (de avrundede) vil blandes med de skarpe endene på de tidligere ubrukte knivene dersom du snur på knivene. Dette vil føre til dårlig klipperesultat.
-
Monter den neste kniven med urviseren slik at indekshullet (Figur 15) ikke er på linje med det første knivhullet, men avviker med en av akselens seks kanter.

-
Fortsett å monter avstandsstykker og kniver på denne måten til alle knivene har blitt montert.
Note: Når knivene er riktig montert, vil knivene være plassert slik at de ser ut som en spiral.
-
Monter det lille avstandsstykket på akselen.
-
Påfør blå Loctite 242 på mutteren. Monter mutteren på akselen (maskinert side av mutteren mot avstandsstykket) og stram til 109–135 N·m.
Valgfritt mellomrom mellom knivene
12,7 mm mellomrom mellom knivene for modell 03618
Endring av konfigurasjonen av vertikalkutteren fra standard 19,1 mm mellomrom til 12,7 mm mellomrom, krever ytterligere 34 avstandsstykker, delenr. 17-1580 og ytterligere 10 karbidkniver, delenr. 106-6355 eller ytterligere 10 vanlige kniver, delenr. 17-1590 (Figur 16).

25,4 mm mellomrom mellom knivene for modell 03619
Endring av konfigurasjonen av vertikalkutteren fra standard 31,8 mm mellomrom til 25,4 mm mellomrom krever ytterligere 19 avstandsstykker, delenr. 93-3092 og ytterligere 4 karbidkniver, delenr. 106-8625 eller ytterligere 4 vanlige kniver, delenr. 93-3038-03 (Figur 17).

Vedlikeholde valsen
Et gjenoppbyggingssett for valse (delenr. 114-5430) og et verktøysett for gjenoppbygging av valse (delenr. 115-0803) (Figur 18) er tilgjengelig for vedlikehold av valsen. Gjenoppbyggingssettet for valse inneholder alle lagre, lagermuttere, indre forseglinger og ytre forseglinger som trengs for å gjenoppbygge en valse. Gjenoppbyggingssettet for valse inneholder alle verktøy og monteringsinstruksjoner som er nødvendige for å gjenoppbygge en valse med tilhørende sett. Se delekatalogen eller ta kontakt med en autorisert Toro-forhandler for hjelp.



) som betyr Forsiktig, Advarsel
eller Fare – personsikkerhetsinstruks. Hvis ikke disse instruksjonene
tas hensyn til, kan det føre til alvorlige personskader eller
dødsfall.









