유지보수
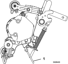
커팅 유닛을 기울일 때 킥스탠드 사용
Note: 버티커터 블레이드가 보이도록 버티커터를 기울여야 할 때마다 트랙션 유닛과 함께 제공된 킥스탠드를 사용하십시오(그림 12).

버티커터 윤활
샤프트에서 버티커터 블레이드 제거
-
한 개의 와셔와 너트만 있는 버티커터 샤프트 끝을 바이스에 고정합니다.
-
샤프트의 다른 쪽 끝에서 너트를 시계 반대 방향으로 돌려 제거합니다.
주의
블레이드는 아주 날카로우며 깔쭉깔쭉한 부분에 손이 베일 수 있습니다.
샤프트에서 블레이드를 분리할 때에는 장갑을 끼고 주의를 기울이십시오.
-
작은 스페이서, 와셔, 블레이드 및 큰 스페이서를 분리합니다. 정사각형 샤프트를 닦은 다음 조립하기 쉽도록 그리스를 얇게 발라 윤활합니다(그림 14).

Important: 분해 순서는 매우 중요합니다. 분해 시 버티커터 릴 블레이드의 방향이 반대로 되지 않도록 하십시오. 조립할 때는 분해의 역순으로 조립하십시오. 각 버티커터 블레이드에 있는 인덱스 구멍에 유의하십시오. 인덱스 구멍은 조립시 버티커터 릴을 나선형으로 정렬할 수 있도록 뚫려 있습니다.
버티커터 블레이드 설치
-
블레이드를 조립하십시오(그림 15).
-
큰 스페이서를 조립합니다.
-
릴 샤프트에 조립할 때 릴 블레이드의 방향이 반대로 되지 않도록 주의합니다.
Note: 블레이드를 뒤집으면, 사용 중인 (둥글게 처리된) 블레이드가 이전에 사용하지 않은 블레이드의 날카로운 단부와 섞여서, 커팅 성능이 저하됩니다.
-
색인 참조 구멍(그림 15)이 첫 번째 블레이드 구멍과 시계 방향으로 샤프트의 한 평면만큼 엇갈리게 정렬되도록 다음 블레이드를 설치합니다.

-
이런 식으로 스페이서와 블레이드를 계속 번갈아 조립하면서 모든 블레이드를 설치합니다.
Note: 조립을 제대로 하면 블레이드는 나선 모양으로 서로 엇갈리게 배열됩니다.
-
샤프트에 작은 스페이서를 설치합니다.
-
파란색 록타이트(Loctite) 242를 너트에 도포합니다. 너트를 샤프트에 설치하고(너트의 가공된 쪽이 스페이서를 향하도록) 109-135 N·m의 토크로 조입니다.
선택적 블레이드 간격
12.7 mm 블레이드 간격(03618 모델)
버티커터의 구성을 기본 19 mm 간격에서 12.7 mm 간격으로 변경하려면 34개의 스페이서(부품 번호: 17-1580) 및 10개의 카바이드 블레이드(부품 번호: 106-6355)나 10개의 일반 블레이드(부품 번호: 17-1590)가 추가로 필요합니다(그림 16).

25.4 mm 블레이드 간격(03619 모델)
버티커터의 구성을 기본 32 mm 간격에서 25.4 mm 간격으로 변경하려면 19개의 새 스페이서(부품 번호: 93-3092)가 필요하며, 4개의 카바이드 블레이드(부품 번호: 106-8625)나 4개의 일반 블레이드(부품 번호: 93-3038-03)가 추가로 필요합니다(그림 17).

롤러 정비
롤러 정비에 롤러 수리 키트(부품 번호: 114–5430)와 롤러 수리 도구 키트(부품 번호: 115–0803)(그림 18)를 사용할 수 있습니다. 롤러 수리 키트에는 롤러 수리를 위한 모든 베어링, 베어링 너트, 내부 및 외부 씰이 들어 있습니다. 롤러 수리 도구 키트에는 롤러 수리 키트로 롤러를 수리하는 데 필요한 모든 도구와 설치 지침이 들어 있습니다. 도움이 필요하면 부품 카탈로그를 참조하거나 Toro 지정 판매 대리점에 문의하십시오.



)에 항상 주의를 기울이십시오. 이 지침을
따르지 않을 경우 사람이 다치거나 사망하는 사고가 발생할 수 있습니다.










