Manutenzione
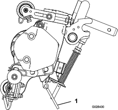
Utilizzo del cavalletto per inclinare l’elemento di taglio
Note: Quando è necessario capovolgere il verticutter per accedere alle lame, servitevi del cavalletto (fornito con il trattorino (Figura 12).

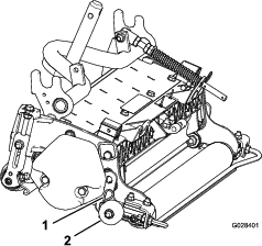
Lubrificazione del verticutter
Ciascun verticutter è dotato di 5 raccordi di ingrassaggio (Figura 13) che devono essere lubrificati ogni settimana con grasso al litio n. 2.
I punti di lubrificazione sono il rullo anteriore (2), il rullo posteriore (2) e le scanalature del motore dei cilindri (1).
Important: La lubrificazione degli apparati di taglio subito dopo il lavaggio contribuisce ad eliminare l’acqua dai cuscinetti e ad aumentarne la vita utile.
-
Passate uno straccio pulito su ciascun raccordo di ingrassaggio.
-
Applicate il grasso fino a quando non vedete uscire grasso pulito dalle guarnizioni dei rulli e dalla valvola di sfogo dei cuscinetti (Figura 13).

-
Eliminate il grasso in eccesso con uno straccio.
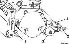
Rimozione delle lame del verticutter dall'albero
-
Bloccate con una morsa l'estremità dell'albero del verticutter dotata di rondella e dado singoli.
-
Ruotate il dado sull'altra estremità dell'albero in senso antiorario, fino a rimuoverlo.
Attenzione
Le lame sono molto affilate ed eventuali bave presenti sulle stesse potrebbero procurarvi tagli alle mani.
Indossate guanti e prestate attenzione durante la rimozione delle lame dall'albero.
-
Rimuovete il distanziale piccolo, la rondella, le lame e i distanziali grandi. Pulite e lubrificate l'albero a sezione quadrata con uno strato sottile di grasso per agevolare l'assemblaggio (Figura 14).

Important: L’ordine di disassemblaggio è estremamente importante. Non invertite il senso di montaggio delle lame durante il disassemblaggio, né l'ordine in fase di assemblaggio. Prendete nota del foro di riferimento su ciascuna lama del verticutter. Il foro di riferimento serve ai fini dell'assemblaggio, per dare al cilindro del verticutter la conformazione elicoidale appropriata.
Montaggio delle lame del verticutter
-
Montate una lama (Figura 15).
-
Montate un distanziale grande.
-
Non invertite il senso di montaggio delle lame durante l'assemblaggio sull'albero del cilindro.
Note: Se invertite le lame, le lame in uso (smussate) si mischieranno alle estremità affilate delle lame precedentemente inutilizzate, determinando prestazioni di taglio insoddisfacenti.
-
Montate la lama successiva ruotata in senso orario in modo tale che il foro di riferimento (Figura 15) non sia allineato al foro della prima lama, bensì sia spostato di un lato sulla sezione quadrata dell'albero.

-
Proseguite in questo modo all’installazione di distanziali e lame finché non è stato assemblato l’intero complemento di lame.
Note: Una volta assemblate correttamente, le lame saranno orientate in modo tale da disegnare una forma elicoidale.
-
Installate il distanziale piccolo sull'albero.
-
Applicate Blue Loctite 242 sul dado. Montate il dado sull'albero (con il lato levigato rivolto verso il distanziale) e serratelo a un valore compreso tra 109 e 135 N·m.
Distanziamento delle lame optional
Distanziamento delle lame 13 mm per modello 03618
Per modificare la configurazione del verticutter dal distanziamento standard di 19 mm a quello di 13 mm sono necessari altri 34 distanziali, n. cat. 17-1580 e altre 10 lame in carburo, n. cat. 106-6355, oppure altre 10 lame regolari, n. cat. 17-1590 (Figura 16).

Distanziamento delle lame 25,4 mm per modello 03619
Per modificare la configurazione del verticutter dal distanziamento standard di 32 mm a quello di 25,4 mm sono necessari altri 19 distanziali, n. cat. 93-3092 e altre 4 lame in carburo, n. cat. 106-8625, oppure altre 4 lame regolari, n. cat. 93-3038-03 (Figura 17).

Manutenzione del rullo
Per la manutenzione del rullo sono disponibili un Kit di ricostruzione rullo (n. cat. 114-5430) e un Kit utensili per ricostruzione rullo (n. cat. 115-0803) (Figura 18). Il Kit di ricostruzione rullo include tutti i cuscinetti, i dadi dei cuscinetti, le guarnizioni interne ed esterne necessari per ricostruire un rullo. Il Kit utensili per ricostruzione rullo include tutti gli utensili e le istruzioni d’installazione necessari per ricostruire un rullo con il kit di ricostruzione rullo. Consultate il catalogo ricambi o il vostro distributore Toro autorizzato per ricevere assistenza.



che riporta l’indicazione di Attenzione,
Avvertenza o Pericolo – norme di sicurezza personali. Il mancato
rispetto di queste istruzioni può provocare infortuni o la
morte.









