维护
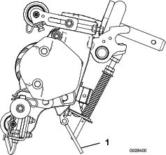
翻转滚刀组时使用支架
Note: 如果切根刀必须翻转以露出切根刀刀片,请使用支架(随主机提供)图 12。

润滑切根刀
从轴上卸下切根刀刀片
-
用老虎钳固定切根刀轴(仅有一个垫圈和螺母)的端部。
-
在轴的另一端,逆时针旋转并取下螺母。
小心
刀片十分锋利且可能有毛边,可能会割到手。
从轴上卸除刀片时应戴上手套并极其小心。
-
依次取下小隔片、垫圈、刀片以及大隔片。 清洁该方形轴,然后涂抹上一薄层润滑脂进行润滑,使组装更加容易 (图 14)。

Important: 拆卸的顺序极其重要。 拆卸时不要倒转切根刀滚刀刀片,组装时不要颠倒顺序。 留意每个切根刀刀片上的定位孔。 定位孔用于组装,以便为切根刀滚刀找到正确的螺旋线。
安装切根刀刀片
可选刀片间矩
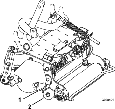
维护滚筒
维护滚筒可以使用滚筒翻新套件(零件号 114–5430)和滚筒翻新工具套件(零件号 115–0803)(图 18)。滚筒翻新套件包括翻新滚筒所需的所有轴承、轴承螺母、内密封件和外密封件。滚筒翻新工具箱包括使用滚筒翻新套件翻新滚筒所需的所有工具和安装说明。请参阅您的零件目录,或联系您的 Toro 授权经销商寻求帮助。



,即小心、警告或危险等个人安全指示。不遵循这些说明可能导致人身伤害甚至死亡事故。













