Entretien
Utilisation de la béquille pour basculer l'unité de coupe
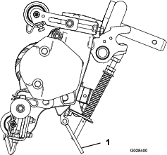
Note: Utilisez la béquille (fournie avec le groupe de déplacement), chaque fois qu'il faut basculer le verticutter pour exposer les lames (Figure 12).

Lubrification du verticutter
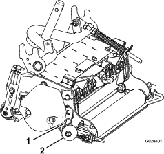
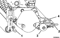
Chaque verticutter comporte 5 graisseurs (Figure 13) qu'il faut lubrifier chaque semaine avec de la graisse au lithium nº 2.
Les points de graissage sont : le rouleau avant (2), le rouleau arrière (2) et les cannelures de moteur de cylindre (1).
Important: Lubrifiez les unités de coupe immédiatement après chaque lavage pour éliminer l'eau des roulements et ainsi prolonger leur vie.
-
Essuyez chaque graisseur avec un chiffon propre.
-
Appliquez de la graisse jusqu'à ce qu'elle ressorte propre par les joints des rouleaux et le clapet de décharge du roulement (Figure 13).

-
Essuyez l'excédent de graisse.
Dépose des lames de verticutting de l'arbre
-
Bloquez l'extrémité de l'arbre munie d'une rondelle et d'un écrou dans un étau.
-
À l'autre extrémité de l'arbre, tournez l'écrou dans le sens antihoraire et enlevez-le.
Prudence
Les lames sont extrêmement coupantes et peuvent vous entailler les mains si elles comportent des bavures.
Portez des gants et déposez les lames de l'arbre avec précaution.
-
Retirez la petite entretoise, la rondelle, les lames et les grandes entretoises. Nettoyez et lubrifiez l'arbre carré avec une fine couche de graisse pour faciliter le montage (Figure 14).

Important: L'ordre de démontage est extrêmement important. N'intervertissez pas les lames du cylindre de verticutting lors du démontage et n'inversez pas l'ordre de remontage. Notez le trou de réglage dans chaque lame de verticutter. Le trou de repérage est utilisé lors du montage pour obtenir le pas hélicoïdal correct pour le cylindre de verticutting.
Pose des lames de verticutter
-
Montez une lame (Figure 15).
-
Montez une grande entretoise.
-
N'intervertissez pas les lames du cylindre lors du montage sur l'arbre du cylindre.
Note: Si vous intervertissez les lames, les lames actuellement utilisées (arrondies) vont se mélanger avec les extrémités aiguisées des lames inutilisées jusque là, ce qui entraînera de mauvaises performances de coupe.
-
Montez la lame suivante dans le sens horaire de sorte que le trou de référence (Figure 15) soit décalé d'un méplat de l'arbre par rapport au trou de la première lame.

-
Poursuivez le montage des entretoises et des lames jusqu'à ce toutes les lames soient en place.
Note: Lorsque le montage est correct, les lames sont décalées de sorte à ressembler à une hélice.
-
Montez la petite entretoise sur l'arbre.
-
Appliquez du produit Blue Loctite 242 sur l'écrou. Montez l'écrou sur l'arbre (côté usiné de l'écrou vers l'entretoise) et serrez-le à un couple de 109 à 135 N·m.
Espacement des lames en option
Espacement de 1,25 cm pour modèle 03618
Pour changer la configuration du verticutter de l'espacement standard de 1,90 cm à 1,25 cm, vous avez besoin de 34 autres entretoises (réf. 17-1580) et de 10 lames carbure supplémentaires (réf. 106-6355) ou de 10 lames ordinaires (réf. 17-1590) supplémentaires (Figure 16).

Espacement des lames de 2,54 cm pour le modèle 03619
Pour changer la configuration du verticutter de l'espacement standard de 3,15 à 2,54 cm, vous avez besoin de 19 autres entretoises (réf. 93-3092) et de 4 lames carbure supplémentaires (réf. 106-8625) ou de 4 lames ordinaires (réf. 93-3038) supplémentaires (Figure 17).

Entretien du rouleau
Le kit de remise à neuf de rouleau (réf. 114-5430) et le kit d'outillage pour remise à neuf de rouleau (réf. 115-0803) (Figure 18) sont disponibles pour l'entretien du rouleau. Le kit de remise à neuf de rouleau comprend tous les roulements, écrous de roulements, et joints internes et externes nécessaires à la remise à neuf d'un rouleau. Le kit d'outillage pour remise à neuf comprend tous les outils et toutes les instructions de montage nécessaires à la remise à neuf d'un rouleau avec le kit de remise à neuf. Consultez le catalogue de pièces ou adressez-vous à votre distributeur Toro agréé.



) et la mention Prudence,
Attention ou Danger. Le non respect de ces instructions peut entraîner
des blessures graves ou mortelles.









